|
|
(21), (22) Заявка: 2006137999/12, 27.10.2006
(24) Дата начала отсчета срока действия патента:
27.10.2006
(46) Опубликовано: 20.08.2008
(56) Список документов, цитированных в отчете о поиске:
Крыжановский В.К., Кербер М.Л. и др. Производство изделий из полимерных материалов. Проектирование изделий, основные технологии, выбор оборудования, примеры расчетов, периферийная механизация. – СПб.: Профессия, 2004, с.390. RU 2090857 С1, 20.09.1997. SU 966490 A1, 15.10.1982. SU 1308864 A1, 07.05.1987. SU 1774223 A1, 07.11.1992. SU 254305 A1, 01.01.1969. SU 896005 A1, 07.01.1982.
Адрес для переписки:
614013, г.Пермь, ул. Акад. Королева, 1, Институт механики сплошных сред УО РАН
|
(72) Автор(ы):
Матвеенко Валерий Павлович (RU), Труфанов Николай Александрович (RU), Сметанников Олег Юрьевич (RU), Куликова Татьяна Георгиевна (RU), Макарова Луиза Евгеньевна (RU)
(73) Патентообладатель(и):
ИНСТИТУТ МЕХАНИКИ СПЛОШНЫХ СРЕД УРАЛЬСКОГО ОТДЕЛЕНИЯ РОССИЙСКОЙ АКАДЕМИИ НАУК (RU)
|
(54) СПОСОБ ВЫЯВЛЕНИЯ СТРУКТУРЫ НА ПОВЕРХНОСТИ МАТЕРИАЛА ИЗДЕЛИЯ
(57) Реферат:
Изобретение относится к технике подготовки исследуемого материала, к изучению его микроструктуры с использованием оптики, и может быть использовано как способ послойного контроля структурного состояния металлов и сплавов, стекол, строительного материала после получения изделий, в процессе эксплуатации и установления причин внезапного разрушения изделий. Способ заключается в предварительной подготовке поверхности – очистке и обезжиривании, нанесении слоя полимера на предварительно нагретую поверхность на 50-150°С выше температуры плавления полимера, оплавление полимера на поверхности с образованием полимерного покрытия, и охлаждении изделия с покрытием. При этом на нагретую поверхность изделия из металла, стекла или изделия строительного назначения наносят слой расплава – прозрачного термоусадочного полимера и выдерживают его на поверхности изделия до выхода газовых пузырьков из пор изделия в расплав прозрачного полимера. Затем создают импульсное давление на полимерное покрытие, равное суммарному усилию схлопывания воздушных пузырьков в полимерном покрытии и усилию заполнения пор и капилляров в изделии расплавом полимера на заданную глубину, равную толщине отделяемого слоя изделия. Полученный в поверхностном слое изделия композит содержит в качестве наполнителя отделяемый слой изделия, а в качестве связки – материал полимерного покрытия. Охлаждение изделия с композитом на его поверхности проводят в режиме закалки. Выдерживают полимерное покрытие до окончания процесса усадки в нем, и отделяют механически слой композита от основного материала изделия. Исследование структурного состояния поверхностей отделяемого слоя и основного изделия проводят в отраженном свете на оптическом микроскопе. Технический результат изобретения заключается в выявлении межслоевой структуры в металле, стеклах и изделиях строительного назначения, упрощении способа выявления структуры слоев путем внедрения в поверхность исследуемого материала полимерного покрытия на заданную глубину отделяемого слоя, получении композиции, содержащей отделяемый слой в качестве наполнителя и полимерное покрытие в качестве связки, отрыв полученной композиции от основного материала и исследование структуры на поверхности как отделяемого слоя, так и основного материала в отраженном свете в оптическом микроскопе. 10 ил.
Изобретение относится к технике подготовки исследуемого материала, к изучению его микроструктуры с использованием оптики. Оно может быть использовано как способ послойного контроля структурного состояния металлов и сплавов, стекол, строительного материала после получения изделий, а также в процессе эксплуатации или для установления причин внезапного разрушения изделий.
Известен способ [1] выявления структуры металлов и сплавов, включающий размещение плоской заготовки в держателе между шайбами из электропроводящего материала и двухэтапное электролитическое утонение заготовки до образования в ней отверстий шайбы, используемой с разным внутренним диаметром, а после первого этапа утонения заготовку переворачивают. Способ выявляет структуру металла только в тонком слое для просвечивающей электронной микроскопии. Способ сложен в реализации и малорационален (вырезают образец из листового материала, сошлифовывают на наждачной бумаге до заданной толщины, вставляют между двумя шайбами в держатель, помещают в электролит, который необходимо постоянно охлаждать, травят до появления отверстий в образце, в кромке у отверстий утоняемый материал должен просвечивать, иначе структуру невозможно исследовать). Способ невозможно реализовать для послойного выявления структурных элементов и в их истинном состоянии, без привнесения изменений шлифовкой, резкой, электролитическим травлением или полировкой. К тому же способ из-за агрессивности травителей токсичен и, следовательно, экологически вреден.
Известен способ [2] выявления микроструктуры металлических пленок, заключающийся в том, что подложку с металлической пленкой предварительно выдерживают в атмосфере водорода при давлении не менее 2·105 Па, при температуре в интервале Tn – 50°…Tn, где Tn – температура подложки при осаждении пленки и времени выдержки не менее 5 минут. После такой обработки тонкая металлическая пленка легко отделяется на слой нитроцеллюлозного клея, который затем растворяется в ацетоне, а свободная пленка вылавливается на сеточку и исследуется структура пленки на просвет в электронном микроскопе.
Способ отделения пленки металла с подложки для изучения ее структуры сложен, требует специального оборудования. К тому же, в процессе обработки металлической пленки водородом идет процесс наводораживания ее и изменения структурного состояния, что в свою очередь приводит к искажению сведений об истинной картине структурного состояния изучаемого материала. Способ распространяется на материал исследования из металла и не реализуется для стекла или материала строительного назначения.
Известен способ [3] выявления микроструктуры изделий из металлоконструкций, включающий подготовку шлифа на изделии, травление в кислоте, снятие отпечатка с микроструктуры путем растворения растворителем поверхности образца-свидетеля. В качестве образца-свидетеля используют полимер. Микроструктура, отпечатанная на образце-свидетеле, изучается на оптическом микроскопе. Образец-свидетель прошлифовывают до чистоты 3, затем кисточкой наносят слой бензола на шлифованную поверхность образца-свидетеля. После растворения образца-свидетеля на глубину 50-100 мкм его плотно прижимают растворенной поверхностью к протравленному участку на изделии. Отпечаток готов через 30 мин после затвердевания растворенного слоя образца-свидетеля. После этого отпечаток легко снимается с контролируемого участка. В качестве полимера используют полистирол. Способ выявления микроструктуры усложнен шлифовкой и полировкой поверхности исследуемого участка металлического изделия, травлением, пришлифовкой поверхности полимера и растворением его в бензоле. В целом способ использует экологически вредные вещества (бензол, кислоты). Он позволяет исследовать только отпечаток (негативную картину) с выявленной микроструктурой на участке изделия из металла, а не саму структуру, непосредственно выявленную травлением. Способ не рассчитан на отделение слоя металла с выявленной структурой полимером (образцом-свидетелем).
В качестве прототипа выбран способ [4] нанесения полимерных покрытий как наиболее близкий по технической сущности и положительному эффекту к заявленному изобретению. Нанесение покрытия из полимера на металлическую поверхность осуществляется путем оплавления или расплавления на поверхности металла. Для этого подготавливают поверхность металла, обезжиривая ее, очищая от загрязнений. Затем на нее наносят тонкий слой полимера в виде порошка и оплавляют порошок. Затем покрытие охлаждают. Для нанесения полимерного покрытия порошок полимера загружают в емкость, в которую снизу через фильтр подают сжатый воздух. На выходе из фильтра воздух турбулизируется и образует псевдоожиженную полимер-воздушную смесь, называемую кипящим слоем. В кипящий слой помещают на несколько секунд деталь, предварительно нагретую на 50-150° выше температуры плавления полимерного материала. Порошок соприкасается с горячей поверхностью детали, оплавляется и образует на ней покрытие. После этого деталь с покрытием извлекают из емкости и охлаждают.
Недостатками способа являются: неконтролируемая толщина покрытия, оплывание расплавленного покрытия по высоте изделия; разнотолщинность покрытия; покрытие осуществляется без внедрения в покрываемый металл, т.е. оно не может реализовать отделение поверхностного слоя металла от основания; способ не выявляет структуру металла, а покрытие полимерное наносится только на металл.
Задачей изобретения является выявление межслоевой структуры в металле, стеклах и изделиях строительного назначения, упрощение способа выявления структуры слоев путем внедрения в поверхность исследуемого материала полимерного покрытия на заданную глубину отделяемого слоя, получение композиции, содержащей отделяемый слой в качестве наполнителя и полимерное покрытие в качестве связки, отрыв полученной композиции от основного материала и исследование структуры на поверхности как отделяемого слоя, так и основного материала в отраженном свете в оптическом микроскопе.
Технический результат изобретения достигается тем, что как и в известном способе, заключающемся в предварительной подготовке поверхности путем очистки или обезжиривания, нанесении слоя полимера на предварительно нагретую поверхность на 50-150° выше температуры плавления полимера, оплавлении полимера на поверхности с образованием полимерного покрытия, охлаждении изделия с покрытием, согласно изобретению на нагретую поверхность изделия из металла, стекла или изделия строительного назначения наносят слой расплава прозрачного полимера, обладающего значительной термоусадкой, выдерживают его на поверхности изделия до выхода газовых пузырьков из пор изделия в расплав прозрачного полимера, создают импульсное давление на полимерное покрытие, равное суммарному усилию схлопывания воздушных пузырьков в покрытии и усилию заполнения пор и капилляров расплавом полимеров в изделии на заданную глубину, равную толщине отделяемого от изделия слоя материала изделия, получают композит в поверхностном слое изделия, содержащий в качестве наполнителя отделяемый слой изделия, а в качестве связки – материал полимерного покрытия, охлаждают изделие с композитом на его поверхности в режиме закалки, выдерживают полимерное покрытие до окончания процесса усадки в нем, отделяют механически слой композита от основного материала изделия и исследуют выявленную картину структурного состояния поверхности отделяемого слоя и основного изделия в отраженном свете на оптическом микроскопе.
Сопоставление с прототипом показало, что предлагаемое изобретение отличается состоянием полимера, технологией нанесения полимерного покрытия, получением композита из полимерного и отделяемого с материала изделия слоя, отделением композита от основного материала изделия с одновременным выявлением структуры как на поверхности отделяемого слоя, так и на поверхности основного материала изделия, исследование структуры проводят в ее исходном состоянии без шлифования, травления и полировки поверхностей. В отличие от прототипа на нагретую поверхность наносят расплав полимера, что позволяет регулировать толщину наносимого слоя, повысить жидкотекучесть полимера, улучшая адгезию с покрываемой поверхностью, упрощается технология нанесения, т.к. не требуется использование оборудования в виде емкости, вентиляционной системы и поддержания высокой температуры в объеме всей емкости для нанесения порошкообразного полимера на поверхность металла, а затем и оплавления его, как в прототипе. В предлагаемом изобретении используют прозрачный полимер, обладающий термоусадкой, чтобы он не только покрыл поверхность металла, как в прототипе, но и проник на заданную глубину в поры, капилляры покрываемого материала и увеличил адгезию настолько, что позволил бы отделять послойно материал (металл, стекло и т.д.). Прозрачный полимер позволяет легко наблюдать за выходом газовых пузырьков из покрываемого полимером материала и регулировать время последующей операции – оказания импульсного давления на полимерное покрытие для эффективного его проникновения в поры и капилляры покрываемого материала (металла, стекла и т.д.) и уплотнять само покрытие, выровняв его по всей поверхности, в отличие от прототипа. В результате получают композит, содержащий наполнитель – отделяемый слой материала и связку – полимер, обладающий термоусадкой. За счет высокой адгезной связи полимер представляет собой монолит, который при охлаждении изделия с полимерным покрытием на нем, в процессе усадки полимера, начинает отделяться самопроизвольно или от небольшого механического усилия. Охлаждение ведется в режиме закалки для реализации усадки полимера в полном объеме, гарантирующей отделение слоя поверхности от основной части металла, стекла и т.д. за счет проявления арочного эффекта в композите. После отделения композита от основной части исследуемого материала обнаруживают структуру на отделенном и на основном материале, которая четко видна при увеличениях 10-500 раз в микроскопе типа МБИ-2 или МИМ-7, МИМ-8, Neophot-36 или Olympus (марки СХ41). Таким образом, данный способ выявления структуры соответствует критериям «новизна» и «изобретательский уровень», являясь техническим решением. Признаки, отличающие заявленное техническое решение от прототипа, не выявлены в других технических решениях при изучении данной области техники [1, 2, 5-12].
Осуществление заявленного способа поясняется с помощью устройства, представленного на фиг.1 и 2.
Устройство содержит нагревательный элемент 1, имеющий регулятор температуры. Над нагревательным элементом 1 размещен (фиг.1) съемный переменного сечения полый корпус 2, 3. Часть корпуса 2 может иметь форму, которая зависит от формы исследуемой детали, изделия или участка на детали, часть корпуса 3 имеет форму равнобочной трапеции меньшими основаниями вниз. Части полого корпуса 2, 3 выполнены разъемными и соединены резьбой. В нижней части корпуса с внутренней стороны выполнен круговой упор 4, на котором размещают исследуемый образец или изделие 5.
Предлагаемый способ выявления структуры на поверхности материалов реализован следующим образом. Нагревательный элемент 1 устанавливают под исследуемым образцом 30×30×50 мм (фиг.1), который предварительно помещают в съемный переменного сечения полый корпус 2, 3 на круговом упоре 4. Образец 5 нагревают до температуры выше 50-150° температуры полимерного покрытия 6. На поверхность образца 5, находящуюся в горизонтальном положении, наносят слой предварительно расплавленного прозрачного полимера 6. Наблюдают за тем, как из пор, трещин, капилляров исследуемой поверхности в вязкий расплав полимера выходят пузырьки воздуха. Для того чтобы реализовать процесс образования композита, содержащегося в качестве наполнителя – поверхностный слой исследуемого материала, а в качестве связки этого слоя – полимер, после выхода пузырьков воздуха в пустоты поступает полимер (фиг.1). В связи с тем, что полимер имеет и в расплавленном состоянии высокую вязкость, активизируют процесс заполнения. Для этого в импульсном режиме создают на поверхности полимерного покрытия давление 7 с усилием, обеспечивающим схлопывание пузырьков воздуха, зафиксированных в слое полимерного покрытия, усиливая процесс проникновения расплава полимера в поверхностный слой образца. Регулируют величину давления также исходя из когезионной прочности слоев в образце и дефектности их. Опытным путем подбирают режим получения композита заданной толщины (т.е. глубины внедрения полимера). Таким образом, в результате внедрения полимера в поверхностный слой получают композит, а не просто покрытие полимерное на поверхности исследуемого материала. Для решения задачи, поставленной предлагаемым изобретением, усиливают адгезионные связи в композите за счет использования полимера, обладающего термоусадкой при охлаждении. Для исследуемого образца со слабыми когезионными связями возможно использование полимеров с малой степенью усадки (полиэтилен, полиэтилентерефталат – порошкообразные). Для исследуемого образца со значительными когезионными связями необходимо использовать полимеры, обладающие высокой степенью термоусадки (полиэтилен или полиэтилентерефталат – предварительно ориентированные). Далее идет процесс охлаждения изделия в режиме закалки в воде. Одновременно с процессом охлаждения усадка полимерного покрытия усиливает адгезионную связь его с поверхностным слоем исследуемого метериала изделия (металл, стекло, изделие строительного назначения). В течение 0,5-1 часа или сразу после охлаждения, в зависимости от окончания процесса усадки, отделяют композит (он же отделяемый слой) от основного материала изделия вручную, если четко проявился арочный эффект, или с помощью паукообразного устройства (фиг.2) в виде колоколообразного захвата 8 в нижней части с подрезающими отделяющий слой лезвиями 9 – в случае нечетко выраженного арочного эффекта в отделяемом слое. Для этого устройство приводит во вращение лезвия, «внедряющиеся» по краю в границу раздела отделяемого слоя (композита) и основного материала изделия. При необходимости паукообразное устройство и образец закрепляют в разрывной машине и определяют прочность межслоевого сцепления структурных элементов материала. Способ экспериментально проверен на изделии из кварцевого стекла (фиг.3, 4, 5), оконного стекла (фиг.6), изделии из алюминия (фиг.7), стали 3 (фиг.8, 9). На изделиях строительного назначения способ реализуют легче, чем на предыдущих материалах, из-за незначительных когезионных связей между слоями и повышенной пористости. После отделения слоя поверхностного от основного материала получаем отделяемый слой на полимерном покрытии со структурой при отделении: (см. фиг.3, 4, 5) в виде сколов различного вида, типа, в которых видна структурная организация, свойственная этому локальному участку; (см. фиг.6) оконного стекла – с четкой структурной организацией; (см. фиг.7) алюминия с анодированным слоем на изделии и картиной структурной организации этого слоя, нанесенного на поверхность алюминия; (см. фиг.8, 9) стали 3 в виде плоской поверхности с картиной структурных элементов и связей между ними, а также картиной дефектов в отделенном слое стали. Визуальный просмотр и изучение с помощью оптики полученных отделением поверхностей проводят параллельно и на отделенной, и на оставшейся на основном материале поверхности. При послойном исследовании последовательность отделения поверхностных слоев и изучение картины выявленной структуры ведутся в отраженном свете и при различных увеличениях, что увеличивает качество контроля структурного состояния изучаемого материала и прогнозирования поведения его в эксплуатационных условиях. В качестве полимерного покрытия для кварцевого стекла, стали, алюминия и оконного стекла используют полиэтилентерефталат марки ПЭТФ-А (ТУ 6 -19-051-219-78) и ПЭТФ-А (ТУ 6-19-138-79) в зависимости от когезионной прочности слоев в исследуемом материале. Для выявления межслоевой структуры материалов строительного назначения (кирпич, бетон и т.д.) используют в качестве полимерного покрытия полиэтилен марки ПЭНД (ТУ-6-05-051-79-74). Отделение поверхностного слоя от основного материала с учетом усилия, прилагаемого к лезвию 9 (фиг.2) захвата 8, определяют по форме, описанной в [13], [14]. В отличие от известной зависимости усилий, затрачиваемых на отслоение полимерного покрытия от поверхности металла, предлагаемый способ выявления структуры получает зависимость между адгезией в композите и сопротивлением композита отслаиванию от основного материала. Сила, затрачиваемая на отслоение, отделение композита, связана с углом наклона лезвия 9 по отношению к границе раздела композит-основной материал: сопротивление растет с увеличением этого угла. С учетом трения лезвия 9 и основного материала 5 определяют когезию К по формуле:
,
где Р – усилие отрыва; – угол наклона лезвия; К0 – суммарный коэффициент трения между лезвием и композитом, а также лезвием и основным материалом изделия.
На основании сопоставительного анализа предложенное изобретение обладает критерием «промышленная применимость». Изобретение многократно испытано в лабораторных условиях и готово также и к внедрению в качестве дополнительного учебного пособия по испытаниям металлов, стекол и других материалов как экспресс-анализ структурного межслоевого состояния исследуемого материала и как метод контроля структурного состояния материалов без его разрушения на любом участке поверхности изделия любой конфигурации.
Предлагаемое изобретение имеет по сравнению с прототипом преимущества:
– Способ позволяет расширить возможность получения прочных полимерных покрытий и на стеклах, изделиях строительного назначения;
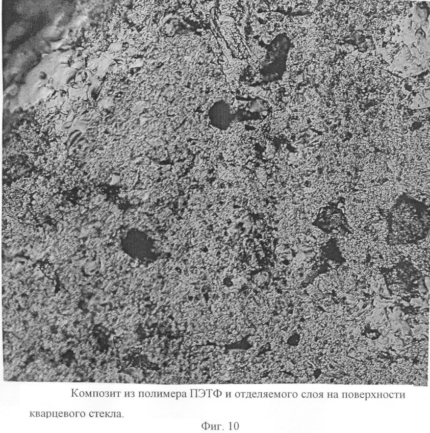
– Способ позволяет получить композицию (фиг.10) из материала покрытия термоусадочного полимера и слоя отделяемого от материала, что позволяет в свою очередь без шлифовки и травления выявить структуру не только поверхности отделяемого слоя, но и одновременно поверхности основного материала изделия, находящихся до момента отделения композиции в когезионной связи, будучи единым целым в исходном состоянии;
– Способ позволяет при помощи полимерного покрытия неоднократно повторять отделение слоев от основного материала изделия и после отделения изучать структуру отделенной и основной поверхности изделия;
– Выявленная структура имеет объемное изображение структурных элементов и связей их между собой в их истинной когезионной связи в материале, не измененном шлифовкой, полировкой и травлением, как в ранее известных решениях [1], [2], что повышает качество контроля изделий за структурным состоянием и дефектами в виде пор, трещин и т.д.
– Способ упрощает метод испытания физико-механических свойств исследуемого материала, т.к. не требуется деформация образцов из материала изделия (сжатие, растяжение, сдвиг и т.д.), поскольку выявление структурного состояния происходит на участках поверхности самого эксплуатируемого изделия. Таким образом, способ контролирует состояние изделия в многофакторном режиме эксплуатации, без абстрагирования каких-либо параметров, как это практикуется на образцах;
– Способ позволяет установить степень неоднородности изделия по разнице структурного состояния поверхности и разнице прочности структурных элементов при их отделении.
Литература
1. Авт. св. №1798651, МКИ G01N 1/28, от 30.01.90 г.
2. Авт. св. №1626115, МКИ G01N 1/28, от 13.02.89 г.
3. Авт. св. №1617320, МКИ G01N 1/28, от 13.02.89 г.
4. Крыжановский В.К., Кербер М.Л. и др. Производство изделий из полимерных материалов. Проектирование изделий, основные технологии, выбор оборудования, примеры расчетов, периферийная механизация. Санкт-Петербург, Изд-во «Профессия», 2004 г., с.390 (прототип).
5. Патент РФ №2064175, МКИ G01N 1/28, от 16.05.94 г.
6. Мальцев М.В. Металлография тугоплавких, редких и радиоактивных материалов и сплавов. – М.: Металлургия, 1971 г., с.329-332.
7. Попов В.Ф., Горин Ю.Н. Процессы и установки электронно-ионной технологии. – М.: Высшая школа, 1988, с.129-133.
8. Технология производства изделий из полимерных материалов. Сб. трудов научно-производственного объединения «Пластик», НИИТЭХИМ, М., 1979 г., с.19, 43.
9. Лебедев А.А. Методы механических испытаний материалов при сложно-напряженном состоянии. – Киев: Наукова Думка, 1976 г., с.5, 24, 102, 120.
10. Лоу Д.Р. Обзор особенностей микро структуры при разрушении сколом. В кн. Атомный механизм разрушения. Пер. с англ. Под редакцией Б.А.Штремеля. – М.: Металлургиздат, 1963, с.84-109.
11. Фридман Я.Б., Годеева Т.А., Зайцев A.M. Строение и анализ изломов металлов. – М.: Машгиз, 1960, 260 с.
12. Карякина М.И., Попцов В.Е. Технология полимерных покрытий. – М.: Химия, 1983 г., с.33-38.
13. Якубович С.В. Испытание лакокрасочных материалов и покрытий. – М.: Госхимиздат, 1952, 480 с.
14. Фрейдин А.С., Урусов Р.А. Свойства и расчет адгезионных соединений. – М.: Химия, 1990, с.20-22.
Формула изобретения
Способ выявления структуры на поверхности материала изделия, заключающийся в предварительной подготовке поверхности – очистке и обезжиривании, нанесении слоя полимера на предварительно нагретую поверхность на 50-150°С выше температуры плавления полимера, оплавлении полимера на поверхности с образованием полимерного покрытия, охлаждении изделия с покрытием, отличающийся тем, что на нагретую поверхность изделия из металла, стекла или изделия строительного назначения наносят слой расплава – прозрачного термоусадочного полимера, выдерживают его на поверхности изделия до выхода газовых пузырьков из пор изделия в расплав прозрачного полимера, создают импульсное давление на полимерное покрытие, равное суммарному усилию схлопывания воздушных пузырьков в полимерном покрытии и усилию заполнения пор и капилляров в изделии расплавом полимера на заданную глубину, равную толщине отделяемого слоя изделия, получают композит в поверхностном слое изделия, содержащий в качестве наполнителя – отделяемый слой изделия, а в качестве связки – материал полимерного покрытия, охлаждают изделие с композитом на его поверхности в режиме закалки, выдерживают полимерное покрытие до окончания процесса усадки в нем, отделяют механически слой композита от основного материала изделия и исследуют выявленную картину структурного состояния поверхностей отделяемого слоя и основного изделия в отраженном свете на оптическом микроскопе.
РИСУНКИ
|
|