|
(21), (22) Заявка: 2006126228/06, 19.07.2006
(24) Дата начала отсчета срока действия патента:
19.07.2006
(43) Дата публикации заявки: 27.01.2008
(46) Опубликовано: 20.08.2008
(56) Список документов, цитированных в отчете о поиске:
Чижов Ю.П. Электрооборудование автомобилей. Курс лекций. Часть II: Машиностроение, 2003, с.68-69. SU 1437539 A1, 15.11.1988. JP 59054772 A, 29.03.1984. JP 2005195025 A, 21.07.2005. US 2005045165 A, 03.05.2005. WO 2005098223 A, 20.10.2005.
Адрес для переписки:
445043, Самарская обл., г. Тольятти, ул. Заставная, 2, корп.3/1, ОАО “АВТОВАЗ”, ПЛО, А.П. Голикову
|
(72) Автор(ы):
Николаев Павел Александрович (RU)
(73) Патентообладатель(и):
Открытое акционерное общество “АВТОВАЗ” (RU)
|
(54) СПОСОБ УПРАВЛЕНИЯ ДВС
(57) Реферат:
Изобретение относится к области транспортного машиностроения и может быть использовано в электронной системе управления двигателем внутреннего сгорания (далее – ДВС) автомобиля. При превышении текущего значения тока в высоковольтной цепи катушки зажигания заданной предельной величины пошагово увеличивают подачу воздуха в цилиндр ДВС, проводят после каждого шага сравнение текущей величины тока в высоковольтной цепи катушки зажигания и при достижении равенства текущим значением тока заданной величины сохраняют увеличенную подачу воздуха в цилиндр ДВС. Техническим результатом является создание способа управления ДВС, снабженного электронной системой зажигания, обеспечивающего гибкое регулирование уровня электромагнитных помех при сохранении надежного зажигания. 2 ил.
Изобретение относится к области транспортного машиностроения и может быть использовано в электронной системе управления двигателем внутреннего сгорания (далее – ДВС) автомобиля.
Высоковольтная цепь системы зажигания является наиболее существенным источником электромагнитных помех в автомобиле. Одним из наиболее эффективных путей снижения уровня электромагнитных помех является управление ДВС, при котором контролируется и ограничивается величина разрядного тока, протекающего в высоковольтной цепи катушки зажигания.
Известен способ управления ДВС, см. заявку WO 90/02873, МКИ5 F02D 41/22, 41/34, F02P 17/00, публ. 22.03.1990 г., снабженного электронной системой зажигания, при котором отслеживают отклонения от нормальной работы оконечного каскада системы зажигания и в случае обнаружения неисправности прекращают впрыск топлива и формируют напряжение зажигания заданное число раз (для предотвращения повреждения катализатора несгоревшим топливом).
Недостатком способа управления является значительное снижение мощности ДВС и высокий уровень электромагнитных помех.
За прототип заявляемого способа взят способ управления ДВС (см. Чижов Ю.П. Электрооборудование автомобилей. Курс лекций. Часть II. Изд. «Машиностроение», 2003 г., стр.68-69), снабженного электронной системой зажигания, при котором задают предельную величину тока в высоковольтной цепи катушки зажигания, периодически измеряют текущую силу тока в высоковольтной цепи катушки зажигания и в случае, если текущая сила тока превышает предельную величину, уменьшают силу тока в высоковольтной цепи катушки зажигания.
При использовании такого способа управления ДВС обеспечивается ограничение уровня электромагнитных помех, излучаемых высоковольтной цепью системы зажигания.
Недостатком способа является отсутствие возможности гибкого регулирования уровня электромагнитных помех в зависимости от режима работы ДВС при сохранении надежного зажигания в цилиндрах.
Задачей заявляемого технического решения является создание способа управления ДВС, снабженного электронной системой зажигания, обеспечивающего гибкое регулирование уровня электромагнитных помех при сохранении надежного зажигания.
Указанная задача решается в способе управления ДВС, снабженного электронной системой зажигания, при котором задают предельную величину тока в высоковольтной цепи катушки зажигания, периодически (например, в каждом такте или реже) измеряют для каждого цилиндра ДВС текущую силу тока в высоковольтной цепи катушки зажигания, сравнивают текущую силу тока с заданной предельной величиной, после чего уменьшают силу тока в высоковольтной цепи катушки зажигания.
Задача решается тем, что при превышении текущего значения тока в высоковольтной цепи катушки зажигания заданной предельной величины пошагово увеличивают подачу воздуха в цилиндр, проводят после каждого шага сравнение текущей величины тока в высоковольтной цепи катушки зажигания и при достижении равенства текущим значением тока заданной величины сохраняют увеличенную подачу воздуха в цилиндр ДВС.
Заявляемое техническое решение получено в результате разработки математической модели, описывающей динамику изменения тока в высоковольтной цепи катушки зажигания при различных режимах работы ДВС и ее последующего анализа. Проведенные исследования показали, что наибольшие колебания мощности разрядного тока происходят в области малых оборотов ДВС. При этом было установлено, что изменение частоты вращения коленчатого вала ДВС существенно влияет на величину пробивного напряжения искрового зазора свечи зажигания и, соответственно, на величину разрядного тока, генерирующего электромагнитное излучение (см. Фиг.1).
Изобретение поясняется следующими чертежами.
На Фиг.1 изображена динамика изменения пробивного напряжения искрового зазора свечи зажигания от оборотов ДВС.
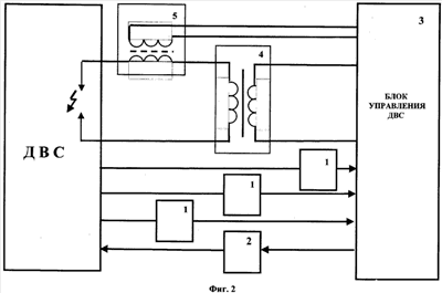
На Фиг.2 изображена блок-схема системы управления ДВС автомобиля.
Изобретение может быть успешно реализовано в системе управления ДВС (например, см. Руководство по эксплуатации, техническому обслуживанию и ремонту автомобилей: ВАЗ-2110, ВАЗ-2111, ВАЗ-2112. М.: Ливр, 1998 г., стр.162-167), схематично изображенной на Фиг.2 и включающей в себя, по меньшей мере, датчики 1 параметров ДВС, регулятор 2 холостого хода (с шаговым электродвигателем и соединенным с ним клапаном), блок 3 управления ДВС, в состав которого входят микропроцессор, ОЗУ и ЭСППЗУ, а также катушка 4 зажигания и датчик 5 тока.
Конструкция датчика 5, предназначенного для измерения высокочастотных составляющих тока системы зажигания ДВС, известна из патента RU 42898 U1, публ. 20.12.2004 г., МПК7 G01R 19/00, бюл. №35.
Датчик 5 взаимодействует с высоковольтной цепью катушки зажигания посредством индуктивной связи.
Для реализации изобретения выполняют следующие действия:
– записывают в ЭСППЗУ блока 3 управления ДВС предельную величину тока в высоковольтной цепи катушки 4 зажигания;
– в процессе работы ДВС периодически измеряют с помощью датчика 5 тока текущее значение тока в высоковольтной цепи катушки 4 зажигания;
– сравнивают текущее значение тока с предельной величиной тока в высоковольтной цепи катушки 4 зажигания;
– в случае, если текущее значение тока превышает предельную величину, пошагово увеличивают подачу воздуха в цилиндр ДВС с помощью управляющего воздействия на регулятор 2 холостого хода;
– после выполнения первого и каждого последующего шага по увеличению подачи воздуха измеряют текущее значение тока в высоковольтной цепи катушки 4 зажигания и сравнивают его с предельной величиной тока;
– в случае снижения текущего значения тока ниже предельной величины прекращают пошаговое увеличение подачи воздуха и подают воздух в количестве, достигнутом на последнем шаге.
При увеличении подачи воздуха увеличиваются обороты ДВС, изменяется состояние воздушно-топливной смеси в цилиндре ДВС и, соответственно, снижается величина пробивного напряжения искрового промежутка свечи зажигания. В результате происходит снижение текущего значения тока в высоковольтной цепи катушки и снижение уровня мощности электромагнитных помех.
Для информирования водителя или специалистов авторемонтных служб об изменении режима работы ДВС в блоке 3 управления может быть выработано сообщение о повышенной подаче воздуха для снижения уровня электромагнитных помех, которое может быть записано в ЭСППЗУ блока 3 управления.
Формула изобретения
Способ управления ДВС, снабженного электронной системой зажигания, при котором задают предельную величину тока в высоковольтной цепи катушки зажигания, периодически измеряют текущую силу тока в высоковольтной цепи катушки зажигания, сравнивают текущую силу тока с заданной предельной величиной, и уменьшают силу тока в высоковольтной цепи катушки зажигания в случае превышения текущим значением заданной предельной величины, отличающийся тем, что при превышении текущего значения тока в высоковольтной цепи катушки зажигания заданной предельной величины пошагово увеличивают подачу воздуха в цилиндр ДВС, проводят после каждого шага сравнение текущей величины тока в высоковольтной цепи катушки зажигания, и при достижении текущим значением тока заданной величины сохраняют увеличенную подачу воздуха в цилиндр ДВС.
РИСУНКИ
|