|
|
(21), (22) Заявка: 2007113495/04, 11.04.2007
(24) Дата начала отсчета срока действия патента:
11.04.2007
(46) Опубликовано: 20.08.2008
(56) Список документов, цитированных в отчете о поиске:
SU 1442514 A1, 07.12.1988. RU 2202531 C1, 20.04.2003. ЕР 0790226 А1, 20.08.1997. US 4346179 A, 24.08.1982.
Адрес для переписки:
445653, Самарская обл., г. Тольятти, Поволжское ш., 32, ОАО “Тольяттиазот”, С.В. Афанасьеву
|
(72) Автор(ы):
Афанасьев Сергей Васильевич (RU), Махлай Владимир Николаевич (RU), Семенова Валентина Алексеевна (RU), Казачков Виктор Александрович (RU), Капитонов Михаил Сергеевич (RU)
(73) Патентообладатель(и):
ОАО “Тольяттиазот” (RU)
|
(54) СПОСОБ ПОЛУЧЕНИЯ МЕТАНОЛА
(57) Реферат:
Изобретение относится к способу получения метанола из конвертированной смеси водорода и оксидов углерода состава, об.%: Н2 – 62,0-78,5; Ar – 0,02-0,07; N2 – 0,05-2,2; CH4 – 1,0-3,5; СО – 10,4-29,5; CO2 – 3,2-10,7, путем ее контактирования с медьсодержащим катализатором при повышенных температуре и давлении в две стадии. При этом газовая смесь с печи риформинга делится на два потока в объемном соотношении 100:(1-50), один из которых на первой стадии непосредственно контактирует с катализатором в проточном реакторе при температуре 200-285°С, давлении 5-15 МПа и объемной скорости 800-2000 ч-1, а другой смешивают с циркуляционным газом в объемном соотношении 10:(10-100) и с объемной скоростью 2500-10000 ч-1 направляют на вторую стадию, с выделением метанола и воды на каждой стадии в соответствующих устройствах. Способ позволяет увеличить выработку метанола и существенно повысить эффективность технологического процесса. 1 табл., 1 ил.
Изобретение относится к области основного органического синтеза, в частности к производству метанола из водорода и оксидов углерода.
Известен [GB №1159095, МПК С07С 32/00, заявл. 18.08.65 г., опубл. 23.07.69 г.] способ получения метанола, включающий реакцию оксидов углерода с водородом под давлением 1,0-15,0 МПа (предпочтительно от 4,0 до 8,0 МПа), температуре 160-300°С (предпочтительно от 190 до 270°С), объемной скорости 7000-25000 ч-1 в присутствии катализатора, содержащего оксиды меди и цинка и, по крайней мере, один трудновосстанавливаемый оксид металла второй – четвертой групп периодической системы элементов Д.И. Менделеева, выделение метанола из реакционной смеси и рециркуляцию непрореагировавших в синтезе метанола веществ. В качестве сырья применяют смесь водорода с оксидом и диоксидом углерода, в которой содержание СО2 варьируется в интервале 1-20 об.% (предпочтительно 3-12 об.%). В реакционном газе, контактирующем с катализатором, объемное отношение водорода к сумме оксидов углерода в 1,3-3,0 раза больше стехиометрического.
К недостаткам данного способа следует отнести пониженную удельную производительность медно-цинкового катализатора, а также высокие энергетические затраты на рециркуляцию газовой смеси.
Известен способ получения метанола [RU №2181117, МПК С07С 29/154, 31/04] контактированием газовой смеси, содержащей оксиды углерода и водород, с медьсодержащим катализатором при температуре 190-290°С, давлении 5,0-10,0 МПа и объемной скорости 4500-100000 ч-1, причем исходную газовую смесь, содержащую 1,0-33,7 об.% оксида углерода, 0,3-22,5 об.% диоксида углерода при объемном отношении водорода к сумме оксидов углерода, равном 1,91-5,60, а также 0,5-50 об.% азота, последовательно пропускают через каскад проточных реакторов трубчатого типа в одну стадию, а метанол и воду отделяют после каждого реактора.
Рассматриваемый каскадный способ позволяет существенно повысить удельную производительность катализатора, однако реализация предлагаемого технического решения сопряжена со значительными материальными затратами и технически сложна. Кроме того, при его осуществлении возможно существенное снижение срока эксплуатации медно-цинкового катализатора, а производительность метанольной установки зависит от количества проточных реакторов.
Наиболее близким по совокупности признаков к заявляемому изобретению является способ получения метанола [SU №1442514, МПК С07С 29/15, 31/04] контактированием смеси водорода и оксидов углерода с медьсодержащим катализатором при повышенных температуре и давлении в две стадии с последующим выделением метанола, причем с целью увеличения удельной производительности катализатора и упрощения технологической схемы, на первой стадии газовую смесь, содержащую СО 0.7-30,0 об.%, CO2 0,3-23,6 об.% при соотношении СО:СО2, равном (0,03-87):1, контактируют с катализатором в реакторном узле, состоящем из одного проточного реактора или каскада проточных реакторов, и на второй стадии процесс ведут при концентрации CO2 во входящей газовой смеси 0,4 – 20,0 об.% и соотношении СО:CO2, равном (0,25-55), с последующим выделением метанола и воды известными приемами в нескольких устройствах или в едином для обеих стадий устройстве.
Недостатком указанного способа получения метанола является непостоянство удельной производительности катализатора при варьировании содержания диоксида углерода в газовой смеси.
Технической задачей изобретения является усовершенствование технологической схемы процесса при одновременном сохранении на высоком уровне его эффективности.
Поставленная задача достигается тем, что в предлагаемом способе метанол синтезируют из конвертируемой смеси водорода и оксидов углерода путем ее контактирования с медьсодержащим катализатором при повышенных температуре и давлении в две стадии, причем с целью увеличения удельной производительности катализатора газовая смесь с печи риформинга состава, об.%: Н2 – 62,0-78,5; Ar – 0,02-0,07; N2 – 0,05-2,2; CH4 – 1,0-3,5; СО – 10,4-19,5; CO2 – 3,2-10,7 делится на два потока в объемном соотношении 100:(1-50), один из которых на первой стадии непосредственно контактирует с катализатором в проточном реакторе при температуре 200-285°С, давлении 5-15 МПа и объемной скорости 800-2000 ч-1, а другой смешивают с циркуляционным газом в объемном соотношении 10:(10-100) и с объемной скоростью 2500-10000 ч-1 направляют на вторую стадию с выделением метанола и воды на каждой стадии в соответствующих устройствах.
Отличительные особенности предлагаемого двухстадийного способа получения метанола состоят в следующем:
– конвертированный газ состава, об.%: Н2 – 62,0-74,5; Ar – 0,02-0,07; N2 – 0,05-2,2; CH2 – 1,0-3,5; СО – 10,4-29,5; CO2 – 3,2-10,7, подаваемый с печи риформинга, делится на два потока в объемном соотношении 100:(1-50), один из которых непосредственно контактирует с катализатором в проточном реакторе, а второй направляется на смешение с газами циркуляции и далее в циркуляционный реактор;
– объемное соотношение конвертированного и циркуляционного газов перед смешением равно 10:(10-100).
Хорошо известно, что переработка синтез-газа с содержанием оксида углерода более 30 об.% и азота свыше 40 об.% – неэкономична. По указанной причине в предлагаемом способе используется синтез-газ, в котором дозировка СО поддерживаются ниже 25 об.%, а объемное отношение Н2/(СО+CO2) находится в интервале от 2 до 5.
Для достижения оптимальной концентрации CO2 может быть использована его подача в печь риформинга, либо же подпитка конвертированного газа чистым диоксидом углерода.
Ограничение верхнего предела по СО2 в синтез-газе в 10 об.% объясняется возможностью снижения скорости образования метанола при более высоком содержании диоксида углерода в газовой смеси.
Таким образом, сущностью предлагаемого технического решения является способ получения метанола из конвертированной смеси водорода и оксидов углерода состава, об.%: Н2 – 62,0-78,5; Ar – 0,02-0,07; N2 – 0,05-2,2; CH4 – 1,0-3,5; СО – 10,4-29,5; CO2 – 3,2-10,7 путем ее контактирования с медьсодержащим катализатором при повышенных температуре и давлении в две стадии, причем газовая смесь с печи риформинга делится на два потока в объемном соотношении 100:(1-50), один из которых на первой стадии непосредственно контактирует с катализатором в проточном реакторе при температуре 200-285°С, давлении 5-15 МПа и объемной скорости 800-2000 ч-1, а другой смешивают с циркуляционным газом в объемном соотношении 10:(10-100) и с объемной скоростью 2500-10000 ч-1 направляют на вторую стадию с выделением метанола и воды на каждой стадии в соответствующих устройствах.
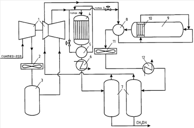
На чертеже приведена принципиальная схема предлагаемого технологического процесса.
Конвертированный газ с печи риформинга подается на всас компрессора 1, охлаждается воздушным холодильником 2 и направляется в сепаратор 3 для отделения влаги. Осушенный синтез-газ компримируется до заданного давления и делится на две части. Первая (поток А) контактирует с катализатором в проточном реакторе 4 и на выходе из него отдает тепло рекуперативному теплообменнику 5 и холодильнику-конденсатору 6. Сконденсировавшийся метанол-сырец отделяется в сепараторе 7.
В свою очередь, вторая часть конвертированного газа (поток Б) смешивается с циркуляционным газом, подогревается в рекуперативном теплообменнике 8 и поступает в каталитический реактор горизонтального типа 9 с встроенным теплообменником 10. Образовавшаяся метанолсодержащая газовая смесь отдает тепло реакции воздушному холодильнику 11 и холодильнику-конденсатору 12 и направляется в сепаратор 7 для отделения метанола.
В качестве катализатора синтеза метанола используют продукт в виде цилиндрических таблеток диаметром 5,2 мм и высотой 5,4 мм, имеющих состав, мас.%: CuO – 64; ZnO – 24; Al2O3 – 10; HgO – 2.
В таблице приведены примеры осуществления предлагаемого способа.
Из описания изобретения и таблицы следует, что по заявленному техническому решению удается существенно повысить эффективность технологического процесса, довести выработку метанола до 82,5 т/ч (в отсутствие проточного реактора не более 60 т/ч).
Реализация предлагаемого способа позволяет уменьшить количество катализатора, требуемое для переработки заданного количества газовой смеси, снизить расход энергии на циркуляцию газа. Это открывает путь к созданию метанольных агрегатов большой единичной мощности без существенного увеличения их объема.
| Таблица. |
| Условия и результаты синтеза метанола по примерам его осуществления. |
| Показатель |
Прототип |
Примеры |
| 1 |
2 |
| Первая стадия. |
Расход синтез-газа, тысяч нм3/ч |
56,07-200,0 |
75,3 |
108 |
| Давление, МПа |
5,0-8,0 |
7,2 |
7,1 |
| Средняя температура в проточном реакторе, °С |
240-260 |
235 |
238 |
| Температура на выходе из проточного реактора, °С |
нет данных |
255 |
258 |
| Объемное отношение Н2/(СО+CO2) в синтез-газе |
нет данных |
3,2 |
2,7 |
| Состав синтез-газа, об.% |
|
|
|
| СО |
0,7-30,0 |
16,8 |
22,0 |
| CO2 |
0,2-23,6 |
6,6 |
5,4 |
| N2 |
0,4-3,0 |
0,5 |
0,7 |
| H2O |
нет данных |
отсутствие |
| Н2 |
нет данных |
75,0 |
73,3 |
| Ar |
нет данных |
менее 0,05 |
| СН3ОН |
отсутствие |
0,1 |
0,05 |
| СН4 |
нет данных |
остальное |
| Соотношение СО/CO2 |
(0,03-87):1 |
2,5 |
4,1 |
| Объем катализатора, м3 |
4-47,6 |
20,0 |
| Получено метанола, т/ч |
1,6-38,84 |
14,8 |
21,5 |
| Вторая стадия |
| Расход свежего синтез-газа, подаваемого на вторую ступень, тысяч нм3/ч |
44,5-97,3 |
25,1 |
24,0 |
| Соотношение потоков свежего синтез-газа, подаваемого на первую и вторую стадии |
– |
3,0:1,0 |
4,5:1,0 |
| Давление в реакторе, МПа |
5,0-8,0 |
9,8 |
10,1 |
| Температура на выходе из реактора, °С |
266-295 |
267 |
270 |
| Объем циркуляционного газа, тысяч нм3/ч |
400-900 |
360 |
400 |
| Объемное соотношение конвертированного и циркуляционного газов перед смешением |
– |
1:14,3 |
1:16,7 |
| Соотношение СО/CO2 перед входом в реактор |
0,25-55 |
5,2 |
7,8 |
| Объем катализатора, м3 |
40,0-60,0 |
70,0 |
| Получено метанола, т/ч |
13-40,11 |
55,8 |
61,0 |
| Суммарная выработка метанола, т/ч |
14,6-78,95 |
70,6 |
82,5 |
Формула изобретения
Способ получения метанола из конвертированной смеси водорода и оксидов углерода состава, об.%: Н2 62,0-78,5; Ar 0,02-0,07; N2 0,05-2,2; СН4 1,0-3,5; СО 10,4-29,5; СО2 3,2-10,7 путем ее контактирования с медьсодержащим катализатором при повышенных температуре и давлении в две стадии, отличающийся тем, что газовая смесь с печи риформинга делится на два потока в объемном соотношении 100:(1-50), один из которых на первой стадии непосредственно контактирует с катализатором в проточном реакторе при температуре 200-285°С, давлении 5-15 МПа и объемной скорости 800-2000 ч-1, а другой смешивают с циркуляционным газом в объемном соотношении 10:(10-100) и с объемной скоростью 2500-10000 ч-1 направляют на вторую стадию, с выделением метанола и воды на каждой стадии в соответствующих устройствах.
РИСУНКИ
|
|