|
|
(21), (22) Заявка: 2006106110/04, 28.02.2006
(24) Дата начала отсчета срока действия патента:
28.02.2006
(43) Дата публикации заявки: 20.09.2007
(46) Опубликовано: 20.08.2008
(56) Список документов, цитированных в отчете о поиске:
RU 2181117 С2, 22.09.1999. SU 1342893 C1, 07.10.1987. US 4908390 A, 13.03.1990. US 4235799 А, 25.11.1980.
Адрес для переписки:
445653, Самарская обл., г. Тольятти, Поволжское ш., 32, ОАО “Тольяттиазот”, С.В. Афанасьеву
|
(72) Автор(ы):
Махлай Владимир Николаевич (RU), Афанасьев Сергей Васильевич (RU), Семенова Валентина Алексеевна (RU), Макаров Александр Владимирович (RU)
(73) Патентообладатель(и):
ОАО “Тольяттиазот” (RU)
|
(54) СПОСОБ ПОЛУЧЕНИЯ МЕТАНОЛА
(57) Реферат:
Изобретение относится к способу получения метанола контактированием газовой смеси, содержащей оксиды углерода и водород, с медно-цинковым катализатором при температуре 200-290°С, давлении 5-15 МПа и объемной скорости 3000-10000 ч-1. При этом конвертированный газ состава, об.%: Н2 – 64,0-75,5; Ar – 0,02-0,08; N2 – 0,05-2,0; СН4 – 1,0-3,6; СО – 10,7-19,4; CO2 – 3,3-10,4, подаваемый с печи риформинга с объемной скоростью 800-2000 ч-1, предварительно смешивают с диоксидом углерода в объемном соотношении (3-100):1 и вместе с газами циркуляции пропускают последовательно через 4 катализаторные зоны горизонтального реактора при их объемном соотношении (1,20-1,40):(0,85-0,95):(0,9-1,2):(0,9-1,1), разделенные двумя котлами и одним теплообменником, с охлаждением реакционного газового потока и отделением метанола в сепарирующем устройстве. Способ позволяет усовершенствовать технологическую схему получения метанола при сохранении на высоком уровне показателей процесса и продлении срока службы катализатора. 1 табл., 2 ил.
Изобретение относится к области основного органического синтеза, в частности к производству метанола из водорода и оксидов углерода.
Известен [GB №1159095, МПК C07С 32/00, заявл. 18.08.65 г., опубл. 23.07.69 г.] способ получения метанола, включающий реакцию оксидов углерода с водородом под давлением 1,0-15,0 МПа (предпочтительно от 4,0 до 8,0 МПа), температуре 160-300°С (предпочтительно от 190 до 270°С), объемной скорости 7000-25000 ч-1 в присутствии катализатора, содержащего оксиды меди и цинка и, по крайней мере, один трудновосстанавливаемый оксид металла второй – четвертой групп Периодической системы элементов Д. И. Менделеева, выделение метанола из реакционной смеси и рециркуляцию не прореагировавших в синтезе метанола веществ. В качестве сырья применяют смесь водорода с оксидом и диоксидом углерода, в которой содержание СО2 варьирует в интервале 1-20 об.% (предпочтительно 3-12 об.%). В реакционном газе, контактирующем с катализатором, объемное отношение водорода к сумме оксидов углерода в 1,3-3,0 раза больше стехиометрического.
К недостаткам данного способа следует отнести пониженную удельную производительность медно-цинкового катализатора, а также высокие энергетические затраты на рециркуляцию газовой смеси.
Известен [SU №1442514, МПК C07С 29/15, 31/04] способ получения метанола контактированием смеси оксидов углерода и водорода с медьсодержащим катализатором при повышенных температуре и давлении в две стадии с последующим выделением метанола, причем с целью увеличения удельной производительности катализатора и упрощения технологической схемы на первой стадии газовую смесь, содержащую СО 0,7-30,0 об.%, CO2 0,3-23,6 об.% при соотношении СО:CO2, равном (0,03-87):1, контактируют с катализатором в реакторном узле, состоящем из одного проточного реактора или каскада проточных реакторов, и на второй стадии процесс ведут при концентрации CO2 во входящей газовой смеси 0,4-20,0 об.% и соотношении СО:CO2, равном (0,25-55), с последующим выделением метанола и воды известными приемами в нескольких устройствах или в едином для обеих стадий устройстве.
Недостатком указанного способа является невысокая удельная производительность катализатора при получении метанола из газовых смесей с высоким содержанием диоксида углерода, а также повышенное содержание воды в метаноле-сырце, превышающем 30 мас.%.
Наиболее близким по совокупности признаков к заявляемому изобретению является способ получения метанола [RU №2181117, МПК C07С 29/154, 31/04] контактированием газовой смеси, содержащей оксиды углерода и водород, с медьсодержащим катализатором при температуре 190-290°С, давлении 5,0-10,0 МПа и объемной скорости 4500-100000 ч-1, причем исходную газовую смесь, содержащую 1,0-33,7 об.% оксида углерода, 0,3-22,5 об.% диоксида углерода при объемном отношении водорода к сумме оксидов углерода, равном 1,91-5,60, а также 0,5-50 об.% азота, последовательно пропускают через каскад проточных реакторов трубчатого типа в одну стадию, а метанол и воду отделяют после каждого реактора.
Рассматриваемый каскадный способ позволяет существенно повысить удельную производительность катализатора, однако его реализация сопряжена со значительными материальными затратами и технически сложна. Кроме того, при его осуществлении возможно существенное снижение срока эксплуатации медно-цинкового катализатора, а производительность метанольной установки пропорциональна количеству проточных реакторов.
В основу изобретения поставлена задача усовершенствования технологической схемы получения метанола при сохранении на высоком уровне показателей процесса и продлении срока службы катализатора.
Поставленная задача достигается тем, что в предлагаемом способе метанол синтезируют контактированием газовой смеси, содержащей оксиды углерода и водород, с медно-цинковым катализатором при температуре 200-290°С, давлении 5-15 МПа и объемной скорости 3000-10000 ч-1, при этом согласно изобретению конвертированный газ состава, об.%: Н2 – 64,0-75,5; Ar – 0,02-0,08; N2 – 0,05-2,0; СН4 – 1,0-3,6; СО – 10,7-19,4; CO2 – 3,3-10,4, подаваемый с печи риформинга с объемной скоростью 800-2000 ч-1, предварительно смешивают с диоксидом углерода в объемном отношении (3-100):1 и вместе с газами циркуляции пропускают последовательно через 4 катализаторные зоны горизонтального реактора при их объемном соотношении (1,20-1,40):(0,85-0,95):(0,9-1,2):(0,9-1,1), разделенные двумя котлами и одним теплообменником, с выделением метанола.
Последняя стадия хорошо изучена и предусматривает охлаждение реакционной смеси в рекуперативном теплообменнике и холодильнике-конденсаторе и отделение метанола-сырца в сепарирующем устройстве [М.М.Караваев, А.П.Мастеров. Производство метанола. М.: Химия, 1973. С.78 и далее].
Отличительными особенностями предлагаемого способа получения метанола являются следующие:
– конвертированный газ состава, об.%: Н2 – 64,0-75,5; Ar – 0,02-0,08; N2 – 0,05-2,0; СН4 – 1,0-3,6; СО – 10,7-19,4; CO2 – 3,3-10,4, подаваемый с печи риформинга с объемной скоростью 800-2000 ч-1, предварительно смешивают с диоксидом углерода в объемном отношении (3-100):1 и вместе с газами циркуляции подают в реактор с объемной скоростью 3000-10000 ч-1:
– функции каскада реакторов выполняют 4 катализаторные зоны горизонтального реактора, взятые в объемном соотношении (1,20-1,40):(0,85-0,95):(0,9-1,2):(0,9-1,1), разделенные двумя котлами и одним теплообменником.
Хорошо известно, что переработка синтез-газа с содержанием оксида углерода более 30 об.% и азота свыше 40 об.% неэкономична. По указанной причине в предлагаемом способе используется синтез-газ, в котором дозировки СО и N2 поддерживаются ниже 15 об.%, а объемное отношение Н2/(СО+CO2) находится в интервале от 3 до 5. Важно отметить, что для протекания последовательных реакций


с требуемой скоростью концентрации СО и CO2 должны находиться в интервале 5-15 об.%.
Для достижения указанной концентрации CO2 используется подпитка конвертированного газа чистым диоксидом углерода.
Ограничение верхнего предела по CO2 в синтез-газе в 15 об.% объясняется возможностью снижения скорости образования метанола при более высоком содержании диоксида углерода в газовой смеси,
В отличие от известных методов получения метанола в предлагаемом способе функции каскада проточных реакторов выполняют катализаторные зоны реактора горизонтального типа, разделенные двумя котлами 1 и одним теплообменником 2 для утилизации тепла экзотермических реакций (Фиг.1). Это существенно упрощает технологическую схему процесса и позволяет на сепарирующих устройствах разных конструкций отделять метанолсодержащую фракцию для последующей ее ректификации.
Таким образом, сущностью предлагаемого технического решения является способ получения метанола контактированием газовой смеси, содержащей оксиды углерода и водород, с медно-цинковым катализатором при температуре 200-290°С, давлении 5-15 МПа и объемной скорости 3000-10000 ч-1, причем конвертированный газ состава, об.%: Н2 – 64,0-75,5; Ar – 0,02-0,08; N2 – 0,05-2,0; СН4 – 1,0-3,6; СО – 10,7-19,4; CO2 – 3,3-10,4, подаваемый с печи риформинга с объемной скоростью 800-2000 ч-1, предварительно смешивают с диоксидом углерода в объемном отношении (3-100):1 и вместе с газами циркуляции пропускают последовательно через 4 катализаторные зоны горизонтального реактора, взятые в объемном соотношении (1,20-1,40):(0,85-0,95):(0,9-1,2):(0,9 -1,1), разделенные двумя котлами и одним теплообменником, с охлаждением реакционного газового потока и отделением метанола в сепарирующем устройстве.
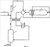
На фиг.2 приведена принципиальная схема технологического процесса.
Конвертированный газ с печи риформинга (линия I) смешивается с чистым диоксидом углерода (линия II) и газами циркуляции с сепаратора метанола (линия III) и подается на всас компрессора 1. Компремированный синтез-газ подогревается в рекуперативном теплообменнике 2 и встроенном теплообменнике 3 и поступает в горизонтальный реактор 4. Выходящая из реактора метанолсодержащая газовая смесь последовательно охлаждается потоком синтез-газа в рекуперативном теплообменнике 2 и далее воздушным холодильником 5 и холодильником-конденсатором 6. После отделения метанола-сырца в сепараторе 7 газовый циркуляционный поток направляется на смешение с конвертированным газом и диоксидом углерода.
В качестве катализатора синтеза метанола использовали продукт в виде цилиндрических таблеток диаметром 5,2 мм и высотой 5,4 мм, имеющих состав, мас.%: CuO – 64; ZnO – 24; Al2О3 – 10; HgO – 2. Его загрузка по зонам реактора (по ходу следования синтез-газа) составила, м3:
первая – 29,8; вторая – 21,6; третья – 23,8; четвертая – 23,8.
В таблице приведены примеры осуществления предлагаемого способа.
Из описания изобретения и таблицы следует, что по заявленному техническому решению удается существенно упростить технологическую схему процесса, сохранив на высоком уровне его показатели при длительной эксплуатации катализатора.
| Таблица. |
| Условия и результаты синтеза метанола по примерам его осуществления. |
| Показатель |
Прототип |
Примеры |
| 1 |
2 |
3 |
| Количество реакторов |
каскад |
|
один |
|
| Температура в реакторе, °C |
нет данныхx) |
250 |
240 |
240 |
| Температура на выходе из реактора, °С |
220-280х) |
270 |
262 |
265 |
| Давление в реакторе, МПа |
5,0-10,0Х) |
10,5 |
10,0 |
9,7 |
| Объемная скорость синтез-газа на входе в реактор, ч-1. |
4500-100000 |
3700 |
4220 |
4700 |
| Объемное отношение Н2/(СО+CO2) в синтез-газе на входе в реактор. |
1,91-5,6х) |
3,7 |
4,0 |
4.,8 |
| Состав синтез-газа на входе в первый реактор, об.%: |
|
|
|
|
| СО |
1,0-33,7 |
14,8 |
11,2 |
7,1 |
| CO2 |
0,3-22,5 |
5,2 |
6,8 |
6,8 |
| N2 |
0,5-50,0 |
0,6 |
0,7 |
0,5 |
| Н2O |
отс. |
|
0,05 |
|
| H2 |
38,0-84,0 |
74,0 |
72,0 |
66,7 |
| Ar |
нет данных |
|
менее 0,05 |
|
| СН3ОН |
отс. |
0,2 |
0,1 |
0,2 |
| СН4 |
|
остальное |
|
| Объем добавляемого диоксида углерода, нм3/ч |
– |
10000 |
15000 |
20000 |
| Объемное отношение конвертированный газ: диоксид углерода. |
– |
9:1 |
7:1 |
5,5:1 |
| Объем циркулирующего газа, нм3/ч |
– |
270000 |
302000 |
340000 |
| Срок службы катализатора |
нет данных |
|
не менее 5 лет |
|
| Съем метанола с одного реактора, т/ч |
9,676-43,47 |
46,4 |
50,6 |
57,0 |
| x) Данные для первого реактора в каскаде. |
Формула изобретения
Способ получения метанола контактированием газовой смеси, содержащей оксиды углерода и водород, с медно-цинковым катализатором при температуре 200-290°С, давлении 5-15 МПа и объемной скорости 3000-10000 ч-1, отличающийся тем, что конвертированный газ состава, об.%: Н2 64,0-75,5; Ar 0,02-0,08; N2 0,05-2,0; СН4 1,0-3,6; СО 10,7-19,4; CO2 3,3-10,4, подаваемый с печи риформинга с объемной скоростью 800-2000 ч-1, предварительно смешивают с диоксидом углерода в объемном соотношении (3-100):1 и вместе с газами циркуляции пропускают последовательно через 4 катализаторные зоны горизонтального реактора при их объемном соотношении (1,20-1,40):(0,85-0,95):(0,9-1,2):(0,9-1,1), разделенные двумя котлами и одним теплообменником, с охлаждением реакционного газового потока и отделением метанола в сепарирующем устройстве.
РИСУНКИ
|
|