|
|
(21), (22) Заявка: 2007115731/04, 25.04.2007
(24) Дата начала отсчета срока действия патента:
25.04.2007
(46) Опубликовано: 20.08.2008
(56) Список документов, цитированных в отчете о поиске:
US 3515766 A, 02.06.1970. US 2851502 A, 09.09.1958. RU 2000108283 A, 20.12.2001.
Адрес для переписки:
150040, г.Ярославль, пр. Октября, 88, ОАО НИИ “Ярсинтез”, Ген.директору В.П.Беспалову
|
(72) Автор(ы):
Котельников Георгий Романович (RU), Сиднев Владимир Борисович (RU), Комаров Станислав Михайлович (RU), Шуткин Андрей Сергеевич (RU), Беспалов Владимир Павлович (RU), Марушак Галина Максимовна (RU), Глушаков Михаил Иванович (RU)
(73) Патентообладатель(и):
Открытое акционерное общество Научно-исследовательский институт “Ярсинтез” (ОАО НИИ “Ярсинтез”) (RU)
|
(54) СПОСОБ ПОЛУЧЕНИЯ ВИНИЛАРОМАТИЧЕСКИХ УГЛЕВОДОРОДОВ
(57) Реферат:
Изобретение относится к способу получения винилароматических углеводородов дегидрированием соответствующих алкилароматических углеводородов в присутствии катализатора и водяного пара, включающий охлаждение полученной реакционной массы, ее конденсацию, разделение на углеводородный и водный слои с выделением винилароматического углеводорода из углеводородного слоя, использование полученного водного конденсата для охлаждения реакционной массы путем их прямого взаимодействия, очистку водного конденсата с использованием отпарной колонны и фильтра, его испарение и возвращение на стадию дегидрирования, характеризующемуся тем, что для охлаждения реакционной массы подают весь полученный водный конденсат, 0,5-20,0% мас. которого испаряют, а на очистку отправляют оставшуюся часть. Применение данного способа позволяет достичь более глубокой степени очистки водного конденсата, возвращаемого далее на стадию дегидрирования. Также увеличиваются срок службы катализатора и срок межремонтного пробега установки. 3 з.п. ф-лы, 1 ил., 1 табл.
Настоящее изобретение относится к способу получения винилароматических углеводородов дегидрированием соответствующих алкилароматических углеводородов.
Известен способ получения стирола дегидрированием этилбензола в присутствии катализатора и водяного пара, в котором полученная реакционная масса охлаждается, затем конденсируется и делится на углеводородный и водный слои (Химия и технология мономеров для синтетических каучуков: Учебное пособие для ВУЗов. / Кирпичников П.А., Лиакумович А.Г., Победимский Д.Г., Попова Л.М. – Л.: Химия, 1981 г., с.152). Водный слой возвращают на стадию охлаждения реакционной массы в пенный аппарат, где осуществляется их прямое контактирование. При этом реакционная масса охлаждается до 118°С и чистится от катализаторной пыли. Водный конденсат затем используется для нагревания исходной этилбензольной шихты.
Одним из недостатков данного способа является отсутствие повторного использования водного конденсата на стадии дегидрирования, что значительно снижает эффективность процесса.
Наиболее близким к предлагаемому является способ каталитической конверсии углеводородов, например получения стирола дегидрированием этилбензола, в соответствии с патентом США №3 515 766 от 02.06.1970 г. Дегидрирование осуществляется в присутствии катализатора и водяного пара, полученная реакционная масса охлаждается, конденсируется и разделяется на водный и углеводородный слои с последующим направлением углеводородного слоя на разделение. Небольшая часть водного слоя возвращается на стадию охлаждения реакционной массы, где осуществляется их прямое взаимодействие, при котором водный конденсат полностью испаряется и выводится вместе с охлажденной реакционной массой на конденсацию. Основное количество водного конденсата сразу после расслаивания направляется на очистку вначале в отпарной колонне, а затем на фильтре. Очищенный таким образом водный конденсат используется для питания парогенератора, парового котла, пароперегревательной печи и подается на стадию дегидрирования.
Однако в данном способе очистка водного конденсата является недостаточной, в частности, после отпарной колонны в водном конденсате содержится 0,01-0,08% мол. углеводородов (более 430 ррм). При попадании этого потока в парогенератор, а особенно в пароперегревательную печь (в зону высоких температур) происходит термический крекинг углеводородов по радикальному механизму с образованием высококипящих соединений. Такие соединения оседают на стенках трубок парогенератора и перегревательной печи, ухудшая теплообмен, вызывая забивки, как следствие – преждевременную остановку производства. Кроме того, попадая в реактор дегидрирования, такие высококипящие соединения оседают на катализаторе, ухудшая его саморегенерацию и приводя в конечном итоге к зауглероживанию катализатора, преждевременной остановке производства для регенерации или перегрузки катализатора. Снижаются показатели процесса.
Задачей, решаемой настоящим изобретением, является повышение эффективности процесса за счет увеличения срока службы катализатора и увеличения межремонтного пробега установки. Данные эффекты достигаются за счет более глубокой очистки водного конденсата, получаемого в процессе и возвращаемого на стадию дегидрирования.
Предлагается способ получения винилароматических углеводородов дегидрированием соответствующих алкилароматических углеводородов в присутствии катализатора и водяного пара, включающий охлаждение реакционной массы, последующую ее конденсацию, разделение на углеводородный и водный слои с выделением винилароматического углеводорода из углеводородного слоя и возвращение водного слоя на стадию охлаждения реакционной массы путем их прямого взаимодействия. При этом для охлаждения реакционной массы подают весь полученный водный конденсат, 0,5-20,0% мас. которого при взаимодействии с реакционной массой испаряют. Оставшаяся часть водного конденсата после взаимодействия с реакционной массой выводится на очистку, которая осуществляется с использованием отпарной колонны и фильтра, далее на испарение и на стадию дегидрирования.
Процесс может осуществляться при давлении ниже атмосферного.
Для очистки водного конденсата может использоваться отпарная колонна с дополнительной подачей экстрагента ниже ввода очищаемого водного конденсата.
В качестве экстрагента могут использоваться бензол, толуол или смесь бензола и толуола, выделяемых из углеводородного конденсата.
Количество испаряемого водного конденсата регулируют, например, давлением в тепло-массообменном аппарате, где идет взаимодействие реакционной массы и водного конденсата, и/или температурой подаваемой реакционной массы, и/или температурой водного конденсата.
Охлаждение реакционной массы сразу после реактора дегидрирования может осуществляться путем подогрева исходного алкилароматического углеводорода перед подачей его на дегидрирование и/или путем генерации пара в рибойлере.
Очистка водного конденсата может осуществляться вначале в отпарной колонне, затем на фильтре, или сначала на фильтре, а затем в отпарной колонне.
Отличиями заявляемого способа от прототипа являются:
– направление на стадию охлаждения реакционной массы всего получаемого водного конденсата;
– испарение при взаимодействии с охлаждаемой реакционной массой 0,5-20,0% мас. поданного конденсата;
– направление на очистку оставшегося водного конденсата после его взаимодействия с охлаждаемой реакционной массой;
– использование для очистки отпарной колонны с дополнительной подачей экстрагента ниже ввода очищаемого водного конденсата.
В предлагаемом способе при взаимодействии реакционной массы и водного конденсата осуществляется частичное испарение последнего, при котором отпаривается более 85% углеводородов, содержащихся в водном конденсате. Нагрузка на следующие стадии очистки водного конденсата существенно снижается. В результате становится возможным снизить количество углеводородов в водном конденсате, возвращаемом на дегидрирование, почти в 100 раз. Более 20% мас. водного конденсата испарять нецелесообразно, поскольку с одной стороны качество водного конденсата при этом практически не изменяется, а с другой стороны – существенно увеличиваются затраты на конденсацию реакционной массы с дополнительным количеством испаренного водного конденсата. При испарении менее 0,5% мас. водного конденсата происходит недостаточная отпарка углеводородов.
При использовании на стадии очистки водного конденсата отпарной колонны с подачей экстрагента ниже ввода водного конденсата часть колонны между вводом экстрагента и вводом водного конденсата работает дополнительно как экстрактор. Осуществляется тонкая очистка водного конденсата, повышается его качество.
Бензол, толуол или их смеси предпочтительно использовать в качестве экстрагентов, т.к. они обладают хорошей экстрагирующей способностью в отношении винилароматических и высококипящих углеводородов.
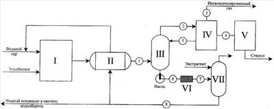
В качестве примера осуществления предлагаемого способа получения винилароматических углеводородов на чертеже представлена принципиальная технологическая схема процесса производства стирола дегидрированием этилбензола.
В реактор дегидрирования этилбензола I поступают этилбензол и водяной пар. Реакционная масса, представляющая из себя смесь углеводородов (в основном стирол, непрореагировавший этилбензол и некоторое количество бензола, толуола и легких газов – водород, СО2, метан, этилен) и водяного пара с температурой 530-600°С поступает в рекуператор II. Температура реакционного потока на выходе из рекуператора (например, рибойлера) поддерживается на уровне не ниже 150°С (как правило, не ниже 190°С) при осуществлении процесса при давлении, близком к атмосферному, и не ниже 120°С (как правило, не ниже 150°С) при осуществлении процесса при давлении ниже атмосферного. Из рекуператора II реакционная масса направляется в тепло-массообменный аппарат III (поток 1), оттуда в узел конденсации IV (поток 2), где происходит конденсация и разделение реакционной массы на водный и углеводородный слои методом декантации. Нескондесировавшиеся легкие газы в основном водород, СО2, метан, этилен компримируются, направляются на улавливание унесенных ароматических углеводородов (поток 3) и используются в качестве топлива в пароперегревательной печи. Углеводородный слой после декантации направляется в узел выделения и очистки стирола V (поток 4), а водный слой, загрязненный углеводородами, направляется в тепло-массообменный аппарат III (поток 5). Там реакционный поток охлаждается до температуры 100-110°С при осуществлении процесса при давлении, близком к атмосферному, и до температуры 70-90°С при осуществлении процесса при давлении ниже атмосферного. Водный конденсат нагревается до температуры 60-98°С. В связи с тем, что взаимодействие потоков происходит прямым смешением, нет проблем со снижением теплопередачи. При этом происходит, как уже отмечалось, отпарка основной части углеводородов С6-С8 из водного конденсата. В то же время происходит отмывка реакционной массы от катализаторной пыли, полимеров и высококипящих углеводородов, что создает благоприятные условия для осуществления конденсации реакционной массы – не происходит забивки конденсаторов, а также снижается вероятность забивки ректификационных колонн при разделении углеводородного конденсата, свободного от вышеперечисленных примесей. Освобожденный от углеводородов С6-C8 водный конденсат с некоторым содержанием катализаторной пыли, полимеров и высококипящих углеводородов поступает в специальный фильтр VI (поток 6), где происходит извлечение из водного конденсата катализаторной пыли, полимеров и высококипящих углеводородов. Далее водный конденсат поступает на окончательную очистку в отпарную колонну VII (поток 7). Поскольку водный конденсат из тепло-массообменного аппарата выходит горячим, снижается тепловая нагрузка на отпарную колонну. В отпарной колонне VII происходит тонкая очистка водного конденсата до качества, пригодного для повторного использования испарением в рибойлере II, а затем в пароперегревательной печи.
Пример
Осуществляется процесс получения стирола дегидрированием этилбензола в соответствии со схемой, представленной на чертеже.
В реактор дегидрирования I подается 30200 кг/час этилбензола и 57400 кг/час водяного пара. Из реактора выходит смесь углеводородов и водяного пара в количестве 87600 кг/час.
Условия осуществления процесса и составы потоков приведены в таблице.
| Материальный баланс процесса по примеру |
| Состав потока |
Номер, параметры и состав потоков, кг/час |
| Номер потока |
1 |
2 |
3 |
4 |
5 |
6 |
7 |
8 |
| Легкие газы * |
790 |
790 |
790 |
|
|
|
|
|
| Ароматические углеводороды ** |
29641 |
29731 |
24 |
29612 |
95 |
5 |
5 |
0,2 |
| Высококипящие углеводороды *** и катализаторная пыль |
47 |
16 |
|
16 |
|
31 |
|
|
| Вода |
57122 |
66433 |
8 |
29 |
66396 |
57085 |
57085 |
57085 |
| Всего |
87600 |
91970 |
822 |
24657 |
66491 |
57121 |
57090 |
57085,2 |
| Температура, °С |
250 |
69,2 |
5 |
37,5 |
39,5 |
69,3 |
69,0 |
80 |
| Давление, МПа |
0,037 |
0,034 |
0,025 |
0,025 |
0,42 |
0,6 |
0,57 |
0,04 |
| * – водород, метан, этилен, CO2 |
| ** – ароматические углеводороды С6-С8 (бензол, толуол, этилбензол, стирол, ксилолы, а-метилстирол) |
| *** – углеводороды > С9, полимеры |
В приведенном примере (чертеж, таблица) испаряется 14% мас. водного конденсата [(66396-57085)×100%:66396], при этом отпаривается 94,7% мас. углеводородов из водного слоя [(95-5)×100%/95].
Содержание углеводородов в очищенном водном конденсате (поток 8), составляет 0,2:57085,2=3,5×10-6 (3,5 ррм)
Формула изобретения
1. Способ получения винилароматических углеводородов дегидрированием соответствующих алкилароматических углеводородов в присутствии катализатора и водяного пара, включающий охлаждение полученной реакционной массы, ее конденсацию, разделение на углеводородный и водный слои с выделением винилароматического углеводорода из углеводородного слоя, использование полученного водного конденсата для охлаждения реакционной массы путем их прямого взаимодействия, очистку водного конденсата с использованием отпарной колонны и фильтра, его испарение и возвращение на стадию дегидрирования, отличающийся тем, что для охлаждения реакционной массы подают весь полученный водный конденсат, 0,5-20,0 мас.% которого испаряют, а на очистку отправляют оставшуюся часть.
2. Способ по п.1, отличающийся тем, что процесс осуществляют при давлении ниже атмосферного.
3. Способ по п.1, отличающийся тем, что очистку водного конденсата в отпарной колонне осуществляют с дополнительной подачей экстрагента ниже ввода очищаемого водного конденсата.
4. Способ по п.3, отличающийся тем, что в качестве экстрагента для отпарной колонны используют бензол, толуол или смесь бензола и толуола, выделяемых из углеводородного конденсата.
РИСУНКИ
|
|