|
|
(21), (22) Заявка: 2007101706/15, 18.01.2007
(24) Дата начала отсчета срока действия патента:
18.01.2007
(46) Опубликовано: 20.08.2008
(56) Список документов, цитированных в отчете о поиске:
RU 2080439 C1, 27.05.1997. RU 2144511 C1, 20.01.2000. SU 1212464 A, 23.02.1986. US 4191650 A, 04.05.1980. FR 2464335 A, 06.03.1981.
Адрес для переписки:
129626, Москва, ул. 1-ая Мытищинская, 16, а/я 49, Э.П.Дергачеву
|
(72) Автор(ы):
Дергачёв Эдуард Петрович (RU), Завгородний Виктор Иванович (RU), Дергачёв Эдуард Эдуардович (RU)
(73) Патентообладатель(и):
Дергачёв Эдуард Петрович (RU)
|
(54) УСТРОЙСТВО ДЛЯ ОЧИСТКИ ВОДЫ ОТ НЕФТЕПРОДУКТОВ
(57) Реферат:
Изобретение относится к устройству для очистки воды от нефтепродуктов и может быть использовано для охраны окружающей среды. Устройство содержит емкость и герметизируемый резервуар, сообщающиеся между собой через переливное отверстие. В емкости под переливным отверстием с зазором к днищу расположена поперечная перегородка. В резервуаре установлен трубчатый элемент, одна из стенок которого сопряжена с отверстием на части его периметра, а другая стенка сопряжена с перегородкой. Одна часть трубчатого элемента предназначена для прохода нефтепродуктов, а другая – для выхода воды. Технический результат состоит в повышении эффективности очистки воды. 2 ил.
Изобретение относится к области охраны окружающей среды, в частности к устройствам для очистки воды от нефтепродуктов.
Известно устройство для очистки воды от нефтепродуктов (патент РФ №2080439, Е02В 15/10 от 22.11.1994 г.), содержащее сообщающиеся между собой через переливное отверстие с запорным органом приемную емкость и герметизирующий резервуар, поперечную перегородку, расположенную с зазором относительно днища емкости.
Недостатком известного устройства является недостаточная эффективность очистки воды от нефтепродуктов, обусловленная прохождением частиц нефтепродуктов и вытесняемой из резервуара воды через переливное отверстие в контакте друг с другом, что тормозит процесс очистки воды.
Технический результат, на достижение которого направлено изобретение, заключается в устранении вышеуказанного недостатка. Указанный результат достигается тем, что устройство для очистки воды от нефтепродуктов, содержащее сообщающиеся между собой через переливное отверстие с запорным органом приемную емкость и герметизируемый резервуар, поперечную перегородку, расположенную с зазором относительно днища емкости, снабжено расположенным в герметизируемом резервуаре трубчатым элементом, одна из стенок которого сопряжена с отверстием на части его периметра, а другая стенка сопряжена с перегородкой, расположенной под переливным отверстием.
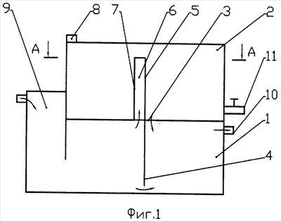
Сущность способа поясняется чертежами.
На фиг.1 схематично показано устройство для очистки воды от нефтепродуктов, продольный разрез; на фиг.2 – сечение А-А на фиг.1.
Устройство для очистки воды от нефтепродуктов содержит емкость 1, сообщающуюся с герметизируемым резервуаром 2 через переливное отверстие 3 с запорным органом, установленную в емкости поперечную перегородку 4. Поперечная перегородка 4 установлена с зазором относительно днища емкости для прохода под ней воды и разделяет отверстие 3 на две части за счет сопряжения с ней стенки 5 трубчатого элемента 6.
Другая стенка 7 трубчатого элемента 6 сопряжена с частью периметра отверстия 3. Трубчатый элемент располагается в резервуаре 2
Работает устройство следующим образом.
Через заливное отверстие 8 заливают воду, перекрыв при этом переливное отверстие 3. Затем перекрывают заливное устройство 6 и открывают переливное отверстие. Подают в емкость 2 загрязненную воду, которая через успокоительную камеру 9 попадает в нижнюю часть емкости 2.
При прохождении загрязненной воды через емкость 2 частицы нефтепродуктов, имеющие меньший удельный вес, чем молекулы воды, поднимаются вверх и через отверстие 3 вытесняют молекулы воды из резервуара 2. Таким образом, из отверстий 10 выходит чистая вода, а нефтепродукты собираются в резервуаре 2.
После заполнения резервуара 2 перекрывают отверстие 3 и открывают трубу 11, по которой происходит слив нефтепродуктов в специальную емкость. После слива нефтепродуктов перечисленный цикл работы установки повторяется.
При прохождении воды через емкость 2 перегородка 4 позволяет уменьшить скорость ее течения и таким образом повысить давление в зоне, расположенной под трубчатым элементом 6, что способствует подъему частиц нефтепродуктов в резервуар 2 через трубчатый элемент.
Вытеснение воды из резервуара происходит через другую часть отверстия 3, расположенную за перегородкой.
В зоне емкости, расположенной под другой частью перегородки 4 также имеет место быть повышенное давление, что способствует доочистке воды от нефтепродуктов, т.к. возможно оставшиеся частицы нефтепродуктов попадают в емкость 2 через другую часть отверстия 3.
Формула изобретения
Устройство для очистки воды от нефтепродуктов, содержащее сообщающиеся между собой через переливное отверстие с запорным органом емкость и герметизируемый резервуар, поперечную перегородку, расположенную с зазором относительно днища емкости, отличающееся тем, что снабжено расположенным в герметизируемом резервуаре трубчатым элементом, одна из стенок которого сопряжена с отверстием на части его периметра, а другая стенка сопряжена с перегородкой, расположенной под переливным отверстием.
РИСУНКИ
|
|