|
| На основании пункта 1 статьи 1366 части четвертой Гражданского кодекса Российской Федерации патентообладатель обязуется заключить договор об отчуждении патента на условиях, соответствующих установившейся практике, с любым гражданином Российской Федерации или российским юридическим лицом, кто первым изъявил такое желание и уведомил об этом патентообладателя и федеральный орган исполнительной власти по интеллектуальной собственности. |
|
(21), (22) Заявка: 2006138747/11, 02.11.2006
(24) Дата начала отсчета срока действия патента:
02.11.2006
(46) Опубликовано: 20.08.2008
(56) Список документов, цитированных в отчете о поиске:
RU 2279645 С2, 10.07.2006. RU 2038237 С1, 27.06.1995. Гофман Ю.В. Законы, формулы, задачи физики. Справочник. – Киев: Наукова думка, 1977, с.576. Иларионов В.А. и др. Теория и конструкция автомобиля. 3-е изд., перераб. и доп. – Машиностроение, 1992, с.416. SU 840694 А1, 23.06.1981. DE 10044223 А1, 12.04.2001.
Адрес для переписки:
355021, г.Ставрополь, ул. Ленина, 320, СВВАИУ, НИО, В.В. Ефанову
|
(72) Автор(ы):
Ефанов Василий Васильевич (RU), Мужичек Сергей Михайлович (RU)
(73) Патентообладатель(и):
Ефанов Василий Васильевич (RU), Мужичек Сергей Михайлович (RU)
|
(54) УСТРОЙСТВО ДЛЯ ОПРЕДЕЛЕНИЯ ИСПРАВНОСТИ ТОРМОЗНОЙ СИСТЕМЫ ТРАНСПОРТНОГО СРЕДСТВА
(57) Реферат:
Изобретение относится к измерительной технике и может быть использовано для проверки исправности тормозной системы транспортных средств. Устройство определения исправности тормозной системы содержит электроконтатный датчик, вычислитель, блок обработки информации, индикатор превышения уровня перегрузки и блок определения параметров торможения. Сущность изобретения заключается в определении величины текущей перегрузки, определении начальных условий возникновения перегрузки на основе сравнения текущей скорости движения транспортного средства с заданными значениями, анализе текущей величины перегрузки на основе сравнения с эталонными значениями при соответствующих начальных условиях возникновения перегрузки, сигнализации об исправности тормозной системы в случае превышения уровня текущей величины перегрузки относительно заданных значений перегрузки, определении тормозного пути транспортного средства и времени срабатывания тормозной системы. Тормозной путь транспортного средства определяют на основе фиксации временного интервала и ускорения замедления от момента нажатия на педаль тормоза до полной остановки транспортного средства. Технический результат заключается в повышении информативности при определении исправности тормозной системы транспортных средств. 5 ил.
Изобретение относится к измерительной технике и может быть использовано для автоматического определения исправности тормозной системы транспортного средства.
Наиболее близким к изобретению является вибрационный датчик, содержащий электроконтактный датчик, вычислитель, блок обработки информации, индикатор направления перегрузки, индикатор величины перегрузки, индикатор превышения уровня перегрузки, при этом электроконтактный датчик состоит из немагнитного конусообразного корпуса с крышкой, размещенной в вершине корпуса, инерционного элемента, выполненного в виде электропроводного шарика, первого электроконтакта, выполненного в виде усеченного полого конуса, закрепленного на крышке корпуса, второго электроконтакта, выполненного в виде полого конуса, размещенного по боковой поверхности корпуса так, что его основание обращено к нижнему основанию усеченного конуса первого электроконтакта и параллельно ему, изолированных между собой центрального и кольцевого электроконтактов, причем центральный электроконтакт размещен в вершине конуса второго электроконтакта и изолирован от него, кольцевой электроконтакт размещен по периметру вершины конуса второго электроконтакта и изолирован от него, первый электроконтакт выполнен в виде изолированных друг от друга секторов, выводы которых образуют первую группу выходов датчика, вторым выходом которого является вывод кольцевого электроконтакта, центральный и второй электроконтакты соединены с положительным выводом источника питания, первая группа входов и второй вход вычислителя соединены соответственно с первой группой выходов и вторым выходом датчика, первая группа выходов вычислителя соединена с группой входов индикатора направления перегрузки, второй выход – с входом индикатора перегрузки, вычислитель содержит группу из n-триггеров, где n – число секторов первого электроконтакта вибрационного датчика, первый, второй и третий элементы И, инвертор, генератор импульсов, дифференцирующую цепь, счетчик импульсов, умножитель, делитель, задатчик постоянной величины, причем информационные входы триггеров соединены с соответствующими входами первой группы входов вычислителя, второй вход которого через инвертор соединен с входом дифференцирующей цепи и первым входом второго элемента И, второй вход которого соединен с выходом генератора импульсов, а выход второго элемента И соединен с информационным входом счетчика, входы обнуления триггеров и счетчика импульсов объединены с обеспечением возможности подачи на них сигнала с плюсовой шины источника питания, прямые выходы триггеров являются соответствующими выходами первой группы выходов вычислителя, а инверсные выходы соединены с соответствующими входами группы n-входов первого элемента И, выход которого соединен с третьим входом второго элемента И и вторым входом третьего элемента И, первый вход которого соединен с выходом дифференцирующей цепи, а выход третьего элемента И соединен с входом обнуления счетчика импульсов, выход которого соединен с первым и вторым входами умножителя, выход которого соединен с первым входом делителя, второй вход которого соединен с выходом первого задатчика постоянной величины, а выход является вторым выходом вычислителя, блок обработки информации состоит из n-первых, n-вторых пороговых устройств, n-ключей, элемента ИЛИ и задатчика постоянных сигналов, причем второй выход вычислителя соединен соответственно с первым входом блока обработки информации, второй вход которого соединен с выходом датчика скорости движения транспортного средства, а выход блока обработки информации соединен с индикатором превышения уровня перегрузки, первый и второй входы блока обработки информации соединены соответственно со вторыми входами n-вторых и первыми входами n-первых пороговых устройств, выходы n-первых пороговых устройств соединены с первыми входами n-ключей, первые и вторые выходы задатчика постоянных сигналов соединены соответственно со вторыми входами n-первых пороговых устройств и вторыми входами n-ключей, выходы которых через первые входы n-вторых пороговых устройств соединены с n-входами элемента ИЛИ, выход которого является выходом блока обработки информации (Патент РФ на изобретение №2279645, кл. G01H 11/06 (2006.01), 10.07.2006 г.).
Недостатком данного устройства является осуществление контроля тормозной системы транспортных средств, основанного на анализе только текущих значений перегрузок относительно эталонных и отсутствия возможности определения тормозного пути и времени срабатывания тормозов.
Технической задачей изобретения является повышение информативности контроля тормозной системы транспортных средств за счет определения тормозного пути и времени срабатывания тормозов.
Решение технической задачи достигается тем, что в устройство определения исправности тормозной системы транспортного средства, содержащее электроконтактный датчик, вычислитель, блок обработки информации, индикатор направления перегрузки, индикатор величины перегрузки, индикатор превышения уровня перегрузки, при этом электроконтактный датчик состоит из немагнитного конусообразного корпуса с крышкой, размещенной в вершине корпуса, инерционного элемента, выполненного в виде электропроводного шарика, первого электроконтакта, выполненного в виде усеченного полого конуса, закрепленного на крышке корпуса, второго электроконтакта, выполненного в виде полого конуса, размещенного по боковой поверхности корпуса так, что его основание обращено к нижнему основанию усеченного конуса первого электроконтакта и параллельно ему, изолированных между собой центрального и кольцевого электроконтактов, причем центральный электроконтакт размещен в вершине конуса второго электроконтакта и изолирован от него, кольцевой электроконтакт размещен по периметру вершины конуса второго электроконтакта и изолирован от него, первый электроконтакт выполнен в виде изолированных друг от друга секторов, выводы которых образуют первую группу выходов датчика, вторым выходом которого является вывод кольцевого электроконтакта, центральный и второй электроконтакты соединены с положительным выводом источника питания, первая группа входов и второй вход вычислителя соединены соответственно с первой группой выходов и вторым выходом датчика, первая группа выходов вычислителя соединена с группой входов индикатора направления перегрузки, второй выход – с входом индикатора перегрузки, вычислитель содержит группу из n-триггеров, где n – число секторов первого электроконтакта вибрационного датчика, первый, второй и третий элементы И, инвертор, генератор импульсов, дифференцирующую цепь, счетчик импульсов, умножитель, делитель, задатчик постоянной величины, причем информационные входы триггеров соединены с соответствующими входами первой группы входов вычислителя, второй вход которого через инвертор соединен с входом дифференцирующей цепи и первым входом второго элемента И, второй вход которого соединен с выходом генератора импульсов, а выход второго элемента И соединен с информационным входом счетчика, входы обнуления триггеров и счетчика импульсов объединены с обеспечением возможности подачи на них сигнала с плюсовой шиной источника питания, прямые выходы триггеров являются соответствующими выходами первой группы выходов вычислителя, а инверсные выходы соединены с соответствующими входами группы n-входов первого элемента И, выход которого соединен с третьим входом второго элемента И и вторым входом третьего элемента И, первый вход которого соединен с выходом дифференцирующей цепи, а выход третьего элемента И соединен с входом обнуления счетчика импульсов, выход которого соединен с первым и вторым входами умножителя, выход которого соединен с первым входом делителя, второй вход которого соединен с выходом первого задатчика постоянной величины, а выход является вторым выходом вычислителя, блок обработки информации состоит из n-первых, n-вторых пороговых устройств, n-ключей, элемента ИЛИ и задатчика постоянных сигналов, причем второй выход вычислителя соединен соответственно с первым входом блока обработки информации, второй вход которого соединен с выходом датчика скорости движения транспортного средства, а выход блока обработки информации соединен с индикатором превышения уровня перегрузки, первый и второй входы блока обработки информации соединены соответственно со вторыми входами n-вторых и первыми входами n-первых пороговых устройств, выходы n-первых пороговых устройств соединены с первыми входами n-ключей, первые и вторые выходы задатчика постоянных сигналов соединены соответственно со вторыми входами n-первых пороговых устройств и вторыми входами n-ключей, выходы которых через первые входы n-вторых пороговых устройств соединены с n-входами элемента ИЛИ, выход которого является выходом блока обработки информации, дополнительно введен блок определения параметров торможения, который состоит из триггера, первого, второго и третьего элементов И, генератора импульсов, первого, второго и третьего счетчиков, первого и второго элементов И-НЕ, первого и второго ключей, первого и второго вычитающих устройств, первого и второго пороговых устройств, квадратора, умножителя, делителя и задатчика сигналов, причем выходы контактного датчика нажатия на тормоз и датчика скорости движения транспортного средства соединены соответственно с первым и вторым входами блока определения параметров торможения транспортного средства, первый и второй выходы которого соединены соответственно с входом индикатора тормозного пути транспортного средства и с индикатором времени срабатывания тормоза, первый вход блока соединен с входом триггера, выход которого соединен одновременно со вторыми входами первого и второго ключей, первым входом первого элемента И, вторым входом второго элемента И, первые входы первого и второго ключей соединены с вторым входом блока, выход которого одновременно соединен с первым входом второго элемента И и первыми входами первого и второго пороговых устройств, выходы первого и второго ключей соединены с первым и вторым входами первого вычитающего устройства, выход которого через первый элемент И-НЕ соединен со вторым входом первого элемента И, третий вход которого соединен с выходом генератора импульсов, выход которого одновременно соединен с третьими входами второго и третьего элемента И, выход первого элемента И соединен со входом первого счетчика, выход которого является первым выходом блока определения тормозного пути транспортного средства, выход второго элемента И через второй счетчик соединен с первым и вторым входами квадратора, выход которого соединен с первым входом умножителя, второй вход которого соединен с выходом делителя, первый и второй входы которого соединены соответственно с выходом второго вычитающего устройства и через третий счетчик с выходом третьего элемента И, первый и второй входы которого соединены соответственно с выходом первого порогового устройства и через второй элемент И-НЕ с выходом второго порогового устройства, вторые входы первого и второго пороговых устройств соединены соответственно с первым и вторым выходами задатчика сигналов, выходы которого одновременно соединены соответственно с первым и вторым входами второго вычитающего устройства, выход умножителя является вторым выходом блока определения параметров торможения транспортного средства.
Новым элементом, обладающим существенным отличием по устройству, является блок определения параметров движения транспортного средства и связи между известными и новыми элементами.
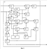
На фиг.1 изображена конструктивная схема электроконтактного датчика; на фиг.2 – то же, план; на фиг.3 – структурная схема электрической части устройства для определения исправности тормозной системы; на фиг.4 – блок обработки информации; на фиг.5 – блок определения параметров торможения транспортного средства.
Устройство определения исправности тормозной системы содержит электроконтактный датчик 1, вычислитель 2, блок 3 обработки информации, индикатор 4 направления перегрузки, индикатор 5 величины перегрузки, индикатор 6 превышения уровня перегрузки, блок 7 определения параметров торможения транспортного средства, индикатор 8 тормозного пути транспортного средства, индикатор 9 времени срабатывания тормоза.
Электроконтактный датчик 1 состоит из немагнитного конусообразного корпуса 10 с крышкой И, размещенной в вершине корпуса, инерционного элемента 12, выполненного в виде электропроводного шарика, первого 13 электроконтакта, выполненного в виде усеченного полого конуса, закрепленного на крышке корпуса, второго 14 электроконтакта, выполненного в виде полого конуса, размещенного по боковой поверхности корпуса так, что его основание обращено к нижнему основанию усеченного конуса первого 13 электроконтакта и параллельно ему, изолированных между собой центрального 15 и кольцевого 16 электроконтактов, центральный 15 электроконтакт размещен в вершине конуса второго 14 электроконтакта и изолирован от него, кольцевой 16 электроконтакт размещен по периметру вершины конуса второго 14 электроконтакта и изолирован от него, первый 13 электроконтакт выполнен в виде изолированных друг от друга секторов, выводы которых образуют первую группу выходов датчика 1, вторым выходом которого является вывод кольцевого 16 электроконтакта, центральный 15 и второй 14 электроконтакты соединены с положительным выводом источника 17 питания. Первая группа входов и второй вход вычислителя 2 соединены соответственно с первой группой выходов и вторым выходом датчика 1, первая группа выходов вычислителя 2 соединена с группой входов индикатора 4 направления перегрузки, второй выход с входом индикатора 5 перегрузки.
Вычислитель 2 содержит группу из n-триггеров 18, где n – число секторов первого электроконтакта вибрационного датчика, первый 19, второй 20 и третий 21 элементы И, инвертор 22, генератор 23 импульсов, дифференцирующую цепь 24, счетчик 25 импульсов, умножитель 26, делитель 27, задатчик 28 постоянной величины. Информационные входы триггеров 18 соединены с соответствующими входами первой группы входов вычислителя 2, второй вход которого через инвертор 22 соединен с входом дифференцирующей цепи 24 и первым входом второго 20 элемента И, второй вход которого соединен с выходом генератора 23 импульсов, а выход второго 20 элемента И соединен с информационным входом счетчика 25, входы обнуления триггеров 18 и счетчика 25 импульсов объединены с обеспечением возможности подачи на них сигнала с плюсовой шиной источника 17 питания, прямые выходы триггеров 18 являются соответствующими выходами первой группы выходов вычислителя 2, а инверсные выходы соединены с соответствующими входами группы n-входов первого 19 элемента И, выход которого соединен с третьим входом второго 20 элемента И и вторым входом третьего 21 элемента И, первый вход которого соединен с выходом дифференцирующей цепи 24, а выход третьего 21 элемента И соединен с входом обнуления счетчика 25 импульсов, выход которого соединен с первым и вторым входами умножителя 26, выход которого соединен с первым входом делителя 27, второй вход которого соединен с выходом задатчика 28 постоянной величины, а выход является вторым выходом вычислителя 2.
Блок 3 обработки информации состоит из n-первых 29, n-вторых 30 пороговых устройств, n-ключей 31, элемента ИЛИ 32 и задатчика 33 постоянных сигналов, причем второй выход вычислителя 2 соединен соответственно с первым входом блока 3 обработки информации, второй вход которого соединен с выходом датчика скорости движения транспортного средства, а выход блока 3 обработки информации соединен с индикатором 6 превышения уровня перегрузки, первый и второй входы блока 3 обработки информации соединены соответственно со вторыми входами n-вторых 30 и первыми входами n-первых 29 пороговых устройств, выходы n-первых 29 пороговых устройств соединены с первыми входами n-ключей 31, первые и вторые выходы задатчика 33 постоянных сигналов соединены соответственно со вторыми входами n-первых 29 пороговых устройств и вторыми входами n-ключей 31, выходы которых через первые входы n-вторых 30 пороговых устройств соединены с n-входами элемента ИЛИ 32, выход которого является выходом блока 3 обработки информации.
Блок 7 определения параметров торможения транспортного средства состоит из триггера 34, первого 35, второго 36 и третьего 37 элементов И, генератора 38 импульсов, первого 39, второго 40 и третьего 41 счетчиков, первого 42 и второго 43 элементов И-НЕ, первого 44 и второго 45 ключей, первого 46 и второго 47 вычитающих устройств, первого 48 и второго 49 пороговых устройств, квадратора 50, умножителя 51, делителя 52 и задатчика 53 сигналов, причем выходы контактного датчика нажатия на тормоз и датчика скорости движения транспортного средства соединены соответственно с первым и вторым входами блока определения параметров торможения транспортного средства, первый и второй выходы которого соединены соответственно с входом индикатора тормозного пути транспортного средства и с индикатором времени срабатывания тормоза, первый вход блока соединен с входом триггера 34, выход которого соединен одновременно со вторыми входами первого 44 и второго 45 ключей, первым входом первого 35 элемента И, вторым входом второго 36 элемента И, первые входы первого 44 и второго 45 ключей соединены с вторым входом блока, выход которого одновременно соединен с первым входом второго 36 элемента И и первыми входами первого 49 и второго 50 пороговых устройств, выходы первого 44 и второго 45 ключей соединены с первым и вторым входами первого 46 вычитающего устройства, выход которого через первый 42 элемент И-НЕ соединен со вторым входом первого 35 элемента И, третий вход которого соединен с выходом генератора 38 импульсов, выход которого одновременно соединен с третьими входами второго 36 и третьего 37 элементов И, выход первого 35 элемента И соединен со входом первого 39 счетчика, выход которого является первым выходом блока определения тормозного пути транспортного средства, выход второго 36 элемента И через второй 40 счетчик соединен с первым и вторым входами квадратора 50, выход которого соединен с первым входом умножителя 51, второй вход которого соединен с выходом делителя 52, первый и второй входы которого соединены соответственно с выходом второго 47 вычитающего устройства и через третий 41 счетчик с выходом третьего 37 элемента И, первый и второй входы которого соединены соответственно с выходом первого 49 порогового устройства и через второй 43 элемент И-НЕ с выходом второго 50 порогового устройства, вторые входы первого 49 и второго 50 пороговых устройств соединены соответственно с первым и вторым выходами задатчика 55 сигналов, выходы которого одновременно соединены соответственно с первым и вторым входами второго 47 вычитающего устройства, выход умножителя 47 является вторым выходом блока определения параметров торможения транспортного средства.
Количество секторов первого электроконтакта 12 выбирается в зависимости от необходимой точности определения направления перегрузки. Чем больше количество секторов, тем выше точность. Минимальная величина сектора определяется возможностями технологии изготовления с учетом обеспечения надежного контакта шарика.
Устройство определения исправности тормозной системы транспортного средства работает следующим образом.
В исходном состоянии сигнал с положительной шины питания подается на входы обнуления счетчика 25 и группы из n-триггеров 18, при этом с инверсных выходов триггера 18 сигналы через первый 19 элемент И поступают на третий вход второго 20 элемента И.
Под воздействием перегрузки инерционный элемент 12 в виде электропроводного шарика перемещается в направлении одного из секторов первого 13 электроконтакта, при этом происходит размыкание центрального 15 и кольцевого электроконтактов 16 (фиг.1, 2), приводящие к снятию сигнала с входа инвертора 22.
Сигнал с выхода инвертора 22 поступает на вход дифференцирующей цепи 24 и на первый вход второго 20 элемента И (фиг.3).
С выхода дифференцирующей цепи 24 сигнал через первый вход третьего 21 элемента И поступает на вход обнуления счетчика 25 импульсов.
С выхода генератора 23 сигнал в виде импульсов поступает через второй вход второго 20 элемента И на первый вход счетчика 25.
В дальнейшем при движении электропроводного шарика 12 происходит замыкание второго 14 и одного из секторов первого 13 электроконтактов (фиг.2), при этом сигнал поступает на первый вход одного из n-триггеров 18, с прямого выхода которого сигнал поступает на вход индикатора 4 направлений перегрузки, а отсутствие сигнала с инверсного выхода триггера 18 приводит к прекращению подсчета импульсов счетчиком 25 через первый 19 и второй 20 элементы И.
С выхода счетчика 25 импульсов сигнал, пропорциональный времени движения t электропроводного шарика, поступает на первый и второй входы умножителя 26, с выхода которого сигнал, пропорциональный величине t2, поступает на первый вход делителя 27, на второй вход которого с выхода задатчика 28 поступает сигнал, пропорциональный величине (фиг.2), где L – расстояние между двумя исходными положениями электроконтактов, – угол образующей полого конуса, g – ускорение свободного падения.
С выхода делителя 27 сигнал, пропорциональный величине , поступает одновременно на вход индикатора 6 величины перегрузки и на первый вход блока 3 обработки информации.
Блок 3 обработки информации предназначен для определения исправности тормозной системы транспортного средства путем сравнения текущей величины перегрузки с эталонными значениями с учетом начальных условий возникновения перегрузки (фиг.4).
С первой группы выходов 33 задатчика сигналы поступают на вторые входы первого 29 порогового устройства, на первые входы которого поступают сигналы с выхода датчика скорости движения транспортного средства. С выходов первых 29 пороговых устройств сигналы, соответствующие скорости движения транспортного средства, поступают на первые входы ключей 31, на вторые входы которых поступают сигналы, пропорциональные эталонным значениям перегрузки со вторых выходов 33 задатчика сигналов.
С выходов n-ключей 31 сигналы поступают на первые входы n-вторых 30 пороговых устройств, на вторые входы которых поступает сигнал, пропорциональный текущей перегрузки nтек..
В случае превышения уровня текущей перегрузки над заданными эталонными значениями сигнал с выходов вторых 30 пороговых устройств через элемент ИЛИ 32 поступает на вход индикатора 6 превышения уровня перегрузки, тем самым обеспечивая автоматическое определение исправности тормозной системы транспортного средства.
Блок 7 определения параметров торможения транспортного средства предназначен для определения тормозного пути транспортного средства и времени срабатывания тормозов.
Определение времени срабатывания тормозов транспортного средства осуществляется на основе измерения временного интервала динамики изменения скорости движения транспортного средства относительно момента нажатия на педаль тормоза транспортного средства. Это осуществляется следующим образом.
Сигнал с выхода контактного датчика нажатия на педаль тормоза поступает на вход триггера 34, с выхода которого поступает одновременно на вторые входы первого 44 и второго 45 ключей, первый вход первого 35 элемента И, с выходов первого 44 и второго 45 ключей сигналы поступают на первые и вторые входы первого 46 вычитающего устройства, с выхода которого через первый 42 элемент И-НЕ поступает на второй вход первого 35 элемента И, на третий вход которого поступает сигнал с выхода генератора 38 импульсов, с выхода первого 35 элемента И сигнал поступает на вход первого 39 счетчика, выход которого является первым выходом блока определения тормозного пути транспортного средства.
С первого выхода блока определения тормозного пути транспортного средства сигнал поступает на вход индикатора 8 времени срабатывания транспортного средства.
Таким образом, осуществляется определение времени срабатывания тормозной системы.
Определение тормозного пути транспортного средства осуществляется на основе измерения временного интервала от момента нажатия на педаль тормоза до момента остановки транспортного средства и ускорения торможения транспортного средства. Это осуществляется следующим образом.
Сигнал с датчика скорости движения транспортного средства поступает на первые входы первого 49 и второго 50 пороговых устройств и первый вход второго 36 элемента И, на второй вход которого поступает сигнал через триггер 34 с выхода датчика нажатия на педаль тормоза, характеризующий начало срабатывания тормозной системы.
С выхода генератора 38 импульсов сигнал поступает на третьи входы второго 36 и третьего 37 элементов И.
С выхода второго 36 элемента И сигнал через второй 40 счетчик поступает на первый и второй входы квадратора 50, с выхода которого сигнал, пропорциональный t2, поступает на первый вход умножителя 51, на второй вход которого поступает сигнал, пропорциональный ускорению торможения, а с выхода делителя 52, на первый и второй входы которого поступает сигнал соответственно с выхода второго 47 вычитающего устройства и через третий 41 счетчик, с выхода третьего 37 элемента И, на первый и второй входы которого поступают сигналы соответственно с выхода первого 49 порогового устройства и через второй 43 элемент И-НЕ с выхода второго 50 порогового устройства, на вторые входы первого 49 и второго 50 пороговых устройств поступают сигналы соответственно с первого и второго выходов задатчика 55 сигналов, кроме того, данные сигналы поступают соответственно на первые и вторые входы второго 47 вычитающего устройства.
С выхода умножителя 47, который является вторым выходом блока определения параметров торможения транспортного средства, сигнал поступает на вход индикатора 9 времени торможения транспортного средства.
Таким образом, повышается информативность устройства за счет определения времени срабатывания тормозов и тормозного пути транспортного средства.
Формула изобретения
Устройство определения исправности тормозной системы транспортного средства, содержащее электроконтактный датчик, вычислитель, блок обработки информации, индикатор направления перегрузки, индикатор величины перегрузки, индикатор превышения уровня перегрузки, при этом электроконтактный датчик состоит из немагнитного конусообразного корпуса с крышкой, размещенной в вершине корпуса, инерционного элемента, выполненного в виде электропроводного шарика, первого электроконтакта, выполненного в виде усеченного полого конуса, закрепленного на крышке корпуса, второго электроконтакта, выполненного в виде полого конуса, размещенного по боковой поверхности корпуса так, что его основание обращено к нижнему основанию усеченного конуса первого электроконтакта и параллельно ему, изолированных между собой центрального и кольцевого электроконтактов, причем центральный электроконтакт размещен в вершине конуса второго электроконтакта и изолирован от него, кольцевой электроконтакт размещен по периметру вершины конуса второго электроконтакта и изолирован от него, первый электроконтакт выполнен в виде изолированных друг от друга секторов, выводы которых образуют первую группу выходов датчика, вторым выходом которого является вывод кольцевого электроконтакта, центральный и второй электроконтакты соединены с положительным выводом источника питания, первая группа входов и второй вход вычислителя соединены соответственно с первой группой выходов и вторым выходом датчика, первая группа выходов вычислителя соединена с группой входов индикатора направления перегрузки, второй выход – с входом индикатора перегрузки, вычислитель содержит группу из n-триггеров, где n – число секторов первого электроконтакта вибрационного датчика, первый, второй и третий элементы И, инвертор, генератор импульсов, дифференцирующую цепь, счетчик импульсов, умножитель, делитель, задатчик постоянной величины, причем информационные входы триггеров соединены с соответствующими входами первой группы входов вычислителя, второй вход которого через инвертор соединен с входом дифференцирующей цепи и первым входом второго элемента И, второй вход которого соединен с выходом генератора импульсов, а выход второго элемента И соединен с информационным входом счетчика, входы обнуления триггеров и счетчика импульсов объединены с обеспечением возможности подачи на них сигнала с плюсовой шины источника питания, прямые выходы триггеров являются соответствующими выходами первой группы выходов вычислителя, а инверсные выходы соединены с соответствующими входами группы n-входов первого элемента И, выход которого соединен с третьим входом второго элемента И и вторым входом третьего элемента И, первый вход которого соединен с выходом дифференцирующей цепи, а выход третьего элемента И соединен с входом обнуления счетчика импульсов, выход которого соединен с первым и вторым входами умножителя, выход которого соединен с первым входом делителя, второй вход которого соединен с выходом первого задатчика постоянной величины, а выход является вторым выходом вычислителя, блок обработки информации состоит из n-первых, n-вторых пороговых устройств, n-ключей, элемента ИЛИ и задатчика постоянных сигналов, причем второй выход вычислителя соединен соответственно с первым входом блока обработки информации, второй вход которого соединен с выходом датчика скорости движения транспортного средства, а выход блока обработки информации соединен с индикатором превышения уровня перегрузки, первый и второй входы блока обработки информации соединены соответственно со вторыми входами n-вторых и первыми входами n-первых пороговых устройств, выходы n-первых пороговых устройств соединены с первыми входами n-ключей, первые и вторые выходы задатчика постоянных сигналов соединены соответственно со вторыми входами n-первых пороговых устройств и вторыми входами n-ключей, выходы которых через первые входы n-вторых пороговых устройств соединены с n-входами элемента ИЛИ, выход которого является выходом блока обработки информации, отличающееся тем, что дополнительно имеет блок определения тормозного пути транспортного средства, который состоит из триггера, первого, второго и третьего элементов И, генератора импульсов, первого, второго и третьего счетчиков, первого и второго элементов И-НЕ, первого и второго ключей, первого и второго вычитающих устройств, первого и второго пороговых устройств, квадратора, умножителя, делителя и задатчика сигналов, причем выходы контактного датчика нажатия на тормоз и датчика скорости движения транспортного средства соединены соответственно с первым и вторым входами блока определения параметров торможения транспортного средства, первый и второй выходы которого соединены соответственно с входом индикатора тормозного пути транспортного средства и с индикатором времени срабатывания тормоза, первый вход блока соединен с входом триггера, выход которого соединен одновременно со вторыми входами первого и второго ключей, первым входом первого элемента И, вторым входом второго элемента И, первые входы первого и второго ключей соединены с вторым входом блока, выход которого одновременно соединен с первым входом второго элемента И и первыми входами первого и второго пороговых устройств, выходы первого и второго ключей соединены с первым и вторым входами первого вычитающего устройства, выход которого через первый элемент И-НЕ соединен со вторым входом первого элемента И, третий вход которого соединен с выходом генератора импульсов, выход которого одновременно соединен с третьими входами второго и третьего элементов И, выход первого элемента И соединен со входом первого счетчика, выход которого является первым выходом блока определения тормозного пути транспортного средства, выход второго элемента И через второй счетчик соединен с первым и вторым входами квадратора, выход которого соединен с первым входом умножителя, второй вход которого соединен с выходом делителя, первый и второй входы которого соединены соответственно с выходом второго вычитающего устройства и через третий счетчик – с выходом третьего элемента И, первый и второй входы которого соединены соответственно с выходом первого порогового устройства и через второй элемент И-НЕ – с выходом второго порогового устройства, вторые входы первого и второго пороговых устройств соединены соответственно с первым и вторым выходами задатчика сигналов, выходы которого одновременно соединены соответственно с первым и вторым входами второго вычитающего устройства, выход умножителя является вторым выходом блока определения параметров торможения транспортного средства.
РИСУНКИ
|
|