Патент на изобретение №2331137

Published by on




РОССИЙСКАЯ ФЕДЕРАЦИЯ



ФЕДЕРАЛЬНАЯ СЛУЖБА
ПО ИНТЕЛЛЕКТУАЛЬНОЙ СОБСТВЕННОСТИ,
ПАТЕНТАМ И ТОВАРНЫМ ЗНАКАМ
(19) RU (11) 2331137 (13) C1
(51) МПК

H01L21/308 (2006.01)

(12) ОПИСАНИЕ ИЗОБРЕТЕНИЯ К ПАТЕНТУ

Статус: по данным на 19.10.2010 – действует

(21), (22) Заявка: 2006145990/28, 26.12.2006

(24) Дата начала отсчета срока действия патента:

26.12.2006

(46) Опубликовано: 10.08.2008

(56) Список документов, цитированных в отчете о
поиске:
RU 2220475 С1, 27.12.2003. US 6130010 А, 10.10.2000. US 6270685 В1, 07.08.2001. US 5286343 А, 15.02.1994. US 4286374 А, 01.09.1981.

Адрес для переписки:

124498, Москва, Зеленоград, пр-д 4806, 5, МИЭТ, патентно-лицензионный отдел

(72) Автор(ы):

Рубчиц Вадим Григорьевич (RU),
Тимошенков Сергей Петрович (RU),
Чаплыгин Юрий Александрович (RU),
Калугин Виктор Владимирович (RU),
Шилов Валерий Федорович (RU),
Плеханов Вячеслав Евгеньевич (RU),
Зотов Сергей Александрович (RU),
Анчутин Степан Александрович (RU),
Максимов Владимир Николаевич (RU),
Балычев Владимир Николаевич (RU),
Морозова Елена Сергеевна (RU),
Лапенко Вадим Николаевич (RU),
Бритков Олег Михайлович (RU)

(73) Патентообладатель(и):

Государственное образовательное учреждение высшего профессионального образования Московский государственный институт электронной техники (технический университет) (RU)

(54) СПОСОБ КОМПЕНСАЦИИ РАСТРАВА ВНЕШНИХ УГЛОВ ФИГУР ТРАВЛЕНИЯ НА КРЕМНИЕВЫХ ПЛАСТИНАХ С ОРИЕНТАЦИЕЙ ПОВЕРХНОСТИ (100)

(57) Реферат:

Изобретение относится к области технологических процессов изготовления микросистемной техники. Изобретение обеспечивает повышение точности и воспроизводимости конфигурации и размеров объемных фигур травления. Сущность изобретения: способ компенсации растрава внешних углов объемных фигур травления, формируемых в кремниевых пластинах с ориентацией поверхности (100) методом анизотропного химического травления, предусматривает формирование защитного слоя на обеих поверхностях кремниевой пластины, формирование симметрично совмещенных топологических масок фигуры травления с элементами компенсации на обеих поверхностях кремниевой пластины, при этом элементы компенсации выполняются в виде перемычек, преобразующих топологический рисунок фигуры травления с внешними углами в топологический рисунок только с внутренними углами, сквозное анизотропное травление пластины одновременно с обеих ее сторон, при этом элементы компенсации удаляются в процессе травления кремниевой пластины. 4 ил.

Изобретение относится к области технологических процессов изготовления микросистемной техники, в частности формирования трехмерных структур в объеме кремниевых пластин с ориентацией поверхности (100) методом анизотропного химического (жидкостного) травления, и может быть использовано для изготовления элементов микромеханических датчиков: акселерометров, гироскопов, датчиков давления, резонаторов, микрозеркал и т.п.

Одной из основных задач при изготовлении объемных микроструктур датчиков является задача повышение точности и воспроизводимости конфигурации и размеров объемных фигур травления, формируемых на кремниевой пластине ориентации (100) методом анизотропного химического (жидкостного) травления [1, 2]. Особенность анизотропного травления заключается в том, что различные кристаллографические плоскости кремния имеют различную скорость травления (скорость травления плоскости кремния {111} значительно ниже, чем скорость травления плоскостей кремния {100} или {110}), что приводит к появлению углового растрава, искажающего желаемую прямоугольную форму в плане геометрии объемной микроструктуры.

Известен способ компенсации углового растрава с использованием так называемого элемента типа «елочка». Механизм травления основан на образовании многочисленных V-образных канавок, ограненных плоскостями {111}, которые травятся значительно медленней, чем остальные элементы трехмерных структур. Точный расчет такого компенсатора при травлении на большую глубину также практически невыполним.

Наиболее близким по технической сущности и достигаемому результату является способ, описанный в патенте США: способ компенсации углового растрава с использованием компенсационного элемента типа «квадрат» [3]. Однако этот способ основан на компенсации травления плоскостей {211}, при этом прямой угол может образоваться только при травлении на конкретную, ограниченную по величине глубину. При травлении на большую глубину более 100…150 мкм, которая необходима для изготовления трехмерной структуры, прецизионная компенсация угла практически невыполнима и, кроме того, элемент компенсации в этом случае имеет такие большие размеры, что в большинстве случаев он не размещается в рисунке топологии.

Целью изобретения является повышение точности и воспроизводимости конфигурации и размеров объемных фигур травления.

Для достижения поставленной цели предлагается способ компенсации растрава внешних углов объемных фигур травления, имеющих прямоугольную геометрию в плане и формируемых в кремниевых пластинах с ориентацией поверхности (100) методом анизотропного химического (жидкостного) травления. Способ заключается в формировании защитного слоя на обеих поверхностях кремниевой пластины, формировании симметрично совмещенных топологических масок фигуры травления с элементами компенсации на обеих поверхностях кремниевой пластины, при этом элементы компенсации выполняются в виде перемычек, преобразующих топологический рисунок фигуры травления с внешними углами в топологический рисунок только с внутренними углами, сквозном анизотропном травлении пластины одновременно с обеих ее сторон, при этом элементы компенсации удаляются в процессе травления кремниевой пластины.

Изготовление точных трехмерных структур в материале подложки, особенно в кремнии, методом анизотропного химического (жидкостного) травления, основано, как правило, на использовании процесса анизотропного травления монокристаллической кремниевой пластины. Особенность анизотропного травления заключается в том, что в некоторых растворах, например смеси КОН и воды или смеси этилендиамина и воды, различные кристаллографические плоскости кремния имеют различную скорость травления, в частности скорость травления плоскости кремния {111} значительно ниже, чем скорость травления плоскостей кремния {100} или {110}. Таким образом, при ориентации рисунка маски для травления вдоль направления <110> в процессе травления кремниевых пластин ориентации {100} образуются фигуры травления, ограненные, в общем случае, плоскостями {111}, {100} и {110}. Эта особенность может быть использована для формирования трехмерных структур в объеме кремниевой пластины путем ее сквозного травления одновременно с обеих ее сторон через симметрично совмещенные с двух сторон маски.

На фиг.1 представлены некоторые варианты поперечных сечений трехмерных структур, которые могут быть получены таким способом. Изобретение иллюстрируется графическими материалами, где изображено:

Фиг.1. Сечения конструкций трехмерных структур, формируемых методом сквозного анизотропного химического травления кремниевых пластин ориентации (100). t – толщина кремниевой пластины.

Фиг.2. Вид внешнего угла элемента конструкции трехмерной структуры.

а – до анизотропного травления кремния, б – после анизотропного травления кремния.

Фиг.3. Маска для травления внешних углов фигур травления с применением компенсатора типа «перемычка».

1 – фигура травления, 2 – компенсатор типа «перемычка».

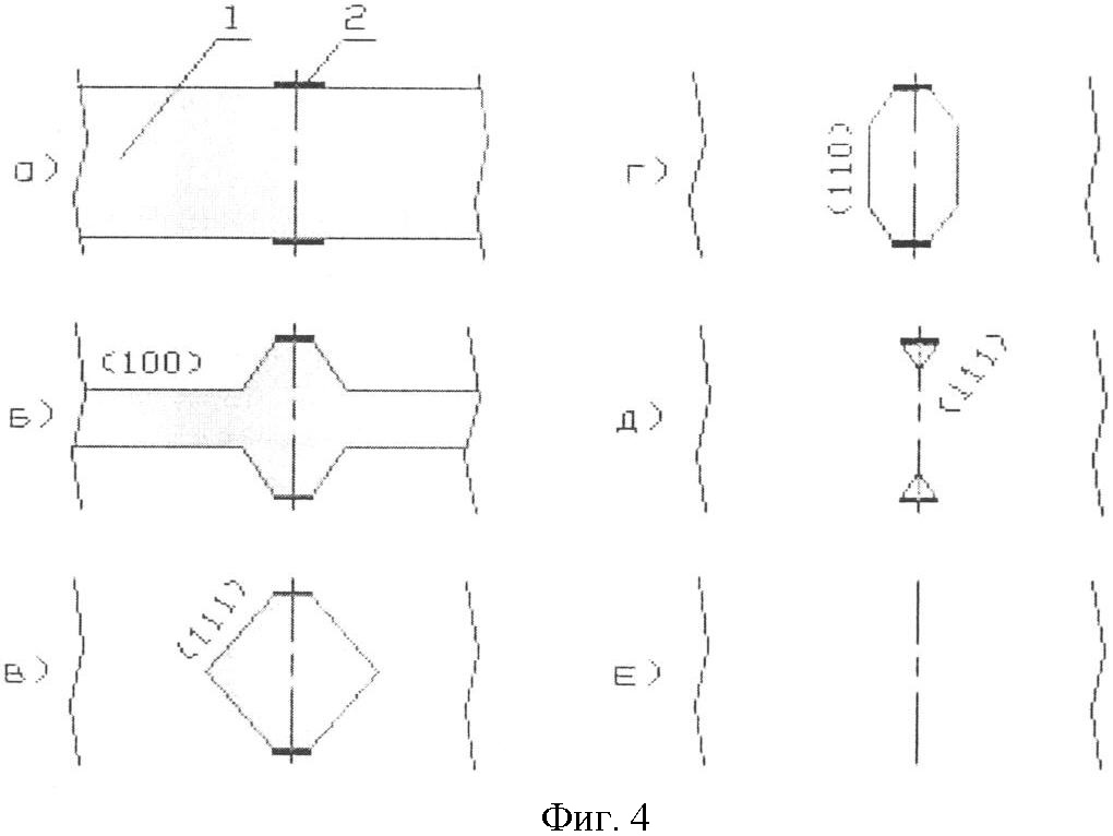
Фиг.4. Технологическая схема компенсации растрава внешних углов фигур травления с использованием компенсатора типа «перемычка».

1 – кремниевая пластина с ориентацией поверхности (100), 2 – топологическая маска.

Схема технологического процесса, реализующая предлагаемый способ компенсации растрава внешних углов фигур травления с использованием компенсатора типа «перемычка», приведена на фиг.4.

Представленные варианты трехмерных структур могут иметь различные размеры и конфигурации, но все они образованы кристаллографическими плоскостями {111}, {100} и {110} (фиг.1a) или {111}, {100} (фиг.1б, в). Угол наклона плоскостей {111} относительно поверхности (100) составляет 54.74°, а плоскостей {110} относительно поверхности (100) – 90°. В плане трехмерные структуры имеют прямоугольные очертания (со сторонами, ориентированными вдоль направления <110>, – в соответствии с рисунком топологии маски). Однако, если рисунок топологии включает внешние прямые углы в очертании трехмерных структур, то в процессе травления происходит растравливание этих углов, как это показано на фиг.2. Это явление обусловлено травлением плоскостей {211}, скорость травления которых одного порядка со скоростью травления плоскостей {100} и {110}. Для компенсации растрава внешних углов фигуры травления топологическая маска фигуры травления дополняется элементами компенсации, выполненными в виде перемычек (фиг.3), преобразующих топологический рисунок фигуры травления с внешними углами в топологический рисунок только с внутренними углами. На фиг.3 представлены два возможных варианта конструкции компенсатора типа «перемычка». Предлагаемые варианты топологического рисунка компенсаторов обеспечивают процесс травления, формирующий в подложке внешние прямые углы фигуры травления с неискаженной геометрией (внешние углы не травятся внутрь фигуры травления, в отличие от того, как это происходит в случае отсутствия компенсаторов типа «перемычка» – фиг.2).

На кремниевой пластине (фиг.4, а(1)) с ориентацией поверхности (100) формируется маска (фиг.4, а(2)). В результате травления методом анизотропного химического (жидкостного) травления одновременно с обеих сторон пластины происходит травление кристаллографической плоскости (100) и одновременно, за счет более низкой скорости травления, огранка кристаллографических плоскостей (111) (фиг.4, б). После сквозного травления пластины (в) начинается травление кристаллографической плоскости (110) (фиг.4, г), скорость травления которой сопоставима со скоростью травления плоскости (100). Процесс завершается огранкой кристаллографических плоскостей (111) (фиг.4, д) и полным удалением перемычки (фиг.4, е). Угол фигуры травления в плане остается прямым.

При использовании предлагаемого способа погрешность конфигурации и размеров углов фигур травления целиком и полностью определяется только заданной погрешностью основных фигур травления, так как расчет размеров перемычек осуществляется по тем же соотношениям, что и расчет маски для основных фигур травления (процесс травления перемычек и основных фигур травления происходит по одной и той же схеме). Таким образом, существенно повышается точность и воспроизводимость конфигурации и размеров объемных фигур травления.

Предлагаемый способ эффективно используется при изготовлении упругих подвесов чувствительных элементов микромеханических гироскопов и акселерометров, разрабатываемых и производящихся в МИЭТ.

Источники информации

2. Sandmaier H., Offereins H.L., Kuhl K. and Lang W. “Corner compensation techniques in anisotropic etching of(100)-silicon using aqueous KOH”, Digest of Technical Papers, Transducer 91, San Francisco, June 1991, pp.24-27.

3. Пат. 5338400 United States Patent. MICROMACHINING PROCESS FOR MAKING PERFECT EXTERIOR CORNER, заявитель и патентообладатель: John H. Jerman, Palo Alto. Calif, IC Sensors, Inc., Milpitas, Calif-№ 23.188, заявл. 25.02.1993, опубл. 16.08.1994 – прототип.

Формула изобретения

Способ компенсации растрава внешних углов объемных фигур травления на кремниевых пластинах с ориентацией поверхности (100) методом, включающим формирование защитного слоя на поверхности кремниевой пластины, формирование топологических масок фигуры травления с элементами компенсации, анизотропное двухстороннее травление пластины, отличающийся тем, что элементы компенсации выполняются в виде перемычек, преобразующих топологический рисунок фигуры травления с внешними углами в топологический рисунок только с внутренними углами, которые удаляются в процессе анизотропного травления кремниевой пластины.

РИСУНКИ

Categories: BD_2331000-2331999