|
|
(21), (22) Заявка: 2007100791/15, 09.01.2007
(24) Дата начала отсчета срока действия патента:
09.01.2007
(46) Опубликовано: 27.07.2008
(56) Список документов, цитированных в отчете о поиске:
SU 1720707 A1, 23.03.1992. RU 2171139 C1, 27.07.2001. US 5904832 A, 18.05.1999. JP 2005-034705 A, 10.02.2005.
Адрес для переписки:
432027, г.Ульяновск, Северный Венец, 32, ГОУ ВПО “Ульяновский государственный технический университет”, проректору по научной работе
|
(72) Автор(ы):
Сухотина Екатерина Анатольевна (RU), Худяков Анатолий Васильевич (RU), Немов Николай Алексеевич (RU)
(73) Патентообладатель(и):
Государственное образовательное учреждение высшего профессионального образования “Ульяновский государственный технический университет” (RU)
|
(54) УСТРОЙСТВО ДЛЯ ОЧИСТКИ, МОДИФИКАЦИИ И РЕГЕНЕРАЦИИ СОРБЕНТОВ
(57) Реферат:
Изобретение предназначено для обеспечения оптимальной работы фильтров-сорбентов по очистке воды. Устройство для очистки, модификации и регенерации сорбентов включает ванну для промывания в ней сорбентов водными растворами кислот, щелочей, солей, приспособление для промывания сорбентов указанными водными растворами, а также замкнутый контур, в котором имеется насос, для перекачки указанных водных растворов из ванны в отдельный сосуд с сорбентами. Ванна выполнена электропроводной и находится в электроизоляционном защитном кожухе, причем дно и боковые стенки ванны представляют собой первый электрод. В устройстве имеются также приспособление для дозированной загрузки в ванну солей, заземленный сосуд, выполненный электропроводным и расположенный в ванне по центру ее симметрии, имеющий свойства фильтра тонкой очистки воды, а также второй электрод, расположенный в указанном сосуде. В отдельном сосуде для расположения в нем очищаемых сорбентов размещены электроды, разграничивающие сорбенты на слои, параллельные потоку водных растворов. Электроды выполнены с возможностью подачи на них напряжения постоянного тока, необходимого для создания в ванне и в сосуде с сорбентами электрического поля напряженностью 100-10000 В/м. Устройство также содержит дополнительную емкость для сброса в нее после очистки сорбентов растворов кислот, щелочей, солей. Изобретение позволяет сократить время процессов очистки, модификации и регенерации сорбентов, а также уменьшить расход исходных ингредиентов и снизить концентрацию солей в сточных водах. 1 ил.
Изобретение относится к устройствам для очистки, модификации и регенерации сорбентов, предназначено для обеспечения оптимальной работы фильтров-сорбентов по очистке воды от всего спектра веществ, вредных или излишних для растительных и живых биологических объектов, для очистки всех видов других жидкостей от излишних растворенных в них примесей, в частности, от сераорганических примесей в сырой нефти и нефтепродуктах.
Известны устройства для осуществления очистки, модификации и регенерации сорбентов, включающие ванну для сорбентов, приспособление для промывания цеолитов водными растворами кислот, щелочей, солей, устройство состоит либо из замкнутого контура, с помощью которого водные растворы кислот, щелочей, солей пропускают через сорбенты, либо из приспособления для перемешивания гранул сорбентов в водных растворах кислот, щелочей, солей [см. Сборник тезисов докладов Всероссийского совещания по применению цеолитов в народном хозяйстве. – Н., 1997, с.175].
Недостатком этих устройств-аналогов является большая длительность проводимых в них процессов очистки, модификации и регенерации сорбентов из-за слабой интенсивности проходящих в них процессов очистки, ионного обмена, высокий расход необходимых для очистки кислот, щелочей, для модификации и регенерации – солей, высокая концентрация солей в сточных от очистки, модификации и регенерации водах, что ухудшает экологическую безопасность окружающей среды, высокая стоимость процесса очистки, модификации и регенерации сорбентов в устройствах-аналогах, повышенная опасность для работающего персонала из-за необходимости хранения, транспортировки, разбавления и применения для очистки сорбентов концентрированных кислот и щелочей.
Наиболее близким техническим решением того же назначения к заявленному устройству по совокупности существенных признаков является устройство для очистки, модификации и регенерации сорбентов, включающее ванну для промывания в ней сорбентов водными растворами кислот, щелочей, солей, катионами которых необходимо заполнять ионообменные емкости сорбентов, приспособление для промывания сорбентов водными растворами кислот, щелочей, солей [см. Сборник тезисов докладов Всероссийского совещания по применению цеолитов в народном хозяйстве. – Н., 1997, 75 с.].
Недостатки способа-прототипа те же, что и у аналогов: большая длительность проводимых в них процессов очистки, модификации и регенерации сорбентов из-за слабой интенсивности проходящих в них процессов очистки, ионного обмена, высокий расход необходимых для очистки исходных ингредиентов, высокая концентрация солей в сточных от очистки, модификации и регенерации водах, что ухудшает экологическую безопасность окружающей среды, высокая стоимость процесса очистки, модификации и регенерации сорбентов в устройстве-прототипе, повышенная опасность для работающего персонала из-за необходимости хранения, транспортировки, разбавления и применения для очистки сорбентов концентрированных кислот и щелочей.
Технический результат предлагаемого изобретения – увеличение в сорбентах интенсивности процессов очистки, ионного обмена при регенерации и модификации, проходящих в заявляемом устройстве, сокращение времени и уменьшение стоимости процессов очистки, модификации и регенерации сорбентов, уменьшение расхода исходных ингредиентов, снижение концентрации солей в сточных водах, сбрасываемых из заявляемого устройства, что улучшает экологическую безопасность окружающей среды, повышение техники безопасности для работающего персонала.
Указанный технический результат достигается тем, что устройство включает в себя ванну, выполненную электропроводящей, в электроизоляционном защитном кожухе, дно и боковые стенки которой представляют собой первый электрод; электропроводящий заземленный сосуд, выполненный также электропроводящим, расположенный в ванне по центру ее симметрии, имеющий свойства фильтра тонкой очистки воды; второй электрод в указанном сосуде, электроды выполнены с возможностью подачи на них напряжения постоянного тока, необходимого для создания в ванне электрического поля напряженностью 100-10000 В/м; приспособление для дозированной загрузки в ванну солей; отдельный сосуд для расположения в нем очищаемых, регенерируемых, модифицируемых сорбентов; электродов в данном отдельном сосуде, разграничивающих сорбенты на слои, параллельные потоку водных растворов, выполненных с возможностью подавать на них электрическое напряжение постоянного тока, необходимое для создания в сосуде с сорбентом электрического поля напряженностью 100-10000 В/м; насос для перекачки водных растворов кислот, щелочей, солей; замкнутый контур, в котором имеется указанный выше насос, для перекачки водных растворов кислот, щелочей, солей из ванны в электроизоляционном защитном кожухе в отдельный сосуд с сорбентом; дополнительную емкость для сброса в нее после очистки, регенерации и модификации сорбентов растворов кислот, щелочей, солей.
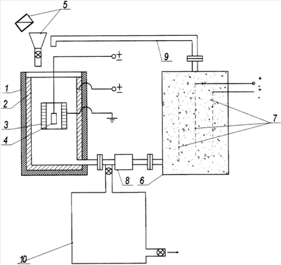
Сущность изобретения поясняется чертежом.
Устройство включает в себя ванну, выполненную электропроводящей, в электроизоляционном защитном кожухе 1, дно и боковые стенки которой представляют собой первый электрод 2; электропроводящий заземленный сосуд 3, выполненный электропроводящим, расположенный в водяной емкости по центру ее симметрии, имеющий свойства фильтра тонкой очистки воды; второй электрод 4, расположенный в указанном сосуде, электроды 2 и 4 выполнены с возможностью подавать на них напряжение постоянного тока, необходимое для создания в ванне электрического поля напряженностью 100-10000 В/м; приспособление 5 для дозированной загрузки в ванну солей; отдельный сосуд 6 для расположения в нем очищаемых, регенерируемых, модифицируемых сорбентов; электродов 7 в сосуде 6, разграничивающих сорбенты на слои, параллельные потоку водных растворов, выполненные с возможностью подавать на них электрическое напряжение постоянного тока, необходимое для создания в сосуде с сорбентами электрического поля напряженностью 100-10000 В/м; насос 8 для перекачки водных растворов кислот, щелочей, солей; замкнутый контур 9, в котором имеется указанный выше насос 8, для перекачки водных растворов кислот, щелочей, солей из ванны в электроизоляционном защитном кожухе 1 в отдельный сосуд 6 с сорбентами; дополнительную емкость 10 для сброса в нее после очистки, регенерации и модификации сорбентов растворов кислот, щелочей, солей.
Устройство работает следующим образом.
В ванну 2, находящуюся в электроизоляционном защитном кожухе 1, заливают воду, в воду приспособлением 5 загружают соли в количествах, необходимых для получения концентрации этих солей в воде ванны 5-10%, на электроды 2 и 4 подают электрическое напряжение постоянного тока, необходимое для создания в ванне электрического поля напряженностью 100-10000 В/м, для очистки сорбентов на электрод 2 подают положительный потенциал, на электрод 4 – отрицательный потенциал, в ванне 2 соли превращаются в кислоты, на электроды 7 подают электрическое напряжение постоянного тока, необходимое для создания на сорбентах электрического поля напряженностью 100-10000 В/м, приводят в действие насос 8 для циркуляции водного раствора кислот по замкнутому контуру 9, тем самым раствором кислот промывают и очищают сорбенты, отключают электрическое напряжение на электродах 2 и 4, сбрасывают раствор кислот в емкость 10, снова заливают ванну водой, в воду приспособлением 5 загружают соли в количествах, необходимых для получения концентрации этих солей в воде ванны 5-10%, на электрод 2 подают отрицательный потенциал, на электрод 4 – положительный, в ванне соли превращаются в щелочи, приводят в действие насос 8 для циркуляции водного раствора щелочей по замкнутому контуру 9, тем самым раствором щелочей промывают и очищают сорбенты, отключают электрическое напряжение на электродах 2 и 4, сбрасывают раствор щелочей в емкость 10, в ванну заливают воду, в воду приспособлением 5 загружают соли в количествах, необходимых для получения концентрации этих солей 5-10%, промывают цеолиты в течение 3-10 часов при напряжении постоянного электрического тока, необходимого для создания в сосуде с сорбентами электрического поля напряженностью 100-10000 В/м.
Указанные в описании пределы величин параметров обработки выбраны по следующим соображениям. Нижний предел величины электрического поля напряженностью 100 В/м при подаче напряжения постоянного тока на электроды 2, 4 и 7 необходим и достаточен для очистки, модификации и регенерации сорбентов при введении в воду максимально большой концентрации солей до 10%, верхний предел величины электрического поля напряженностью 10000 В/м при подаче напряжения постоянного тока на электроды 2, 4 и 7 необходим и достаточен для очистки, модификации и регенерации сорбентов при добавлении в воду минимальной концентрации солей 5%.
Пример. Устройство включает в себя ванну из нержавеющей стали, представляющую собой цилиндрический сосуд диаметром 1,0 м, высотой 1,5 м, толщиной стенок 0,008 м, дно и боковые стенки которой представляют собой первый электрод 2, ванна находится в защитном кожухе 1 из пластиката толщиной 0,01 м; заземленный сосуд 3, расположенный в ванне по центру ее симметрии, представляющий собой цилиндр из листовой нержавеющей стали диаметром 0,20 м, высотой 1,0 м с дном, без верхней крышки, верхний срез которого выступает на 0,05 м выше уровня воды в ванне, со сквозными отверстиями диаметром 0,0005 м, расположенными с шагом 0,001 м; второй электрод 4 в указанном сосуде, представляющий собой полый цилиндр из нержавеющей стали без дна и крышки диаметром стенки 0,05 м, высотой 0,8 м, на электроды 2 и 4, выполненные с возможностью подавать на них напряжение постоянного тока, необходимое для создания в ванне электрического поля напряженностью 100-10000 В/м; приспособление 5 для дозированной загрузки в ванну солей; отдельный сосуд 6 для расположения в нем очищаемых, регенерируемых, модифицируемых сорбентов, представляющий собой цилиндрический сосуд из нержавеющей стали с верхним и нижним фланцами, подсоединенный к замкнутому контуру, диаметром 1,0 м, высотой 1,5 м, толщиной стенок 0,008 м; коаксиальных цилиндрических электродов 7 из сетки нержавеющей стали ячейками размером 0,002×0,002 м, высотой 1,0 м в сосуде 6, разграничивающих сорбенты на слои, параллельные потоку водных растворов, расположенных на расстояниях 0,05 м, которые позволяют подавать на эти электроды электрическое напряжение постоянного тока, необходимое для создания в сосуде с сорбентами электрического поля напряженностью 100-10000 В/м; насос 8 для перекачки водных растворов кислот, щелочей, солей; замкнутый контур 9 из нержавеющих труб диаметром 1 дюйм, включающий насос 8 для перекачки водных растворов кислот, щелочей, солей из ванны 2 в электроизоляционном защитном кожухе 1 в отдельный сосуд 6 с сорбентами; дополнительную емкость 10 для сброса в нее после очистки, регенерации и модификации сорбентов растворов кислот, щелочей, солей в виде цилиндрического сосуда из нержавеющей стали с нижним фланцем диаметром 1,0 м, высотой 1,5 м, толщиной стенок 0,008 м, подсоединенный к системе канализации.
При величине напряженности электрического поля в ванне 2 100 В/м, создаваемой электродами 2 и 4 при подаче на них напряжения постоянного тока величиной 80 В, и такой же величины напряженности электрического поля между электродами 7 в сосуде 6, заполненном сорбентами, создаваемой при подаче на них напряжения 5 В, при минимальной концентрации поваренной соли 5% очистку любого типа сорбента, в частности, гранул природного цеолита Холинского месторождения, кислотными, щелочными водными растворами проводят в течение 1-2 часов, модификацию и регенерацию сорбентов – в течение 10 часов. При увеличении на электродах в ванне 2 и сосуде 6 электрического поля до 10000 В/м и концентрации соли до 10% время очистки сорбентов уменьшается до 0,5 часа, время регенерации и модификации – до 3 часов. В результате обработки по данному примеру сорбенты имеют исходную степень чистоты и исходную сорбирующую способность, в частности, исходную динамическую обменную емкость. В сточные воды сбрасываются водные растворы солей концентрацией не более 2%.
Если применить для очистки, модификации и регенерации устройство – прототип, то для достижения такой же степени очистки гранул сорбентов и восстановления оптимальной сорбирующей способности, в частности, оптимальной динамической обменной емкости сорбентов (при регенерации и модификации), что и в приведенном примере, потребовалось бы применить доставку, хранение в месте производства очистки сорбентов концентрированных кислот, щелочей, разбавление их в воде, очистку (без электрического поля), проводить за время, на порядок большее, выдерживать при регенерации и модификации сорбенты, в частности, цеолит в растворе поваренной соли концентрацией 20% в течение 48 часов, т.е. потребовалось бы по крайней мере в два раза больше поваренной соли и в 5-20 раз больше времени обработки, после окончания процесса модификации и регенерации цеолита в сточных водах от производства имелось бы 10 г/л остаточного количества поваренной соли, т.е. в пять раз больше, чем в предлагаемом устройстве для его осуществления. Сокращение в 8 раз времени на модификацию и регенерацию, уменьшение в два раза количества необходимой для регенерации и модификации поваренной соли в приведенном способе и устройстве приводит к существенному уменьшению стоимости затрат на производство, уменьшение в 5 раз концентрации солей, сбрасываемых в сточные воды, улучшает экологическую безопасность окружающей среды.
Использование предлагаемого устройства позволяет реализовать технический результат изобретения: увеличение интенсивности процессов очистки, интенсивности ионного обмена в сорбентах при регенерации и модификации, проходящих в заявляемом устройстве, приводящих к сокращению времени и уменьшению стоимости процессов очистки, модификации и регенерации сорбентов, уменьшение расхода количества исходных ингредиентов, снижение концентрации солей в сточных водах, сбрасываемых при использовании заявляемого устройства, улучшение экологической безопасности окружающей среды, повышение техники безопасности для работающего персонала.
Таким образом, изложенные данные свидетельствуют о выполнении при использовании заявленного изобретения следующей совокупности условий:
– средство, воплощающее заявленное устройство при его осуществлении, предназначено для использования в промышленности, а именно для обеспечения оптимальной работы фильтров-сорбентов для очистки воды от всего спектра веществ, вредных или излишних для растительных и живых биологических объектов, для очистки всех видов других жидкостей от излишних растворенных в них примесей, в частности, от сераорганических примесей в сырой нефти и нефтепродуктах;
– для заявленного устройства в том виде, как оно охарактеризовано в независимом пункте изложенной формулы изобретения, подтверждена возможность его осуществления с помощью описанных в заявке или известных до даты приоритета средств и методов.
Следовательно, заявленное изобретение соответствует условию «промышленная применимость».
Формула изобретения
Устройство для очистки, модификации и регенерации сорбентов, включающее ванну для промывания в ней сорбентов водными растворами кислот, щелочей, солей, катионами которых необходимо заполнять ионообменные емкости сорбентов, приспособление для промывания сорбентов водными растворами кислот, щелочей, солей, отличающееся тем, что ванна выполнена электропроводной, находится в электроизоляционном защитном кожухе, дно и боковые стенки ванны представляют собой первый электрод, в устройстве имеются также: заземленный сосуд, выполненный электропроводным, расположенный в ванне по центру ее симметрии, имеющий свойства фильтра тонкой очистки воды; второй электрод в указанном сосуде, электроды выполнены с возможностью подавать на них напряжение постоянного тока, необходимое для создания в ванне электрического поля напряженностью 100-10000 В/м; приспособление для дозированной загрузки в ванну солей; отдельный сосуд для расположения в нем очищаемых, регенерируемых, модифицируемых сорбентов; электроды в данном отдельном сосуде, разграничивающие сорбенты на слои, параллельные потоку водных растворов, выполненные с возможностью подавать на них электрическое напряжение постоянного тока, необходимое для создания в сосуде с сорбентами электрического поля напряженностью 100-10000 В/м; насос для перекачки водных растворов кислот, щелочей, солей; замкнутый контур, в котором имеется указанный выше насос, для перекачки водных растворов кислот, щелочей, солей из ванны в электроизоляционном защитном кожухе в отдельный сосуд с сорбентами; дополнительная емкость для сброса в нее после очистки, регенерации и модификации растворов кислот, щелочей, солей.
РИСУНКИ
|
|