|
|
(21), (22) Заявка: 2006143893/09, 11.12.2006
(24) Дата начала отсчета срока действия патента:
11.12.2006
(46) Опубликовано: 27.06.2008
(56) Список документов, цитированных в отчете о поиске:
US 4855890, 08.08.1989. RU 2257661 C2, 27.07.2005. SU 1293809 A1, 28.02.1987. US 2005146908, 07.07.2005. KR 20060026701, 24.03.2006.
Адрес для переписки:
129226, Москва, ул. Проспект Мира, 125, ООО “Александер Электрик источники электропитания”, директору по развитию И.Р. Плоткину
|
(72) Автор(ы):
Твердов Игорь Васильевич (RU), Филатьев Алексей Игоревич (RU), Затулов Сергей Леонидович (RU)
(73) Патентообладатель(и):
ООО “Александер Электрик источники электропитания” (RU)
|
(54) УСТРОЙСТВО КОРРЕКЦИИ КОЭФФИЦИЕНТА МОЩНОСТИ
(57) Реферат:
Устройство относится к области электротехники и может быть использовано в сетевых источниках вторичного электропитания с бестрансформаторным входом. Технический результат устройства состоит в уменьшении массогабаритных показателей, стоимости и увеличения надежности. Устройство коррекции коэффициента мощности содержит диодный мост, одна диагональ которого первым концом подключена к фазному проводу через дроссель фильтра третьей гармоники, вторым концом – к нейтрали сети. Другая диагональ моста соединена с комплексной нагрузкой, а также подключена к первым обкладкам конденсаторов фильтра, вторые обкладки которых объединены. Устройство отличается от прототипа тем, что вторые обкладки конденсаторов фильтра подключены к нейтрали через оптосиммистор, светодиод которого подключен к выходу первого операционного усилителя, а его неинверсный вход соединен с выходом второго операционного усилителя. Для управления выходом второго операционного усилителя вместо датчика тока использован резистивный делитель, причем инверсный вход второго операционного усилителя подключен к средней точке делителя, включенного параллельно нагрузке. 1 ил.
Изобретение относится к области электротехники и может быть использовано в сетевых источниках вторичного электропитания с бестрансформаторным входом.
Известны устройства коррекции коэффициента мощности, предназначенные для обеспечения синусоидальной формы тока, потребляемого источниками с бестрансформаторным входом, состоящие из трансформаторного моста, одна диагональ которого первым концом подключена к фазному проводу через дроссель фильтра третьей гармоники, вторым концом – к нейтрали сети. Другая диагональ соединена с нагрузкой, а также подключена к первым обкладкам конденсаторов фильтра, вторые обкладки которых объединены и подключены к нейтрали [1]. Нагрузкой на выходе моста в источниках с бестрансформаторным входом является сглаживающий конденсатор, высокочастотный преобразователь класса DC/DC и блок питания электронной аппаратуры.
Однако в источнике питания с таким корректором растет напряжение на выходе моста при уменьшении нагрузки, без применения дополнительных мер устройство практически неработоспособно. Наиболее близким по технической сущности к заявляемому устройству является выбранное в качестве прототипа устройство коррекции коэффициента мощности [2], содержащее диодный мост, одна диагональ которого первым концом подключена к фазному проводу через дроссель фильтра третьей гармоники, вторым концом – к нейтрали сети. Другая диагональ соединена с нагрузкой, а также подключена к первым обкладкам конденсаторов фильтра. Вторые обкладки конденсаторов объединены и через две включенные параллельно цепи, первая из которых состоит из конденсатора, сопротивления и оптосиммистора, вторая – из конденсатора и оптосиммистора, соединены с нейтралью. Причем для управления оптосиммисторами используются четыре операционных усилителя, подключенных к датчику тока в минусовом проводе нагрузки. Устройство обеспечивает заряд конденсаторов фильтра в зависимости от тока нагрузки и исключает перенапряжение на выходе моста при уменьшении нагрузки.
Недостатком устройства является большое количество электронных компонентов, тем более не оправданное, так как при малых нагрузках требования к синусоидальности входного тока сетевых источников питания снижаются и часто достаточно одного дросселя в фазном проводе, чтобы получить приемлемую форму входного тока [3].
Для устранения отмеченного недостатка в устройстве коррекции коэффициента мощности, содержащем диодный мост (одна диагональ которого первым концом подключена к фазному проводу через дроссель фильтра третьей гармоники, вторым концом – к нейтрали сети, другая диагональ соединена с комплексной нагрузкой, а также подключена к первым обкладкам конденсаторов фильтра, вторые обкладки которых объединены), выполнено подключение вторых обкладок конденсаторов фильтра к нейтрали через оптосиммистор, светодиод которого подключен к выходу первого операционного усилителя, а неинверсный вход первого операционного усилителя соединен с выходом второго операционного усилителя. Для управления входом первого операционного усилителя используется резисторный делитель, причем инверсный вход второго операционного усилителя подключен к средней точке делителя, включенного параллельно нагрузке.
Сопоставительный анализ с прототипом показывает, что заявляемое устройство отличается наличием новых блоков и новыми связями между элементами схемы.
Таким образом, заявляемое устройство соответствует критерию изобретения «новизна». Сравнение заявляемого решения с другими техническими решениями показывает, что оптосиммисторы, резистивные делители, диодные мосты, операционные усилители в устройствах коррекции коэффициента мощности широко известны [1, 2].
Однако при их введении в указанной связи с остальными элементами схемы в заявляемое устройство коррекции коэффициента мощности вышеуказанные блоки проявляют новые свойства, что приводит к уменьшению электронных компонентов в 1,7 раза, повышению надежности более чем на 40%, снижению стоимости на 20%, уменьшению массы в 1,2 раза, объема – в 1,5 раза. Это позволяет сделать вывод о соответствии технического решения критерию «существенные отличия».
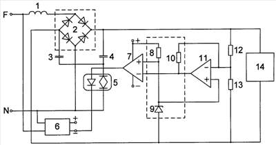
На чертеже представлена структурная схема устройства коррекции коэффициента мощности.
Устройство для коррекции коэффициента мощности (фиг.1) содержит дроссель фильтра третьей гармоники 1, диодный мост 2, конденсаторы 3 и 4, оптосиммистор 5, вспомогательный источник питания 6, первый операционный усилитель 7, источник опорного напряжения, включающий в себя сопротивление 8, стабилитрон 9, гистерезисное сопротивление 10, второй операционный усилитель 11, сопротивления делителя 12 и 13, нагрузку 14.
Устройство работает следующим образом.
При номинальной мощности и при ее уменьшении до 30% напряжение на нагрузке не превышает расчетных значений. На входе источника подключен фильтр третьей гармоники, состоящий из дросселя 1, конденсаторов 3, 4, которые соединены нейтралью через включенный оптосиммистор 5.
При уменьшении мощности нагрузки ниже 30% от номинального значения напряжение на выходе моста 2 становится выше расчетного значения, а напряжение, поступающее со средней точки делителя 12, 13 на инверсный вход операционного усилителя 11, выше, чем опорное напряжение на неинверсном входе. Напряжение на инверсном входе операционного усилителя 7 становится выше опорного напряжения на неинверсном входе, а на его выходе напряжение близко к нулю. Ток через светодиод прекращается, выключается оптосиммистор 5 и отключает от дросселя конденсаторы 3, 4.
Напряжение на выходе моста снижается, однако наличие гистерезисного сопротивления 10 в операционном усилителе 11 препятствует его новому переключению.
При увеличении тока нагрузки растет падение напряжения на дросселе 1, напряжение на выходе моста еще более снижается. В результате вновь переключаются операционные усилители 7, 11, включается оптосиммистор 5, резонансные конденсаторы 3 и 4 подсоединяются к дросселю 1 и входной ток становится близким к синусоидальному за счет фильтрации третьей гармоники.
Технический результат заключается в уменьшении количества электронных компонентов устройства в 1,7 раза по сравнению с прототипом, что обеспечивает увеличение надежности на 40%, уменьшение стоимости в 1,2 раза, массы в 1,1 раза, объема в 1,5 раза.
Источники информации
1. R.Redl, L.Balogh Power-factor correction in bridge and voltage-doubler rectifier circuits with inductors and capacitors. IEEE Applied Power Electronics Conf. (APEC), pp.466-472, 1995.
2. US Patent №4855890, 1989.
3. М.Геворкян PFC-дроссели EPCOS для ограничения гармоник тока бытовой электроники. Компоненты и технологии №4, 2002.
Формула изобретения
Устройство коррекции коэффициента мощности, содержащее диодный мост, одна диагональ которого первым концом подключена к фазному проводу через дроссель фильтра третьей гармоники, вторым концом к нейтрали сети, а другая диагональ моста соединена с комплексной нагрузкой и подключена к первичным обкладкам конденсаторов фильтра, вторые обкладки которых объединены, отличающееся тем, что вторые обкладки конденсаторов фильтра подключены к нейтрали через оптосиммистор с вспомогательным источником его питания, светодиод которого подключен к выходу первого операционного усилителя, а его неинверсный вход соединен с выходом второго операционного усилителя, для управления которого использован резистивный делитель, причем инверсный вход второго операционного усилителя подключен к средней точке делителя, включенного параллельно нагрузке.
РИСУНКИ
|
|