|
|
(21), (22) Заявка: 2006137736/09, 25.10.2006
(24) Дата начала отсчета срока действия патента:
25.10.2006
(46) Опубликовано: 20.05.2008
(56) Список документов, цитированных в отчете о поиске:
SU 1817149 A1, 23.05.1993. SU 998959 A, 23.02.1983. GB 1283596 A, 26.07.1972.
Адрес для переписки:
308033, г.Белгород, ул. Королева, 2а, оф.521, С.И. Цыбульникову
|
(72) Автор(ы):
Цыбульников Сергей Иванович (RU)
(73) Патентообладатель(и):
Цыбульников Сергей Иванович (RU)
|
(54) ЭЛЕКТРОМАГНИТНОЕ УСТРОЙСТВО ЦЫБУЛЬНИКОВА
(57) Реферат:
Изобретение относится к области электромеханики и может быть применено в электрических аппаратах, использующих в качестве привода электромагнит. Техническим результатом является уменьшение в несколько раз потребления электрической энергии катушкой за счет питания ее апериодическим током, который в момент включения в несколько раз выше, чем в процессе удержания якоря; снижение переходного сопротивления в контактах за счет увеличения их прижатия в несколько раз без изменения тягового усилия электромагнита; ограничение тока в моменты включения и выключения контактов за счет использования составного неподвижного контакта. 2 ил.
Изобретение относится к устройствам коммутации электрических цепей и управления механизмами, приводимыми в действие электромагнитом, в частности электромагнитных пускателей, клапанов, тормозных устройств, переключателей и т.п.
Известен электромагнитный пускатель (контактор), патент SU 1817149 (прототип), в котором питание катушки осуществляется через ограничивающее сопротивление в виде биполярного конденсатора, подключаемого на вход мостового выпрямителя, а его выход соединяется накопительным конденсатором, который после включения пускателя выполняет функцию сглаживающего, и контактов, подключающих катушку электромагнита к накопительному конденсатору, при этом используются пускатели любых типов и типоразмеров, а также другие электромагнитные устройства, питаемые от сети переменного тока.
К числу недостатков этого устройства можно отнести то, что оно не может быть использовано в целях постоянного тока.
Задачей изобретения является создание устройства, позволяющего использовать достоинства вышеуказанного решения в цепях постоянного тока.
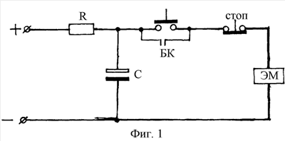
Указанная задача решается новым схемным решением (Фиг.1) питания катушки электромагнита, состоящим из активного сопротивления R, конденсатора С, кнопки управления «пуск», шунтируемой блокировачными контактами БК, кнопки «стоп», подающих питание на катушку электромагнита ЭМ.
Схема работает следующим образом: после подачи напряжения на клеммы «+» и «-», конденсатор С через сопротивление R заряжается до уровня напряжения сети. При нажатии кнопки «пуск» конденсатор С разряжается на катушку электромагнита создавая ток, достаточный для надежного срабатывания электромагнита при любых допустимых колебаниях напряжения электрической сети. После срабатывания катушка электромагнита питается пониженным напряжением, достаточным только для надежного удержания подвижного магнитопровода. Кнопки управления «пуск» и «стоп» могут быть заменены любым управляющим контактом или электронным ключом.
Примеры практического применения
1. Промежуточное реле РП-4, сопротивление обмотки 70 Ом, напряжение питания 12 В, потребляемый ток 0,15 А. При переходе на питание по заявляемой схеме, потребляемый ток уменьшается до 0,07 А. Поскольку количество теплоты, выделяемое в катушке пропорционально произведению квадрата тока на величину сопротивления, производя несложные вычисления, получим, что нагрев катушки уменьшается в 4,5 раза, а потребляемый ток в 2 раза.
2. Электромагнитный клапан холостого хода карбюратора автомобиля «Жигули» сопротивление катушки 50 Ом, напряжение питания 12 В, потребляемый ток 0,2 А, после перевода питания катушки по предлагаемой схеме ток потребления уменьшается до 0,1 А, следовательно, нагрев обмотки уменьшается в 4 раза. Если катушки электромагнитов изготовить специально для разработанной схемы, то показатели увеличиваются еще в несколько раз. При обычной схеме питания клапана его температура доходит до 80°С уже через тридцать минут работы. Если учесть, что нагрев электроклапана является основной причиной выхода его из строя, то можно утверждать, что применение данного решения на практике будет очень эффективным, при этом снижается ток отключения электроклапана, а это значительно снижает напряжение самоиндукции, которое отрицательно влияет на долговечность работы катушки и контактов ее коммутирующих.
Известно множество разновидностей электромагнитных пускателей и контакторов, в которых усилие, создаваемое втягивающей катушкой с помощью подвижного магнитопровода, передается на контакты и стабилизируется пружиной прижимающей контакт. Так, например, усилие прижатия контакта в пускателе ПМЛ 41000 составляет около 20 Н, в то же время переходное сопротивление почти линейно уменьшается до усилия в 300 Н/см2, то есть при давлении в 20 Н/см2 оно составляет около 20 мкОм, а при 300 уже около 2 мкОм при дальнейшем увеличении давления эта зависимость резко падает. Следовательно, желательно прижатие контактов иметь около 250 Н/см2. Но такие усилия в существующих устройствах потребовали бы значительного увеличения мощности электромагнита.
Задачей данного изобретения является увеличение прижатия контактов без изменения мощности электромагнита.
Указанная задача достигается за счет кинематического изменения взаимодействия подвижного магнитопровода и контактной группы (фиг.2), которые соединены шарнирно и в отключенном состоянии устройства, плоскость подвижного магнитопровода 1 и плоскость контактной группы 2 образуют угол около 120 градусов (угол «альфа»), обращенный в сторону втягивающей катушки, и удерживается в таком положении пружиной 3. При подаче напряжения на втягивающую катушку 4, преодолевая усилие возвратной пружины 5, начинает движение подвижный магнитопровод 1 с контактной группой 2 до соприкосновения включающего контакта 6 с неподвижным составным контактом 7 (положение показано на фиг.2), дальнейшее продвижение подвижного магнитопровода приводит к скольжению подвижного включающего контакта 6 по неподвижному включающему контакту 7 и увеличению угла «альфа», между плоскостью подвижного магнитопровода 1 и плоскостью контактной группы 2 вплоть до 170 градусов, в этом положении происходит соприкосновение подвижного рабочего контакта 8 с неподвижным рабочим контактом 9. Дальнейшее продвижение подвижного магнитопровода 1 к неподвижному 4 вплоть до увеличения угла «альфа» до 180 градусов приводит к увеличению прижатия рабочих контактов 8, 9, это усилие будет пропорционально усилию, создаваемому втягивающей катушкой, помноженному на тангенс половины угла «альфа» и поделенному на количество контактов в силовой группе (2 или 3 стандартно), а это в 3-20 раз больше, чем усилие, создаваемое втягивающей катушкой. Коммутируемая силовая цепь подсоединяется к выводным контактам 10, 11. Сопротивление составного неподвижного контакта 7 выбирается таким, чтобы в момент размыкания контакта 6 с контактом 7 ток короткого замыкания был примерно равен максимально допустимому току разрыва контактов 6, 7. Сочетание применения схемного решения по питанию катушки апериодическим током и предлагаемой контактной системы позволяют уменьшить габариты коммутирующего устройства как минимум в два раза и в несколько раз повысить надежность устройства, при этом катушка становится практически несгораемой.
Ничего не мешает при необходимости создать контактную группу мостикового типа с прямоходовым движением подвижного магнитопровода.
Из уровня техники известно большое количество разновидностей контактов как по стойкости к свариванию, так и по минимизации переходного сопротивления, например патент SU 1571691 1990 года. Однако противоречие между требованиями к контакту по стойкости к свариванию, переходимому сопротивлению и токоограничению в аварийной ситуации и тяжелых режимах работы остаются.
Задачей изобретения является уменьшение противоречий в требованиях к контакту и увеличение срока службы контактов, особенно в тяжелых режимах работы.
Поставленная задача решается за счет изготовления составного контакта, который последовательно решает поставленные задачи. Во время включения пускателя подвижный контакт 6 (фиг.2) соприкасается с первой частью неподвижного контакта 12.1, потом 12.2 и потом 12.3 и соответственно эти части 12 составного контакта должны иметь максимальную стойкость к свариванию контактов и воздействию дуги, а другие требования не так существенны. При соприкосновении подвижного контакта 6 с первой частью 12.1 неподвижного контакта, начинает протекать ток по коммутируемой цепи, но он ограничивается токоограничивающими вставками 13.1 и 13.2, имеющими относительно большое сопротивление, например графитно-угольные, по мере продвижения подвижного контакта 6 по неподвижному 7, сначала посредством элементов 12 из коммутируемой цепи выводится токоограничивающее сопротивление 13.1, а потом и 13.2, при этом падение напряжения на контактах будет благоприятным для безыскрового замыкания рабочих контактов 8 и 9, также естественно, что эти контакты должны изготавливаться из материала, имеющего минимальное переходное сопротивление в соотношении со своей ценой. Отключение контактов происходит в обратной последовательности. Причем скользящее движение подвижного контакта 6 по неподвижному контакту 7 приводит к самозачистке контактов и естественно увеличивает срок между необходимым текущим осмотром. Тот факт, что разрыв подвижного контакта 6 с неподвижным 7 происходит в момент, когда подвижный магнитопровод уже приобрел большую скорость под действием пружин 3 и 5, улучшает условия гашения дуги.
Таким образом, предложенные технические решения позволяют изготовить устройства с низким потреблением энергии, хорошими условиями коммутации и как следствие повышенным сроком службы при относительной простоте конструкции.
Формула изобретения
Электромагнитное устройство (пускатель, контактор), включающее в себя электромагнит и коммутирующее устройство, отличающееся тем, что контактная группа крепится на подвижном магнитопроводе, шарнирно образуя угол между плоскостью подвижного магнитопровода и плоскостью контактной группы угол примерно 120° и удерживается в этом положении пружиной, при включении первыми замыкаются включающие контакты, которые скользят по составному токоограничивающему неподвижному контакту, вплоть до замыкания рабочих контактов, при этом угол между указанными плоскостями увеличивается вплоть до 180°, а усилие прилагаемое к прижатию рабочего контакта, пропорционально тангенсу половины данного угла.
РИСУНКИ
|
|