|
|
(21), (22) Заявка: 2005114006/28, 07.11.2003
(24) Дата начала отсчета срока действия патента:
07.11.2003
(30) Конвенционный приоритет:
08.11.2002 CN 02145220.2
(43) Дата публикации заявки: 27.05.2006
(46) Опубликовано: 20.05.2008
(56) Список документов, цитированных в отчете о поиске:
US 6417965 А, 09.07.2002. JP 2000310727 A, 07.11.2000. JP 2001195145 A, 19.07.2001. RU 99128096 A, 27.09.2001.
(85) Дата перевода заявки PCT на национальную фазу:
17.11.2005
(86) Заявка PCT:
CN 03/00938 (07.11.2003)
(87) Публикация PCT:
WO 2004/042467 (21.05.2004)
Адрес для переписки:
196240, Санкт-Петербург, а/я 246, ДИАЛ-ПАНОВ, пат.пов. С.А.Панову
|
(72) Автор(ы):
ВАНГ Джайинг (CN)
(73) Патентообладатель(и):
ЗТЕ КОРПОРЕЙШН (CN)
|
(54) СПОСОБ И УСТРОЙСТВО КОНТРОЛЯ БЕЗОПАСНОСТИ ОПТИЧЕСКОГО УСИЛИТЕЛЯ
(57) Реферат:
Изобретение относится к системам оптических коммуникаций. Изобретение включает определение выходной мощности и мощности отражения оптического усилителя, вычисление коэффициента отражения и мощности отражения; определение превышают ли коэффициент отражения и мощность отражения заданный порог, выполнение контроля безопасности оптического усилителя и настройку выходной мощности оптического усилителя ниже границы безопасных значений. Технический результат – изобретение обеспечивает безопасность прибора с высоким выходом света и осуществляет эффект автоматического контроля мощности усилителя. 2 н. и 18 з.п. ф-лы, 5 ил.
Область изобретения
Данное изобретение относится к системам оптических коммуникаций, в частности к способу и устройству контроля безопасности оптического усиления и оптической передачи.
Предпосылки к созданию изобретения
Оптические усилители используются для увеличения расстояния передачи в системе Уплотнения Деления Плотности Длины Волны (DWDM). Среди них один способ, использующий усилитель RAMAN, то есть подачу светового пучка накачки высокой мощности по оптическим волокнам при том, что энергию светового пучка накачки переводят в световой сигнал при помощи большой длины волны для усиления светового сигнала согласно эффекту Стимулированного Рассеивания RAMAN (SRS) в оптических волокнах. Другой способ использует усилитель оптоволокна (например. Усилитель Примесных Волокон Эрбиум Erbium Doped Fiber Amplifier), то есть подачу светового пучка накачки определенной мощности по специальным оптическим волокнам при том, что энергию светового пучка накачки переводят в световой сигнал при помощи большой длины волны для усиления светового сигнала согласно переходу на другой энергетический уровень, создаваемому стимуляцией частиц в оптоволокне. Два вышеуказанных усилителя предназначены для применения в оборудовании спектрального разделения для широкополосного усиления. Подходящие усилители, кроме того, содержат полупроводниковый оптический усилитель, который усиливает световой сигнал переводом энергии, вызываемом при излучении насыщенного тока на полупроводниковые гетерохронные узлы. И любой из вышеуказанных усилителей или лазеров может контролировать оптическую мощность путем изменения тока возбуждения. В используемом последнее время оптическом приборе связи усилитель выпускает невидимое лазерное излучение высокой мощности, например, излучение лазера накачки выхода мощности накачки усилителя RAMAN из оптического порта прибора на кабель оптоволокна может составлять сотни и до 1000 милливольт в случае осуществления распределенного усиления сигналов полосы С в кабеле оптоволокна G.652, и мощность оптического сигнала, усиливаемая оптоволоконным лазером, может также достигать 100 милливольт при выходе с кабеля оптоволокна через оптический порт. Из-за того, что мощность светового сигнала высока, управление усилителем, персональные настройки прибора должны тщательно оберегаться от поверхности соединителя для предотвращения теплового повреждения глаз и кожи при отсутствии контроля безопасности прибора. Перед использованием поверхность конца выхода волокон должна быть чистой для предотвращения повреждения поверхности, вызываемой адгезией карбонизированной пыли высокой оптической мощности на поверхности оптоволокна. Слишком большое отражение оптической мощности, вызываемое разъединением соединителя, используемого для оптического порта прибора, повреждением поверхности соединителя, повреждением других связанных устройств прибора, что может привести к повреждению узлов металлоконструкции и повлиять на способности прибора. Уменьшение оптической мощности может обеспечить безопасность оборудования и персонала, мощность может вернуться к исходной производительности, как только будут устранены неполадки.
Опубликованный патентный документ US 6417965 “Система Контроля Оптического Усилителя” описывает циклическую систему определения спектра входящего и выходящего света усилителя и контроля лазера накачки усилителя по результату данного определения. Но данная система имеет дефект: невозможно определить оптический порт без определения отраженного света, что проще для проблем безопасности.
Резюме изобретения
Данное изобретение имеет целью обеспечить способ и устройство для контроля безопасности оптического усилителя с целью избежать возможных повреждений персонала при использовании прибора с высокой оптической выходной мощностью, а также избежать функциональных дефектов прибора, вызываемых ситуацией, когда соединитель, используемый для оптического порта прибора разъединен, поверхность соединителя повреждена, либо повреждены другие связанные с прибором устройства.
Способ контроля безопасности оптического усиления, включающий: определение выходной мощности и отраженной мощности оптического усилителя, расчет коэффициента отражения для отраженной мощности, определение превышает ли коэффициент отражения и отраженная мощность установленный порог, если да, то запуск системы контроля и подстройку выходной мощности оптического усилителя до безопасных значений и продолжение определения мощности; если нет, то определение необходимости подстройки оптической мощности, подстраивается в случае необходимости выходная мощность в пределах конфигурационных значений, либо дальше продолжается определение мощности.
Устройство для контроля безопасности оптического усилителя, включающее: оптическую узловую сборку с выходом светового эффекта для генерации света накачки высокой мощности; изолятор для обеспечения передачи оптической мощности в одном направлении и ограниченную обратную передачу оптической мощности; выходную оптическую поверхность раздела для выходной мощности света накачки на внешние оптические волокна; способы инкассации мощности оптического излучения для определения количества собранной мощности оптического излучения; контур для переработки и контроля определяемой информации, выполняющий превращение информации для определения количества полученной выходной оптической мощности излучения и определения количества отраженной оптической мощности излучения, вычисляющий коэффициент отражения в соответствии с полученной обработанной информацией, автоматический контролирующий оптическую узловую сборку с выходом светового эффекта в соответствии с полученным коэффициентом отражения.
Контур для переработки и контроля определяемой информации, включающий кроме того: фотоэлектрическое устройство преобразования, для конвертации, соответственно, определения количества полученного выхода мощности оптического излучения и определения количества отраженного выхода мощности оптического излучения для соответствующих сигналов, определяемых аналоговым способом; контур аналогово-цифрового преобразования оптической мощности излучения, переводящий соответственно сигналы, переведенные аналоговым способом, прошедшие через фотоэлектрическое устройство преобразования, в соответствующие цифровые сигналы; блок контроля, вычисляющий коэффициент отражения в соответствии с цифровыми сигналами, передаваемыми с контура аналогово-цифрового преобразования, автоматически подающий инструкции для контроля мощности в соответствии с полученным коэффициентом отражения, и выполняющий контроль мощности для оптической узловой сборки и подающий инструкции для определения производительности; контроль мощности и контур сбора технической информации оптической узловой сборки, получающий инструкции контроля мощности, подаваемые блоком контроля, и, после аналогово-цифрового преобразования, автоматически контролирующий мощность оптических частей, получающий инструкции определения производительности, подаваемые блоком контроля, определяющим производительность оптических частей, и посылающий полученную и конвертированную из аналоговой в цифровую форму информацию на блок контроля.
При сравнении с прототипами, использование устройства данного изобретения прогрессивно с точки зрения обеспечения способа безопасности для прибора с высоким выходом светового эффекта, в частности, для усилителей в приборах оптической связи, где актуализируется эффект автоматического контроля мощности усилителя (или другого прибора с высоким выходом оптического излучения) путем определения коэффициента выходного отражения, таким образом, чтобы снабжать прибор или персонал более высокой защитой.
Краткое описание чертежей
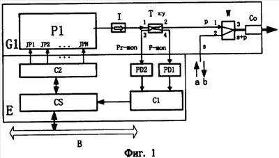
На Фиг.1 изображена структурная диаграмма устройства определения отраженного света и автоматического контроля мощности усилителя RAMAN;
на Фиг.2 изображена структурная диаграмма устройства определения отраженного света и автоматического контроля мощности изолированного усилителя;
на Фиг.3 изображена структурная блоковая диаграмма контура обработки и контроля для определяемой информации;
на Фиг.4 изображена схематическая диаграмма цепи определения коэффициента отражения;
на Фиг.5 изображена блок-схема программного обеспечения, управляющего блоком контроля.
Подробное описание предпочтительного варианта осуществления изобретения
Далее описан предпочтительный вариант осуществления изобретения каждой части данного изобретения, включающий взаимоотношения оптических и электрических связей, способ контроля, способ работы программного обеспечения и функции взаимосвязи, актуализирующиеся через приборную шину устройства данного изобретения.
(1) Аппаратная Часть
На Фиг.1 изображено исполнение изобретения, реализовывающее контроль безопасности усилителя RAMAN путем определения коэффициента отражения. Где G1 – оптический компонент агрегата, генерирующего лазера накачки и выдающего высокую оптическую мощность излучения, и в G1:
Р1 – это группа лазеров накачки основного назначения, которая состоит из одного и более лазеров, и все N лазеров соединены с контуром контроля С2 через электрические связующие звенья JP1, JP2,…, JPN. Р1 может выдавать лазерное излучение, удовлетворяющее рабочим требованиям прибора при нормальной работе.
I – изолятор, обеспечивающий передачу оптической мощности излучения в одном направлении, при том, что противоположная направлению стрелки изолятора оптическая мощность будет изолирована. Изоляция счетчика I – это i[dB].
Т – это пропорциональный соединительный прибор с 4 оптическими портами, а спектр пропорции – это X:Y, то есть, когда входит оптическая мощность излучения p1[mw] с порта 1, выход будет p1×y/(x+y)[mw] на порт 2 и р1×x/(x+y)[mw] выход на порт 4; и наоборот, если вход оптической мощности p2[mw] с порта 2, выход будет p2×y/(x+y)[mw] на порт 1 и p1×x/(x+y)[mw] выход на порт 3. Когда оптическая мощность накачки входит с порта 1 и выходит из порта 2 и порта 4 пропорционально, свет отражения, генерируемый нисходящими потоками порта 2, будет входить с порта 2 по оптическому проводнику и выходить с порта 2 и порта 3 пропорционально. С целью уменьшения эффекта сцепления выхода оптической мощности излучения, необходимо, чтобы х<<у. Свет с порта 4 и порта 3 соответственно работает как определитель количества выхода оптической мощности P-mon и определитель количества выхода отраженной Pr-mon.
W – это устройство мультиплексирования длин волн, а прохождение света накачки формируется между портом 2 и портом 3, свет накачки входит с порта 1 и выходит из порта 3. Если сигнальный свет входит с порта 2 и выходит с порта 3 (т.е. по направлению а), усилитель используется как передний усилитель; если сигнальный свет входит с порта 3 и выходит с порта 2 (т.е. по направлению b), усилитель используется как реверсированный усилитель. В порте 1 есть свет накачки р, сигнальный свет в порте 2, и смешанный свет сигнальный и свет накачки (p+s) в порте 3. Утрата прокладки W – это w[dB], а изоляция между портом 2 и 3 – это iw[dB].
Со – это выход оптического раздела сред, актуализируемый удаляемым соединителем оптических волокон. Мощность света накачки выходит на оптоволокно, связанное с G1 соединителем.
Е – это контур переработки и контроля получаемой информации. В Е:
PD1 и PD2 – это фотоэлектрические определительные диоды, проводящие фотоэлектрическое превращение выхода оптической мощности P-mon в определяемое количество и отраженную оптическую мощность Pr-mon в определяемое количество соответственно.
С1 включает спаренный усилитель и контур АЦП, аналоговые определяемые сигналы выходят с Р1 и Р2 и входят в С1, соответствующим образом усиливаются и конвертируются через АЦП, и получают определяемое значение вышеупомянутых мощности выхода и мощности отражения посредством цифровых сигналов.
CS – это блок контроля. Цифровые сигналы выходят с С1 и входят в CPU (центральный процессор) внутри CS, и подсчитывается коэффициент отражения выхода. Исполняющее программное обеспечение в CS может работать соответственно получаемому коэффициенту отражения, и автоматически контролировать мощность и реализовывать способ, описанный в секции (4) ниже.
С2 – это контур контроля мощности. CS манипулирует С2, и С2 связан с Р1 через границу раздела сред лазера накачки.
В – это приборная шина связи, и CS может быть связана с приборной шиной связи В через входящее в него устройство сопряжения, таким образом, что устройство данного изобретения может подавать информацию о выполнении усилителем работы (или другим оборудованием с высоким выходом света) на систему управления прибором через шину связи, и может контролироваться системой управления прибором.
На Фиг.2 изображена структурная диаграмма устройства, выполняющего контроль безопасности отдельного усилителя посредством определения коэффициента отражения, работающего как другое исполнение того же изобретения с тем же смыслом, как на Фиг.1.
Сходно со структурой на фиг.1, G2 – это оптический компонент агрегата, выполняющий усиление сигнального света и выпускающий оптическую мощность излучения на внешний прибор, в G2:
Р2 – это отдельный усилитель, который состоит из одного или больше оптических усиливающих компонентов. Используя оптоволоконный усилитель как этап, он включает один или более лазеров накачки. Все N лазеров связаны с контуром контроля С2 через электрические устройства сопряжения JP1, JP2,…. JPN. Р2 может выпускать лазерное излучение, удовлетворяющее рабочим требованиям прибора во время нормальной работы.
I означает то же, что и на фиг.1.
Т означает то же, что и на фиг.1.
Ci – это вход оптического устройства сопряжения, и сигнальный свет для усиления будет входить в Р2 через Ci.
Со означает то же, что и на фиг.1.
Е и каждый внутренний компонент Е означает то же, что и на фиг.1. Где С2 связан с Р2 через электрические устройства сопряжения JP1, JP2,…, JPN.
В означает то же, что и на фиг.1.
На фиг.2, как на другом исполнении того же изобретения с тем же главным смыслом, что и на фиг.1, указаны разные способы входа и выхода оптического сигнала в различных исполнениях.
На Фиг.3 показано подробное и детальное описание структур, изображенных на фиг.1 и 2.
CS – это блок контроля, состоящий из CPU (центрального процессора), ROM (постоянного запоминающего устройства), RAM (ЗУПВ) и FPGA (программируемой пользователем вентильной матрицы), где ROM работает как программная память и память на данные, сохраняющая конфигурацию данных по умолчанию, требуемую исполнительными программами и программами работы для управления устройством данного изобретения, и может актуализироваться при помощи электричества, содержать стираемую память и загружать в момент поступления данные о конфигурации; RAM работает как память для хранения данных, записывая важную информацию, производимую при работе программы. Каждый чип контура связан с контрольной линией EN-FPGA, EN-RAM и EN-ROM линией передачи данных D-ROM, D-RAM и D-FPGA; CPU связан с J2 линией передачи данных DJ и схемой интерфейса ввода/вывода. J2 – сигнальный соединитель между устройством и шиной взаимосвязи прибора В. Контуры кроме того содержат стандартные DC/DC, выпускающие напряжение смещения VC1, VC2, VCC, V0 и VP, требуемые для каждой части функционального контура. Преобразователи постоянного тока связаны с J1, и J1 – это соединитель энергоснабжения между устройством и шиной взаимосвязи прибора В, J1 и J2 совместно актуализируют электрическую связь между устройством и шиной прибора.
С1 – это контур определения выходного и отраженного излучения, состоящий из контура усилителя и контура АЦП. Соответственно усиливаются сигналы, определенные аналоговым способом, выходящие из Р1 и Р2 через АР1 и АР2. И CPU связан с контуром АЦП через линию передачи данных D1. Когда надо определить P-mon, CPU контролирует C1S сигналы от FPGA с тем, чтобы выбрать порт входа 1 АЦП, а с контура АЦП на CPU через D1 в то же время выходят данные; когда надо определить Pr-mon, CPU контролирует C1S сигналы от FPGA с тем, чтобы выбрать порт входа 2 АЦП, а с контура АЦП на CPU через D1 в то же время выходят данные.
С2 – это контроль лазера накачки и исполнения части накопления, состоящей из контура АЦ/ЦА преобразования и контура усиления А1, А2, A3 и А4. JP1 указывает, что оптическое устройство сопряжения лазера накачки под контролем, и применение устройства сопряжения лазера накачки коммерческого лазера. Берем за пример JP1, I1 указывает вход тока смещения лазера, I2 указывает вход тока охлаждения лазера, 01 указывает выход определения сигнала мощности лампы подсветки лазера, и 02 указывает выходную рабочую температуру центральной части электронной лампы лазера. CPU связан с контуром АЦП через линию передачи данных D2. Когда необходимо проконтролировать выходную мощность лазера накачки 1, CPU контролирует сигналы C2S от FPGA с тем, чтобы выбрать порт выхода АЦ/ЦА, и CPU выдает данные контура АЦ/ЦА преобразования через D2 в это же время. После ЦА преобразования ток аналоговой работы выходит и поддерживается через порт, выбранный пропусканием C2S от FPGA, и передается на I1 от JP1 после усиления. Когда температура центральной части электронной лампы лазера накачки контролируется 1, CPU контролирует FPGA с тем, чтобы выбрать выходной порт АЦ/ЦА, и CPU выводит данные на контур АЦ/ЦА преобразования через D2 в то же самое время. После ЦА преобразования выходит и поддерживает ток аналоговой работы через порт, выбранный FPGA, передается на I2 из JP1 после усиления. Когда необходимо определить выходную мощность лазера накачки 1, CPU контролирует FPGA с тем, чтобы выбрать порт входа АЦ/ЦА, и 01 сигнал выходит из JP1 – это вход в контур АЦ/ЦА после соответствующего усиления, выходит на CPU через порт D2 после АЦП. Когда необходимо определить ток охлаждения лазера накачки, CPU контролирует FPGA с тем, чтобы выбрать порт входа АЦ/ЦА преобразования, и 02 сигнал выходит из JP1 – это вход в контур АЦ/ЦА после соответствующего усиления, выходит на CPU через порт D2 после АЦП. При контролировании лазера накачки необходимо определении соответствующей производительности для более точной настройки обратной связи.
Когда необходимо контролировать несколько лазеров накачки, требуется больше контуров определения и контроля, и связь с каждым лазером через электрическое устройство сопряжения JP1, JP2,…, JPN, и выбор подходящего АЦ/ЦА преобразователя соответственно числу лазеров и параметров, требующих определения, а также контроль для запуска множественного контроля и определения.
(2) Порог коэффициента отражения и дальность обнаружения
коэффициента отражения
Без потери целостности, коэффициент отражения, вносимые потери и т.д. в нижеследующем тексте даны положительными числами значений в децибелах (dB). Предположим, что Р – это выходная мощность (в порте 1 из Т) Р1, и Pr – это мощность отражения (в порте 2 из Т). Отношение оптической мощности каждого порта пропорционального прибора связи Т – это:

Когда неотъемлемые вносимые потери пропорционального прибора связи Т сравнительно малы, формула (1) игнорирует неотъемлемые потери. Вышеупомянутый коэффициент отражения может быть задан для поверхности соединителя Со устройства данного изобретения. Используя исполнение изобретения на фиг.1 как пример, отношение между коэффициентом отражения и отраженным и определенным светом выхода с поверхности соединителя – это:

где R[dB] – это коэффициент отражения поверхности соединителя Со (R>0), и w – это вносимые потери W (w>0).
Оптическая мощность отраженного света, входящего в Р1 – это:

где i – это величина, обратная коэффициенту сопротивления изолятора I. При сравнительно небольших значениях неотъемлемой вносимой потери пропорционального прибора связи Т формула (3) игнорирует неотъемлемую потерю. Свет отражения, входящий в Р1 достаточно невелик при нормальной работе прибора, и предполагается, что

Оптическая мощность выхода отраженного света в порте 2 W – это

где iw – это изоляция между портом 2 и портом 3 W, и удовлетворяет требованию iw>0. Оптическая мощность отраженного света, желающая войти в порт 2 W достаточно невелика при нормальной работе прибора, и предполагается, что превышение порога – это Pro-th, коэффициент отражения мощности входа отражения Pro, достигающий порога, – это:

R-th1 и R-th2 – параметры, изменяющиеся при изменении мощности выхода прибора Р.
Кроме того, порог мощности отражения может быть прямо задан на поверхности соединителя устройства сопряжения выхода, который показан как Pr-th.
Следует учитывать коэффициент отражения при следующих обстоятельствах:
I. Предположим, что коэффициент отражения – это Rc[dB], когда поверхность оптоволокна соединителя хорошо подобрана, и этот параметр зафиксирован выбранным размером соединителя, используемого в приборе.
II. Предположим, что коэффициент отражения поверхности оптоволокна соединителя, незащищенного от воздуха, – это R1[dB], этот параметр зафиксирован выбранным размером соединителя, используемого в приборе; и R1[dB]
III. Предположим, что коэффициент отражения – это R2[dB], где есть пространство между концами оптоволокна соединителя хотя внешние оптические волокна хорошо соединены, и R2[dB]
IV. Предположим, что коэффициент отражения – это R3[dB], когда свет отражения становится больше из-за загрязнения пылью поверхности оптоволокна соединителя, больший фланец подбирает допуск соединителя, повреждения частей соединителя или повреждения внешних кабелей прибора, и R3[dB]
Следовательно, для обеспечения нормальной внутренней и внешней связи прибора, коэффициент отражения R-th3 должен удовлетворять требованию:

Учитывая вышеперечисленные возможности, тревожной ситуацией может быть:
Ситуация 1: Если мощность отражения Pri>Pri-th, это означает, что оптическая мощность, входящая во вход мощности устройства слишком велика.
Ситуация 2: Если мощность отражения Pro>Pro-th, это означает, что оптическая мощность, выходящая из сигнального оптического порта слишком велика.
Ситуация 3: Если мощность отражения Pr>Pr-th, это означает, что оптическая мощность отражения, образуемая выходным портом соединителя слишком велика.
Ситуация 4: Когда коэффициент отражения R1, дает предупреждение на восстановительный вход мощности.
Ситуация 5: Когда коэффициент отражения R2, дает предупреждение на восстановительный выход мощности.
Ситуация 6: Когда коэффициент отражения R3, дает предупреждение о дефекте оптического устройства сопряжения, указывая, что могут иметь место вышеупомянутые обстоятельства I, II и III.
Частично, либо все вышеперечисленные ситуации 1-6 могут быть адаптированы к данному изобретению как основание для осуществления контроля безопасности.
Принимая в расчет вышеуказанные аспекты, если прибор работает нормально, должно соблюдаться:

На Фиг.4 показан диапазон обнаружения коэффициента отражения, который определяется диапазоном обнаружения входного и выходного излучения. На чертеже абсцисса P[dB] – это выходная мощность Р1 (в порте 1 Т), а ордината Pr[dB] – это мощность отражения (в порте 2 Т). Рмакс – это верхний предел диапазона обнаружения выходной мощности, а Рмин – это нижний предел диапазона обнаружения выходной мощности; Prмакс – это верхний предел диапазона обнаружения мощности отражения, а Prмин – это нижний предел диапазона обнаружения мощности отражения.
На чертеже значения в пределах РминРмакс и PrминPrмакс – это рабочая шкала контура определения, где прямые линии пресекаются в пределах шкалы.
Прямая линия 1 показывает Pr, где Р изменяется при R=0; верхняя часть прямой 1 – это область, не представляющая интереса для работы.
Прямая 2 показывает Pr, где Р изменяется при R=Рмин-Prмин-2W.
Прямая 3 показывает Pr, где Р изменяется при R=Рмакс-Prмакс-2W.
Прямая 4 показывает Pr, где Р изменяется при R=Рмакс-Rrмин-2W.
Дальность обнаружения коэффициента отражения – это Рмин-Rмакс, и ограничен дальностью обнаружения оптической мощностью входа и выхода И:

Прямая 5 на фиг.4 показывает Pr, где Р изменяется при условии, что прибор находится в состоянии специального выхода коэффициента отражения. На прямых 5, А, В и С указаны несколько типичных рабочих состояний.
А: За пределами дальности обнаружения Р и Pr, коэффициент отражения невозможно определить.
В: В пределах дальности обнаружения Р и Pr коэффициент отражения можно определить. Здесь Р в зоне безопасной выходной мощности. При данных условиях Pri и Pro, Р, которые настраиваются за пределами безопасной выходной мощности (как позиция С) могут быть добавлены при использовании полученного коэффициента отражения. Если полученный коэффициент отражения достигает порога коэффициента отражения, когда Р поднимается до позиции В согласно внешним инструкциям прибора, то последующее возрастание мощности запрещено; если Pri и Pro, Р, которые настраиваются за пределами безопасной выходной мощности, добавлены или превышают пороги Pri-th и Pro-th, дальнейшее возрастание мощности также будет запрещено.
С: В пределах дальности обнаружения Р и Pr можно вычислить. Здесь Р – за пределами безопасной мощности выхода. Когда прибор работает в этих условиях, и если достигаются пороги R-th1, R-th2, R-th3 оцениваемого коэффициента отражения, контроль безопасности запускается автоматически, и выходная мощность будет настраиваться ниже предела безопасности мощности (как позиция В).
Когда вышеописанное содержимое используется в варианте исполнения на фиг.2, то нет отраженной выходной мощности Pro, и w=0[dB] в каждой формуле выше.
Программное обеспечение, работающее в CPU может сохранять полученные текущие данные в RAM как перечень возможностей, который включает текущий коэффициент отражения R, входную восстановленную мощность Pri, выходную мощность отражения Pro, лазерную выходную мощность Р устройства и т.д.
Программное обеспечение, работающее в CPU может сохранять данные конфигурации устройства, инструктируемые шиной передачи данных В, в память перечня возможностей, который включает текущий порог конфигурированного отражения R-th3, входную восстановленную мощность Pri-th, выходную мощность отражения Pro-th, лазерную выходную мощность Рс устройства и т.д.
Программное обеспечение, работающее в CPU может сохранять тревожную информацию, создаваемую устройством в память как список предупреждений, который включает текущие производимые предупреждения из входа восстановленной мощности R1, предупреждения от выхода отраженной мощности R2, предупреждения о дефекте оптического устройства сопряжения R
(3) Связи Прибора
Как компонент работающего прибора, устройство может связываться с системой управления прибором. В этом сегменте будут детально описаны типы связи прибора, связанные с функцией устройства.
Система управления прибором может выполнять следующие запросы к устройству через приборную шину В:
Запрос о производительности (соответственно с сообщением 1).
Запрос о конфигурационной информации (соответственно с сообщением 2).
Запрос о тревожной информации (соответственно с сообщением 3).
Устройство может также выдавать соответствующие сообщения на приборную шину В через интерфейс ввода/вывода:
Доклад информации о мощности (соответственно с сообщением 4).
Доклад информации о конфигурации (соответственно с сообщением 5).
Доклад тревожной информации (соответственно с сообщением 6).
Система управления прибором может выполнять следующий контроль устройства через приборную шину В:
Обновлять конфигурационные данные (соответственно с сообщением 7).
Далее описываются варианты вышеупомянутых сообщений 1-7 соответственно:
Сообщение 1: [Н, ADD, C1, L, F]:
где Н означает заголовок сообщения, который является последовательностью импульсов фиксированного формата для выполнения синхронизации связи; ADD – это адрес устройства в приборе; C1 – это код протокола связи, здесь означает производительность запросов в устройстве; L означает длину сообщения; F указывает тип переменной, запрашиваемой в устройстве, включая текущий коэффициент отражения R, восстановленную входную мощность Pri, отраженную выходную мощность Pro, лазерную выходную мощность Р устройства, и т.д.
Сообщение 2: [Н, ADD, C2, L, С]:
где Н означает заголовок сообщения, который является последовательностью импульсов фиксированного формата для выполнения синхронизации связи; ADD – это адрес устройства в приборе; C2 – это код протокола связи конфигурационной информации устройства; L означает длину сообщения; С указывает тип конфигурационных данных, запрашиваемых в устройстве, включая порог текущего конфигурационного коэффициента отражения R-th3, порог входной восстановленной мощности Pri-th, порог выходной отраженной мощности Pro-th, выходную мощность лазера Рс устройства, и т.д.
Сообщение 3: [Н, ADD, С3, L]:
где Н означает заголовок сообщения, который является последовательностью импульсов фиксированного формата для выполнения синхронизации связи; ADD – это адрес устройства в приборе; С3 – это код протокола связи, здесь означает запрос тревожной информации устройства; L означает длину сообщения.
Для того чтобы ответить на запрос сообщения 1, устройство выпустит сообщения в следующем формате на приборную шину В через интерфейс ввода/вывода:
Сообщение 4: [Н, ADD, С4, L, F, V1, V2,…, Vn]:
где Н означает заголовок сообщения, который является последовательностью импульсов фиксированного формата для выполнения синхронизации связи; ADD – это адрес устройства в приборе; С4 – это код протокола связи, здесь означает сообщение о переменной производительности устройства; L означает длину сообщения; F указывает тип переменной производительности, запрашиваемой в устройстве, включая текущий коэффициент отражения R, восстановленную входную мощность Pri, отраженную выходную мощность Pro, лазерную выходную мощность Р устройства, и т.д.; V1, V2,…, Vn указывает n переменных производительности доложено.
Для того чтобы реагировать на запросное сообщение 2, устройство выпустит сообщения следующего формата на приборную шину В через интерфейс ввода/вывода:
Сообщение 5: [Н, ADD, C5, L, С, V1, V2,…, Vn]:
где Н означает заголовок сообщения, который является последовательностью импульсов фиксированного формата для выполнения синхронизации связи; ADD – это адрес устройства в приборе; C5 – это код протокола связи, здесь означает передачу конфигурационной информации устройства; L означает длину сообщения; С указывает тип запрашиваемых конфигурационных данных устройства, включая порог текущего конфигурационного коэффициента отражения R-tha, порог восстановленной входной мощности Pri-th, порог отраженной выходной мощности Pro-th, лазерную выходную мощность Рс устройства, и т.д.; V1, V2,…, Vn указывает n переменных конфигурационной информации доложено.
Для того чтобы отреагировать на запрос сообщения 3, устройство выпустит сообщения следующего формата на приборную шину В через интерфейс ввода/вывода:
Сообщение 6: [Н, ADD, C6, L, A1, A2,…, An]:
где Н означает заголовок сообщения, который является последовательностью импульсов фиксированного формата для выполнения синхронизации связи; ADD – это адрес устройства в приборе; C6 – это код протокола, здесь означает передачу тревожной информации устройства; L означает длину сообщения; A1, A2,…, An указывает, что передано n переменных тревожной информации. Включая текущее созданное предупреждение входной отраженной мощности R2, и предупреждение о дефекте устройства оптического сопряжения прибора R3, и т.д.
Система управления прибором посылает сообщение устройству следующего формата через приборную шину В при обновлении конфигурационных данных устройства:
Сообщение 7: [Н, ADD, С7, L, С, V1, V2,…, Vn]:
где Н означает заголовок сообщения, который является последовательностью импульсов фиксированного формата для выполнения синхронизации связи; ADD – это адрес устройства в приборе; С4 – это код протокола, здесь означает обновление конфигурационной информации устройства; L означает длину сообщения; С указывает тип запрашиваемых обновленных конфигурационных данных, включая порог текущего конфигурационного коэффициента отражения R-th1, R-th2 и R-th3, порог восстановленной входной мощности Pri-th, порог отраженной выходной мощности Pro-th, лазерную выходную мощность Р устройства, и т.д.; V1, V2,…, Vn указывает n переменных конфигурационной информации доложено.
(4) Программный поток выполняет автоматический контроль
безопасности
Программный поток выполняет автоматический контроль безопасности оптической мощности устройства, как показано на фиг.5. Подробное описание дано ниже.
Шаг 1: Когда включается/перезагружается питание устройства, стартует система CPU, и загружается выполняемая программа из памяти. Программа запускает по умолчанию валидные переменные, такие как Рс, Pri-th, Pro-th, R-th3, и т.д., и мощность настраивается по умолчанию.
Шаг 2: Система CPU контролирует С1 для проведения проверки, и достигаются значения Pr-mon и P-mon после проверки производительности. Затем соответственно высчитываются переменные производительности Pr, Р, R, Pri, Pro, R-th1 и R-th2 согласно формуле 1-6. Последовательности сохраняются после вычисления в перечень возможностей памяти.
Шаг 3: Определяется, удовлетворяет ли коэффициент отражения или мощность отражения требованиям безопасности согласно одному или более условий из условий 1-6. Если отражение за пределами порога, переходим к шагу 4, т.е. процессу контроля безопасности; или к шагу 5, т.е. процессу настройки оптической мощности.
Шаг 4: Вход в процесс контроля безопасности. Включает в себя: (1) подачу и получение отчетов о предупреждениях, и в варианте на фиг.1, предупреждения могут даваться соответственно со следующими состояниями: если R1, сигнал тревоги от отраженной выходной мощности идет за пределами заданного ограничения; если R2, сигнал тревоги от отраженной выходной мощности идет за пределами заданного ограничения; если R3, дается сигнал тревоги о дефекте оптического устройства сопряжения. [Сообщение 6] может быть изначально передано через приборную шину связи, и перечень сигналов тревоги может быть модифицирован, если есть разница между новым и старым сигналами тревоги в перечне сигналов тревоги памяти. (2) Система CPU контролирует С2 для выполнения контроля оптической мощности, таким образом, чтобы уменьшить выходную оптическую мощность до безопасных значений.
Шаг 5: Поскольку определенная последовательность в шаге 3 является нормальным коэффициентом отражения, выполняется процесс настройки оптической мощности. В процессе настройки оптической мощности сначала сравниваются значения производительности текущей выходной оптической мощности Р с конфигурационным значением Рс, и если |Р-Рс|Рс, система CPU контролирует С2 для выполнения контроля оптической мощности, чтобы напрямую уменьшить выходную мощность до Рс; если Р<Рс, настраивается текущая оптическая мощность, и заставляет оптическую мощность возрастать в степени. Пожалуйста, обратите внимание, что одна настройка может совершаться в соответствии с длиной шага d, чтобы избежать повреждения оборудования и персонала, вызываемого возможными дефектами оборудования, когда Рс выходит за рамки безопасных значений. После завершения происходит переход к шагу 6, и контроль можно назвать контроль градуированной мощности. Снова может быть проведена настройка согласно длине шага d при входе в следующий круг, и оптическая мощность достигнет Рс в шагах, когда нет дефектов оборудования. Когда отражение в норме, текущий перечень сигналов тревоги может быть удален из памяти во избежание сигнала тревоги.
Шаг 6: запрос возможных команд, относящихся к системе интерфейса ввода/вывода в системе CPU, при том, что никакого сообщения нет, если результат запроса нулевой. Затем начинается шаг 2 для выполнения повторного определения производительности. Если получено сообщение, обрабатывается сообщение, и CPU выполняет связь прибора через интерфейс ввода/вывода. Например: если существует инструкция запроса производительности (сообщение 1) в стеке команд, предоставляется доклад (сообщение 4) согласно перечню возможностей; если есть инструкция запроса конфигураций (сообщение 2) в стеке команд, предоставляется доклад (сообщение 5) согласно перечню конфигураций; если есть инструкция запроса сигналов тревоги (сообщение 3) в стеке команд, предоставляется доклад (сообщение 6) согласно списку сигналов тревоги; если есть инструкция запроса обновления конфигурационных данных (сообщение 7) в стеке команд, модифицируется конфигурационный список в памяти. После окончания начинается шаг 2, и продолжается повторное определение производительности.
Следует заметить, что вышеупомянутые варианты используются только чтобы объяснить, ограничить данное изобретение. Несмотря на детальное описание данного изобретения с ссылками на вышеуказанные предпочтительные варианты исполнения, будет понятно, что различные модификации, изменения или эквиваленты могут быть сделаны специалистами в области без удаления от главной сущности и целей данного изобретения. Все модификации, изменения и эквиваленты могут быть перекрываться целями сопутствующих формул изобретения заявки.
Формула изобретения
1. Способ контроля безопасности оптического усиления, отличающийся тем, что включает: генерацию лазерного излучения, передачу оптической мощности излучения в одном направлении, сбор входной оптической мощности накачки и сбор определенного пропорционального количества выходной оптической мощности и определенного пропорционального количества отраженной оптической мощности; определение выходной мощности и отраженной мощности оптического усилителя, расчет коэффициента отражения и мощности отражения; и контроль безопасности, при этом определяют, превышает ли коэффициент отражения или мощность отражения заданный порог, и если превышает, выполняют настройку выходной мощности оптического усилителя до значений ниже безопасных и продолжают определение мощности; а если не превышает – определяют необходимость настройки оптической мощности, и при необходимости настраивают выходную мощность до конфигурационных значений, и если нет необходимости настройки, продолжают определение оптической мощности.
2. Способ по п.1, отличающийся тем, что настройку оптической мощности производят на основе сравнения – находится ли ошибка текущей выходной мощности и конфигурационное значение выходной мощности в допустимых пределах, если они находятся в допустимых пределах, то показывают, что текущая выходная мощность в норме, и не производят настройку оптической мощности, если нет, производят настройку оптической мощности.
3. Способ по п.2, отличающийся тем, что настройка оптической мощности также включает: определение превышает ли выходная мощность конфигурационные значения выходной мощности, если она больше конфигурационного значения, контролируют выходную мощность и напрямую снижают ее до конфигурационного значения выходной мощности одной настройкой, или увеличивают выходную мощность при градуированном контроле, если мощность меньше конфигурационного значения.
4. Способ по п.1, отличающийся тем, что контроль безопасности также включает: подачу и получение сигналов тревоги; контроль выходной мощности с тем, чтобы уменьшить ее до безопасного значения.
5. Способ по п.4, отличающийся тем, что сигналы тревоги включают следующие заключения: оптическая мощность, входящая в выходную мощность устройства, слишком велика, если входная мощность больше, чем порог отраженной входной мощности; отраженная оптическая мощность, выходящая из оптического устройства сопряжения, слишком велика, если отраженная выходная мощность больше, чем порог отраженной выходной мощности; отраженная оптическая мощность, производимая соединителем порта выхода, слишком велика, если отраженная мощность больше, чем порог отраженной мощности; при этом подают сигнал тревоги, если коэффициент отражения меньше, чем порог коэффициента отражения для отраженной входной оптической мощности; подают сигнал тревоги, если коэффициент отражения меньше, чем порог коэффициента отражения для отраженной выходной оптической мощности; подают сигнал тревоги дефекта оптического устройства сопряжения, если коэффициент отражения меньше, чем порог коэффициента отражения, характеризующий рабочий статус оптического устройства сопряжения.
6. Способ по п.3, отличающийся тем, что в способе предусмотрена настройка длины шага, адаптированная к возрастанию выходной мощности путем градуированного контроля процесса настройки оптической мощности, при этом каждый раз настраивается только одна длина шага, одновременно выполняется определение; выходная мощность возрастает до конфигурационного значения шагами, только если нет сигналов тревоги в процессе градуированного контроля.
7. Устройство контроля безопасности оптического усиления, отличающееся тем, что включает: оптическую узловую сборку с высоким выходом света для генерации света накачки с высокой мощностью; изолятор для обеспечения передачи оптической мощности в одну сторону и ограничения обратной передачи оптической мощности; выходное оптическое устройство сопряжения для выхода мощности света накачки для внешних оптоволокон; а также устройство, предназначенное для входа оптической мощности накачки и для сбора определенного пропорционального количества выходной оптической мощности и определенного пропорционального количества отраженной оптической мощности; контур переработки и контроля полученной информации для выполнения перевода информации и определения количества полученной выходной оптической мощности и определения количества отраженной оптической мощности, для расчета коэффициента отражения в соответствии с полученной перекодированной информации, и для автоматического выполнения контроля оптической мощности излучения оптической узловой сборки с высоким выходом света в соответствии с полученным коэффициентом отражения.
8. Устройство по п.7, отличающееся тем, что оптическая узловая сборка с высоким выходом света контролирует усилитель оптической мощности путем изменения тока возбуждения.
9. Устройство по п.8, отличающееся тем, что усилитель, контролирующий оптическую мощность путем изменения тока возбуждения, является отдельным усилителем.
10. Устройство по п.8, отличающееся тем, что отдельный усилитель сочетается с одним или более оптическими волоконными усилителями или полупроводниковыми усилителями.
11. Устройство по п.9 или 10, отличающееся тем, что устройство контроля безопасности оптического усиления кроме того включает выходное оптическое устройство сопряжения входных световых сигналов для выпуска входных световых сигналов на отдельные усилители.
12. Устройство по п.8, отличающееся тем, что усилитель, контролирующий оптическую мощность путем изменения тока возбуждения, является распространенным усилителем RAMAN.
13. Устройство по п.12, отличающееся тем, что распространенный усилитель RAMAN является элементом лазерной группы накачки, формируемой одним или более лазерными источниками.
14. Устройство по п.12 или 13, отличающееся тем, что устройство контроля безопасности оптического усиления кроме того содержит устройство сочетания волн для сочетания света накачки и сигнального света, один порт устройства сочетания волн получает выход света накачки через устройство сбора оптической мощности, и другой порт впускает сигнальный свет и выпускает смешанный свет – свет накачки и сигнальный свет на выход оптического устройства сопряжения.
15. Устройство по п.7, отличающееся тем, что устройство сбора мощности – пропорциональное устройство связи.
16. Устройство по п.7, отличающееся тем, что выход оптического устройства сопряжения является съемным оптоволоконным соединителем.
17. Устройство по п.7, отличающееся тем, что контур преобразования и контроля для определения информации включает: устройство фотоэлектрического преобразования, соответственно для преобразования определенного полученного количества оптической мощности и определенного количества отраженной оптической мощности в соответствующие аналоговые сигналы; контур аналогово-цифрового преобразования оптической мощности для преобразования аналоговых определенных сигналов, переданных с устройства фотоэлектрического преобразования, в соответствующие цифровые сигналы; узел контроля для расчета коэффициента отражения в соответствии с цифровыми сигналами, переданными с контура аналогово-цифрового преобразования, автоматически подающий инструкции по контролю мощности в соответствии с полученным коэффициентом отражения, выполняющий контроль мощности для оптической узловой сборки и подающий инструкции для определения производительности; контур контроля и вида исполнения оптической узловой сборки, обеспечивающий получение контролирующих мощность инструкций, полученных с узла контроля после аналогово-цифрового преобразования, автоматически контролирующий мощность оптических компонентов, и получающий инструкции по определению производительности, полученные от узла контроля, а также определяющий производительность оптических компонентов и впускающий информацию, полученную от аналогово-цифрового преобразования, направленную на блок контроля.
18. Устройство по п.17, отличающееся тем, что устройство фотоэлектрического преобразования является фотоэлектрическим детектирующим диодом.
19. Устройство по п.17, отличающееся тем, что блок контроля снабжен коммуникационным итерфейсом, соединяющим блок контроля с коммуникационной шиной устройства с возможностью направления информации о рабочем статусе оптического усилителя в систему управления устройством и получения команды управления из системы управления устройством.
20. Устройство по п.17, отличающееся тем, что контур контроля мощности и вида исполнения оптической узловой сборки имеет электрическое устройство сопряжения, связывающее контур контроля мощности и вида исполнения оптической узловой сборки с любым оптическим устройством и обеспечивающее выполнение контроля мощности и контроль исполнения.
РИСУНКИ
MM4A – Досрочное прекращение действия патента СССР или патента Российской Федерации на изобретение из-за неуплаты в установленный срок пошлины за поддержание патента в силе
Дата прекращения действия патента: 08.11.2009
Извещение опубликовано: 20.08.2010 БИ: 23/2010
NF4A – Восстановление действия патента СССР или патента Российской Федерации на изобретение
Дата, с которой действие патента восстановлено: 27.08.2010
Извещение опубликовано: 27.08.2010 БИ: 24/2010
,>
(db].
[db].
[db].
|
|