|
(21), (22) Заявка: 2007108615/28, 07.03.2007
(24) Дата начала отсчета срока действия патента:
07.03.2007
(46) Опубликовано: 20.05.2008
(56) Список документов, цитированных в отчете о поиске:
ЕР 0398708 А1, 22.11.1990. SU 406035 А, 21.03.1974. SU 845012 А, 10.07.1981. Кремлевский П.П. Расходомеры и счетчики количества. Справочник. Изд. 4. – Л.: “Машиностроение”, 1989, с.517.
Адрес для переписки:
344029, Ростовская обл., г.Ростов-на-Дону, а/я 1657, пат.пов. Т.Е.Цагоевой
|
(72) Автор(ы):
Буряков Александр Анатольевич (RU), Давыдов Юрий Семенович (RU)
(73) Патентообладатель(и):
Буряков Александр Анатольевич (RU), Давыдов Юрий Семенович (RU)
|
(54) СИСТЕМА ИЗМЕРИТЕЛЬНАЯ РАСХОДА ВОДЫ В ТРУБОПРОВОДЕ БОЛЬШОГО ДИАМЕТРА
(57) Реферат:
Изобретение предназначено для городских и промышленных систем водоснабжения. Система измерения расхода содержит трубопровод с обводной трубкой для отвода парциального потока. Входной и выходной патрубки обводной трубки установлены под углом 5-10° вниз относительно плоскости горизонтальной оси трубопровода с возможностью одновременного опорожнения трубопровода и обводной трубки. На обводной трубке установлен электромагнитный расходомер, соединенный с устройством обработки информации через блок сопряжения, с которым также соединен датчик включения перекачивающего насоса насосной станции. В примере выполнения блок сопряжения содержит оптронный узел гальванической развязки входных сигналов, соединенный с преобразователем входных сигналов в стандартные для используемой в качестве устройства обработки информации ЭВМ, к одному из интерфейсных выходов которой может быть подключен сторожевой таймер, Изобретение обеспечивает проведение достоверного измерения расхода воды. 4 з.п. ф-лы, 3 ил.
Изобретение относится к устройствам для измерения расхода воды и может быть использовано для измерения расхода воды в трубопроводе большого диаметра, в городских и промышленных системах водоснабжения.
За аналог заявляемого изобретения принято техническое решение того же назначения – система измерения расхода жидкости, содержащая измерительный участок трубопровода с установленным на нем расходомером, который связан с ЭВМ через вычислитель расхода жидкости (Системы измерительные «ИСТОК» www.net.ru).
Известно устройство для измерения расхода жидкости, содержащее электромагнитный расходомер, установленный на обводной трубке, жестко закрепленной на трубопроводе, с возможностью отвода парциального потока (Кремлевский П.П. Расходомеры и счетчики количества: Справочник. – 4-е изд., перераб. и доп. – Л.: Машиностроение. Ленингр. отд-ние, 1989, С.517). При применении парциального метода измерения расхода воды на трубопроводах большого диаметра с переменным режимом работы по принципу «наполнение-опорожнение», с применением электромагнитного расходомера, по которому, согласно Руководству по эксплуатации ЛГФИ 407212.013 РЭ «Преобразователь расхода электромагнитный измерительный» ИПРЭ-7, электромагнитный расходомер должен быть установлен так, что измерительное сечение расходомера всегда должно быть заполнено водой независимо от режима работы трубопровода.
К недостаткам известных технических решений (как аналога, так и прототипа) относится недостоверность показаний электромагнитного расходомера, во-первых, за счет появления сигнала о несуществующем расходе воды в трубопроводе при его опорожнении, так как в этом случае электромагнитный расходомер работает во внештатном режиме, и, во-вторых, при появлении дополнительной его погрешности, вызванной деформацией измерительного сечения электромагнитного расходомера при отрицательной температуре воздуха и замерзании воды в обводной трубке.
Задачей, на решение которой направлено изобретение, является достоверность измерения расхода воды парциальным методом с применением электромагнитного расходомера при любых режимах работы трубопровода, работающего по принципу «наполнение-опорожнение», и при воздействии отрицательной температуры окружающего воздуха.
Технический результат, который может быть получен при осуществлении изобретения, заключается в исключении ложного сигнала электромагнитного расходомера о несуществующем расходе воды через трубопровод в режиме его опорожнения и исключении при низкой температуре воздуха деформации измерительного сечения электромагнитного расходомера, которая приводит к дополнительной погрешности измерения расхода воды.
Система измерительная расхода воды в трубопроводе большого диаметра, содержащая электромагнитный расходомер, установленный на обводной трубке, жестко закрепленной на трубопроводе, с возможностью отвода парциального потока, состоит в том, что она содержит, по меньшей мере, один соединенный с перекачивающим насосом насосной станции трубопровод с обводной трубкой, входной патрубок и выходной патрубок которой установлены под углом 5-10° вниз относительно плоскости горизонтальной оси трубопровода с возможностью одновременного опорожнения трубопровода и обводной трубки, и содержит устройство обработки информации, соединенное с блоком сопряжения, с одним входом которого соединен выход электромагнитного расходомера, с другим его входом соединен выход датчика включения перекачивающего насоса насосной станции.
В качестве устройства обработки информации использована электронная вычислительная машина.
Блок сопряжения содержит оптронный узел гальванической развязки входных сигналов электромагнитного расходомера и датчика включения насосов, при этом оптронной узел гальванической развязки соединен с преобразователем входных сигналов в стандартные для электронной вычислительной машины.
На обводной трубке установлены шаровые краны с двух сторон от электромагнитного расходомера с возможностью его замены без остановки трубопровода.
К одному из интерфейсных выходов электронной вычислительной машины подключен сторожевой таймер.
Предлагаемое конструктивное исполнение обводной трубки на трубопроводе с наклоненными входным и выходным патрубками исключает сохранение в ней воды при опорожнении трубопровода и исключает ложный сигнал электромагнитного расходомера о несуществующем расходе воды через трубопровод в режиме его опорожнения и ее замерзание при отрицательной температуре окружающего воздуха, что приводило к недостоверности измерения расхода воды при наполнении трубопровода водой. Устранение указанных причин недостоверности результатов измерения расхода воды привело к необходимости дополнительного введения в алгоритм вычисления расхода воды по значению выходного сигнала электромагнитного расходомера сигнала о работе перекачивающего насоса насосной станции, что реализовано в предложенной системе измерительной расхода воды в трубопроводе большого диаметра.
Из уровня техники неизвестно техническое решение с заявляемой совокупностью существенных признаков независимого пункта формулы изобретения, что подтверждает соответствие изобретения условию патентоспособности – новизна.
Известно использование устройства обработки информации о расходе воды, например, в заявке на изобретение «Неконтактное устройство для контроля расхода жидкости или газа в трубопроводе» (заявка на изобретение №2001103809, МПК7 G01F 5/00, дата публикации заявки 2003.04.10), поэтому использование электронно-вычислительной машины в качестве устройства обработки информации о расходе воды явным образом следуют из уровня техники для специалиста. То же справедливо и в отношении признака «один соединенный с перекачивающим насосом насосной станции трубопровод», который включен в отличительную часть только потому, что в тексте статьи указанного источника, в котором описан прототип, нет упоминания о связи трубопровода с перекачивающим насосом насосной станции.
Существенные отличительные признаки независимого пункта формулы заявляемого изобретения – «входной патрубок и выходной патрубок обводной трубки установлены под углом 5-10° вниз относительно плоскости горизонтальной оси трубопровода с возможностью одновременного опорожнения трубопровода и обводной трубки» и «устройство обработки информации, соединенное с блоком сопряжения, с одним входом которого соединен выход электромагнитного расходомера, с другим его входом соединен выход датчика включения перекачивающего насоса насосной станции» для специалиста явным образом не следуют из уровня техники, что подтверждает соответствие изобретения условию патентоспособности – изобретательский уровень.
Сущность изобретения поясняется чертежами, где:
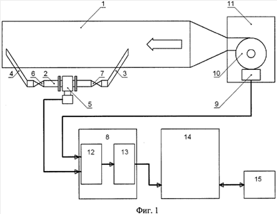
на фиг 1 – общий вид системы измерения расхода воды в трубопроводе большого диаметра, содержащей один трубопровод;
на фиг.2 – общий вид системы измерения расхода воды в трубопроводе большого диаметра, содержащей несколько трубопроводов с условными стрелками входных сигналов с выходов электромагнитных расходомеров остальных трубопроводов и с датчиков включения перекачивающих насосов насосной станции;
на фиг.3 – вид сбоку установки патрубков обводной трубки под углом.
Система измерения расхода воды в трубопроводе большого диаметра может быть осуществлена с реализацией указанного назначения следующим образом.
Пример реализации системы измерительной расхода воды в трубопроводе большого диаметра дан для системы, содержащей один трубопровод с одним датчиком одного перекачивающего насоса насосной станции. При описании осуществления изобретения и в формуле изобретения термин «трубопровод» использован без определения «большого диаметра».
На трубопроводе 1 жестко закреплена обводная трубка 2 посредством входного патрубка 3 и выходного патрубка 4 (в справочнике Кремлевский П.П. Расходомеры и счетчики количества: Справочник. – 4-е изд., перераб. и доп. – Л.: Машиностроение. Ленингр. отд-ние, 1989, С.517 трубка названа «обводной трубкой», в описаниях изобретений к патентам РФ №2132047, МПК G01F 5/00, 1/66, №2132539, МПК G01F 1/46, 1/66, 5/00 трубка названа «измерительной трубкой», в Политехническом словаре / Редкол.: А.Ю.Ишлинский и др. – 3-е изд., перераб. и доп.- М.: Советская энциклопедия, 1989 трубка названа «байпасной»). На обводной трубке 2 установлен электромагнитный расходомер 5, конструкция которого является стандартной и описана в Руководстве по эксплуатации ЛГ ФИ.407212.013 РЭ «Преобразователь расхода электромагнитный измерительный» ИПРЭ-7.
Входной патрубок 3 и выходной патрубок 4 обводной трубки 2 установлены под углом 5-10° вниз относительно плоскости горизонтальной оси трубопровода для того, чтобы при опорожнении трубопровода 1 происходило опорожнение обводной трубки 2. С двух сторон электромагнитного расходомера 5 установлены запорные шаровые краны 6 и 7, что позволяет при их закрытии снять и заменить электромагнитный расходомер 5 без остановки и опорожнения трубопровода 1.
Выход электромагнитного расходомера 5 соединен с одним входом блока сопряжения 8. Другой вход блока сопряжения 8 соединен с выходом датчика включения 9 перекачивающего насоса 10 насосной станции 11.
Блок сопряжения 8 содержит оптронный узел 12 гальванической развязки входных сигналов электромагнитного расходомера 5 и датчика 9 перекачивающего насоса 10 насосной станции 11. Оптронный узел 12 гальванической развязки соединен с преобразователем 13, преобразующим поступающие входные сигналы в стандартные электрические сигналы для электронной вычислительной машины (ЭВМ) 14.
Выход блока сопряжения 8 соединен с одним из интерфейсных входов ЭВМ 14 для обработки и отображения поступающей информации.
Другой интерфейсный вход ЭВМ 14 подключен к сторожевому таймеру 15, который предназначен для сигнализации о нарушении работы ЭВМ 14 и автоматической ее перезагрузки.
Данное конструктивное решение может быть реализовано для измерения расхода воды на нескольких трубопроводах 1 с установленными на них обводными трубками 2 с электромагнитными расходомерами 5 и с датчиками включения нескольких перекачивающих насосов 10 насосной станции 11. При этом блок сопряжения 8 имеет количество входов, пропорциональное количеству электромагнитных расходомеров 5, установленных на трубопроводах 1, и количеству датчиков 9 включения перекачивающих насосов 10 насосной станции 11.
При включении перекачивающего насоса 10 насосной станции 11 вода проходит через трубопровод 1 и обводную трубку 2 с установленным на ней электромагнитным расходомером 5. Выходной сигнал, пропорциональный расходу воды, с выхода электромагнитного расходомера 5 по линиям связи поступает на соответствующий вход блока сопряжения 8. Одновременно на другой вход блока сопряжения 8 поступает сигнал с датчика 9 включения перекачивающего насоса 10, где они проходят через оптронный узел 12 гальванической развязки, где электрические сигналы преобразуются в оптические и далее из оптических – в электрические и преобразователем 13 преобразуются в стандартные электрические сигналы для ЭВМ 14. Программа вычисления расхода воды через трубопровод 1 анализирует состояние входных сигналов. При наличии сигнала с электромагнитного расходомера 5 и сигнала с датчика 9 включения перекачивающего насоса 10 выходной сигнал с электромагнитного расходомера 5 считается истинным, осуществляется его математическая обработка, вычисление и отображение информации о расходе воды через трубопровод 1.
При остановке перекачивающего насоса 10, согласно графику работы трубопровода 1 по принципу «наполнение-опорожнение», происходит его опорожнение и слив воды из обводной трубки 2 через наклоненные входной патрубок 3 и выходной патрубок 4. В этом случае электромагнитный расходомер 5 работает во внештатном режиме с незаполненным водой измерительным сечением, при этом на выходе электромагнитного расходомера 5 возможно появление ложного сигнала о расходе воды через трубопровод 1 при отсутствии в нем воды. Входные сигналы с электромагнитного расходомера 5 и с датчика включения 9 перекачивающего насоса 10 поступают в блок сопряжения 8, проходят через оптронный узел 12 гальванической развязки, где электрические сигналы преобразуются в оптические и далее из оптических – в электрические, а преобразователем 13 эти сигналы преобразуются в стандартные электрические сигналы для ЭВМ 14. Программа для ЭВМ 14 вычисления расхода воды в трубопроводе 1 анализирует сигнал с выхода электромагнитного расходомера 5 и с выхода датчика 9 включения перекачивающего насоса 11 и при наличии информации о расходе воды и отсутствии информации о включении перекачивающего насоса 11 математическая обработка сигналов и вычисление не производится и выводится информация о нулевом расходе воды в трубопроводе 1.
При правильном функционировании программы вычисления расхода воды она через интерфейсный вход, соединенный со сторожевым таймером 15, периодически посылает на него сигналы. В случае сбоя работы ЭВМ 14 и зависания работы программы вычисления расхода воды сигналы на сторожевой таймер 15 перестают поступать. В этом случае сторожевой таймер 15 через заданный промежуток времени подает аварийный сигнал обслуживающему персоналу и подает сигнал на автоматическую перезагрузку ЭВМ 14.
Описанные средства и методы, с помощью которых возможно осуществление системы измерительной расхода воды в трубопроводе большого диаметра, с реализацией указанного назначения подтверждают соответствие заявленного изобретения условию патентоспособности – промышленная применимость.
Формула изобретения
1. Система измерительная расхода воды в трубопроводе большого диаметра, содержащая электромагнитный расходомер, установленный на обводной трубке, жестко закрепленной на трубопроводе, с возможностью отвода парциального потока, отличающаяся тем, что она содержит, по меньшей мере, один соединенный с перекачивающим насосом насосной станции трубопровод с обводной трубкой, входной патрубок и выходной патрубок которой установлены под углом 5-10° вниз относительно плоскости горизонтальной оси трубопровода с возможностью одновременного опорожнения трубопровода и обводной трубки, и содержит устройство обработки информации, соединенное с блоком сопряжения, с одним входом которого соединен выход электромагнитного расходомера, с другим его входом соединен выход датчика включения перекачивающего насоса насосной станции.
2. Система по п.1, отличающаяся тем, что в качестве устройства обработки информации использована электронная вычислительная машина.
3. Система по п.2, отличающаяся тем, что блок сопряжения содержит оптронный узел гальванической развязки входных сигналов электромагнитного расходомера и датчика включения перекачивающего насоса, при этом оптронный узел гальванической развязки соединен с преобразователем входных сигналов в стандартные для электронной вычислительной машины.
4. Система по п.1, отличающаяся тем, что на обводной трубке установлены шаровые краны с двух сторон от электромагнитного расходомера с возможностью его замены без остановки трубопровода.
5. Система по п.2, отличающаяся тем, что к одному из интерфейсных выходов электронной вычислительной машины подключен сторожевой таймер.
РИСУНКИ
|