|
| На основании пункта 1 статьи 1366 части четвертой Гражданского кодекса Российской Федерации патентообладатель обязуется заключить договор об отчуждении патента на условиях, соответствующих установившейся практике, с любым гражданином Российской Федерации или российским юридическим лицом, кто первым изъявил такое желание и уведомил об этом патентообладателя и федеральный орган исполнительной власти по интеллектуальной собственности. |
|
(21), (22) Заявка: 2006132427/28, 08.09.2006
(24) Дата начала отсчета срока действия патента:
08.09.2006
(46) Опубликовано: 20.05.2008
(56) Список документов, цитированных в отчете о поиске:
SU 1167427 A1, 15.07.1985. RU 2004129528 A, 20.03.2006. SU 1026012 A1, 30.06.1983. GB 934059 A, 14.08.1963.
Адрес для переписки:
355021, г.Ставрополь, ул. Ленина, 320, СВВАИУ, НИО, В.В.Ефанову
|
(72) Автор(ы):
Ефанов Василий Васильевич (RU), Мужичек Сергей Михайлович (RU)
(73) Патентообладатель(и):
Ефанов Василий Васильевич (RU), Мужичек Сергей Михайлович (RU)
|
(54) ОПТИКО-ЭЛЕКТРОННОЕ УСТРОЙСТВО ДЛЯ ИЗМЕРЕНИЯ ПЛОЩАДИ ОБЪЕКТА
(57) Реферат:
Изобретение относится к оптико-электронным устройствам и может быть использовано для измерения площади объекта. Сущность: устройство содержит объектив, развертывающий элемент, два фотоприемника и схему обработки сигнала. Развертывающий элемент выполнен в виде параллельных дисков с приводами. Диски установлены с возможностью вращения перед фотоприемниками и содержат отверстия, расположенные по спирали. Схема обработки сигнала выполнена в виде двух триггеров, трех элементов И, двух компараторов, счетчика, индикатора, кнопки «Пуск» и кнопки «Сброс», синхронизатора, соединенного с приводами дисков, и блока укорачивания импульса «Пуск». Вход блока укорачивания импульса «Пуск» соединен с выходом кнопки «Пуск», а выход – с прямым входом первого триггера. Выход первого триггера соединен с первым входом первого элемента И и инверсным входом второго элемента И. Второй вход первого элемента И и прямой вход второго элемента И через первый компаратор соединены со вторым фотоприемником, связанным со вторым диском развертывающего элемента. Выходы первого и второго элементов И соединены соответственно с прямым и инверсным входами второго триггера. Выход второго триггера подключен к первому входу третьего элемента И. Второй вход третьего элемента И через второй компаратор соединен с первым фотоприемником, связанным с первым диском. Выход третьего элемента И соединен с инверсным входом первого триггера и первым входом счетчика. Второй вход счетчика соединен с кнопкой «Сброс», а выход связан с первым индикатором. Также устройство включает n-дешифраторов, n-третьих триггеров, n-индикаторов. Причем выход счетчика соединен с входами n-дешифраторов. Выходы n-дешифраторов через первые входы n-третьих триггеров соединены со входами индикаторов. Вторые входы n-третьих триггеров соединены с кнопкой «Сброс». Технический результат: расширение функциональных возможностей. 2 ил.
Изобретение относится к измерительным устройствам и может быть использовано для измерения площади объекта.
Наиболее близким к изобретению является способ измерения площади объекта, заключающийся в освещении исследуемой поверхности, проектировании объективом изображения площади исследуемой поверхности в плоскость вращения двух модуляторов, осуществлении одновременного сканирования изображения по строкам первым модулятором и по столбцам вторым модулятором, причем в течение времени сканирования изображения измеряемой площади по одной строке осуществляется сканирование данной строки по столбцам за счет большей скорости вращения второго модулятора, преобразовании изображения измеряемой площади в световые импульсы, преобразовании световых импульсов в электрические импульсы, измерении площади на основе суммирования данных импульсов (Авторское свидетельство СССР №1167427, кл. G01B 21/22 от 1985 г.).
Наиболее близким к изобретению является устройство для измерения площади, содержащее объектив, развертывающий элемент, два фотоприемника и схему обработки сигнала, при этом развертывающий элемент выполнен в виде параллельных дисков с приводами, установленных с возможностью вращения перед фотоприемниками и содержащих отверстия, расположенные по спирали, схема обработки сигнала выполнена в виде двух триггеров, трех элементов И, двух компараторов, счетчика, индикатора, синхронизатора, соединенного с приводами дисков, и блока укорачивания импульса “Пуск”, который соединен с прямым входом первого триггера, выход которого соединен с первым входом первого элемента И и инверсным входом второго элемента И, второй вход первого элемента И и прямой вход второго элемента И через первый компаратор соединены с вторым фотоприемником, связанным с вторым диском развертывающего элемента, выходы первого и второго элементов И соединены соответственно с прямым и инверсным входами второго триггера, выход которого подключен к первому входу третьего элемента И, второй вход которого через второй компаратор соединен с первым фотоприемником, связанным с первым диском, выход третьего элемента И соединен с инверсным входом первого триггера и входом счетчика, выход которого связан с индикатором (Авторское свидетельство СССР №1167427, кл. G01B 21/22 от 1985 г.).
Недостатками данных способа и устройства является невозможность осуществления автоматической выборки заданных площадей.
Технической задачей изобретения является расширение функциональных возможностей за счет осуществления автоматической выборки заданных площадей.
Технический результат достигается тем, что в способе измерения площади объекта, заключающемся в освещении исследуемой поверхности, проектировании объективом изображения площади исследуемой поверхности в плоскость вращения первого и второго модуляторов, осуществлении одновременного сканирования изображения по строкам первым модулятором и по столбцам вторым модулятором, причем в течение времени сканирования изображения измеряемой площади по одной строке осуществляется сканирование данной строки по столбцам за счет большей скорости вращения второго модулятора, преобразовании изображения измеряемой площади в световые импульсы, преобразовании световых импульсов в электрические импульсы, измерении площади на основе суммирования данных импульсов, дополнительно задают значения площадей, необходимых для автоматической выборки, осуществляют автоматическую оценку соответствия текущей площади с заданным значением и осуществляют сигнализацию в случае соответствия текущего значения измеренной площади заданному значению.
Заявляемый способ реализуется в оптико-электронном устройстве для измерения площади объекта, содержащем объектив, развертывающий элемент, два фотоприемника и схему обработки сигнала, причем развертывающий элемент выполнен в виде параллельных дисков с приводами, установленных с возможностью вращения перед фотоприемниками и содержащих отверстия, расположенные по спирали, а схема обработки сигнала выполнена в виде двух триггеров, трех элементов И, двух компараторов, счетчика, индикатора, синхронизатора, соединенного с приводами дисков, и блока укорачивания импульса “Пуск”, который соединен с прямым входом первого триггера, выход которого соединен с первым входом первого элемента И и инверсным входом второго элемента И, второй вход первого элемента И и прямой вход второго элемента И через первый компаратор соединены со вторым фотоприемником, связанным с вторым диском развертывающего элемента, выходы первого и второго элементов И соединены соответственно с прямым и инверсным входами второго триггера, выход которого подключен к первому входу третьего элемента И, второй вход которого через второй компаратор соединен с первым фотоприемником, связанным с первым диском, выход третьего элемента И соединен с инверсным входом первого триггера и входом счетчика, выход которого связан с индикатором, который дополнительно имеет n-дешифраторов, n-третьих триггеров и n-индикаторов, причем выход счетчика соединен с входами n-дешифраторов, выходы которых через первые входы n-третьих триггеров соединены с входами индикаторов, вторые входы триггеров соединены с кнопкой «Сброс».
Новыми признаками, обладающими существенными отличиями по способу являются следующая совокупность действий.
1. Задают значения площадей, необходимых для автоматической выборки.
2. Осуществляют автоматическую оценку соответствия текущей площади заданным значениям.
3. Осуществляют сигнализацию в случае соответствия текущего значения измеренной площади заданному значению.
Существенными отличительными признаками по устройству являются: n-дешифраторы, n-третьих триггеров, n-индикаторов и связи между известными и новыми элементами.
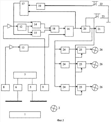
На фиг.1 приведена схема оптико-электронного устройства для измерения площади объекта, на фиг.2 показано направление движения сканирующего устройства.
Оптико-электронное устройство для измерений площади объекта состоит из объектива 1, источника 2 света, развертывающего элемента, состоящего из двух дисков 3 и 4 с приводами 5 и 6, синхронизатора 7, соединяющего с приводами, двух фотоприемников 8 и 9, усилителей 10 и 11, соединенных с соответствующими фотоприемниками 8 и 9, компараторов 12 и 13, первого 14, второго 15 и третьего 16 элементов И, триггеров 17 и 18, блока 19 укорачивания импульса “Пуск”, счетчика 20, индикатора 21, кнопки “Пуск” 22, кнопки “Сброс” 23, n-дешифраторов 24, n-третьих 25 триггеров, n-индикаторов 26, причем блок 19 укорачивания импульса “Пуск” соединен с прямым входом первого триггера, выход которого соединен с первым входом первого 14 элемента И и инверсным входом второго 15 элемента И, прямой вход которого и второй вход первого 14 элемента И через первый 12 компаратор и усилитель 10 соединены с вторым 9 фотоприемником, связанным с вторым 3 диском с приводом 5, выходы первого 14 и второго 15 элементов И соединены соответственно с прямым и инверсным входами второго 18 триггера, выход которого подключен к первому входу третьего 16 элемента И, второй вход которого через второй 13 компаратор и усилитель 11 соединен с первым 8 фотоприемником, связанным с первым 4 диском с приводом 6, выход третьего 16 элемента И соединен с инверсным входом первого 17 триггера и входом счетчика 20, выход которого соединен с входом индикатора, кнопка 22 “Пуск” соединена с входом блока 19, а кнопка 23 “Сброс” – со вторым входом счетчиком 20, выход которого соединен через n-дешифраторы 24, первые входы n-третьих 25 триггеров с входами n-индикаторов 26, вторые входы n-третьих 25 триггеров соединены с выходом кнопки «Сброс».
Модулирующие диски имеют отверстия, расположенные по спирали, и представляют собой диски Нипкова. Частота вращения диска 4 больше и кратна частоте вращения диска 3. Для осуществления этого условия служит блок 7 синхронизации. Кратность частот вращения равна числу строк разложения в диске 3. Фотоприемник 8 служит для приема импульсов, прошедших через диск 4, в диске 3 имеется отверстие, смещенное относительно спирали, над которым расположен фотоприемник 9, он служит для получения сигналов начала и конца измерения, т.е. формирует импульсы одного цикла (кадра) измерения.
Устройство работает следующим образом.
В основе измерения площади лежит измерение числа элементарных площадок, перекрывающих изображение измеряемой площади, которые формируются модулирующими дисками 3 и 4. Это достигается путем перпендикулярного направления сканирования. Измеряемая площадь располагается под объективом. Изображение площади проектируется в плоскость вращения модуляторов 3 и 4, которые сканируют изображение в перпендикулярном направлении. В течение времени сканирования изображения измеряемой площади первой строкой диска 3 диск 4 делает полный оборот и разбивает строку на участки, равные числу отверстий в диске 4. Затем диск 3 сканирует изображение второй строкой, а диск 4 снова делает полный оборот и разбивает сканируемую строку на те же участки.
Таким образом, изображение измеряемой площади преобразуется в световые импульсы, длина которых пропорциональна элементарным площадкам с известной площадью. Сумма этих импульсов равна величине измеряемой площади. Поступающие на вход фотоприемника 8 световые импульсы преобразуются в электрические.
После подачи напряжения питания на электрическую схему устройства диски 3 и 4 начинают вращаться. Кадровые и информационные импульсы, сформированные соответственно дисками 3 и 4, постоянно поступают на вход измерительной схемы. После расположения под объективом 1 измеряемого объекта нажимается кнопка “Пуск” 22. Сигнал от кнопки “Пуск” укорачивается в блоке 19 до величины, меньшей времени оборота диска 3, т.е. меньше времени кадра. Укороченный сигнал запоминается в триггере 17 (на выходе логическая “единица”) и поступает на первый вход элемента И 14 и инверсный вход элемента И 15. На второй прямой вход схемы И 14 и прямой вход элемента И 15 приходит импульс “Начало кадра” от фотоприемника 9, усиленный в усилителе 10 и сформированный в компараторе 12.
После прихода импульса “Начало кадра” на второй вход элемента И 14 на его выходе появляется импульс. Этот сигнал запоминается на триггере 18 (на выходе логическая “единица”) и поступает на первый вход элемента И 16.
В этот момент на выходе элемента И 15 – логический “ноль”.
После прохождения импульса “Начало кадра” на второй вход элемента И 16 приходит первый информационный импульс с фотоприемника 8, усиленный в усилителе 11 и сформированный в компараторе 13. Этот импульс через второй вход элемента И 16 поступает на вход счетчика 20 и на инверсный вход триггера 17. На выходе триггера 11 и инверсном входе элемента И 16 появляется логический “ноль”.
После прохождения всех информационных импульсов с фотоприемника 8, которые суммируются в счетчике 20, с фотоприемника 9 приходит импульс “Конец кадра”, который через усилитель 10 и компаратор 12 поступает на прямой вход элемента И 15, имеющий на инверсном входе логический “ноль” с триггера 17. На выходе элемента И 15 появляется импульс, который сбрасывает триггер 18 (на выходе логический «ноль»). На первом входе элемента И 16 устанавливается логический “ноль”. Элемент И 16 прекращает пропускать информационные импульсы и счет их прекращается. Результат счета показывает индикатор 21. Сброс показаний (обнуление счетчика) осуществляется кнопкой “Сброс” 23.
Автоматическая выборка заданных площадей осуществляется следующим образом.
Сигналы с выхода счетчика 20 поступают на входы дешифраторов 24, каждый из которых настроен на заданную площадь.
В случае соответствия текущей площади заданный сигнал с выхода дешифратора 24 через один из n-триггеров 25 поступает на индикатор 26.
Таким образом, заявляемые способ и устройство позволяют расширить функциональные возможности за счет осуществления автоматической выборки заданных площадей.
Источник информации
Авторское свидетельство СССР №1167427, кл. G01B 21/22, опубл. 15.07.85 г. (прототип).
Формула изобретения
Оптико-электронное устройство для измерения площади объекта, содержащее объектив, развертывающий элемент, два фотоприемника и схему обработки сигнала, причем развертывающий элемент выполнен в виде параллельных дисков с приводами, установленных с возможностью вращения перед фотоприемниками и содержащих отверстия, расположенные по спирали, а схема обработки сигнала выполнена в виде двух триггеров, трех элементов И, двух компараторов, счетчика, индикатора, кнопки «Пуск» и кнопки «Сброс», синхронизатора, соединенного с приводами дисков, и блока укорачивания импульса “Пуск”, вход которого соединен с выходом кнопки «Пуск», а выход которого соединен с прямым входом первого триггера, выход которого соединен с первым входом первого элемента И и инверсным входом второго элемента И, второй вход первого элемента И и прямой вход второго элемента И через первый компаратор соединены со вторым фотоприемником, связанным с вторым диском развертывающего элемента, выходы первого и второго элементов И соединены соответственно с прямым и инверсным входами второго триггера, выход которого подключен к первому входу третьего элемента И, второй вход которого через второй компаратор соединен с первым фотоприемником, связанным с первым диском, выход третьего элемента И соединен с инверсным входом первого триггера и первым входом счетчика, второй вход которого соединен с кнопкой «Сброс», а выход связан с первым индикатором, отличающееся тем, что имеет n дешифраторов, n третьих триггеров и n индикаторов, причем выход счетчика соединен с входами n дешифраторов, выходы которых через первые входы n третьих триггеров соединены с входами индикаторов, вторые входы n третьих триггеров соединены с кнопкой «Сброс».
РИСУНКИ
|
|