|
(21), (22) Заявка: 2005134473/15, 07.11.2005
(24) Дата начала отсчета срока действия патента:
07.11.2005
(43) Дата публикации заявки: 27.05.2007
(46) Опубликовано: 27.04.2008
(56) Список документов, цитированных в отчете о поиске:
JP 08108046 А, 30.04.1996. US 20020150529 А1, 17.10.2002. JP 2004011003 А, 15.01.2004. JP 2005194184 А, 21.07.2005. RU 2113270 С1, 20.06.1998. ЕР 0032827 А, 29.07.1981.
Адрес для переписки:
607188, Нижегородская обл., г. Саров, пр. Мира, 37, ФГУП “РФЯЦ-ВНИИЭФ”, начальнику ОПИНТИ
|
(72) Автор(ы):
Стеньгач Алексей Владимирович (RU), Голубева Валентина Николаевна (RU), Калачева Алена Павловна (RU), Казаковский Николай Тимофеевич (RU)
(73) Патентообладатель(и):
Российская Федерация в лице Федерального агентства по атомной энергии (RU), Федеральное государственное унитарное предприятие “Российский федеральный ядерный центр – Всероссийский научно-исследовательский институт экспериментальной физики” – ФГУП “РФЯЦ-ВНИИЭФ” (RU)
|
(54) СПОСОБ ОЧИСТКИ ГЕЛИЯ ОТ ПРИМЕСИ ИЗОТОПОВ ВОДОРОДА
(57) Реферат:
Изобретение относится к технологии очистки инертных газов от газообразных примесей. Исходную газообразную смесь подают в сорбционный блок с пористым нанодисперсным углеродом для поглощения изотопов водорода под воздействием температуры. Одновременно с этим гелий отводят из сорбционного блока. Температуру в сорбционном блоке поддерживают равной 77-80 К. После удаления гелия температуру в сорбционном блоке повышают до комнатной для десорбции изотопов водорода, предварительно соединив его с емкостью для сбора изотопов водорода. В емкости может находиться гидридообразующий сорбент, или ее соединяют с поглотительным блоком с гидридообразующим сорбентом. Изобретение позволяет повысить степень очистки гелия от примеси изотопов водорода с одновременным извлечением и улавливанием трития. 4 з.п. ф-лы, 1 ил.
Изобретение относится к технологии очистки инертных газов от газообразных примесей, а именно к технологии извлечения и компремирования изотопов водорода, содержащихся в виде примесей в газообразном гелии.
Известные способы очистки газов от изотопов водорода основываются на физических и химических методах. К физическим методам можно отнести разделение газов на мембранах из материалов, обладающих избирательной диффузионной способностью по водороду, низкотемпературную дистилляцию, адсорбцию и абсорбцию водорода на различных материалах. К химическому методу относится метод окисления изотопов водорода с последующим улавливанием образующейся воды на различных ловушках.
Известен способ удаления гелия из смеси дейтерия и трития (заявка ЕПВ №0032827, публ. 29.07.81, С01В 4/00), который заключается в каталитическом окислении изотопов водорода с последующей конденсацией окислов Н2О, D2O и Т2О. В дальнейшем окислы разлагают электролизом для получения обогащенной протием фракции. Эту фракцию дистиллируют, чтобы отделить окислы D2O и Т2О от обогащенного водой дистиллята. Конденсат со стадии дистилляции и неэлектролизованную часть смеси подвергают электролизу, чтобы получить смесь дейтерия и трития.
Данный способ позволяет получать чистый гелий, однако извлечение изотопов водорода требует больших энергозатрат и является экологически опасным.
В качестве прототипа выбран способ тонкой очистки инертных газов от газообразных примесей (Патент РФ №2113270, публ. 20.06.98, В01D 53/04). Способ заключается в том, что инертный газ, содержащий газообразные примеси (углеводороды, азот, кислород, вода, четырехфтористый углерод, окись углерода, двуокись углерода), пропускают через три реактора, наполненных губчатым титаном и находящихся при трех различных температурах: 750-800°С, 850-950°С, 350-400°С. При температуре 750-800°С в первом реакторе происходит разложение легко разрушаемых кислородсодержащих примесей (Н2О и СО2) с одновременным поглощением кислорода металлическим титаном. Во втором реакторе при температуре 850-950°С происходит поглощение азота, углерода и кислорода, образующихся в результате разложения СО и CH4. В третьем реакторе при температуре 350-400°С происходит поглощение водорода.
К недостаткам этого способа можно отнести следующее.
Во-первых, регенерация металлического титана из первого и второго реакторов невозможна вследствие образования химически и термически стойких соединений. Необходима замена титана.
Во-вторых, требуются значительные энергозатраты для поддержания необходимой температуры при прохождении газа через реактор.
В-третьих, рассмотренный способ позволяет проводить очистку инертного газа до содержания водорода (0,1-0,5)·10-4 об.%, воды – до 0,1·10-4 об.%. При загрязнении инертного газа тритием объемная активность после очистки будет составлять 1,5·10-2 Kи/л (5,6·107 Бк/л) и применение его без дозиметрического контроля невозможно из-за его радиоактивной загрязненности.
Задачей настоящего изобретения является повышение степени очистки гелия от примеси изотопов водорода (трития) с одновременным извлечением и улавливанием трития.
Технический результат, достигаемый при использовании предлагаемого способа, заключается в следующем:
– снижение концентрации трития в гелии с 1 об.% до менее 1·10-6 об.%;
– поглощение более 90% изотопов водорода гидридообразующими металлами;
– возможность регенерации сорбента изотопов водорода;
– возможность повторного использования изотопов водорода.
Для достижения указанных задачи и технического результата в способе очистки гелия от примеси изотопов водорода, включающем подачу газообразной смеси к сорбенту, способному поглощать изотопы водорода под воздействием температуры, с одновременным удалением гелия из сорбционного блока, согласно изобретению в качестве сорбента используют пористый нанодисперсный углерод, температуру которого поддерживают не выше 77-80 К. Пористый нанодисперсный углерод имеет удельную поверхность более 700 м2/г. После удаления гелия температуру в сорбционном блоке повышают до комнатной, после чего осуществляют отвод из него изотопов водорода в емкость до давления в ней 2·104-105 Па. Емкость для сбора изотопов водорода соединяют с поглотительным блоком, содержащим гидридообразующий сорбент.
Применение охлажденного до температуры 77-80 К пористого нанодисперсного углерода с удельной поверхностью более 700 м2/г позволяет адсорбировать изотопы водорода. При парциальном давлении изотопов водорода 104; 102 и 1 Па сорбционная емкость охлажденного пористого нанодисперсного углерода составляет соответственно 150; 4 и 0,4 см3/г. При повышении температуры углерода в сорбционном блоке до комнатной практически весь водород десорбируется из углерода (выделяется в газовую фазу). При соединении сорбционного блока с емкостью для сбора изотопов водорода все выделившиеся изотопы водорода эвакуируются в эту емкость. Объем емкости выбирается из условия, чтобы получать давление водорода в ней порядка 105 Па, т.е. проводить компремирование, после чего скомпремированный газ может быть поглощен гидридообразующим сорбентом в поглотительном блоке. Изотопы водорода (тритий) гораздо легче и быстрее поглощаются гидридообразующими металлами при давлении 105 Па, чем при давлении 102 Па и тем более при давлении 1 Па.
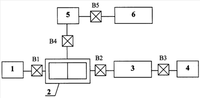
Схема установки для реализации предлагаемого способа представлена на чертеже.
Она состоит из емкости 1 с исходной газовой смесью; сорбционного блока 2 с сорбентом для поглощения изотопов водорода. В качестве сорбента используется пористый нанодисперсный углерод. Установка содержит емкость 4 для сбора гелия, соединенную с блоком 2 через перекачной насос 3. Блок 2 с сорбентом соединен с емкостью 5 для сбора изотопов водорода. Емкость 5 соединена с поглотительным блоком 6, заполненным гидридообразующим металлом. Блоки установки соединены через вакуумные вентили В1, В2, В3, В4, В5.
Исходная газовая смесь (гелий с примесью изотопов водорода) из емкости 1 через вентиль В 1 подается в предварительно охлажденный до Т=77-80 К сорбционный блок 2, содержащий пористый нанодисперсный углерод. Вентиль В4 закрыт. Через вентиль В2, перекачной насос 3 и вентиль В3 гелий перекачивается в емкость 4 для сбора гелия. После откачки газа из емкости 1 и блока 2 до давления 1 Па вентили B1, B2, В3 закрываются. Открывается вентиль В4 и температура в сорбционном блоке 2 доводится до комнатной. Выделившийся газ из сорбционного блока 2 собирается в емкость 5 для сбора изотопов водорода. Открывается вентиль В 5, и собранные в емкости 5 изотопы водорода направляются в поглотительный блок 6, в котором находится гидридообразующий металл.
Была проведена экспериментальная отработка заявляемого способа.
– Колонки, заполненные пористым нанодисперсным углеродом с удельной поверхностью 780 м2/г, активируются при температуре 800 К в течение 0,5 часа под откачкой при давлении 1·10-3 Па.
– С помощью жидкого азота температура колонок из пористого нанодисперсного углерода доводится до 77-80 К.
– Через колонки пропускается гелий при давлении 0,1 МПа до 1 об.% изотопов водорода (трития). Тритий адсорбируется на пористый нанодисперсный углерод. Гелий практически весь проходит через колонки. После прохождения газа через первую колонку содержание трития снижается до 10-2 об.%. После прохождения газа через вторую колонку содержание трития снижается до 1·10-6 об.%. Активность очищенного гелия (по тритию) составляет менее 1·106 Бк/л, что по нормам радиационной безопасности (НРБ-99) менее минимально значимой удельной активности.
– После завершения эвакуации очищенного гелия колонки нагревают до комнатной температуры. Выделившийся газ (изотопы водорода) собирают в емкость. Давление изотопов водорода может составлять до 0,1 МПа.
– Из емкости газ подается в поглотительный блок, содержащий предварительно активированные гидридообразующие металлы.
– Колонки с пористым нанодисперсным углеродом могут многократно выдерживать циклы поглощения и регенерации.
Предлагаемый способ очистки гелия от примеси изотопов водорода является экономичным, мало энергоемким и экологически безопасным и позволяет
– получить чистый гелий (примесь изотопов водорода менее 1·10-6 об.%);
– выделить и собрать более 90% изотопов водорода;
– многократно использовать сорбенты (углерод и гидридообразующие металлы).
Формула изобретения
1. Способ очистки гелия от примеси изотопов водорода, включающий подачу газообразной смеси к сорбенту, способному поглощать изотопы водорода под воздействием температуры, с одновременным удалением гелия из сорбционного блока, отличающийся тем, что в качестве сорбента используют пористый нанодисперсный углерод, температуру которого поддерживают в интервале 77-80 К.
2. Способ по п.1, отличающийся тем, что пористый нанодисперсный углерод имеет удельную поверхность более 700 м2/г.
3. Способ по п.1, отличающийся тем, что после удаления гелия температуру в сорбционном блоке повышают до комнатной.
4. Способ по п.3, отличающийся тем, что после повышения температуры в сорбционном блоке осуществляется отвод из него изотопов водорода в емкость до давления в ней 2·104-105 Па.
5. Способ по п.4, отличающийся тем, что емкость для сбора изотопов водорода соединяют с поглотительным блоком, содержащим гидридообразующий сорбент.
РИСУНКИ
|