|
|
(21), (22) Заявка: 2006124145/11, 05.07.2006
(24) Дата начала отсчета срока действия патента:
05.07.2006
(46) Опубликовано: 27.04.2008
(56) Список документов, цитированных в отчете о поиске:
US 5507183 А, 16.04.1996. US 2003/0169186 A1, 11.09.2003. RU 2169105 C1, 20.06.2001. RU 2095290 C1, 10.11.1997.
Адрес для переписки:
607220, Нижегородская обл., г. Арзамас, ул. Парковая, 1, кв.35, А.М. Павельеву
|
(72) Автор(ы):
Павельев Александр Михайлович (RU), Исаев Юрий Константинович (RU), Хавронин Иван Владимирович (RU), Мишин Андрей Юрьевич (RU), Смирнов Валерий Алексеевич (RU)
(73) Патентообладатель(и):
Павельев Александр Михайлович (RU), Исаев Юрий Константинович (RU), Хавронин Иван Владимирович (RU), Мишин Андрей Юрьевич (RU), Смирнов Валерий Алексеевич (RU)
|
(54) СПОСОБ КОНТРОЛЯ ОБЛЕДЕНЕНИЯ И УСТРОЙСТВО ДЛЯ ЕГО ОСУЩЕСТВЛЕНИЯ
(57) Реферат:
Изобретение относится к авиационной технике, в частности к технике обнаружения обледенения и измерения толщины льда на поверхности летательного аппарата. Способ включает операции вычисления периода частоты дискретизации и времени задержки для компенсации начального фазового сдвига, гармонического анализа на основе преобразования Фурье, вычисления частоты и добротности резонанса, обнаружения по этим данным обледенения, вычисления толщины льда и интенсивности обледенения. Устройство для реализации способа содержит датчик обледенения с датчиком температуры, передающим преобразователем, резонатором, приемным преобразователем и нагревательным элементом, а также блок обработки с приемопередатчиком, сигнальным процессором, усилителем мощности, синтезатором частоты, усилителем с программируемым коэффициентом усиления и ключом. Изобретение обеспечивает повышение точности, чувствительности и помехоустойчивости при обнаружении обледенения и измерении толщины льда, а также позволяет определять интенсивность обледенения. 2 н. и 3 з.п. ф-лы, 1 ил.
Изобретение относится к авиационной технике, в частности к технике обнаружения обледенения и измерения толщины льда на поверхности летательного аппарата.
Известны способ обнаружения обледенения и измерения толщины льда на поверхности самолета [1], включающий возбуждение заданными частотами и напряжениями ультразвуковых преобразователей, измерение в каждом преобразователе тока и угла фазового сдвига относительно напряжения возбуждения, вычисление импеданса передачи преобразователя на данной частоте, определение частоты, при которой импеданс имеет максимальное значение, сравнение с эталонной частотой чистой поверхности, вычисление приращения частоты, определение по этому приращению толщины накопленного льда, выдачу результатов на устройство индикации и выдачу сигнала тревоги, если толщина льда превышает заданный предел, и устройство для его осуществления, содержащее преобразователи, мультиплексор, датчик тока с АЦП, генератор ступенчатой частоты, управляемый напряжением, процессор и устройство индикации с сигнализацией.
Недостатками данного способа и устройства являются недостаточно высокая точность измерения, поскольку не учитываются температурные погрешности преобразователей, недостаточно высокая помехоустойчивость, поскольку не учитываются вибрационные погрешности, низкая достоверность информации, поскольку не учитываются естественные загрязнения поверхности, например вода, кроме того, ограниченная область применения, поскольку отсутствует система сброса льда с преобразователей.
Наиболее близкими являются способ обнаружения и определения типа осаждения на внешней поверхности конструкции [2], включающий формирование и передачу ультразвукового импульса на контактную поверхность блока линии задержки, автоподстройку коэффициента усиления при приеме эхосигнала, образованного на контактной поверхности, измерение амплитуды и фазы эхосигнала, измерение временного интервала между первым пиком эхосигнала, полученного от контактной поверхности и первым пиком любого дополнительного эхосигнала, измерение температуры для компенсации температурных погрешностей, сравнение амплитуды и фазы этого эхосигнала с амплитудой и фазой импульса возбуждения или с амплитудой и фазой опорного эхосигнала, полученного от чистой контактной поверхности, определение по этим данным типа осаждения и вычисление его толщины, и устройство для его реализации, включающее датчик, содержащий блок линии задержки, в котором установлены датчик температуры, передающий и приемный преобразователи и блок обработки, содержащий усилитель с программируемым коэффициентом усиления, два усилителя с фиксированными коэффициентами усиления, два ключа, АЦП, ОЗУ типа ФИФО, микропроцессор и задающий генератор.
Недостатками данного способа и устройства являются низкие точность, чувствительность и помехоустойчивость, так как временной интервал, по которому определяется толщина льда, достаточно мал, а точность его измерения определяется быстродействием АЦП и длительностью передаваемого импульса, поскольку при определенной толщине льда эхосигналы от контактной поверхности и кромки льда складываются, поэтому выделить первый пик эхосигнала, отраженного от кромки льда, невозможно, кроме того, ограниченная область применения, поскольку отсутствует система сброса льда с датчика, ограниченные функциональные возможности, поскольку не определяется интенсивность обледенения.
Цель изобретения – повышение точности и помехоустойчивости, а также расширение области применения и функциональных возможностей.
Поставленная цель достигается тем, что в способе обнаружения обледенения и измерения толщины льда, включающем возбуждение передающего преобразователя, измерение амплитуды выходного сигнала приемного преобразователя с автоподстройкой коэффициента усиления при его приеме, измерение температуры для компенсации температурных погрешностей, согласно изобретению осуществляют непрерывное возбуждение гармонических колебаний передающего преобразователя, кроме того, дополнительно формируют выборку измеренных на периоде частоты возбуждения значений выходного сигнала приемного преобразователя, нормируют данные в выборке, производят по ним контроль уровня помех и вычисляют коэффициенты преобразования Фурье для первой гармоники сигнала, по которым вычисляют значения тангенса угла фазового сдвига выходного сигнала приемного преобразователя относительно сигнала возбуждения, по тангенсу угла фазового сдвига осуществляют поиск зоны резонанса путем сканирования частоты возбуждения, а в зоне резонанса по тангенсу угла фазового сдвига осуществляют захват и удержание частоты резонанса путем фазовой автоподстройки частоты возбуждения, производят сравнение частоты резонанса с эталонной частотой, определяя приращение частоты резонанса, осуществляют допусковый контроль этого приращения, при отрицательном результате контроля приращения производят поиск частот резонансов с заданными фазовыми сдвигами путем фазовой автоподстройки частоты возбуждения, по частотам резонансов с заданными фазовыми сдвигами вычисляют добротность резонанса, осуществляя допусковый контроль добротности резонанса определяют тип осаждения, в случае льда по приращению частоты резонанса вычисляют толщину осажденного льда, а по толщине льда вычисляют интенсивность обледенения за такт работы, выдавая при этом соответствующую информацию, при критической толщине льда включают обогрев датчика для сброса льда, который контролируют по приращению частоты резонанса, ограничивая при этом температуру и время обогрева.
Кроме того, при измерении амплитуды выходного сигнала дополнительно осуществляют вычисление времени задержки и времени дискретизации, по которым компенсируют начальный фазовый сдвиг выходного сигнала приемного преобразователя относительно сигнала возбуждения и синхронизируют измерения в выборке, а при автоподстройке коэффициента усиления дополнительно осуществляют допусковый контроль измеренного сигнала для всех замеров в выборке на данном периоде сигнала возбуждения, при отрицательном результате контроля любого замера уменьшают коэффициент усиления в следующих замерах на заданный шаг до положительного результата для всех замеров в выборке, а если это не выполняется при минимальном коэффициенте усиления, фиксируют неисправность, выдавая ее соответствующим кодом.
А в устройстве для обнаружения обледенения и измерения толщины льда, состоящем из датчика обледенения и блока обработки, содержащего сигнальный процессор, соединенный соответствующей шиной интерфейса с усилителем с программируемым коэффициентом усиления, к входу которого подключен выход датчика обледенения, усилитель мощности и ключ, согласно изобретению дополнительно введены приемопередатчик и синтезатор частоты, причем синтезатор частоты шиной интерфейса соединен с сигнальным процессором, первый выход синтезатора частоты соединен с соответствующим входом сигнального процессора, а его второй выход через усилитель мощности подключен к входу датчика обледенения, кроме того, вход нагревательного элемента датчика обледенения подключен через ключ к соответствующему выходу сигнального процессора, а выход контроля температуры датчика обледенения соединен соответствующей шиной интерфейса с сигнальным процессором, к входу АЦП которого подключен выход усилителя с программируемым коэффициентом усиления, при этом сигнальный процессор соединен соответствующим интерфейсом с приемопередатчиком, вход/выход которого является входом/выходом устройства.
Кроме того, в датчик обледенения, содержащий приемный преобразователь, выход которого является выходом датчика обледенения, передающий преобразователь, вход которого является входом датчика обледенения, и датчик температуры, выход которого является выходом контроля температуры датчика обледенения, дополнительно введены резонатор в виде ультразвукового концентратора и нагревательный элемент, причем приемный и передающий преобразователи, а также датчик температуры механически присоединены к основанию резонатора, а нагревательный элемент встроен в корпус резонатора, причем вход нагревательного элемента является соответствующим входом датчика обледенения.
Таким образом, введение новых действий и операций, а также новых связей и элементов позволило существенно повысить точность, чувствительность и помехоустойчивость за счет гармонического анализа на основе преобразования Фурье, определение интенсивности обледенения – расширить функциональные возможности, а введение обогрева для сброса накопленного льда – область применения.
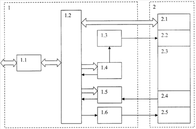
Сущность изобретения поясняется чертежом, на котором представлена блок-схема устройства.
Устройство для реализации предложенного способа содержит блок 1 обработки и датчик 2 обледенения, при этом блок 1 обработки содержит приемопередатчик 1.1, сигнальный процессор 1.2, усилитель 1.3 мощности, программируемый синтезатор 1.4 частоты, усилитель 1.5 с программируемым коэффициентом усиления, ключ 1.6, а датчик 2 обледенения содержит датчик 2.1 температуры, передающий преобразователь 2.2, резонатор 2.3, приемный преобразователь 2.4 и нагревательный элемент 2.5.
Сигнальный процессор 1.2 соединен соответствующими шинами интерфейса с усилителем 1.5 с программируемым коэффициентом усиления, к входу которого подключен выход приемного преобразователя 2.4, и синтезатором 1.4 частоты, первый выход которого соединен с соответствующим входом сигнального процессора 1.2, а его второй выход через усилитель 1.3 мощности подключен к входу передающего преобразователя 2.2, механически прикрепленного к основанию резонатора 2.3, к которому также механически прикреплен приемный преобразователь 2.4, причем в резонатор 2.3 встроен нагреватель 2.5, подключенный через ключ 1.6 к соответствующему выходу сигнального процессора 1.2. Кроме того, датчик 2.1 температуры встроен в основание резонатора 2.3 и соединен соответствующей шиной интерфейса с сигнальным процессором 1.2, к входу АЦП которого подключен выход усилителя 1.5 с программируемым коэффициентом усиления, при этом сигнальный процессор 1.2 соединен соответствующим интерфейсом с приемопередатчиком 1.1, вход/выход которого является входом/выходом устройства.
Приемопередатчик 1.1 может быть типа МАХ233, сигнальный процессор 1.2 может быть типа DSP56F801, усилитель 1.3 мощности можно выполнить на операционном усилителе общего применения, программируемый синтезатор 1.4 частоты может быть типа AD9834, усилитель 1.5 с программируемым коэффициентом усиления может быть типа MCP6S21, ключ 1.6 может быть выполнен на твердотельном реле типа ASO241, датчик 2.1 температуры может быть типа DS18B20, передающий 2.2 и приемный 2.4 преобразователи могут быть выполнены на пьезокерамических кольцах типа ЦТС – 19, резонатор 2.3 может быть выполнен в виде ультразвукового концентратора из элинварного сплава, к основанию которого механически прикреплены передающий 2.2 и приемный 2.4 преобразователи, а также датчик 2.1 температуры, в резонатор 2.3 встроен нагреватель 2.5, который может быть выполнен из нихромовой ленты с печатной обмоткой.
Данный способ основан на изменении резонансной частоты резонатора 2.3 в зависимости от присоединенной массы и на изменении добротности резонанса в зависимости от вязкости присоединенной массы за счет изменения демпфирования и базируется на преобразовании Фурье с применением цифрового вычислителя, работающего в реальном масштабе времени.
Предлагаемый способ имеет два режима работы, а именно режим поиска зоны резонанса и режим захвата и удержания частоты резонанса, которые включают следующую последовательность действий и операций:
– В режиме поиска зоны резонанса производят инициализацию синтезатора 1.4 частоты, обеспечивая формирование на его втором выходе синусоидального сигнала возбуждения с частотой fi=fmin[c-1] и фазой i=0[рад], где fmin – минимальное значение частоты определяется максимально допустимой измеряемой толщиной льда, а на его первом выходе – меандра для синхронизации с фронтами, совпадающими с нулевыми значениями кода ЦАП синтезатора 1.4 частоты, формирующего этот синусоидальный сигнал.
– Производят инициализацию усилителя 1.5, обеспечивая коэффициент усиления ki=kmax, где kmax – максимальный коэффициент усиления, который определяется из условия, что при максимально допустимом слое льда, то есть при минимальном уровне входного сигнала на резонансе и с помехой максимально допустимого уровня, обеспечивается заданная точность измерения.
– Вычисляют период Td i дискретизации для синхронизации в выборке замеров выходного сигнала с приемного преобразователя 2.4 на периоде частоты возбуждения, как Тd i=1/4fi[c], и записывают его код в первый таймер сигнального процессора 1.2, далее запускают сторожевой таймер сигнального процессора 1.2 на время t=2/fmin[с].
– Вычисляют время задержки i в выборке для компенсации угла начального фазового сдвига 0 выходного сигнала с приемного преобразователя 2.4 относительно сигнала возбуждения по формуле i=(2 – 0)/2 fi [с] и производят запись его кода во второй таймер сигнального процессора 1.2.
– Формируют выборку выходного сигнала с приемного преобразователя 2.4 на периоде частоты возбуждения, для этого по фронту 0/1 каждого сигнала с первого выхода синтезатора 1.4 частоты запускают второй таймер сигнального процессора 1.2, по прерыванию которого осуществляют первый запуск АЦП и запуск первого таймера сигнального процессора 1.2, далее запуск АЦП и перезапуск первого таймера производят по прерыванию первого таймера три раза, осуществляя тем самым задержку и синхронизацию четырех замеров выборки на периоде сигнала возбуждения, кроме того, по этому фронту перезапускают сторожевой таймер сигнального процессора 1.2, а если этого фронта не будет за время t, то по прерыванию сторожевого таймера фиксируют неисправность, выдавая ее соответствующим кодом.
– По прерыванию АЦП сигнального процессора 1.2 производят чтение его кода Uj i, где j=0, 1, 2, 3 – номер замера в выборке.
– Регулировку коэффициента усиления производят по выполнению условия для всех замеров в выборке, где nmax – максимальное значение кода АЦП сигнального процессора 1.2. При отрицательном результате контроля любого замера в выборке определяют коэффициент усиления в следующем замере выборки по формуле ki+1=ki– 0, где 0 – заданный шаг. Производят вышеперечисленные действия до тех пор, пока не будет выполняться это условие для всех четырех замеров выборки. Если это условие не выполняется при ki+1=kmin, фиксируют неисправность, выдавая ее соответствующим кодом, где kmin – минимальный коэффициент усиления, который определяется из условия, что при отсутствии обледенения, то есть при максимальной амплитуде выходного сигнала на резонансе и с помехой максимально допустимого уровня, обеспечивается заданная точность измерения.
– Осуществляют нормирование, вычисляя коэффициент нормирования kn i по формуле kn i=kmin/ki и формируя нормированные данные Nj i=kn iUj i.
– Производят численным методом преобразование Фурье, вычисляя из этих данных коэффициенты постоянной составляющей – а0 i и амплитуды – а1 i, в1 i первой гармоники входного сигнала по формулам
а0 i=(N0 i+N1 i+N2 i+N3 i)/4,
a1 i=(N0 i-N2 i)/2,
в1 i=(N1 i-N3 i)/2.
– Осуществляют контроль уровня помех. По условиям и , где 1 – заданный допуск определяется необходимой точностью измерения, производят контроль уровня высокочастотной или импульсной помехи, при отрицательном результате контроля любого условия запускают сторожевой таймер на время tв, где tв определяется максимально допустимым временем действия высокочастотной помехи, и повторяют цикл измерения на данной частоте возбуждения, начиная с ki=kmax, до выполнения данного условия, после чего сбрасывают сторожевой таймер, а если это условие не выполняется за это время tв, то по прерыванию сторожевого таймера фиксируют отказ, выдавая его соответствующим кодом.
В противном случае, по условию , где 2 – заданный допуск определяется необходимой точностью измерения, производят контроль уровня низкочастотной помехи, при отрицательном результате контроля запускают сторожевой таймер на время tn, где tn определяется максимальным периодом допустимой низкочастотной помехи, и повторяют цикл измерения на данной частоте возбуждения, начиная с ki=kmax до выполнения данного условия, после чего сбрасывают сторожевой таймер, а если это условие не выполняется за это время tn, то по прерыванию сторожевого таймера фиксируют отказ, выдавая его соответствующим кодом.
В противном случае, по условиям и , где 3 – заданный допуск определяется уровнем случайной составляющей входного сигнала, производят контроль наличия синхронной помехи, при положительном результате контроля обоих условий производят перепрограммирование синтезатора 1.4 частоты, обеспечивая формирование на данной частоте сигнала возбуждения с фазой i+1= [рад], и повторяют цикл измерения, начиная с ki=kmax, при повторном аналогичном результате фиксируют неисправность, выдавая ее соответствующим кодом, отрицательный результат контроля любого условия говорит об отсутствии помехи данного вида.
– Повторяют цикл измерения, на данной частоте возбуждения заданное количество тактов, которое определяется постоянными времени резонатора 2.3, фиксируют значения fi, i и вычисляют среднее значение A1 i и B1 i коэффициентов a1 i и в1 i, формируя соответствующие элементы массивов МА i, МВ i, Mf i и М i.
– Осуществляют сканирование частоты возбуждения, производя перепрограммирование синтезатора 1.4 частоты и обеспечивая выдачу следующей частоты возбуждения fi+1=fi+ 4 [с-1] и фазой i+1=0 [рад], где 4 – заданная величина приращения определяется постоянными времени резонатора 2.4, и повторяют цикл измерения на данной частоте возбуждения, начиная с ki+1=kmax, формируя следующие элементы массивов и так далее до fi+1=fmax.
– Производят поиск зоны резонанса, осуществляя обработку полученных массивов, определяя fi и i, при которых коэффициент B1 i имеет максимальное значение, при этом осуществляют проверку угла фазового сдвига выходного сигнала приемного преобразователя 2.4 относительно сигнала возбуждения, вычисляя значение тангенса угла фазового сдвига по формуле tg i=A1 i/B1 i и контролируя его на попадание в зону резонанса по выполнению условия , где 5 – заданный допуск определяется постоянными времени резонатора 2.3, при отрицательном результате контроля исключаются элементы массива, соответствующие зафиксированной частоте возбуждения fi, и определяется следующее значение частоты возбуждения fi+1, при которой коэффициент B1 i+1 имеет максимальное значение и так далее до получения положительного результата, после чего переходят в следующий режим работы.
В режиме захвата и удержания частоты резонанса осуществляют перепрограммирование синтезатора 1.4 частоты, обеспечивая выдачу им сигнала возбуждения с определенной в предыдущем пункте частотой fi и фазовым сдвигом i, аналогичным образом осуществляя выше перечисленные операции, получают соответствующие коэффициенты A1 i и B1 i и вычисляют текущее значение фазового сдвига tg i, по которому осуществляют фазовую автоподстройку частоты возбуждения, по знаку фазового сдвига tg i определяя направление и формируя следующее значение частоты возбуждения fi+1 по пропорциональному закону управления до выполнения условия , где 6 – заданный допуск определяется необходимой точностью измерения, при этом на такте i работы дополнительно производят следующее:
– Осуществляют заданное количество измерений частоты резонанса, которое определяется необходимой точностью измерения.
– Вычисляют среднее значение Fi частоты резонанса, а по температуре ti° [°C] датчика 2.1 вычисляют температурную поправку и производят компенсацию температурной погрешности среднего Fi значения частоты резонанса.
– Производят сравнение частоты резонанса с эталонной частотой, вычисляют приращение i F частоты резонанса по формуле i F=F0 i-Fi[c-1], где F0 i – эталонная частота резонанса чистого датчика.
– Контролируют знак i F, при отрицательной величине эталонной частоте резонанса присваивают значение F0 i+1=Fi, поскольку присоединенная к резонатору 2.3 масса может только уменьшить частоту резонанса.
– При положительном знаке контролируют величину i F по условию i F 7, где 7 – заданный допуск определяется необходимой точностью измерения, положительный результат говорит об отсутствии загрязнения.
– При отрицательном результате контроля вышеуказанного условия контролируют температуру t1° ti° t2°, где t1°, t2° – температуры зоны возможного обледенения, при отрицательном результате контроля фиксируется загрязнение и эталонной частоте резонанса присваивают значение F0 i+1=Fi.
– При положительном результате контроля вышеуказанного условия осуществляют поиск резонансных частот с фазовыми сдвигами – 45° и 45°, формируя для этого следующие значение частоты возбуждения fi+1 по пропорциональному закону управления до выполнения условий обеспечения данных фазовых сдвигов -1- 6 tg i -1+ 6 и соответственно 1- 6 tg i 1+ 6, присваивая резонансной частоте с фазовым сдвигом – 45° значение f1, а резонансной частоте с фазовым сдвигом 45° значение f2.
– Поочередно программируют синтезатор 1.2 частоты для генерирования частот возбуждения с частотами fi=f1 или fi=f2 и, производя на каждой частоте заданное количество измерений, которое определяется необходимой точностью измерения, вычисляют их средние значения F1 i и F2 i соответственно.
– По температуре датчика 2.1 производят компенсацию температурных погрешностей средних значений F1 i и F2 i.
– Вычисляют частоту Fi резонанса по формуле Fi=(F1 i+F2 i)/2 [с-1].
– Вычисляют добротность qi резонанса по формуле qi=Fi/(F1 i-F2 i).
– Контролируя выполнение условия q1i2, где q1 и q2 – добротности резонансов резонатора 2.3 при осаждении на нем заданного количества воды и льда соответственно определяются заданной чувствительностью к присоединенной массе, положительный результат говорит о том, что на резонаторе 2.3 смесь воды и льда и эталонной частоте резонанса присваивают значение F0 i+1=F0 i.
– При отрицательном результате контроля вышеуказанного условия контролируют выполнения условия qi>q2, отрицательный результат говорит об осаждении на резонаторе 2.3 воды.
– Положительный результат контроля вышеуказанного условия говорит об осаждении на резонаторе 2.3 льда, при этом вычисляют толщину льда по формуле hi=kh i F+h0 [m], где kh, h0 – константы преобразования.
– Вычисляют интенсивность обледенения по формуле Ii=(hi-hi-1)/ [m/с], где – заданный такт работы, и выдают сигнал о наличие обледенения, информацию о толщине льда и интенсивности обледенения.
– Контролируют толщину льда, проверяя выполнения условия hi hk, где hk – максимально допустимый слой льда, при положительном результате включая обогрев датчика для сброса льда, который контролируют по приращению частоты резонанса, ограничивая при этом температуру и время обогрева.
Устройство, реализующее данный способ, работает следующим образом. При включении питания происходит инициализация сигнального процессора 1.2, то есть начинает выполняться соответствующая программа, которая производит сброс соответствующих регистров, сброс ячеек памяти ОЗУ в ноль, маскирование соответствующих прерываний, программирование портов ввода/вывода и регистров управления и тому подобное.
Далее сигнальный процессор 1.2 инициализирует синтезатор 1.4 частоты, записывая в его регистры управления и регистры частоты и фазы соответствующие коды по соответствующим линиям связи шины интерфейса, при этом на втором выходе синтезатора 1.2 частоты формируется синусоидальный сигнал частоты возбуждения, который через усилитель 1.3 мощности подается на вход передающего преобразователя 2.2, а на его первом выходе формируется меандр с фронтами, соответствующими переходам через ноль синусоидального сигнала, и этот меандр по соответствующей линии связи подается на соответствующий вход сигнального процессора 1.2, осуществляющего синхронизацию процесса измерения по фронту 0/1 этого меандра путем запуска встроенного АЦП в определенные моменты времени. Кроме того, сигнальный процессор 1.2 контролирует с помощью сторожевого таймера период этого меандра, выдавая соответствующий код неисправности при его отсутствии, затем сигнальный процессор 1.2 инициализирует усилитель 1.5 с программируемым коэффициентом усиления, вход которого соединен с выходом приемного преобразователя 2.4, а выход через соответствующую линию связи подключен к входу АЦП сигнального процессора 1.2, записывая в него по линиям связи шины интерфейса соответствующие коды и устанавливая максимальный коэффициент усиления, после чего сигнальный процессор 1.2 приступает к инициализации датчика 2.3 температуры, аналогично записывая в него по шине интерфейса соответствующие коды, завершая тем самым инициализацию всего устройства. После чего сигнальный процессор 1.2 приступает к выполнению программы реализующей вышеизложенный способ, выдавая результаты по интерфейсу RS – 232 через приемопередатчик 1.1 на выход устройства.
Формат сообщения по интерфейсу RS – 232 следующий:
– первый байт – байт контроля, где в соответствующих битах указаны признаки обледенения, загрязнения, осаждения воды, кроме того, коды выявленных неисправностей;
– второй байт – байт толщины льда;
– третий байт – байт интенсивности обледенения;
– четвертый байт – младший байт значения температуры;
– пятый байт – старший байт значения температуры;
– шестой байт – байт контрольной суммы.
Таким образом, введение новых действий и операций, а также новых связей и элементов позволило существенно повысить точность, чувствительность и помехоустойчивость как за счет измерения при максимально возможном входном сигнале, так и за счет гармонического анализа на основе преобразования Фурье, определение интенсивности обледенения – расширить функциональные возможности, а введение обогрева для сброса накопленного льда – область применения.
Источники информации
1. Патент США на изобретение №6731225 B2, МПК G08B 21/00, 04.05.2004.
2. Патент США на изобретение №5507183, МПК G01N 29/20, 16.04.1996 (прототип).
Формула изобретения
1. Способ контроля обледенения, включающий возбуждение передающего преобразователя, измерение амплитуды выходного сигнала приемного преобразователя с автоподстройкой коэффициента усиления при его приеме, измерение температуры для компенсации температурных погрешностей, отличающийся тем, что осуществляют непрерывное возбуждение гармонических колебаний передающего преобразователя, формируют выборку измеренных на периоде частоты возбуждения значений выходного сигнала приемного преобразователя, нормируют данные в выборке, производят по ним контроль уровня помех и вычисляют коэффициенты преобразования Фурье для первой гармоники сигнала, по которым вычисляют значения тангенса угла фазового сдвига выходного сигнала приемного преобразователя относительно сигнала возбуждения, по тангенсу угла фазового сдвига осуществляют поиск зоны резонанса путем сканирования частоты возбуждения, а в зоне резонанса по тангенсу угла фазового сдвига осуществляют захват и удержание частоты резонанса путем фазовой автоподстройки частоты возбуждения, производят сравнение частоты резонанса с эталонной частотой, определяют приращение частоты резонанса, осуществляют допусковый контроль этого приращения, при отрицательном результате контроля приращения производят поиск частот резонансов с заданными фазовыми сдвигами путем фазовой автоподстройки частоты возбуждения, по частотам резонансов с заданными фазовыми сдвигами вычисляют добротность резонанса, осуществляют допусковый контроль добротности резонанса и определяют тип осаждения, в случае льда по приращению частоты резонанса вычисляют толщину осажденного льда, а по толщине льда вычисляют интенсивность обледенения за такт работы и выдают соответствующую информацию, при критической толщине льда включают обогрев датчика для сброса льда, который контролируют по приращению частоты резонанса, при этом ограничивают температуру и время обогрева.
2. Способ по п.1, отличающийся тем, что при измерении амплитуды выходного сигнала приемного преобразователя дополнительно осуществляют вычисление времени задержки и времени дискретизации, по которым компенсируют начальный фазовый сдвиг выходного сигнала приемного преобразователя относительно сигнала возбуждения и синхронизируют измерения в выборке.
3. Способ по п.1, отличающийся тем, что при автоподстройке коэффициента усиления дополнительно осуществляют допусковый контроль измеренного сигнала для всех замеров в выборке на данном периоде сигнала возбуждения, при отрицательном результате контроля любого замера уменьшают коэффициент усиления в следующих замерах на заданный шаг до положительного результата для всех замеров в выборке, если это не выполняется при минимальном коэффициенте усиления, фиксируют неисправность соответствующим кодом.
4. Устройство для контроля обледенения, состоящее из датчика обледенения и блока обработки, содержащего сигнальный процессор, соединенный соответствующей шиной интерфейса с усилителем с программируемым коэффициентом усиления, к входу которого подключен выход датчика обледенения, усилитель мощности и ключ, отличающееся тем, что в блок обработки дополнительно введены приемопередатчик и синтезатор частоты, причем синтезатор частоты шиной интерфейса соединен с сигнальным процессором, первый выход синтезатора частоты соединен с соответствующим входом сигнального процессора, а его второй выход через усилитель мощности подключен к входу для возбуждения датчика обледенения, вход для нагревания датчика обледенения подключен через ключ к соответствующему выходу сигнального процессора, а выход контроля температуры датчика обледенения соединен соответствующей шиной интерфейса с сигнальным процессором, к входу АЦП которого подключен выход усилителя с программируемым коэффициентом усиления, при этом сигнальный процессор соединен соответствующим интерфейсом с приемопередатчиком, вход/выход которого является входом/выходом устройства.
5. Устройство по п.4, отличающееся тем, что в датчик обледенения, содержащий приемный преобразователь, выход которого является выходом датчика обледенения, передающий преобразователь, вход которого является входом для возбуждения датчика обледенения, и датчик температуры, выход которого является выходом контроля температуры датчика обледенения, дополнительно введены резонатор в виде ультразвукового концентратора и нагревательный элемент, причем приемный и передающий преобразователи, а также датчик температуры механически присоединены к основанию резонатора, а нагревательный элемент встроен в корпус резонатора, причем вход нагревательного элемента является входом для нагревания датчика обледенения.
РИСУНКИ
|
|