|
|
(21), (22) Заявка: 2006133239/11, 15.09.2006
(24) Дата начала отсчета срока действия патента:
15.09.2006
(46) Опубликовано: 27.04.2008
(56) Список документов, цитированных в отчете о поиске:
RU 2183566 С2, 20.06.2002. RU 2008230 C1, 28.02.1994. US 6440032 В1, 27.08.2002. US 6805648 В1, 19.10.2004.
Адрес для переписки:
625000, г.Тюмень, ул. Володарского, 38, ТюмГНГУ, патентно-информационный отдел
|
(72) Автор(ы):
Некрасов Владимир Иванович (RU)
(73) Патентообладатель(и):
Государственное образовательное учреждение высшего профессионального образования “Тюменский государственный нефтегазовый университет” (RU)
|
(54) ВОСЬМИСТУПЕНЧАТАЯ ВАЛЬНОПЛАНЕТАРНАЯ КОРОБКА ПЕРЕДАЧ
(57) Реферат:
Изобретение относится к области автотранспортного машиностроения. Коробка передач содержит соосные входной, первичный и вторичный валы, параллельный им промежуточный вал, двухпозиционную сдвоенную муфту, состоящую из двух полумуфт одностороннего действия, взаимосвязанных вилкой переключения, муфту переключения, установленную на зубчатом венце входного вала, и муфту переключения, установленную на венце выходного вала. На вторичном валу коробки передач установлен простой трехзвенный планетарный механизм. Это позволяет расширить эксплуатационные возможности транспортного средства за счет увеличения числа передач и диапазона коробки передач. 2 ил.
Изобретение относится к транспортному машиностроению, к трансмиссии транспортных машин.
Наиболее близкой к предлагаемой восьмиступенчатой коробке передач (КП) является трехвальная соосная КП 4R4 (четыре передачи переднего хода и четыре передачи заднего хода) по патенту RU 2183566, В60К 17/08 (20.06.02, Бюл. №17).
КП состоит из корпуса, в опорах которого соосно установлены входной вал, первичный вал, вторичный вал и выходной вал. Параллельно соосным валам размещен промежуточный вал (ось). На первичном валу одна шестерня закреплена, а другая шестерня установлена свободно, обе шестерни зацеплены с блоком шестерен, свободно установленных на промежуточном валу. Еще две шестерни объединены в блок и свободно установлены на промежуточном валу. Одна шестерня этого блока зацеплена с шестерней, которая закреплена на вторичном валу, вторая шестерня этого блока через дополнительную шестерню заднего хода зацеплена с шестерней, которая свободно установлена на вторичном валу. Трубчатые валы соединяют шестерни, свободно установленные на первичном и вторичном валах, с зубчатыми венцами муфт переключения, рядом с ними закреплены зубчатые венцы первичного и вторичного валов. Трехпозиционные муфты переключения установлены на зубчатых венцах входного и выходного валов. Двухпозиционная сдвоенная муфта состоит из двух муфт, одна муфта установлена на зубчатом венце шестерни вторичного вала, а другая муфта установлена на зубчатом венце шестерни промежуточного вала, муфты взаимосвязаны вилкой переключения.
КП по патенту 2183566 менее металлоемка по сравнению с КП традиционной компоновки: для 4-х передач переднего хода используется только 6 шестерен вместо 8, трехпозиционные муфты переключения вынесены за пределы редуктора, что уменьшает его габариты и металлоемкость, но она имеет ограниченный диапазон, число передач недостаточно для современных транспортных средств.
Задачей изобретения является расширение эксплуатационных возможностей транспортных средств за счет увеличения числа передач и диапазона КП.
Технический результат достигается за счет применения простого трехзвенного планетарного механизма (ПМ), работающего в трех режимах: Uh ab=-К; Ub ah=K+1; U=1,0. Верхний символ указывает на остановленное звено, например, эпициклическое колесо – b, нижние символы – на звенья входа (а – солнечная шестерня) и выхода (h – водило) крутящего момента, К – внутренний параметр ПМ, равный отношению чисел зубьев эпициклического колеса и солнечной шестерен.
Достижение технического результата обеспечивается тем, что восьмиступенчатая вальнопланетарная коробка передач содержит корпус с соосно размещенными в нем входным, первичным, вторичным и выходным валами, параллельно первичному и вторичному валам установлен промежуточный вал, между входным и выходным валами расположены три пары зацепленных шестерен, на промежуточном валу свободно установлен блок из двух шестерен, зацепленных с шестернями первичного вала, на первичном валу одна шестерня закреплена, вторая закреплена на трубчатом валу аксиальном первичному валу, эти валы имеют зубчатые муфты, на входном и выходном валах установлены трехпозиционные муфты переключения, в средней части агрегата расположена двухпозиционная сдвоенная муфта, состоящая из двух противоположно развернутых муфт одностороннего действия, взаимосвязанных вилкой переключения, одна муфта установлена на зубчатом венце шестерни первичного вала, а другая муфта установлена напротив первой муфты на зубчатом венце шестерни промежуточного вала, на выходе вторичного вала закреплена солнечная шестерня простого трехзвенного планетарного механизма, водило и корпус эпициклического колеса имеют зубчатые венцы, расположенные рядом с зубчатым венцом корпуса, трубчатый вал корпуса эпициклического колеса, вал водила и выходной вал имеют рядом расположенные зубчатые венцы, зубчатый венец вала водила двухпозиционный, муфта переключения на зубчатом венце выходного вала имеет три внутренних зубчатых венца, на ползуне муфты переключения жестко закреплен зубчатый венец с внутренним и внешним зацеплениями, внешнее зацепление которого связано с трехпозиционным зубчатым венцом корпуса агрегата.
Предлагаемое техническое решение позволяет расширить эксплуатационные возможности транспортного средства за счет увеличения числа передач и диапазона при уменьшении габаритов и металлоемкости вального редуктора путем исключения из конструкции шестерен заднего хода и работы ПМ в трех режимах, в том числе в режиме заднего хода.
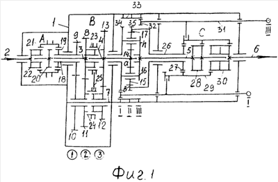
На фиг.1 изображена кинематическая схема восьмиступенчатой вальнопланетарной КП 8R4. Под фигурой обозначены пары шестерен внешнего зацепления: 1, 2 и 3.
На фиг.2 приведена лучевая диаграмма КП 8R4 с таблицами положения муфт переключения на различных передачах.
На горизонтальных шкалах диаграммы в логарифмическом виде приведены величины передаточных чисел пар шестерен и передач. Над верхней шкалой обозначены передачи переднего хода: 8-1, под нижней шкалой – передачи заднего хода: 4R-1R. Верхняя и нижняя горизонтали соответствуют величинам передаточных чисел в логарифмическом масштабе, причем на нижней горизонтали в правой части шкалы – на выходном валу, в левой – на промежуточном валу, средняя горизонталь, слева т.0 – на первичном валу, правее – на вторичном валу. Наклон луча направо указывает на замедляющий режим работы пары шестерен, чем больше наклон, тем больше передаточное число. Наклон луча налево характеризует ускоряющий режим работы пары шестерен. На любом участке лучевой диаграммы наклон луча постоянный для каждой пары шестерен.
В опорах корпуса КП 1 (см. фиг.1) соосно установлены входной вал 2, первичный вал 3, вторичный вал 4, вал водила 5 и выходной вал 6. Параллельно валам 3 и 4 размещен промежуточный вал (ось) 7. На первичном валу 3 закреплена шестерня 8 и свободно установлена шестерня 9, которые зацеплены с блоком шестерен 10 и 11, свободно установленных на промежуточном валу 7, рядом с ними свободно установлена шестерня 12, которая зацеплена с шестерней 13, закрепленной на вторичном валу 4. На вторичном валу 4 также закреплена солнечная шестерня 14 (а) планетарного механизма, которая находится в зацеплении с сателлитами 15, установленными на осях водила 16 (h), закрепленного на валу 5. Сателлиты 15 находятся в зацеплении с эпициклическим колесом 17 (b). Трубчатый вал 18 соединяет шестерню 9 с зубчатым венцом 19, рядом с ним на первичном валу 3 закреплен другой зубчатый венец 20. Трехпозиционная муфта переключения А (21) установлена на зубчатом венце 22 входного вала 2. Двухпозиционная сдвоенная муфта В состоит из двух муфт: муфта 23 установлена на зубчатом венце шестерни 8 первичного вала 3, а муфта 24 – на зубчатом венце шестерни 12 промежуточного вала 7, муфты взаимосвязаны вилкой переключения 25. Трубчатый вал 26 соединяет эпициклическое колесо 17 с зубчатым венцом 27, рядом с ним расположен двухпозиционный зубчатый венец 28, который закреплен на валу водила 5. Трехпозиционная муфта С (29) с тремя внутренними зубчатыми венцами установлена на зубчатом венце 30 выходного вала 6 и подвижно соединена с ползуном 31, на котором закреплен зубчатый венец 32 с внутренним и наружным зацеплениями. Наружное зацепление зубчатого венца 32 взаимодействует с трехпозиционным зубчатым венцом 33 корпуса агрегата 1, напротив него располагаются зубчатый венец 34 водила 16 и зубчатый венец 35 эпициклического колеса 17.
Допускается другое расположение муфт: муфта 23 на зубчатом венце шестерни 13, а муфта 24 на зубчатом венце шестерни 11. Вместо муфты А (21) возможна установка фрикционной муфты переключения передач.
Работа КП осуществляется следующим образом:
Нейтральное состояние (КП не передает крутящий момент) обеспечивается трехпозиционной муфтой А (21) в среднем положении.
1-я передача
Муфта А находится в правом положении (П), муфта В – в левом (Л), планетарный механизм (ПМ) в положении II – Ub ah=К+1 (см. фиг.2, таблица вверху справа).
Крутящий момент (см. фиг.1) от входного вала 2 муфтой А (21) передается на зубчатый венец 19, трубчатым валом 18 на пару шестерен 9-10 (1 пара), по муфте 24 в левом положении на шестерни 12-13 (3 пара), при этом муфта 23 разъединяет шестерни 8 и 13 вторичным валом 4 на солнечную шестерню 14, сателлиты 15, которые, обкатываясь по остановленному эпициклическому колесу 17, вращают водило 16, от него по валу водила 5 на зубчатый венец 28, муфтой С (29) на зубчатый венец 30 выходного вала 6.
На лучевой диаграмме (фиг.2) эта передача представлена тремя лучами: луч 1 от т.0 на средней горизонтали направо вниз, затем луч 3 направо вверх и луч Ub ah=K+1 направо вверх к т.1.
2-я передача
Переключаем муфту А в левое положение.
От входного вала 2 крутящий момент передается муфтой А (21) на зубчатый венец 20, по первичному валу 3, шестерням 8-11 (2 пара), по муфте 24 на пару шестерен 12-13 и далее как на 1-й передаче.
На лучевой диаграмме этой передаче принадлежат три луча: от т.0 направо вниз луч 2, затем направо вверх луч 3, затем луч Ub ah=К+1 направо вверх к т.2.
3-я передача
Возвращаем муфту А в правое положение, муфту В также переключаем в правое положение.
До шестерни 10 крутящий момент передается как на 1-й передаче, далее по шестерням 11-8, затем по муфте 23 на корпус шестерни 13 и вторичный вал 4, далее как на предыдущих передачах.
На лучевой диаграмме эта передача характеризуется лучами: луч 1 от т.0 направо вниз, луч 2 налево вверх в ускоряющем режиме и луч Ub ah=К+1 направо вверх к т.3.
4-я передача
Переключаем муфту А левое положение.
Крутящий момент от входного вала 2 муфтой А передается на зубчатый венец 20, по первичному валу 3, далее по муфте 23 на вторичный вал 4, затем как на предыдущих передачах.
На лучевой диаграмме эта передача изображена лучом Ub ah=К+1 направо вверх от т.0 к т.4.
5-я передача
Возвращаем муфты А и В в положение 1-й передачи, а муфту С (29) в положение III – U=1,0 (см. фиг.1 справа вверху), зубчатый венец 32 вышел из соединения с зубчатыми венцами 34 и 35, муфта 29 левым и средним зубчатыми венцами соединила зубчатый венец 27 эпициклического колеса 17 с зубчатым венцом 28 водила 16 и заблокировала ПМ.
Крутящий момент до солнечной шестерни 14 передается как на 1-й передаче переднего хода, затем по заблокированному ПМ и муфте 29 на зубчатый венец 30 и выходной вал 6.
На лучевой диаграмме (фиг.2) эта передача представлена тремя лучами: луч 1 от т.0 на средней горизонтали направо вниз, затем луч 3 направо вверх и луч U=1 вертикально вверх к т.5.
6-я передача
Переключаем муфту А в левое положение.
От входного вала 2 крутящий момент передается до солнечной шестерни 14 как на 2-й передаче, далее как на предыдущей передаче.
На лучевой диаграмме этой передаче принадлежат три луча: от т.0 направо вниз луч 2, затем направо вверх луч 3, затем луч U=1 вертикально вверх к т.6.
7-я передача
Возвращаем муфту А в правое положение, муфту В также переключаем в правое положение.
От входного вала 2 крутящий момент передается до солнечной шестерни 14 как на 3-й передаче, далее как на предыдущей передаче.
На лучевой диаграмме эта передача характеризуется лучами: луч 1 от т.0 направо вниз, луч 2 налево вверх в ускоряющем режиме и луч U=1 вертикально вверх к т.7.
8-я передача (прямая)
Переключаем муфту А левое положение.
От входного вала 2 крутящий момент передается до солнечной шестерни 14 как на 4-й передаче, далее как на предыдущей передаче.
На лучевой диаграмме эта передача изображена лучом U=1 вертикально вверх от т.0 к т.8.
Передачи заднего хода отличаются от передач переднего хода переключением муфты С в положение I – Uh ab=-К (см. фиг.1 справа внизу), при котором зубчатый венец 32 останавливает водило 16, соединяя зубчатый венец водила 34 с зубчатым венцом 33 корпуса 1.
1-й задний ход
Муфта А находится в правом положении, муфты В – в левом положении, муфта С в положении I.
До солнечной шестерни 14 крутящий момент передается как на 1-й передаче переднего хода, солнечная шестерня 14 вращает сателлиты 15 на осях остановленного водила 16, при этом эпициклическое колесо 17 вращается в направлении, противоположном вращению солнечной шестерни, по трубчатому валу 26 усилие передается на зубчатый венец 27 и по муфте С (29) на зубчатый венец 30 выходного вала 6.
На лучевой диаграмме эта передача представлена тремя лучами: луч 1 от т.0 на средней горизонтали направо вниз, луч 3 направо вверх к средней горизонтали и далее луч Uh ab=-К направо вниз к т.1R на нижней горизонтали.
2-й задний ход
Переключаем муфту А в левое положение.
От входного вала 2 муфтой А крутящий момент передается на зубчатый венец 20 и первичный вал 3, по шестерням 8-11, по муфте 24 на шестерни 12-13, вторичный вал 4 и далее как на предыдущей передаче.
На лучевой диаграмме этой передаче принадлежат три луча:
луч 2 от т.0 направо вниз, луч 3 направо вверх и луч Uh ab=-К направо вниз к т.2R.
3-й задний ход
Возвращаем муфту А в правое положение, муфту В также переключаем в правое положение.
До солнечной шестерни 14 крутящий момент передается как на 3-й передаче переднего хода, далее как на предыдущих передачах.
На лучевой диаграмме эта передача характеризуется тремя лучами: луч 1 от т.0 направо вниз, луч 2 налево вверх к средней горизонтали, затем луч Uh ab=-K направо вниз к т.3R.
4-й задний ход
Переключаем муфту А левое положение.
Крутящий момент от входного вала 2 до солнечной шестерни 14 передается как на 4-й передаче переднего хода, далее как на предыдущих передачах.
На лучевой диаграмме эта передача изображена лучом Uh ab=-К направо вниз к т.4R.
Формула изобретения
Восьмиступенчатая вальнопланетарная коробка передач, содержащая корпус с соосно размещенными в нем входным, первичным, вторичным и выходным валами, параллельно первичному и вторичному валам установлен промежуточный вал, между входным и выходным валами расположены три пары зацепленных шестерен, на промежуточном валу свободно установлен блок из двух шестерен, зацепленных с шестернями первичного вала, на первичном валу одна шестерня закреплена, вторая закреплена на трубчатом валу, аксиальном первичному валу, эти валы имеют зубчатые муфты, на входном и выходном валах установлены трехпозиционные муфты переключения, в средней части агрегата расположена двухпозиционная сдвоенная муфта, состоящая из двух противоположно развернутых муфт одностороннего действия, взаимосвязанных вилкой переключения, одна муфта установлена на зубчатом венце шестерни первичного вала, а другая муфта установлена напротив первой муфты на зубчатом венце шестерни промежуточного вала, отличающаяся тем, что на выходе вторичного вала закреплена солнечная шестерня простого трехзвенного планетарного механизма, водило и корпус эпициклического колеса имеют зубчатые венцы, расположенные рядом с зубчатым венцом корпуса, трубчатый вал корпуса эпициклического колеса, вал водила и выходной вал имеют рядом расположенные зубчатые венцы, зубчатый венец вала водила двухпозиционный, муфта переключения на зубчатом венце выходного вала имеет три внутренних зубчатых венца, на ползуне которой жестко закреплен зубчатый венец с внутренним и внешним зацеплениями, внешнее зацепление которого связано с трехпозиционным зубчатым венцом корпуса агрегата.
РИСУНКИ
|
|