|
|
(21), (22) Заявка: 2006113573/03, 24.04.2006
(24) Дата начала отсчета срока действия патента:
24.04.2006
(43) Дата публикации заявки: 10.11.2007
(46) Опубликовано: 10.04.2008
(56) Список документов, цитированных в отчете о поиске:
SU 1170097 А, 30.07.1985. SU 1434062 А, 30.10.1988. ОНУФРИЕВ Н.М. Усиление железобетонных конструкций промышленных зданий. – М.-Л. 1965, с.132-136. RU 2106461 С1, 10.03.1998.
Адрес для переписки:
127238, Москва, Дмитровское ш., 46, корп.2, ОАО “ЦНИИПромзданий”, отдел конструктивных систем, Н.Н. Трекину
|
(72) Автор(ы):
Кодыш Эмиль Наумович (RU), Трекин Николай Николаевич (RU), Чаганов Алексей Борисович (RU)
(73) Патентообладатель(и):
Кодыш Эмиль Наумович (RU), Трекин Николай Николаевич (RU), Чаганов Алексей Борисович (RU)
|
(54) УСТРОЙСТВО ДЛЯ УСИЛЕНИЯ РЕБРИСТОЙ ПЛИТЫ
(57) Реферат:
Изобретение относится к области строительства, в частности к устройству для усиления ребристой плиты. Технический результат изобретения заключается в увеличении несущей способности плиты при возрастании нагрузки на перекрытие или при повреждении ребер. Устройство включает шпренгельные затяжки, которые закреплены в анкерах, установленных на верхней грани в торцах плит, и пропущены через отверстия, образованные в полках плит у продольных ребер, и через направляющие катков, размещенных в фиксирующих втулках опорных элементов, закрепленных с помощью анкерных болтов, с огибанием этих опорных элементов по низу. При этом натяжение затяжек может осуществляться с помощью распорного домкрата, устанавливаемого на дополнительном опорном элементе с фиксируемой втулкой в середине пролета либо с помощью винтового соединения, расположенного на одном конце верха продольного ребра усиливаемой плиты. 2 з.п. ф-лы, 5 ил.
Изобретение относится к области строительства и может быть использовано для усиления ребер сборных плит.
Известно устройство для усиления эксплуатируемой железобетонной балки, в котором используются предварительно напряженные двухветвевые затяжки, закрепленные на опорных анкерах, установленных на верхней части опоры балки (см. авторское свидетельство СССР №143062, кл. Е04G 23/02, 1985 г.).
Известно также устройство для усиления железобетонной балки, включающее предварительно напряженные шпренгельные затяжки с анкерами, установленными на верхней грани в торцах плит, опорные элементы, располагаемые по нижней грани смежных продольных ребер в двух крайних четвертях пролета, и натяжное приспособление для натягивания шпренгельных затяжек поперечным усилием в середине пролета (см. авторское свидетельство СССР №1170097, кл. Е04G 23/02, 1984 г.).
Известные устройства имеют недостатки, заключающиеся в том, что использование дополнительных тяжей повышает трудоемкость натяжения и увеличивает расход металла.
Кроме того, натяжение в известных устройствах производится с торцов усиливаемой конструкции, что исключено для усиливаемых смонтированных конструкций.
Задачей изобретения является увеличение несущей способности усиливаемой конструкции плит при увеличении нагрузки на перекрытие или при повреждении ребер.
Задача решается за счет того, что опорные элементы выполнены с размещенными в фиксирующих втулках катками, имеющими направляющие, а шпренгельные затяжки пропущены через отверстия, образованные в полках смежных плит у продольных ребер, и через направляющие катков с огибанием по низу опорных элементов, при этом устройство может быть выполнено с дополнительным опорным элементом, имеющим фиксирующую втулку и установленным в середине пролета с направляющими катками для пропуска шпренгельных затяжек, а натяжное приспособление может быть выполнено в виде распорного домкрата, установленного на дополнительном опорном элементе или в виде винтового соединения шпренгельной затяжки с анкером, расположенным на одном конце у верха продольного ребра усиливаемой плиты, при этом другой конец шпренгельной затяжки жестко соединен с анкером, установленным на другом конце продольного ребра усиливаемой плиты.
При осуществлении усиления плит заявленным устройством достигается положительный эффект, который заключается в снижении металлоемкости устройства и трудоемкости осуществления усиления плит за счет заявленного расположения шпренгельной затяжки, огибающей по низу опорные элементы, и пропуска ее по направляющим катков, размещенных в фиксирующей втулке.
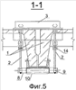
Сущность изобретения поясняется чертежами, где на фиг.1 показан общий вид устройства с дополнительным опорным элементом в середине пролета, на фиг.2 – разрез 1-1 на фиг.1, на фиг.3 – разрез 2-2 на фиг.1, на фиг.4 – показан общий вид устройства с винтовым соединением шпренгельной затяжки с анкером, на фиг.5 – разрез 1-1 на фиг.4.
Устройство для усиления ребристой плиты включает закрепляемые продольном ребре 1 плиты шпренгельные затяжки 2, закрепленные с помощью анкеров 3 на верхней грани в торцах усиливаемых плит. Затяжки 2 пропущены через отверстия 4, образованные в полках смежных плит у продольных ребер, и огибают опорные элементы 5 и 6, закрепленные на ребре плиты анкерными болтами 7.
Опорные элементы 5 и 6 выполнены с катками 8, имеющими направляющие 9, через которые пропускаются шпренгельные затяжки 2. Катки 8 размещены в фиксирующих втулках 10, которые после включения в работу шпренгельной системы фиксируются на опорном элементе сваркой.
Для натяжения шпренгельных затяжек может использоваться распорный домкрат 11, прикрепленный к дополнительному опорному элементу 12, расположенному в середине пролета.
Элемент 12 выполнен как и опорные элементы 5 и 6 с катком 8 с направляющими 9 для пропуска шпренгельных затяжек 2. Опорный элемент 12 так же, как и опорные элементы 5 и 6, закреплен на ребре плиты анкерными болтами 7.
Каток 8 дополнительного опорного элемента размещен в фиксируемой втулке 13.
Натяжение шпренгельных затяжек может осуществляться также с помощью винтового соединения 14, которым один конец шпренгельной затяжки соединен с анкером 3, размещенным на одном конце продольного ребра усиливаемой плиты, а другой конец шпренгельной затяжки жестко соединен с анкером, размещенным на другом конце продольного ребра.
Усиление ребристой плиты при увеличении нагрузки на перекрытие или при повреждении ребер с помощью заявленного устройства осуществляется следующим образом.
Сначала необходимо расчистить поврежденные участки. Существующую арматуру очистить от ржавчины. Произвести ремонт защитного слоя бетона. Пробить отверстия 4 в полке усиливаемой плиты в приопорной зоне для заведения в них шпренгельной затяжки 2.
Опорные элементы 5, 6 и 12 устанавливают на свежий раствор, закрепив их анкерными болтами 7. Затем через отверстие 4 с одной стороны ребра пропускают конец шпренгельной затяжки 2, закрепив другой конец на анкере 3. Затем пропускают шпренгельную затяжку 2 через направляющие 9 катков 8 и закрепляют затяжку 2 на анкере 3, расположенном на другом конце продольного ребра.
Натяжение шпренгельной системы может быть осуществлено с помощью домкрата 11, прикрепленного к дополнительному опорному элементу с незакрепленной втулкой 13, в которой размещен каток 8.
После включения в работу шпренгельных затяжек втулка 13 фиксируется на опорном элементе 12 сваркой.
Натяжение шпренгельных затяжек 2 может осуществляться с помощью винтов соединения 14, которым затяжки могут быть соединены с анкером 3, расположенным на одном из концов продольного ребра усиливаемой плиты.
Формула изобретения
1. Устройство для усиления ребристой плиты, включающее предварительно напряженные шпренгельные затяжки с анкерами, установленными по верхней грани в торцах плит, опорные элементы, располагаемые по нижней грани смежных продольных ребер в двух крайних четвертях пролета, и натяжное приспособление для натяжения шпренгельных затяжек, отличающееся тем, что опорные элементы выполнены с размещенными в фиксирующих втулках катками, имеющими направляющие, а шпренгельные затяжки пропущены через отверстия, образованные в полках смежных плит у продольных ребер, и через направляющие катков с огибанием по низу опорных элементов.
2. Устройство по п.1, отличающееся тем, что оно выполнено с дополнительным опорным элементом, имеющим фиксирующую втулку и установленным в середине пролета с направляющими катками для пропуска шпренгельных затяжек, а натяжное приспособление выполнено в виде распорного домкрата, установленного на дополнительном опорном элементе.
3. Устройство по п.1, отличающееся тем, что натяжное устройство выполнено в виде винтового соединения шпренгельной затяжки с анкером, расположенным на одном конце у верха продольного ребра усиливаемой плиты, при этом другой конец шпренгельной затяжки жестко соединен с анкером, установленным на другом конце продольного ребра усиливаемой плиты.
РИСУНКИ
MM4A – Досрочное прекращение действия патента СССР или патента Российской Федерации на изобретение из-за неуплаты в установленный срок пошлины за поддержание патента в силе
Дата прекращения действия патента: 25.04.2008
Извещение опубликовано: 10.06.2010 БИ: 16/2010
|
|