|
|
(21), (22) Заявка: 2005138614/14, 12.12.2005
(24) Дата начала отсчета срока действия патента:
12.12.2005
(43) Дата публикации заявки: 20.06.2007
(46) Опубликовано: 27.03.2008
(56) Список документов, цитированных в отчете о поиске:
МАРКВАРДЕ М.М. Способ определения оптической плотности костной структуры зубочелюстной системы. Материалы Международного межуниверситетского семинара по диагностической и терапевтической радиологии. – Минск, 20-21.10.2003. RU 2136214 C1, 10.09.1999. КАРАСЕНКОВ Я.Н. и др. Новый метод анализа динамики изменений оптической плотности костной ткани при
Адрес для переписки:
664003, г.Иркутск, ул. Лапина, 4, ГОУ ВПО ИГМУ МЗ РФ, факультетская стоматологическая клиника, Т.А. Гайдаровой
|
(72) Автор(ы):
Гайдарова Татьяна Андреевна (RU), Иншаков Дмитрий Викторович (RU), Федотова Марина Викторовна (RU), Ищенко Владимир Анатольевич (RU)
(73) Патентообладатель(и):
Гайдарова Татьяна Андреевна (RU), Иншаков Дмитрий Викторович (RU), Федотова Марина Викторовна (RU), Ищенко Владимир Анатольевич (RU)
|
(54) МЕТОД ИСПОЛЬЗОВАНИЯ РЕНТГЕНОМОРФОМЕТРИИ ДЛЯ ОЦЕНКИ МИНЕРАЛЬНОЙ ПЛОТНОСТИ КОСТНОЙ ТКАНИ АЛЬВЕОЛЯРНОЙ КОСТИ
(57) Реферат:
Изобретение относится к области медицины, а именно к стоматологии. Данный способ заключается в получении рентгеновского изображения с применением ступенчатого ослабителя, построения градуировочной кривой, сопоставляющей оптическую плотность рентгеновского изображения объемному удельному содержанию гидроксиапатита кальция в г/см2. При этом ступенчатый ослабитель изготавливают из медного сплава. Применение данного способа позволит повысить точность оценки минеральной плотности костной ткани альвеолярной кости за счет снижения рассеяния рентгеновского излучения. 8 ил.
(56) (продолжение):
CLASS=”b560m”переломах нижней челюсти [Найдено в Интернет 16.10.2006 на сайте: www.stomatburg.ru/articles/piter/30.html, размещен 12.07.2003]. SU 1005771 A1, 23.03.1983. UA 58283 A, 15.07.2003. US 5888067 A, 30.03.1999. РАБУХИНА Н.А. и др. Рентгенодиагностика в стоматологии. – М., 1999, с.5-71. Kurochkin A.P. Occlusion planning for dentures on implants depending on density coefficient of bone tissue. Stomatologiia (Mosk). 2005; 84(3):51-3. (Реферат в PubMed: 16007015).
Рентгеноморфометрия в стоматологии, помимо клинической значимости, как метода определения динамики ремоделирования альвеолярной кости и оценки эффективности лечения, может явиться незаменимым “инструментом” в изучении минеральной плотности костной ткани альвеолярной кости при патологии тканей пародонта.
Среди актуальных проблем стоматологии заболевания тканей пародонта занимают ведущее место. Это связано не только с высокой распространенностью данного заболевания, от 40 до 100%, но и с тем, что пародонтит является причиной частичной или полной утраты зубов (Барер Г.М. и соавт., 1996; Логинова Н.К., 1996; Безрукова А.П., 1999; Данилевский Н.Ф., 1999; Дмитриевой Л.А., 2001; Курякина Н.В., 2001; Бажанов Н.Н., 2001; Иванов B.C., 2001; Копейкин В.Н., 1998; Сивовол В.В., 2001; Цепов Л.М. и соавт., 2002; Page R., 1998; Heitz G., 2000; Horodko M., 2002).
Исследования последних лет в области изучения этиологии и патогенеза заболеваний тканей пародонта показали, что генерализованный патологический процесс является следствием нарушения обменных процессов в организме в целом, а именно нарушения минерализации костной ткани (Е.В.Удовицкая, 1975; Т.А.Гайдарова, 2003).
Поскольку остеопоротические изменения костной ткани альвеолярного отростка при пародонтите характеризуются снижением костной массы, и все терапевтические методы лечения должны быть направлены на ее сохранение или увеличение, то необходимо знать минеральную плотность альвеолярной кости до начала клинического обследования. Однако проведение массовых исследований для выявления плотности альвеолярной кости методом остеденситометрии у больных пародонтитом не может быть оправданным, так как подобные исследования не всегда доступны, вследствие отсутствия оборудования или большой его стоимости.
Поскольку метод рентгенографии на сегодняшний день является наиболее информативным в диагностике патологических состояний тканей пародонта с большой оговоркой на то, что он не всегда может являться адекватным, так как часто служит причиной гипер- и гиподиагностики. Необходимо иметь в виду, что на рентгенограммах, выполненных с различными целями, может быть отмечена остеопения в том случае, если произошло снижение плотности костной ткани более чем на 30% от нормы (Н.А.Рабухина с соавт., 1991). Такое состояние плотности костной ткани трактуется как остеопения, то есть начальная форма остеопороза. К тому же рентгенограммы заведомо не дают возможности количественно охарактеризовать костную массу.
Измерение костной массы должно проводиться для оценки состояния пациентов со специфическими нарушениями костного метаболизма. К таким состояниям могут быть отнесены больные бруксизмом, у которых развитие патологических изменений в тканях пародонта протекают бессимптомно и диагноз устанавливается в стадии манифестации, то есть стадии глубоких патологических изменений, когда консервативная терапия не может приостановить или частично восстановить опорные ткани зуба (Т.А.Гайдарова, 2003).
Пациентов со сниженной костной массой можно выявить различными методами остеоденситометрии. Поскольку рентгенологическому методу исследования подлежат 100% стоматологических больных, считаем, что необходимо разработать специальные методы исследования плотности костной ткани альвеолярной кости, которые включали бы как качественные, так и количественные характеристики, основанные на результатах точных измерений и расчетов в условиях поликлиники.
Для того чтобы обеспечить надежность показаний приборов, фотонные и рентгеноденситометры должны регулярно калиброваться с использованием специальных фантомов. Мы сочли возможным калибровать дентальный аппарат RWG тканеэквивалентным фантомом (точная копия по плотности и соотношению губчатого и компактного вещества тела позвонка) остеоденситометра LUNAR, так как альвеолярная кость по соотношению кортикальной и губчатой кости наиболее близка к телу позвонка.
Сопоставительный анализ с прототипом показывает, что заявленный способ отличается от известного тем, что позволяет выявить плотность челюстных костей. Кроме этого, заявленный способ позволяет проводить данную манипуляцию любому пациенту, обратившемуся в стоматологическую клинику, то есть обладает высокой доступностью.
Сопоставительный анализ с прототипом показывает, что заявленный способ отличается от известного тем, что обладает более высокой точностью результатов исследования. Определены критерии снижения плотности костной ткани альвеолярной кости, что соответствует критерию “новизна”.
Способ осуществляют следующим образом.
Из различных существующих методов оценки плотности костной ткани была выбрана рентгеновская абсорбциометрия в ее моноэнергетическом варианте, позволяющая использовать практически любой дентальный рентгеновский аппарат.
Плотность костной ткани определяется степенью минерализации, т.е. объемного удельного содержания гидроксиапатита кальция. При одинаковой толщине кости рентгеновское излучение будет сильнее ослабляться более плотной, содержащей большее количество солей кальция на единицу площади в проекции рентгеновского луча. С точки зрения проницаемости для рентгеновского излучения заданной жесткости (энергии кванта), в этом случае говорят о разной оптической плотности образцов и выражают ее в граммах на квадратный сантиметр (г/см2). Таким образом, за величину оптической плотности кости для рентгеновского излучения принята масса кальциевой минеральной компоненты столбика из исследуемого образца сечением 1 см2. Отсюда следует, что сравнивать степень минерализации тканей, имеющих одинаковую толщину, можно по степени ослабления рентгеновского излучения в единицах оптической плотности.
В экспериментах использовался дентальный рентгеновский прибор “Радиовизиограф RVG” с цифровой электронной регистрацией. Матричный чувствительный элемент аппарата позволяет получать двухмерное изображение, имитирующее пленочный негативный рентгеновский снимок на мониторе компьютера, а также его распечатку. Специальные интерфейсные средства дают возможность выделить на снимке интересующий участок и измерить его яркость по шкале прибора. Шкала яркостей прибора, по смыслу соответствующая плотности почернения снимка в пленочной рентгенографии, имеет 256 градаций (8 цифровых двоичных разрядов). Для попадания всех деталей “снимка” в этот диапазон яркостей для каждого объекта подбирается своя экспозиция облучения. Неодинаковость экспозиции и нелинейность канала регистрации требуют принятия специальных мер для обеспечения возможности однозначного количественного измерения оптической плотности тканей по яркости их рентгеновского изображения. Для этого в процесс измерения добавляется процедура градуировки по известной оптической плотности с помощью специального ступенчатого ослабителя.
Ступенчатый ослабитель для наших исследований изготовлен в виде полосы из медного сплава размером 4×15 мм, толщина которой по длине не одинакова и ступенчато изменяется от 0,1 до 0,5 мм с шагом 0,1 мм. Компактность устройства позволяет получать в поле снимка интересующего участка челюсти яркостные метки от объекта с известной оптической плотностью. Ступенчатый ослабитель устанавливается над зубом, не затеняя его в рентгеновских лучах, в каждом снимке, и изображение всех его ступеней вместе с интересующими костными областями “фотометрируется”. Далее по пяти измеренным значениям яркости изображения ступеней ослабителя (меткам) строится градуировочная кривая, представляющая зависимость яркости изображения ступеней от их толщины в миллиметрах меди. По данной градуировочной кривой, в свою очередь, определяется оптическая плотность интересующей области или точки в миллиметрах эквивалентного по ослаблению излучения слоя меди.
Имея калибровочный фантом, содержащий гидроксиапатит кальция, при необходимости можно всего за один снимок получить поправочный коэффициент для перехода от толщины слоя меди к толщине слоя гидроксиапатита кальция и к массе 1 квадратного сантиметра этого слоя, т.е. к степени минерализации в граммах на квадратный сантиметр.
Процесс определения оптической плотности тканей автоматизирован с помощью вычислительных возможностей программы Microsoft Excel и занимает для одного снимка вместе с градуировкой около трех минут.
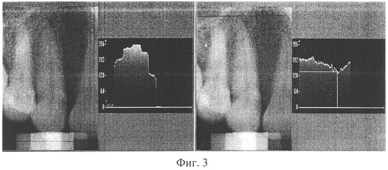
На фиг.1 и 2 показана последовательность определения оптической плотности участка альвеолярного отростка в абсолютных единицах.
На фиг.1 показана одна и та же рентгенограмма участка верхней челюсти, но с денситограммами разных областей снимка. На левой дана денситограмма участка верхней челюсти в области центральных резцов, а на правой – денситограмма ступенчатого ослабителя (внизу на снимке). Градуировочный график на фиг.2 построен по пяти точкам денситограммы ослабителя в программной среде Excel. Пунктирные линии показывают процедуру определения оптической плотности или эквивалентной толщины меди для участка челюстной кости, имеющей на снимке яркость 204 единицы по шкале яркостей прибора. Эквивалентная толщина меди 0,23 мм. Следует отметить, что градуировочный график зависит от экспозиции снимка, взаимного расположения рентгеновской трубки, объекта съемки и приемника излучения. Поэтому он индивидуален для каждого снимка, и описанная процедура позволяет получить однозначную, измеряемую в абсолютных единицах, воспроизводимую на других аппаратах величину плотности костной ткани. Переход к единицам измерения плотности костной ткани в граммах минеральной кальциевой компоненты на квадратный сантиметр, более употребимым и естественным в остеоденситометрии можно произвести двумя путями – экспериментальным и расчетным. Расчетный способ основан на законе поглощения рентгеновского излучения веществом. Интенсивность рентгеновского излучения J0 после прохождения слоя вещества толщиной d ослабляется по закону
J=J0·e– d,
где – линейный коэффициент ослабления, измеряемый в см-1. Поскольку пропорционален массе вещества, удобнее пользоваться так называемым “массовым коэффициентом” / , где – плотность вещества. В этом случае формула ослабления излучения может быть переписана в следующем виде

Произведение d есть масса вещества в столбе сечением в 1 см2 и толщиной d; массовый коэффициент / характеризует ослабление рентгеновских лучей слоем, содержащим 1 г вещества на каждый квадратный сантиметр. Он сложным образом зависит от энергии фотона, атомарного состава вещества. Именно этот коэффициент, характеризующий поглощающие свойства вещества, используется для перерасчета массы ослабляющих слоев меди и гидроксиапатита кальция (ГКА). Для простых веществ массовый коэффициент ослабления для заданной энергии фотона равен

где с – некоторая постоянная, NA – число Авогадро, А – грамм-атом вещества, Z – его атомный номер. Для сложного многокомпонентного или молекулярного вещества, пользуясь свойством аддитивности поглощения, можно записать для заданной энергии фотона

где M – грамм-моль вещества, ni – количество атомов i-го сорта в молекуле, – атомный коэффициент ослабления i-й составляющей молекулы, равный

Таким образом, зная коэффициенты поглощения простых веществ, атомы которых входят в состав молекул, можно рассчитать коэффициент поглощения любого вещества. Таблицы коэффициентов поглощения для рентгеновского излучения разной жесткости приводятся в справочных издания по рентгеновскому анализу веществ (см., например, Миркин, 1961 г.). Расчеты, проведенные для меди и гидроксиапатита кальция, химическая формула которого Са10(PO4)6(ОН)2, показали, что массовые коэффициенты этих веществ отличаются в 5,6 раза. Это означает, что слой меди толщиной 1 мм, для которой =8,96 г/см3, ослабляет рентгеновское излучение как слой гидроксиапатита, имеющий плотность 5 г/см2, то есть 1 мм Cu эквивалентен 5 г/см2 ГКА.
Таким образом, представленная методика позволяет производить рентгеновскую остеоденситометрию в общепринятых единицах минеральной плотности костной ткани.
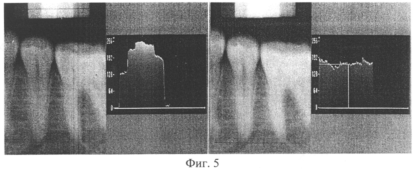
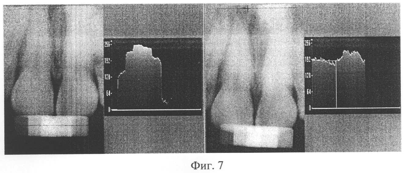
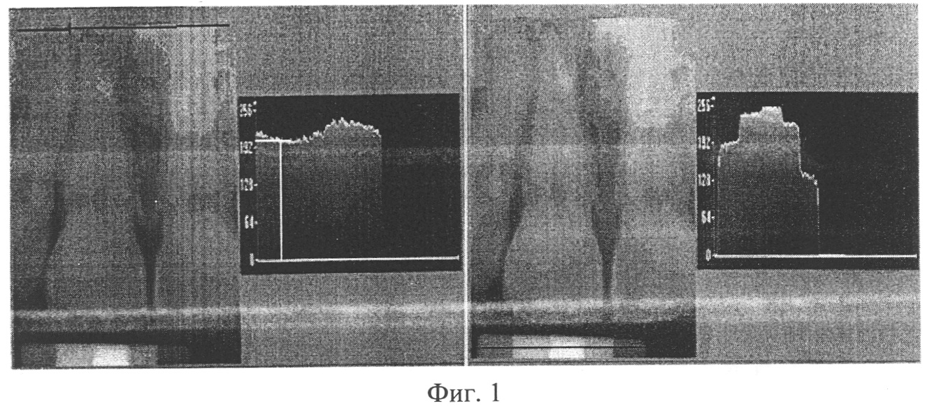
На фиг.3-8 приводятся три примера определения плотности костной ткани по вышеописанной методике. Полученные значения в выделенных точках снимка соответственно равны 0,6 г/см2 (Фиг.3 и 4); 0,75 г/см2 (Фиг.5 и 6) и 0,9 г/см2 (Фиг.7 и 8) плотности минеральной составляющей. При этом на фиг.3, 5, 7 даны радиовизиограммы трех разных участков верхней и нижней челюстей с денситограммами выделенного участка (справа) и ступенчатого ослабителя (слева), а на фиг.4, 6, 8 приведены соответствующие градуировочные графики.
Новая совокупность признаков позволяет оценить качественные и количественные характеристики альвеолярной кости путем точных математических измерений. Так как вовремя начатая терапия позволит снизить затраты на лечение заболевания. Метод определения плотности альвеолярной кости по рентгенологическому снимку является актуальным “инструментом” в области изучения не только патологических состояний опорно-удерживающего аппарата зуба, но и выявления больных, составляющих группу риска развития пародонтита, что позволит значительно снизить затраты на лечение заболевания.
Формула изобретения
Способ определение плотности костной ткани альвеолярной кости, включающий получение рентгеновского изображения с применением ступенчатого ослабителя, построение градуировочной кривой, сопоставляющей оптическую плотность рентгеновского изображения объемному удельному содержанию гидроксиапатита кальция в г/см2, отличающийся тем, что ступенчатый ослабитель изготавливают из медного сплава.
РИСУНКИ
MM4A – Досрочное прекращение действия патента СССР или патента Российской Федерации на изобретение из-за неуплаты в установленный срок пошлины за поддержание патента в силе
Дата прекращения действия патента: 13.12.2007
Извещение опубликовано: 27.07.2009 БИ: 21/2009
|
|