|
|
(21), (22) Заявка: 2006142873/09, 05.12.2006
(24) Дата начала отсчета срока действия патента:
05.12.2006
(46) Опубликовано: 20.03.2008
(56) Список документов, цитированных в отчете о поиске:
RU 2183909 С2, 20.06.2002. ЕР 0157692 А2, 09.10.1985. ЕР 0774842 А2, 21.05.1997. US 5537434 A, 16.07.1996.
Адрес для переписки:
109074, Москва, Китайгородский пр-д, 9/5, Военная академия Ракетных войск стратегического назначения имени Петра Великого
|
(72) Автор(ы):
Моисеев Василий Федорович (RU), Савельева Марина Викторовна (RU), Сивов Виктор Андреевич (RU)
(73) Патентообладатель(и):
Военная академия Ракетных войск стратегического назначения имени Петра Великого (RU)
|
(54) МНОГОКАНАЛЬНЫЙ ПЕРЕДАТЧИК СИГНАЛОВ С ПСЕВДОСЛУЧАЙНОЙ ПЕРЕСТРОЙКОЙ РАБОЧЕЙ ЧАСТОТЫ
(57) Реферат:
Изобретение относится к области радиосвязи и может найти применение в системах беспроводного доступа, фиксированной, сухопутной подвижной и спутниковой связи. Достигаемый технический результат – обеспечение электромагнитной совместимости (ЭМС) систем в условиях совместного использования выделенной полосы частот. Многоканальный передатчик сигналов с псевдослучайной перестройкой рабочей частоты содержит N информационных каналов, К каналов вызова, J каналов синхронизации, канал пилот-сигнала, тактовый генератор, генератор несущей частоты, сумматор канальных сигналов, синтезатор когерентной сетки частот, Р формирователей спектра сигнала, Р мультиплексоров. 3 ил.
Изобретение относится к области радиосвязи и может найти применение в системах беспроводного доступа, фиксированной, сухопутной подвижной и спутниковой связи.
Известны системы фиксированного и мобильного беспроводного доступа (Wi-Fi, WiMAX) [3], сотовой и спутниковой связи с кодовым разделением каналов, например, такие как система сотовой подвижной связи стандарта IS-95 на основе технологии многостанционного доступа с кодовым разделением каналов (в иностранной терминологии – CDMA) [1], а также перспективные системы [2], которые призваны работать в условиях возросшего спроса на выделение полос частот.
Одним из основных требований, предъявляемых к таким системам, является требование по обеспечению их электромагнитной совместимости (ЭМС) при работе в условиях совместного использования выделенной полосы частот на безлицензионной основе.
Известно, что решением международных регламентирующих органов (Международного Союза Электросвязи и Европейского союза почты и телеграфа) безлицензионными уже определены некоторые диапазоны частот (фиг.1) для РЭС, удовлетворяющих ограничениям по величине спектральной плотности мощности, излучаемой мощности и некоторым другим параметрам, установленным национальными регламентирующими органами.
Под ЭМС системы будем понимать ее способность обеспечивать одновременную, совместную и с заданным качеством передачи информации работу с радиоэлектронными средствами (РЭС), использующими ту же полосу частот, что и рассматриваемая система связи, и создающими в ней непреднамеренные помехи этой системе, и самой не создавать недопустимых помех РЭС, работающим в этой же полосе частот.
Известно, что обеспечить ЭМС систем, работающих в одной полосе частот, можно за счет использования методов кодового разделения каналов (МКРК), реализующих расширение спектра передаваемых сигналов посредством модуляции несущей частоты по закону некоторой псевдослучайной последовательности (как правило, по фазе), или за счет использования многочастотных сигналов с псевдослучайной (программной) перестройкой рабочей частоты (ППРЧ).
Для современных систем связи с кодовым разделением каналов, например, как система сотовой подвижной связи стандарта IS-95, электромагнитная совместимость обеспечивается за счет «обмена» помехозащищенности на пропускную способность или пропускной способности на помехозащищенность. В связи с тем что базовые станции в сотовых сетях с кодовым разделением каналов работают в одной и той же полосе частот (спектры сигналов перекрывают друг друга или даже совпадают), имеет место взаимное помеховое влияние ближайших базовых станций друг на друга, приводящее к снижению их пропускной способности. Так, при использовании ненаправленных антенн при гексагональной структуре сети пропускная способность базовых станций снижается в 7 раз. Для уменьшения взаимных помех на базовых станциях используются многосекторные антенны. Так, в случае использования трехсекторных антенн пропускная способность снижается уже только в три раза. Однако полностью исключить мешающее влияние базовых станций друг на друга и на другие РЭС за счет пространственной селекции сигналов при их работе в одной и той же полосе частот невозможно. Этот факт имеет место при использовании любых видов сигналов. Тем не менее, РЭС, использующие кодовое разделение каналов, имеют определенное преимущество перед другими РЭС в возможности совместного использования выделенной полосы частот.
РЭС, использующие сигналы с ППРЧ, как было отмечено выше, также способны функционировать в общей полосе частот совместно с другими РЭС. Отличительной особенностью РЭС с ППРЧ по сравнению с РЭС с МКРК является то, что их мешающее воздействие на другие РЭС, работающие в общей полосе частот, носит периодический (импульсный) по времени и селективный по частоте псевдослучайный характер. Эта особенность систем с ППРЧ создает более благоприятную обстановку по обеспечению их ЭМС с другими РЭС, использующими подобные или иные виды сигналов, поскольку в них уже предусмотрено ряд мер по защите от мешающего действия непреднамеренных помех сторонних РЭС, а именно:
используются (применяются схемные решения) для защиты от импульсных помех (схемы типа ШОУ);
применяются различные методы помехоустойчивого кодирования;
применяются методы перемежения передаваемых данных.
Следовательно, существует реальная возможность значительно уменьшить мешающее действие непреднамеренных помех, которые носят периодический по времени и селективный по частоте характер, по сравнению с непреднамеренными помехами, которые действуют непрерывно и совпадают по спектру с сигналом, т.е. реализовать одно из основных требований, предъявляемых к современным системам связи в условиях совместного использования выделенной полосы частот на безлицензионной основе, обеспечить их ЭМС.
Наиболее близким к предлагаемому изобретению является передатчик с кодовым разделением каналов [2], включающий N информационных каналов (ИК), каждый из которых включает последовательно соединенные кодер (КД), перемежитель (Пер), первый сумматор по модулю два (С), уплотнитель символов (УС), второй С и формирователь спектра сигнала канала (ФССК), выход которого является выходом ИК, а также последовательно соединенные генератор кода адреса (ГКА), первый прореживатель (П), второй П, выход которого соединен с вторым входом УС, выход первого П соединен с вторым входом первого С, причем вход ГКА является первым входом ИК, вход КД – вторым входом ИК, третий вход УС – третьим входом ИК, второй вход второго С является четвертым входом ИК, второй вход ФССК является пятым входом ИК, третий вход ФССК – шестым входом ИК, четвертый вход ФССК – седьмым входом ИК, а пятый вход ФССК – восьмым входом ИК,
К каналов вызова (KB), каждый из которых включает последовательно соединенные КД, Пер, первый С, второй С и ФССК, выход которого является выходом KB, а также последовательно соединенные ГКА, П, выход которого соединен с вторым входом первого С, причем вход ГКА является первым входом KB, вход КД – вторым входом KB, второй вход второго С является третьим входом KB, второй вход ФССК является четвертым входом KB, третий вход ФССК – пятым входом KB, четвертый вход ФССК – шестым входом KB, а пятый вход ФССК – седьмым входом KB,
J каналов синхронизации (КС), каждый из которых включает последовательно соединенные КД, повторитель символов (ПС), С и ФССК, выход которого является выходом КС, причем вход КД является первым входом КС, второй вход С является вторым входом КС, второй вход ФССК является третьим входом КС, третий вход ФССК – четвертым входом КС, четвертый вход ФССК – пятым входом КС, а пятый вход ФССК – шестым входом КС и
канал пилот-сигнала (КПС), включающий последовательно соединенные С и ФССК, выход которого является выходом КПС, причем первый вход С является первым входом КПС, а второй вход С – вторым входом КПС, второй вход ФССК является третьим входом КПС, третий вход ФССК – четвертым входом КПС, четвертый вход ФССК – пятым входом КПС, а пятый вход ФССК – шестым входом КПС,
тактовый генератор (ТГ), выход которого соединен с входом генератора кодов синхронизации (ГКС) и с входом генератора ортогональных кодов (ГОК), генератор несущей частоты (ГНЧ) и сумматор канальных сигналов (СКС), выход которого является выходом передатчика,
первый выход ГКС соединен с пятыми входами всех ПК, четвертыми входами всех KB, третьими входами всех КС и третьим входом КПС,
второй выход ГКС соединен с седьмыми входами всех ПК, шестыми входами всех KB, пятыми входами всех КС и пятым входом КПС,
первый выход ГНЧ соединен с восьмыми входами всех ПК, седьмыми входами всех KB, шестыми входами всех КС и шестым входом КПС,
второй выход ГНЧ соединен с шестыми входами всех ИК, пятыми входами всех KB, четвертыми входами всех КС и четвертым входом КПС,
каждый из первых N выходов (с 1 по N) ГОК, каждый в отдельности, соединен с четвертым входом соответствующего ПК,
каждый из следующих К выходов (с N+1 по N+K) ГОК, каждый в отдельности, соединен с третьим входом соответствующего KB,
каждый из следующих J выходов (с N+K+1 по N+K+J) ГОК, каждый в отдельности, соединен с вторым входом соответствующего КС,
N+K+J+1-й выход ГОК соединен с вторым входом КПС,
каждый из первых N входов СКС (с 1 по N), каждый в отдельности, соединен с соответствующим выходом N-го информационного канала,
каждый из следующих К входов СКС (с N+1 no N+K), каждый в отдельности, соединен с соответствующим выходом К-го KB,
каждый из следующих J входов СКС (с N+K+1 по N+K+J), каждый в отдельности, соединен с выходом J-го КС,
(N+K+J+1)-й вход СКС соединен с выходом КПС.
Целью настоящего изобретения является обеспечение ЭМС систем, призванных работать в условиях совместного использования выделенной полосы частот на безлицензионной основе.
Указанная цель достигается тем, что в известный передатчик с кодовым разделением каналов, включающий N ИК, каждый из которых включает последовательно соединенные КД, Пер, первый С, УС, второй С и ФССК, выход которого является выходом ИК, а также последовательно соединенные ГКА, первый П, второй П, выход которого соединен с вторым входом УС, выход первого П соединен с вторым входом первого С, причем вход ГКА является первым входом ИК, вход КД – вторым входом ИК, третий вход УС – третьим входом ИК, второй вход второго С является четвертым входом ИК, второй вход ФССК является пятым входом ИК, третий вход ФССК – шестым входом ИК, четвертый вход ФССК – седьмым входом ИК, а пятый вход ФССК – восьмым входом ИК, К KB, каждый из которых включает последовательно соединенные КД, Пер, первый С, второй С и ФССК, выход которого является выходом KB, а также последовательно соединенные ГКА, П, выход которого соединен с вторым входом первого С, причем вход ГКА является первым входом KB, вход КД – вторым входом KB, второй вход второго С является третьим входом KB, второй вход ФССК является четвертым входом KB, третий вход ФССК – пятым входом KB, четвертый вход ФССК – шестым входом KB, а пятый вход ФССК – седьмым входом KB, J КС, каждый из которых включает последовательно соединенные КД, ПС, С и ФССК, выход которого является выходом КС, причем вход КД является первым входом КС, второй вход С является третьим входом КС, второй вход ФССК является третьим входом КС, третий вход ФССК – четвертым входом КС, четвертый вход ФССК – пятым входом КС, а пятый вход ФССК – шестым входом КС, канал пилот сигнала, включающий последовательно соединенные С к ФССК, выход которого является выходом КПС, причем первый вход С является первым входом КПС, а второй вход С – вторым входом КПС, второй вход ФССК является третьим входом КПС, третий вход ФССК – четвертым входом КПС, четвертый вход ФССК – пятым входом КПС, а пятый вход ФССК – шестым входом КПС, ТГ, выход которого соединен с входом ГКС и с входом ГОК, ГНЧ и СКС, выход которого является выходом передатчика, первый выход ГКС соединен с пятыми входами всех ИК, четвертыми входами всех KB, третьими входами всех КС и третьим входом КПС, второй выход ГКС соединен с седьмыми входами всех ИК, шестыми входами всех KB, пятыми входами всех КС и пятым входом КПС, первый выход ГНЧ соединен с восьмыми входами всех ИК, седьмыми входами всех KB, шестыми входами всех КС и шестым входом КПС, второй выход ГНЧ соединен с шестыми входами всех ИК, пятыми входами всех KB, четвертыми входами всех КС и четвертым входом КПС, каждый из первых N выходов ГОК (с 1 по N), каждый в отдельности, соединен с четвертым входом соответствующего ИК, каждый из следующих К выходов ГОК (с N+1 no N+K), каждый в отдельности, соединен с третьим входом соответствующего KB, каждый из следующих J выходов ГОК (с N+K+1 по N+K+J), каждый в отдельности, соединен с вторым входом соответствующего КС, N+K+J+1-й выход ГОК соединен с вторым входом КПС, каждый из первых N входов СКС (с 1 по N), каждый в отдельности, соединен с соответствующим выходом N-го информационного канала, каждый из следующих К входов СКС (с N+1 по N+K), каждый в отдельности, соединен с соответствующим выходом K-го KB, каждый из следующих J входов СКС (с N+K+1 по N+K+J), каждый в отдельности, соединен с выходом J-го КС, N+K+J+1-й вход СКС соединен с выходом КПС,
внесены следующие изменения:
исключены ГКС и ГОК,
из схемы каждого ИК исключены второй С и ФССК, при этом выход УС является выходом ИК,
из схемы каждого KB исключены второй С и ФССК, при этом выход С является выходом KB,
из схемы каждого КС исключены С и ФССК и выход ПС является выходом КС,
из схемы КПС исключены С и ФССК и выход канала соединен с его входом,
в схему передатчика дополнительно введены:
синтезатор когерентной сетки частот (СКСЧ), первый выход которого соединен с входом ТГ, а остальные S его выходов разбиты на Р групп по М=2m выходов в каждой, где Р – число сигналов, которые передатчик может излучать одновременно в выделенной полосе W, а m – целое число, которое обычно принимает значение от 3 до 5 и определяется допустимой сложностью аппаратуры и требованиями к помехоустойчивости системы, причем сетка частот с S выходов СКСЧ занимает полосу частот W, поскольку номиналы частот с выходов в каждой группе квазиравномерно распределены с интервалом, кратным F, где F – шаг сетки частот, а каждая из частот в какой-либо группе не встречается ни в какой другой группе и никакая частота в группе не встречается более одного раза, так что S F=W,
Р формирователей спектра сигнала (ФСС), каждый из которых включает модулятор, первый вход которого является первым входом ФСС, а его М частотных входов являются частотными входами ФСС, а также последовательно соединенные коммутатор, i сигнальных входов которого, каждый в отдельности, соединены с соответствующими сигнальными выходами модулятора, смеситель и полосовой фильтр, выход которого является выходом ФСС, i+1 вход коммутатора является вторым входом ФСС, второй вход смесителя является третьим входом ФСС, где i – число частот, которые используются для формирования сигнала,
Р мультиплексоров, каждый из которых имеет D входов и один выход, который соединен с первым входом p-го ФСС,
выход p-го ФСС соединен с p-м входом сумматора канальных сигналов,
выход тактового генератора соединен со вторыми входами всех ФСС,
выход генератора несущей частоты соединен с третьими входами всех ФСС,
М выходов p-й группы СКСЧ, каждый в отдельности, соединены с соответствующими частотными входами p-го ФСС,
причем N+K+J+1 равно L, где L общее число каналов передатчика, а соотношение между N, К и J определяется графиком радиообмена,
все каналы передатчика разбиты на Р групп по D каналов в каждой, так что L кратно D, причем значение D зависит от выбранных значений m, i, F и скорости передачи информации в канале r и может быть определена из выражения

все каналы p-й группы с 1 по D, каждый в отдельности, соединены с соответствующими входами p-го мультиплексора.
Отличительными признаками предлагаемого устройства являются введенные в схему передатчика новые элементы, а именно: мультиплексоры, синтезатор когерентной сетки частот, формирователи спектра сигнала и соответствующие связи между вновь введенными новыми элементами и имеющимися в прототипе элементами передатчика, что позволило обеспечить электромагнитную совместимость предлагаемого устройства с действующими радиоэлектронными средствами при их совместной работе в общей полосе частот на безлицензионной основе за счет формирования новой сигнально-кодовой конструкции, что соответствует критерию «новизна».
Поскольку совокупность введенных элементов и их связи до даты подачи заявки в патентной и научной литературе не обнаружены, то предлагаемое техническое решение соответствует «изобретательскому уровню».
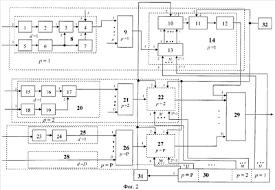
Структурная схема заявляемого устройства представлена на фиг.2. На фиг.2 обозначено:
1, 15, 23 – кодер (КД);
2, 16 – перемежитель (Пер);
3, 17 – сумматор по модулю два (С);
4 – уплотнитель символов (УС);
5, 18 – генератор кода адреса (ГКА);
6, 7, 19 – прореживатель (П);
8 – информационный канал (ИК);
9, 21, 26 – мультиплексор;
10 – коммутатор;
11 – смеситель;
12 – полосовой фильтр;
13 – модулятор;
14, 22, 27 – формирователь спектра сигнала (ФСС);
20 – канал вызова (KB);
24 – повторитель символов (ПС);
25 – канал синхронизации (КС);
28 – канал пилот-сигнала (КПС);
29 – сумматор канальных сигналов (СКС);
30 – синтезатор когерентной сетки частот;
31 – тактовый генератор (ТГ);
32 – генератор несущей частоты (ГНЧ).
С целью упрощения схемы на фиг.2 изображено только три группы каналов (первая, вторая и P-я) и элементы, которые их обслуживают. Причем в первой группе (р=1) изображен только один канал (8) (это информационный канал) из D каналов группы, который является первым каналом группы (d=1), а также мультиплексор (9) и ФСС (14), которые обслуживают все каналы первой группы. Во второй группе (р=2) изображено только один канал (20) (это канал вызова) из D каналов группы, который является первым каналом группы (d=1), а также мультиплексор (21) и ФСС (22), которые обслуживают все каналы второй группы. В третьей группе (p=P) изображено два канала (25) (это канал синхронизации) и (28) (это канал пилот-сигнала) из D каналов группы, которые являются первым (d=1) и D-м (d=D) каналами группы соответственно, а также мультиплексор (26) и ФСС (27), которые обслуживают все каналы этой группы.
В общем случае распределение по группам информационных и служебных каналов не принципиально. Основное требование – в каждой группе должно быть по D каналов, а служебные каналы могут быть объединены в одну группу или распределены по всем группам в разном сочетании.
Работа передатчика. Порядок работы передатчика рассмотрим по структурной схеме, которая изображена на фигуре 2.
При рассмотрении работы передатчика будем исходить из следующего:
1. Алгоритм работы служебных (KB, КС и КПС) каналов заявляемого устройства и устройства-прототипа одинаков.
2. Загруженность каналов передатчика определяется текущим графиком и управляется стандартными средствами базовой станции, например, такими как конвольвер, которые в данном устройстве не рассматриваются.
3. Для уяснения характера обработки информации в каналах передатчика достаточно рассмотреть обработку информации в каком-либо одном канале.
Работа информационного канала. Рассмотрим работу ИК (8) под номером 1 (d=1), который входит в состав первой группы каналов (р=1) (см. фиг.2). На первый вход ИК поступает информация об адресе абонента, а на второй – информация, которую необходимо передать другому абоненту. Информация, поступающая на 1 и 2 входы ИК, представляет собой поток двоичных символов. Информация об адресе абонента поступает на вход генератора кода адреса (5), а информация для передачи абоненту – на вход кодера (1). Поток двоичных символов в (1) кодируется избыточным кодом с целью обеспечения возможности исправления ошибок на приемной стороне. С выхода кодера (1) информация поступает на вход перемежителя (2), где «перемешивается» таким образом, чтобы исключить возможность группирования ошибок на приемной стороне, что способствует надежному декодированию принятой информации. С выхода перемежителя (2) информация поступает на первый вход сумматора по модулю два (3). Генератор кода адреса (5) формирует адрес вызываемого абонента и направляет его на вход прореживателя (6). В прореживателе (6) адресный поток символов прореживается с целью выравнивания скоростей в обоих информационных потоках. Информация с выхода прореживателя (6) поступает на второй вход сумматора по модулю два (3) и на вход второго прореживателя (7). В сумматоре по модулю два (3) в поток информации, поступающий на его первый вход, с помощью прореживателя (6) «замешивается» информация об адресе абонента, поступающая с ГКА (5).
С выхода сумматора по модулю два (3) информационный поток, содержащий уже признак адреса абонента, поступает на первый вход уплотнителя сигналов (4), а с выхода второго прореживателя (7) – на второй вход уплотнителя сигналов (4). В уплотнителе сигналов (4) с помощью информации, поступающей на его второй вход с выхода прореживателя (7), обеспечивается «замешивание» в информационный поток с адресом абонента дополнительной информации, которая поступает на его третий вход, для управления уровнем излучаемой мощности передатчика абонента. Выравнивание уровней множества сигналов от абонентов необходимо для обеспечения их качественного декодирования. Информация с выхода уплотнителя сигналов (4) поступает на выход ИК.
В остальных N-1 информационных каналах происходит аналогичное преобразование информации.
С выхода первого ИК (d=1) из первой группы каналов (р=1) (см. фиг.2) информационный поток поступает на первый вход первого (р=1) мультиплексора (9), который осуществляет временное уплотнение информационных потоков для всех D абонентов первой группы.
Работа канала вызова. Рассмотрим работу KB (20), который на фиг.2 представлен как первый канал второй группы (d=1, а р=2). На первый вход KB (20) поступает информация об адресе абонента, а на второй – информация, из которой формируется сигнал вызова. Информация, поступающая на 1 и 2 входы KB (20), представляет собой поток двоичных символов.
Информация об адресе абонента поступает на вход генератора кода адреса (18), а информация для формирования сигнала вызова – на вход кодера (15). Поток двоичных символов в (15) кодируется избыточным кодом с целью обеспечения возможности исправления ошибок на приемной стороне. С выхода кодера (15) информация поступает на вход перемежителя (16), где «перемешивается» таким образом, чтобы исключить возможность группирования ошибок на приемной стороне, что способствует надежному декодированию принятой информации. С выхода перемежителя (16) информация поступает на первый вход сумматора по модулю два (17). Генератор кода адреса (18) формирует адрес вызываемого абонента и направляет его на вход прореживателя (19). В прореживателе (19) адресный поток символов прореживается с целью выравнивания скоростей в обоих информационных потоках. Информация с выхода прореживателя (19) поступает на второй вход сумматора по модулю два (17). В сумматоре по модулю два (17) в поток информации, поступающий на его первый вход, с помощью прореживателя (19) «замешивается» информация об адресе абонента, поступающая с ГКА (18). Информация с выхода сумматора по модулю два (17) поступает на выход канала вызова.
В остальных К-1 каналах вызова происходит аналогичное преобразование информации.
С выхода первого KB (d=1) из второй группы каналов (р=2) (см. фиг.2) информационный поток поступает на первый вход второго (р=2) мультиплексора (21), который осуществляет временное уплотнение информационных потоков для всех D абонентов второй группы.
Работа канала синхронизации. Рассмотрим работу канала синхронизации (25), который на фиг.2 представлен как первый канал (d=1) P-й группы (p=Р). На вход КС (25) поступает служебная информация, которая представляет собой поток двоичных символов. Эта информация с входа канала поступает на вход кодера (23), в котором осуществляется ее избыточное кодирование с целью обеспечения возможности исправления ошибок на приемной стороне. С выхода кодера (23) информация поступает на вход повторителя символов (24), который обеспечивает доведение скорости передачи информации в КС (25) до скорости передачи информации в ИК (8) и KB (20). С выхода повторителя символов (24) информационный поток поступает на выход КС (25).
В остальных J-1 каналах синхронизации происходит аналогичное преобразование информации.
С выхода первого КС (d=1) из P-й группы каналов (p=Р) (см. фиг.2) информационный поток поступает на первый вход P-го (p=Р) мультиплексора (26), который осуществляет временное уплотнение информационных потоков для всех D абонентов P-й группы.
Работа канала пилот-сигнала. Рассмотрим работу КПС (28), который на фиг.2 представлен как D-й канал P-й группы (d=D, а p=Р). Канал пилот-сигнала служит для обеспечения кадровой и тактовой синхронизации приемников абонентов. КПС непрерывно работает при включенном передатчике, обеспечивая тем самым возможность всем абонентам контролировать свое постоянное подключение к базовой станции.
При включенном передатчике на вход канала постоянно поступает служебная информация (пилот-сигнал), которая представляет собой поток двоичных символов (все нули). С выхода канала эта информация поступает на один из входов мультиплексора (в нашем случае на D-й вход P-го мультиплексора (27)), который осуществляет временное уплотнение информационных потоков для всех D абонентов P-й группы.
Уплотненные по времени потоки двоичных данных с выхода p-го мультиплексора поступают на вход p-го формирователя спектра сигнала (ФСС). Поскольку все ФСС идентичны, то работу ФСС рассмотрим на примере ФСС (14), который обеспечивает работу всех D каналов первой группы (р=1). Поток двоичных данных с выхода первого мультиплексора (9) поступает на первый вход первого ФСС (14) и далее на первый вход модулятора (13) ФСС (14). В модуляторе (13) поток символов разбивается на блоки по m символов. На М частотных входов модулятора (13), на каждый в отдельности, подаются частотные сигналы с M соответствующих частотных выходов первой группы (p=1) генератора когерентной сетки частот (30).
В модуляторе (13) каждому блоку из m символов соответствует многочастотный сигнал, состоящий из i частот, составленных из общего числа частот (М), поступающих на частотные входы модулятора (13).
Каждый набор из i частот ортогонален ко всем остальным наборам (многочастотным сигналам). Ортогональность понимается в том смысле, что в любых двух разных наборах, состоящих из i частот, на одинаковых позициях находятся разные частоты. С i выходов модулятора многочастотные сигналы (i частот, причем каждая частота подается отдельно) подаются на соответствующие i входов коммутатора (10). На i+1 вход коммутатора (10) через второй вход ФСС (14) поступает тактовая частота от тактового генератора (31), который, в свою очередь, синхронизирован от генератора когерентной сетки частот (30). С выхода коммутатора (10) частотные сигналы последовательно подаются на первый вход смесителя (11), на второй вход которого с выхода ГНЧ (32) подается сигнал опорной частоты, который определяет положение рабочей полосы частот в частотной области. С выхода смесителя сигнал через полосовой фильтр (12) поступает на выход ФСС (14). С выхода ФСС (14) сигнал подается на p-й вход (в нашем случае p=1) сумматора канальных сигналов (29). Далее результирующий сигнал сумматора подается на вход усилителя мощности (на фиг.2 не показан).
Сравнительная оценка ЭМС заявляемого устройства и прототипа.
В качестве примера приведем сравнительную оценку ЭМС систем связи с прямым расширением спектра сигнала (прототип) и с ППРЧ (заявляемое устройство) при следующих условиях: ширина полосы частот системы связи W, скорость передачи информации R=F при отношении сигнал/шум (с/ш) hЗАД на систему беспроводного доступа (СБД).
Пусть W=80 МГц; F=1,25 МГц. В передатчике-прототипе используется некогерентная квадратурная двоичная модуляция сигнала, а в заявляемом устройстве с ППРЧ – 16-ричная частотная модуляция (М=16) с многочастотным (i=4) представлением символов. Помехоустойчивое кодирование информации осуществляется кодом (16.4.8). Качество приема информации задается вероятностью pош=10-3, которой соответствует вероятность искажения символа корректирующего кода рош.к=0,03. Этой вероятности ошибки соответствует отношение с/ш, равное: в случае некогерентной двоичной квадратурной модуляции сигнала hЗАД=6, а в случае 16-ричной модуляции hЗАД=1,6 [4, 5].
Полагаем, что в данной полосе частот функционируют четыре СБД с взаимопримыкающими полосами частот, каждая шириной 20 МГц. На фиг.3 показано взаимное расположение спектров рассматриваемых систем связи. Незакрашенные участки спектра являются защитными полосами. На фиг.3 видно, что спектры систем связи CDMA и с ППРЧ полностью перекрывают спектры СБД. В каждый момент времени излучаются Р=4 частотные посылки сигнала ППРЧ, и на каждый участок спектра СБД приходится только по одной частотной посылке шириной 1,25 МГц.
Оценим соотношение мощностей сигналов от передающих средств прототипа и заявляемого устройства на входе приемников СБД. Передатчик прототипа осуществляет двоичную некогерентную модуляцию сигнала, а передатчик заявляемого устройства – М-ичную. в данном примере – 16-ричную, которая, как известно, требует меньших затрат энергии сигнала для обеспечения заданного качества приема информации в >1 раз.
Длина расширяющей последовательности сигнала прототипа может быть определена как

а число частотных позиций сигнала ППРЧ

Тогда число одновременно излучаемых частот сигнала ППРЧ

т.е. на каждую полосу спектра сигнала СБД в любой момент времени приходится по одной мешающей частотной посылке сигнала ППРЧ, мощность которой составляет четвертую часть мощности передатчика.
Так как спектр сигнала передатчика-прототипа перекрывает всю полосу частот, выделенных для СБД, то на каждое средство СБД оказывает мешающее воздействие 1/4 часть мощности сигнала передатчика-прототипа.
В свою очередь, справедливо следующее соотношение мощностей передатчиков:

где РС.ШПС – мощность сигнала передатчика-прототипа;
РС.ППРЧ – мощность сигнала передатчика заявляемого устройства.
Таким образом, заявляемое устройство по ЭМС имеет преимущество над прототипом в 3,75 раза.
Теперь оценим мешающее воздействие передающих средств СБД на приемные средства прототипа и заявляемого устройства.
Поскольку групповой спектр средств СБД полностью перекрывается спектром сигнала прототипа, то каждый канал приемника прототипа испытывает суммарное (по мощности) мешающее действие, оказываемое этими средствами.
С другой стороны, в приемнике сигналов, излучаемых заявляемым передатчиком, на каждую принимаемую частотную посылку мешающее влияние оказывает (в рассматриваемом сценарии) только одно средство СБД, т.е. в канале связи с заявляемым передатчиком сигналов ППРЧ мешающее действие от средств СБД селектируется по каналам так, что каждый канал испытывает помеху, по уровню эквивалентную помехе от одного средства СБД. В рассматриваемом случае мешающее действие от средств СБД на приемники сигналов ППРЧ в четыре раза меньше по сравнению с их воздействием на приемники сигналов прототипа.
Таким образом, заявляемое устройство по сравнению с прототипом имеет четырехкратное преимущество по ЭМС со средствами связи, действующими в нелицензируемом диапазоне частот на правах совместного использования полос частот.
Источники информации
1. Новые стандарты широкополосной радиосвязи на базе технологии W-CDMA, M.: Международный центр научно-технической информации, 1999.
2. Vijay К. Garg. IS-95 CDMA and cdma2000 Cellular / PCS Systems Implementation. Prentice Hall, PTR, 2000 (прототип).
3. Сети № 23/2003.
4. Цифровые методы в космической связи: Пер с англ. / Под ред. В.И. Шляпоберского. – М.: Связь. 1969. – 270 с. (стр.257).
5. Витерби Э.Д. Принципы когерентной связи. Пер. с англ. / Под ред. Б.Р. Левина. – М.: Сов. радио, 1970. – 392 с. (с.306).
Формула изобретения
Многоканальный передатчик сигналов с псевдослучайной перестройкой рабочей частоты, в состав которого входят N информационных каналов, каждый из которых включает последовательно соединенные кодер, перемежитель, сумматор по модулю два и уплотнитель символов, а также последовательно соединенные генератор кода адреса, первый прореживатель, второй прореживатель, выход которого соединен со вторым входом уплотнителя символов, выход первого прореживателя соединен со вторым входом сумматора по модулю два, причем вход генератора кода адреса является первым входом информационного канала, вход кодера вторым входом информационного канала, а третий вход уплотнителя сигналов третьим входом информационного канала, К каналов вызова, каждый из которых включает последовательно соединенные кодер, перемежитель и сумматор по модулю два, и последовательно соединенные генератор кода адреса и прореживатель, выход которого соединен со вторым входом сумматора по модулю два, причем вход генератора кода адреса является первым входом канала вызова, а вход кодера вторым входом канала вызова, J каналов синхронизации, каждый из которых включает последовательно соединенные кодер и повторитель символов, вход кодера является входом канала синхронизации, канал пилот-сигнала, тактовый генератор, генератор несущей частоты и сумматор канальных сигналов, выход которого является выходом передатчика, отличающийся тем, что выход уплотнителя символов информационного канала является выходом информационного канала, выход сумматора по модулю два канала вызова является выходом канала вызова, а выход повторителя символов канала синхронизации выходом канала синхронизации, а в схему передатчика дополнительно введены синтезатор когерентной сетки частот (СКСЧ), первый выход которого соединен с входом тактового генератора, а остальные S его выходов разбиты на Р групп по M=2m выходов в каждой, где Р – число сигналов, которые передатчик может излучать одновременно в выделенной полосе W, a m – целое число, которое обычно принимает значение от 3 до 5 и определяется допустимой сложностью аппаратуры и требованиями к помехоустойчивости системы, причем сетка частот с S выходов СКСЧ занимает полосу частот W, поскольку номиналы частот с выходов в каждой группе квазиравномерно распределены с интервалом, кратным F, где F – шаг сетки частот, так чтобы S F=W, Р формирователей спектра сигнала (ФСС), каждый из которых включает модулятор, первый вход которого является первым входом формирователя спектра сигнала, а его М частотных входов являются частотными входами ФСС, а также последовательно соединенные коммутатор, i сигнальных входов которого, каждый в отдельности, соединены с соответствующими i сигнальными выходами модулятора, смеситель и полосовой фильтр, выход которого является выходом формирователя спектра сигнала, i+1 вход коммутатора является вторым входом формирователя спектра сигнала, второй вход смесителя является третьим входом формирователя спектра сигнала, где i – число частот, которые используются для формирования сигнала, Р мультиплексоров, каждый из которых имеет D входов и один выход, который соединен с первым входом р-го формирователя спектра сигналов, выход р-го формирователя спектра сигналов соединен с р-м входом сумматора канальных сигналов, выход тактового генератора соединен со вторыми входами всех формирователей спектра сигналов, выход генератора несущей частоты соединен с третьими входами всех формирователей спектра сигналов, М выходов р-й группы синтезатора когерентной сетки частот, каждый в отдельности, соединены с соответствующими М частотными входами р-го формирователя спектра сигнала, причем N+K+J+1 равно L, где L – общее число каналов передатчика, а соотношение между N, К и J определяется графиком радиообмена, все каналы передатчика разбиты на Р групп по D каналов в каждой, так что L кратно D, причем значение D зависит от выбранных значений m, i, F и скорости передачи информации в канале r, все каналы р-й группы с 1 по D, каждый в отдельности, соединены с соответствующими входами р-го мультиплексора.
РИСУНКИ
|
|