|
(21), (22) Заявка: 2006121886/09, 19.06.2006
(24) Дата начала отсчета срока действия патента:
19.06.2006
(46) Опубликовано: 20.03.2008
(56) Список документов, цитированных в отчете о поиске:
RU 2129750 C1, 27.04.1999. RU 2225074 C2, 27.02.2004. US 6487140 B2, 26.11.2002. US 5499238 А, 12.03.1996. US 5455820 А, 03.10.1995. US 5394396 A, 28.02.1995. DE 3221685 A1, 08.12.1983.
Адрес для переписки:
392000, г.Тамбов, Коммунальная, 25, ОАО ТНИИР “Эфир”, директору В.С.Луневу
|
(72) Автор(ы):
Пасечников Иван Иванович (RU), Головченко Евгений Викторович (RU), Лунев Виктор Серафимович (RU), Воспитанюк Анатолий Владимирович (RU)
(73) Патентообладатель(и):
ОАО ТНИИР “Эфир” (RU)
|
(54) СПОСОБ И УСТРОЙСТВО ДЛЯ МУЛЬТИПЛЕКСИРОВАНИЯ ЭЛЕМЕНТОВ ДАННЫХ ПРИ АСИНХРОННОМ РЕЖИМЕ ПЕРЕДАЧИ
(57) Реферат:
Изобретение относится к системам мультиплексирования элементов данных и может быть использовано в цифровых сетях с интеграцией служб (ЦСИС), реализующих в своей работе асинхронный режим передачи (АРП). Достигаемый технический результат – повышение эффективности использования имеющейся полосы пропускания и емкостей буферных устройств и, как следствие, повышение пропускной способности системы. Устройство содержит управляемый мультиплексор (3), устройство управления мультиплексором (2), буферные устройства (1), каждое из которых включает буфер (4) элементов данных, соответствующий входным портам, для запоминания элементов данных, счетчик записи (5), счетчик чтения (6), блок определения входной информационной мощности (7), блок расчета допустимой задержки (9), блок расчета требуемой скорости передачи (8). 2 н.п. ф-лы, 4 ил.
Изобретение относится к системам мультиплексирования элементов данных и может быть использовано в цифровых сетях с интеграцией служб (ЦСИС), реализующих в своей работе асинхронный режим передачи (АРП).
Известны устройство и способ мультиплексирования, при котором переполнение буферных устройств предотвращают путем считывания элементов данных из буферов, имеющих большее их число, однако при этом высший приоритет имеют буферы, из которых длительное время элементы данных не считывались (по патенту «Устройство мультиплексирования элементов данных в асинхронном режиме передачи и способ» / Доуг-Йоунг Сонг (KR) – RU 2129750. Заявка 96124250/09; Заявл. 1996.12.25; Опубл. 1999.04.27, которое является наиболее близким техническим решением заявленному). Недостатком этого устройства и способа является то, что перегрузку буферов оценивают числом накопленных в них элементов данных. В этом случае переполнение i-го буфера возможно, когда элементы данных выводят из j-x буферов, которые имеют большее заполнение, но меньшую скорость поступления элементов данных по сравнению с i-м буфером, особенно когда трафик, входящий в него, имеет характер неравномерный и пульсирующий. Кроме того, буфер, из которого необходимо выводить элементы данных, определяется только на основе сравнения загруженности буферов и интервалов времени, в течение которого из них считывания не производилось (задержки). Поэтому пропускная способность и буферные устройства используются неэффективно.
Другим недостатком такого подхода является отсутствие прямой связи между требованиями к качеству обслуживания трафика и оценкой перегрузки. Поэтому распределение пропускной способности статистически уплотняемого канала связи и использование буферной памяти является не вполне обоснованным и, как следствие, не может быть эффективным.
Целью изобретения является повышение эффективности использования имеющейся пропускной способности и емкости буфера.
Эта цель достигается тем, что в каждом буферном устройстве определяют значение входной информационной мощности; вычисляют, в зависимости от допустимого времени ожидания, требуемую скорость передачи; затем с помощью мультиплексора распределяют пропускную способность между буферными устройствами, исходя из полученных значений требуемых скоростей передачи.
Для реализации этого способа в состав каждого буферного устройства введены блок определения входной информационной мощности (БОВИМ), блок расчета требуемой скорости передачи (БРТСП), блок расчета допустимой задержки (БРДЗ). При этом к входам БОВИМ подключены выходы счетчиков записи и чтения, выход БОВИМ соединен с первым входом БРТСП, ко второму входу которого подключен выход БРДЗ; выходы блоков расчета требуемой скорости передачи каждого буферного устройства соединены с входом устройства управления.
Описание изобретения поясняется чертежами, на которых показаны:
на фиг.1 – структурная схема устройства асинхронного мультиплексирования;
на фиг.2 – блок-схема алгоритма расчета необходимой скорости передачи для каждого входного потока;
на фиг.3 – блок-схема алгоритма расчета допустимой задержки;
на фиг.4 – блок-схема алгоритма передачи элементов данных.
Осуществление предлагаемого способа и устройства основывается на следующих теоретических положениях.
Понятие информационной мощности раскрыто в работе «Методология анализа и синтеза предельно нагруженных информационных сетей»: Монография. / И.И.Пасечников. – М.: «Издательство машиностроение-1», 2004. – 216 с. Способ оценки информационных возможностей системы связи представлен в работе «Способ оценки информационных возможностей системы связи» / Т.Я.Гораздовский, И.И.Пасечников (РФ). – Патент 2225074 РФ, МПК Н 04 L 29/02. Заявка 2002101647; Заявл. 15.01.2002; Опубл. 27.02.2004, Бюл. № 6.
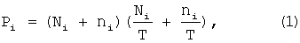
Ввод элементов данных в мультиплексор и их вывод представляют тензорными ортогональными моделями («Методология анализа и синтеза предельно нагруженных информационных сетей»: Монография. И.И.Пасечников. – М.: «Издательство машиностроение-1», 2004. – 216 с.). Для каждого i-го буферного устройства входная информационная мощность определяется из следующего выражения

где Рi – информационная мощность на входе i-го буферного устройства;
Ni – количество элементов данных, поступивших в буфер за интервал времени T;
ni – количество хранящихся элементов данных в буфере;
Т – временной интервал наблюдения при определении параметров входного трафика;
i=0…p – номер буферного устройства.
Информационная мощность на выходе i-го буферного устройства определяется выражением

где
– информационная мощность на выходе i-го буферного устройства;
– требуемая скорость передачи для i-го буферного устройства;
– накопления, соответствующие ;
– число элементов в i-м буферном устройстве, которое должно остаться после вывода элементов данных из буфера;
– интенсивность передачи элементов данных, соответствующая ;
i=0…р – номер буферного устройства.
С учетом того, что все накопления, имеющиеся в буферных устройствах, должны быть выведены из него, выражение для выходной информационной мощности можно переписать в следующем виде

где
– информационная мощность на выходе i-го буферного устройства;
– требуемая скорость передачи для i-го буферного устройства;
– допустимое время пребывания элемента данных в i-м буферном устройстве, определяемое типом передаваемого трафика;
i=0…p – номер буферного устройства.
Так как возникновение и уничтожение элементов данных в буферном устройстве не происходит, то условием эффективной его работы является сохранение информационной мощности на входе устройства (1) и его выходе (3). Поэтому требуемая скорость передачи для каждого буферного устройства определяется выражением

где
– требуемая скорость передачи элементов данных для i-го буферного устройства;
Рi – входная информационная мощность i-го буферного устройства;
– допустимое время пребывания элемента данных в i-м буферном устройстве, определяемое типом передаваемого трафика;
i=0…p – номер буферного устройства.
Определение требуемой скорости передачи позволяет сравнить между собой нагрузку информационных потоков, имеющих различные значения входной информационной мощности и допустимое время .
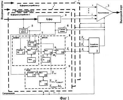
Структурная схема устройства асинхронного мультиплексирования представлена на фиг.1 и содержит: р буферных устройств 1, входами которых являются входные порты устройства; устройство управления 2, мультиплексор 3, к входам которого подключены выходы буферных устройств 1 и выход устройства управления 2, к входам которого подключены другие выходы буферных устройств 1, для передачи рассчитанных значений требуемой скорости передачи. Выход мультиплексора 3 является выходным портом устройства мультиплексирования.
Каждое буферное устройство содержит буфер 4 для хранения элементов данных, к входам которого подключены счетчик записи 5 и счетчик чтения 6; БОВИМ 7, БРТСП 8, БРДЗ 9. Информационный вход буфера 2 является входным портом буферного устройства и соответственно устройства мультиплексирования. К выходу буфера 2 подключен один из входов мультиплексора 3.
БОВИМ 7 в своем составе имеет счетчик поступивших элементов данных 11, к входу которого подключен выход счетчика записи 5; часы 13; счетчик элементов данных в буфере 10, к суммирующему входу которого подключен выход счетчика записи 3, а к вычитающему входу «-1» – выход счетчика чтения 4; вычислитель 12, к входам которого подключены выходы счетчика 11, счетчика элементов данных в буфере 10 и часов 13.
БРТСП 8 служит для расчета требуемой скорости передачи элементов данных исходя из входной нагрузки, оцениваемой информационной мощностью Рi. В его состав входит память 15, вычислитель 14, к входам которого подключены выходы вычислителя 12 и памяти 15; решающее устройство (РУ) 16, к входам которого подключены выходы вычислителя 14 и счетчика 10.
БРДЗ 9 предназначен для определения допустимой задержки элементов данных в буфере и его состав включает память 19, счетчик 17, к входу которого подключен выход счетчика чтения 4; вычислитель 18, к входам которого подключены выход счетчика 17 и памяти 19.
Описанное устройство реализует предложенный способ следующим образом.
При поступлении элементов данных на входной порт буферного устройства 1 в счетчике записи 5 обеспечивают формирование синхроимпульсов для их записи в буфер 4. При считывании элементов данных из буфера 4 в счетчике чтения 6 обеспечивают формирование синхроимпульсов чтения для считывания элементов данных из буфера.
В счетчике поступивших элементов данных 11 считают количество элементов данных, поступивших в буфер Ni за некоторый интервал времени Т, определяемый часами 13, и тем самым обеспечивают определение интенсивности входного потока. В счетчике 10 определяют количество элементов данных ni, находящихся в буфере 4. С помощью вычислителя 12 определяют входную информационную мощность Рi, используя выражение (1).
В вычислителе 14 определяют необходимую скорость передачи буферного устройства 1, с учетом допустимого времени пребывания элементов данных в очереди , из выражения (4).
Значение определяют в вычислителе 18 БРДЗ 9, и порядок его определения будет раскрыт ниже. Также в вычислителе 14 определяют количество временных окон, необходимых для передачи элементов данных Мi со скоростью в заданном интервале передачи Тц, используя выражение

где Мi – требуемое число временных окон на интервале распределения пропускной способности Тц,
– требуемая скорость передачи;
Тц – интервал распределения пропускной способности.
Для хранения значения Тц используют запоминающее устройство 15. В случае когда число накоплений в буфере не равно нулю, на выход решающего устройства 16 подают значение Мi.
В счетчике 17 считают количество циклов передачи, используя импульсы синхронизации, и обнуляют его при считывании элементов данных с помощью сигналов, поступающих от счетчика чтения 6. Таким образом, в счетчике 17 определяют число пропущенных циклов передачи k, при этом в вычислителе 18 уменьшают значение допустимого времени задержки пропорционально k, до заранее определенного минимального значения Tд,min

где – допустимое время нахождения элементов данных в i-м буфере в момент времени t; – допустимое время нахождения элементов данных в i-м буфере в момент времени t+1;
k – количество пропущенных циклов передачи;
t – заранее определенный интервал времени.
В противоположном случае, когда элементы данных передают в каждом цикле передачи, в вычислителе 18 увеличивают значение до заранее определенного максимального значения Tд,max

где – допустимое время нахождения элементов данных в i-м буфере в момент времени t; – допустимое время нахождения элементов данных в i-м буфере в момент времени t+1;
t – заранее определенный интервал времени.
Необходимо отметить, что значения Tд,max, Tд,min, t определяют исходя из особенностей обслуживаемого трафика.
В памяти 19 хранят значения параметров Тд,max, Тд,min, t.
В устройстве управления 2 выбирают буфера с максимальным значением Si на его входе, а также формирование и передачу для выбранного буферного устройства (на вход счетчика чтения 6) и мультиплексора 3 импульса считывания.
В мультиплексоре 3 производят коммутацию информационного выхода буферного устройства к выходу устройства мультиплексирования и считывание элементов данных из буфера по выходному сигналу устройства управления 2.
В данном способе асинхронное мультиплексирование осуществляют на основе анализа входной мощности трафика, поступающего в буферные устройства в течение интервала наблюдения Т. С использованием равенства информационных мощностей определяют необходимую скорость передачи для каждого информационного потока в цикле передачи длительностью Тц.
Работу устройства мультиплексирования разделяют на два этапа. На первом этапе определяют требуемую скорость передачи (в виде необходимого числа временных окон Мi) для каждого буферного устройства 1 исходя из его входной мощности и допустимого времени задержки. На втором этапе выбирают наиболее нагруженный буфер, в смысле информационной мощности, и передают элементы данных. Первый этап исполняют через интервал времени T, определяемый часами 13. Второй этап – в начале каждого цикла передачи.
Блок-схема алгоритма определения необходимой скорости передачи (М) представлена на чертеже 2. При определении входной информационной мощности в вычислитель 12 передают значение счетчика поступивших элементов данных 11 и часов 13; затем определяют информационную мощность входного потока (шаг 20). На шаге 21 обнуляют и перезапускают счетчик поступивших элементов данных 11 и часов 13. На шаге 22 в вычислителе 14 определяют значение требуемой скорости передачи , и на шаге 23 определяют значение необходимого числа временных окон Мi, из выражений (4) и (5). Далее полученное значение Мi подают на вход решающего устройства 16.
Значение допустимой задержки определяют при каждой передаче мультиплексором элементов данных. Блок-схема алгоритма вычисления представлена на чертеже 3. Для определения проверяют значение счетчика 17 k (шаг 24). Если значение k равно нулю, то увеличивают значение с заданным шагом t до максимального значения Tд,max, определяемого типом трафика, что позволяет увеличить эффективность использования буферной памяти без ущерба качеству обслуживания (шаги 25, 27, 29). В противном случае, когда значение счетчика 17 k не равно нулю, уменьшают значение допустимой задержки до минимального значения Tд,min с изменяемым шагом k· t (шаги 26, 28, 30). Более медленное и равномерное изменение значения в сторону увеличения необходимо для поглощения пульсаций трафика, а выбор шага t обусловлен типом передаваемого трафика. Полученное значение допустимой задержки подают на вход вычислителя 14, а также сохраняют в памяти 19 (шаг 31).
Блок-схема алгоритма передачи элементов данных представлена на чертеже 4. При передаче очередного элемента данных в решающем устройстве 16 каждого буферного устройства 1 проверяют равенство нулю накоплений в буфере ni и подают на его выход Si значение, равное нулю, если данное условие выполняется. В случае когда накопления в буфере присутствуют, то есть значение ni нулю не равно, значение на выход решающего устройства 16 Si подают значение, равное Мi. Данная проверка необходима для предотвращения попытки передать пустое временное окно (шаги 32, 33, 34). На следующем шаге 35 алгоритма с помощью устройства управления 2 выбирают буферное устройство t с максимальным значением Si, действующем на выходе решающих устройств 16 буферных устройств 1, то есть буфер, для которого требуется большее число временных окон в цикле передачи Тц (или скорость передачи). Далее в устройстве управления 2 формируют управляющие сигналы для коммутации мультиплексора 3 к выбранному буферному устройству 1 (шаг 36), команду на считывание элементов данных из него (шаг 37).
Таким образом, предложенные способ и устройство для мультиплексирования элементов данных при асинхронном режиме передачи позволяют повысить эффективность использования пропускной способности уплотняемого канала связи и буферных устройств за счет:
– учета при распределении пропускной способности как возможностей хранения информации системой, так и ее скоростных возможностей, при этом перегрузка буферных устройств учитывается не только в смысле заполнения их элементами данных, но и в смысле невозможности данного буферного устройства обеспечить заданное время задержки, скорость передачи или загруженность элементами данных буферного устройства;
– использования при определении необходимых ресурсов для передачи входного трафика, закона сохранения мощности;
– одновременного решения задачи асинхронного мультиплексирования для всех имеющихся типов трафика, отличающихся скоростью передачи и допустимым временем задержки.
Формула изобретения
1. Способ асинхронного мультиплексирования элементов данных, заключающийся в передаче элементов данных различных информационных потоков по одному каналу связи, отличающийся тем, что в каждом буферном устройстве определяют значение входной информационной мощности; с использованием равенства информационных мощностей определяют необходимую скорость передачи для каждого информационного потока в цикле передачи, исходя из его входной мощности и допустимого времени задержки, вычисляют, в зависимости от допустимого времени задержки, требуемую скорость передачи; затем, с помощью мультиплексора распределяют пропускную способность между буферными устройствами, исходя из максимальных значений требуемых скоростей передачи.
2. Устройство мультиплексирования элементов данных для асинхронного режима передачи, содержащее буферные устройства, входами которых являются входные порты устройства; устройство управления, мультиплексор, к входам которого подключены информационные выходы буферных устройств и выход устройства управления, при этом выход мультиплексора является выходным портом устройства мультиплексирования, отличающееся тем, что каждое буферное устройство содержит блок определения информационной мощности входного потока, блок расчета допустимой задержки, блок расчета требуемой скорости передачи элементов данных; при этом к входам блока определения информационной мощности входного потока подключены выходы счетчика записи, который обеспечивает формирование синхроимпульсов для записи элементов данных в буфер и счетчика чтения, который обеспечивает формирование синхроимпульсов чтения для считывания элементов данных из буфера по выходному сигналу устройства управления, выход блока определения информационной мощности входного потока соединен с первым входом блока расчета требуемой скорости передачи элементов данных, с учетом допустимого времени задержки элементов данных, ко второму входу которого подключен выход блока расчета допустимого времени задержки элементов данных в буфере на основе подсчета циклов передачи, используя импульсы синхронизации, поступающие от счетчика чтения; выходы блоков расчета требуемой скорости передачи каждого буферного устройства соединены с входами устройства управления, в котором выбирают буфера с максимальным значением требуемой скорости передачи, а также формируют и передают для выбранного буферного устройства на вход счетчика чтения и мультиплексора импульсы считывания.
РИСУНКИ
|