|
| На основании пункта 3 статьи 13 Патентного закона Российской Федерации от 23 сентября 1992 г. № 3517-I патентообладатель обязуется передать исключительное право на изобретение (уступить патент) на условиях, соответствующих установившейся практике, лицу, первому изъявившему такое желание и уведомившему об этом патентообладателя и федеральный орган исполнительной власти по интеллектуальной собственности, – гражданину РФ или российскому юридическому лицу. |
|
(21), (22) Заявка: 2006127832/02, 31.07.2006
(24) Дата начала отсчета срока действия патента:
31.07.2006
(46) Опубликовано: 10.03.2008
(56) Список документов, цитированных в отчете о поиске:
RU 2274676 C2, 20.04.2006. RU 2085831 C1, 27.07.1997. RU 2084819 C1, 20.07, 1997. SU 141504 A1, 07.08.1988. RU 2167392 C2, 20.05.2001. WO 94/11745 A, 26.05.1994. JP 3238303 A, 24.10.1991. JP 58-158504 A, 20.09.1983.
Адрес для переписки:
355021, г.Ставрополь, ул. Ленина, 320, СВВАИУ, НИО, Ефанову В.В.
|
(72) Автор(ы):
Ефанов Василий Васильевич (RU), Мужичек Сергей Михайлович (RU), Резуненко Вера Федоровна (RU)
(73) Патентообладатель(и):
Ефанов Василий Васильевич (RU), Мужичек Сергей Михайлович (RU), Резуненко Вера Федоровна (RU)
|
(54) СПОСОБ КОНТРОЛЯ ПРОЦЕССА НАНЕСЕНИЯ ПОКРЫТИЙ В ВАКУУМЕ И УСТРОЙСТВО ДЛЯ ЕГО ОСУЩЕСТВЛЕНИЯ
(57) Реферат:
Изобретение относится к способу и устройству нанесения покрытий и может быть использовано в приборостроении, электронной промышленности и машиностроении. Возбуждают колебания камертона, на концах которого размещены контрольные образцы. Нагревают контрольные образцы до заданных значений путем сравнения текущей температуры контрольных образцов с заданными. Измеряют начальный период колебаний и регистрируют его значения. Наносят покрытие при измерении текущих значений периода колебаний камертона. Определяют толщину покрытия по разности начальных и текущих значений колебаний на основе сравнения их с результатами пробных нанесений покрытия. Определяют момент начала нанесения покрытия, прогнозируемое время до окончания нанесения заданной толщины покрытий на основе определения динамики изменения скорости нанесения покрытия, и осуществляют предварительную сигнализацию о завершении процесса нанесения покрытия при достижении толщины покрытия, равной уровню 0,9 заданной толщины покрытия. Осуществляют сигнализацию об окончании нанесения покрытия на контрольные образцы при достижении заданной толщины нанесения покрытия. Технический результат – в повышении информативности и качества процесса нанесения покрытий. 2 н.п. ф-лы, 3 ил.
Изобретение относится к покрытиям металлических материалов, а именно к управлению способом нанесения покрытия, и может быть использовано в приборостроении, электронной промышленности и машиностроении для контроля толщины покрытий при нанесении их в вакууме.
Наиболее близким к изобретению является способ контроля толщины покрытий в процессе нанесения их в вакууме, заключающийся в возбуждении колебаний камертона, на концах которого размещены контрольные образцы, нагреве контрольных образцов до заданных значений для стабилизации температуры ветвей камертона за счет регулирования источника питания, измерении начального периода колебаний и регистрации его значений, осуществлении нанесения покрытий, измерении текущих значений периода колебаний камертона, определении толщины покрытия по разности начальных и текущих значений колебаний и сравнении их с результатами разности колебаний, полученных при пробных нанесениях покрытий (Патент РФ на изобретение №2274676, кл. С23С 14/54, 20.04.2006).
Наиболее близким к изобретению является устройство для контроля толщины покрытий в процессе нанесения их в вакууме, содержащее, по крайней мере, один контрольный образец, регулируемый источник питания, нагреватель контрольного образца, соединенный с выходом регулируемого источника питания, преобразователь температуры контрольного образца, блок регистрации толщины покрытия и преобразователь толщины покрытия контрольного образца, содержащий систему возбуждения колебаний, связанную с блоком регистрации толщины покрытиями, и колебательную систему, преобразователь толщины покрытия контрольного образца, выполненный в виде камертона, содержащего, по крайней мере, две ветви, при этом контрольные образцы закреплены на каждой ветви камертона, при этом преобразователь температуры контрольного образца выполнен в виде терморезистора, система возбуждения колебаний содержит датчик колебаний, выход которого соединен с входом усилителя сигнала, а выход усилителя соединен с выходом устройства для возбуждения колебаний и блоком регистрации, кроме того, преобразователь температуры контрольного образца расположен вблизи ветвей камертона, имеет задатчик температуры, при этом регулируемый источник питания имеет два входа, один из которых соединен с преобразователем температуры контрольного образца, а другой с задатчиком температуры (Патент РФ на изобретение №2274676, Кл. С23С 14/54, 20.04.2006).
Недостатком данных способа и устройства является осуществление нанесения покрытия без учета времени выполнения процесса нанесения покрытия, при этом не достоверно определяется момент начала нанесения покрытия, не осуществляется предупредительная сигнализация о достижение промежуточной толщины нанесенного покрытия, не учитывается скорость нанесения покрытия и, как следствие, не определяется прогнозируемое время достижения заданной толщины нанесения покрытия и не выдается сигнал об окончания нанесения покрытия.
Отсутствие информации о динамике выполнения этапов процесса нанесения покрытия приводит к большому проценту выбраковки продукции, так как не осуществляется настройка и контроль функционирования устройства для нанесения покрытий.
Техническим результатом изобретения является повышение информативности процесса и качества нанесения покрытия за счет осуществления постоянного наблюдения этапов процесса.
Сущность изобретения состоит в том, что в способе контроля процесса нанесения покрытий в вакууме, включающем возбуждение колебаний камертона, на концах которого размещены контрольные образцы, нагрев контрольных образцов до заданных значений для стабилизации температуры ветвей камертона за счет сравнения текущей температуры контрольных образцов с заданными, фиксацию момента нагрева контрольных образцов до заданного значения, измерение начального периода колебаний и регистрация его значений, осуществление нанесения покрытий, измерение текущих значений периода колебаний камертона, определение толщины покрытия по разности начальных и текущих значений колебаний и сравнение их с результатами пробных нанесений покрытия, дополнительно определяют момент начала нанесении покрытия, определяют прогнозируемое время до окончание нанесения заданной толщины покрытий на основе определения скорости нанесения покрытия, осуществляют предварительную сигнализацию о завершении процесса нанесения покрытия при достижении толщины нанесения покрытия, равной 0,9 от заданной толщины, и сигнализацию об окончании нанесения покрытия на контрольные образцы при достижении заданной толщины нанесения покрытия.
Заявляемый способ реализуется в устройстве для контроля процесса нанесения покрытий в вакууме, содержащем, по крайней мере, один контрольный образец, регулируемый источник питания, нагреватель контрольного образца, соединенный с выходом регулируемого источника питания, преобразователь температуры контрольного образца, блок регистрации толщины покрытия и преобразователь толщины покрытия контрольного образца, содержащий систему возбуждения колебаний, связанную с блоком регистрации толщины покрытиями, колебательную систему, преобразователь толщины покрытия контрольного образца выполнен в виде камертона, содержащего, по крайней мере, две ветви, при этом контрольные образцы закреплены на каждой ветви камертона, преобразователь температуры контрольного образца выполнен в виде терморезистора, система возбуждения колебаний содержит датчик колебаний, выход которого соединен с входом усилителя сигнала, а выход усилителя соединен с выходом устройства для возбуждения колебаний и блоком регистрации, преобразователь температуры контрольного образца расположен вблизи ветвей камертона, имеет задатчик температуры, при этом регулируемый источник питания имеет два входа, один из которых соединен с преобразователем температуры контрольного образца, а другой с задатчиком температуры, дополнительно введены блок обработки информации, индикатор начала нанесения покрытия, индикатор прогнозируемого времени до достижения заданной толщины покрытия, индикатор предупредительной сигнализации о завершения процесса нанесения покрытия, индикатор окончания нанесения покрытия, причем первый и второй вход блока обработки информации соединен соответственно с выходом преобразователя температуры и выходом датчика колебаний, первый выход блока соединен с входом индикатора, сигнализирующего о начале нанесения покрытия, второй выход – с индикатором о прогнозируемом времени окончания нанесения покрытия, третий выход – с индикатором предупредительной сигнализации о завершении процесса нанесения покрытия, четвертый выход – с индикатором окончания нанесения покрытия, при этом блок обработки информации состоит из первого, второго, третьего, четвертого пороговых устройств, первого и второго задатчика сигналов, диода, первого, второго, третьего элементов И, генератора импульсов, первого, второго, третьего счетчиков, вычитающего устройства, первого и второго элементов И-НЕ, сдвигового регистра, первого и второго триггеров, кнопки «Пуск», причем первый вход блока соединен со входом первого порогового устройства, второй вход которого соединен с выходом первого задатчика сигналов, а выход с третьим входом первого элемента И, первый вход которого через диод соединен со вторым входом блока, второй вход соединен с генератором импульсов, а выход соединен одновременно через первый элемент И-НЕ с выходом индикатора начала нанесения покрытия и с первым входом счетчика, второй выход которого объединен со вторыми входами второго и третьего счетчиков, первого и второго триггеров и соединен с выходом кнопки «Пуск», а выход соединен с первым входом вычитающего устройства, второй вход которого через второй счетчик соединен с выходом второго элемента И, вход которого соединен с выходом диода, выход вычитающего устройства соединен с первыми входами первого, второго и третьего пороговых устройств, вторые входы которых соединены с группой выходов второго задатчика сигналов, а выход первого порогового устройства соединен с входом сдвигового регистра, выход которого соединен с первым входом третьего элемента И, второй вход которого соединен через второй элемент И-НЕ с выходом второго порогового устройства, третий вход соединен с выходом генератора импульсов, а выход соединен с первым входом третьего счетчика, выход которого является вторым выходом блока и соединен с индикатором прогнозирования времени до окончания нанесения покрытия, выход второго порогового устройства через второй триггер соединен с входом индикатора предупреждения о завершения процесса нанесения покрытия, выход третьего порогового устройства через триггер соединен с индикатором окончания нанесения покрытия.
Новыми признаками, обладающими существенными отличиями по способу, является следующая совокупность действий.
1. Определяют момент начала нанесение покрытия.
2. Определяют прогнозируемое время до окончания процесса нанесения покрытия на основе определения скорости нанесения покрытия.
3. Осуществляют предварительную сигнализацию о завершении процесса нанесения покрытия при достижении толщины нанесения покрытия, равной 0,9 от заданной толщины.
4. Осуществляют сигнализацию об окончании нанесения покрытия на контрольные образцы при достижении заданной толщины нанесения покрытий.
Новыми существенными элементами по устройству являются блок обработки информации, индикаторы различных контрольных точек процесса нанесения покрытий и связи между известными и новыми элементами устройства.
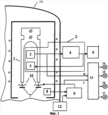
Предлагаемое изобретение поясняется чертежами, где на фиг.1 приведена схема устройства, на фиг.2 представлен Н-образный камертон и пример расположения контрольных образцов на камертоне, на фиг.3 приведен блок обработки информации.
Устройство для контроля процесса нанесения покрытий в вакууме (фиг.1) содержит преобразователь толщины покрытия в виде камертона 1 и системы 2 возбуждения колебаний, блок 13 обработки информации (фиг.3), индикатор 14 начала нанесения покрытия, индикатор 15 прогнозируемого времени достижения заданной толщины нанесения покрытия, индикатор 16 предупредительной сигнализации о завершение процесса нанесения покрытия, индикатор 17 окончания нанесения покрытия. Система 2 возбуждения колебаний содержит датчик колебаний 3, построенный, например, на фотоэлектрическом принципе, усилитель сигнала 4 датчика колебаний 3 и устройство возбуждения колебаний 5 камертона 1, выполненное в виде электромагнита. Выход системы возбуждения колебаний 2 соединен с входом блока регистрации 6. На концах ветвей камертона 1 закреплены съемные контрольные образцы 7, приемные поверхности которых обращены навстречу паровому потоку. В месте крепления одного из контрольных образцов 7 или рядом с ними расположен преобразователь температуры 8 контрольных образцов 7, выполненный в виде терморезистора. Преобразователь температуры 8 соединен с одним из входов регулируемого источника питания 9 нагревателя 10 контрольных образцов 7. Камертон 1 с контрольными образцами 7, нагревателем 10 контрольных образцов 7, преобразователем температуры 8, датчиком колебаний 3 и устройством возбуждения колебаний 5 помещен в водоохлаждаемый корпус 11, который размещен в рабочей камере установки для нанесения покрытий в вакууме. Нагрев контрольных образцов 7 производится до температуры, заданной задатчиком температуры 12. Первый и второй входы блока 13 обработки информации соединены соответственно с выходом датчика 3 колебаний и выходом преобразователя 8 температуры, первый выход блока 13 соединен с входом индикатора 14, сигнализирующего о начале нанесения покрытия, второй выход – с индикатором 15 о прогнозируемом времени окончания нанесения покрытия, третий выход – с индикатором 16 предупредительной сигнализации о завершении процесса нанесения покрытия, четвертый выход – с индикатором 17 окончания нанесения покрытия, блок 13 обработки информации состоит из первого 18, второго 19, третьего 20, четвертого 21 пороговых устройств, первого 22 и второго 23 задатчика сигналов, диода 24, первого 25, второго 26, третьего 27 элемента И, генератора 28 импульсов, первого 29, второго 30, третьего 31 счетчиков, вычитающего устройства 32, первого 33 и второго 34 элементов И-НЕ, сдвигового регистра 35, первого 36 и второго 37 триггеров, кнопки 38 «Пуск», причем первый вход блока 13 соединен с входом первого 18 порогового устройства, второй вход которого соединен с выходом первого 22 задатчика сигналов, а выход с третьим входом первого 25 элемента И, первый и второй входы которого соединены соответственно через диод 24 со вторым входом блока 13, и с генератором 28 импульсов, а выход соединен одновременно через первый 33 элемент И-НЕ с выходом индикатора 14 начало нанесения покрытия и с первым входом первого 29 счетчика, второй выход которого объединен со вторыми входами второго 30 и третьего 31 счетчиков, первого 36 и второго 37 триггеров и соединен с выходом кнопки 38 «Пуск», а выход соединен с первым входом вычитающего устройства 32, второй вход которого через второй 30 счетчик соединен с выходом второго 26 элемента И, первый вход которого соединен с выходом диода 24. Выход вычитающего устройства 32 соединен с первыми входами первого 19, второго 20 и третьего 21 пороговых устройств, вторые входы которых соединены с группой выходов второго 23 задатчика сигналов, выход первого 19 порогового устройства соединен с входом сдвигового регистра 35, выход которого соединен с первым входом третьего 27 элемента И, второй вход которого соединен через второй 34 элемент И-НЕ с выходом второго 20 порогового устройства, третий вход соединен с выходом генератора 28 импульсов, а выход соединен с первым входом третьего 31 счетчика, выход которого является вторым выходом блока 13 и соединен с индикатором 15 прогнозирования времени окончания нанесения покрытия, выход второго 20 порогового устройства через второй 36 триггер соединен с входом индикатора 16 предупредительной сигнализации о завершении процесса нанесения покрытия, выход третьего 21 порогового устройства через триггер 37 соединен с индикатором 17 окончания нанесения покрытия.
Камертон 1 может иметь любую известную форму, например U-образную (фиг.1), Н-образную (фиг.2), W-образную и другие. Пример расположения контрольных образцов 7 на Н-образном камертоне 1 представлен на фиг.2
Отсутствие контроля процесса нанесения покрытия в вакууме приводит к большому проценту бракованной продукции.
Необходимо на всех этапах процесса осуществлять синхронизацию действий устройства, для этого целесообразно контролировать момент начало нанесения покрытия, определять скорость нанесения покрытия, обеспечить своевременное отключение устройство напыления с учетом измеренной скорости нанесения покрытия.
Предлагаемые действия способа позволят, с одной стороны, осуществить настройку устройства, с другой стороны, повысить точность напыления за счет учета скорости напыления и своевременного отключения заявляемого устройства.
Устройство для контроля процесса нанесения покрытий в вакууме работает следующим образом.
При включении питания устройства система возбуждения колебаний 2 возбуждает непрерывные колебания камертона 1. Включается нагреватель 10 контрольных образцов 7. Температура контрольных образцов 7 и преобразователя температуры 8 увеличивается и через некоторое время становится равной или близкой к заданной температуре. Температура задается сигналом, поступающим на второй вход регулируемого источника питания 9 от задатчика температуры 12. Нагрев контрольных образцов необходим для стабилизации температуры ветвей камертона 1, а также для приближения условий осаждения покрытия на контрольных образцах 7 к соответствующим условиям на покрываемых изделиях. После установления стационарной температуры устройство готово к работе, причем начальный период колебаний камертона 1 определяется жесткостью ветвей камертона 1, а также их массой и массой контрольных образцов 7, регистрируется и отображается блоком регистрации 6.
При нанесении покрытия на контрольные образцы 7 масса их увеличивается, что приводит к увеличению периода колебаний камертона 1. Разность между начальным периодом колебаний и текущим значением периода содержит информацию о толщине покрытия, которую можно рассчитать или определить, откалибровав устройство для контроля толщины покрытий по результатам пробных нанесений покрытия.
Для обеспечения наблюдения за процессом нанесения покрытия используется блок 13 обработки информации.
При нажатии на кнопку 38 «Пуск» обеспечивается «обнуление» элементов блока 13 за счет поступления на вторые входы первого 29, второго 30 и третьего 31 счетчика, первого 36 и второго 37 триггеров.
На первый и второй входы блока 13 обработки информации поступают сигналы соответственно с выхода преобразователя 8 температуры и выхода датчика 3 колебаний, при этом сигнал с первого входа блока поступает на первый вход первого 18 порогового устройства, на второй вход которого поступает сигнал с выхода первого 22 задатчика сигналов. При условии превышения текущего значения температуры сигнал с выхода первого порогового устройства поступает на третий вход первого 25 элемента И, на первый и второй входы которого поступают сигналы соответственно через диод 24 со второго входа блока 13 и с выхода генератора 28 импульсов.
С выхода элемента И 25 сигнал через первый 33 элемент И-НЕ поступает на выход индикатора 14 начало нанесения покрытия, сигнализируя о начале процесса нанесения покрытий, и одновременно поступает на первый вход первого 29 счетчика, с выхода которого поступает на первый вход вычитающего устройства 32, на второй вход которого сигнал поступает через второй 30 счетчик с выхода второго 26 элемента И, на первый вход которого поступает сигнал с выхода диода 24.
С выхода вычитающего устройства 32 сигнал, пропорциональный разности периодов колебаний камертона, поступает на первые входы первого 19, второго 20 и третьего 21 пороговых устройств, на вторые входы которых поступают сигналы с группы выходов второго 23 задатчика сигналов.
В случае превышения текущего уровня сигнала заданному значению с выхода первого 19 порогового устройства сигнал поступает на вход сдвигового регистра 35, с выхода которого поступает на первый вход третьего 27 элемента И, на второй и третий вход которого поступают сигналы соответственно через второй 34 элемент И-НЕ с выхода второго 20 порогового устройства и с выхода генератора 28 импульсов.
Сигналы с выхода элемента И 27 поступают на первый вход третьего 31 счетчика, выход которого является вторым выходом блока 13 и соединен с индикатором 15 прогнозирования времени окончания нанесения покрытия.
В момент срабатывания второго 20 порогового устройства сигнал поступает на вход второго 34 элемента И-НЕ и подсчет импульсов прекращается.
Таким образом, определяется скорость напыления и на основе данной информации осуществляется прогнозирование времени прекращения напыления, кроме того, через второй 36 триггер сигнал поступает на вход индикатора 16 предупредительной сигнализации о завершении нанесения покрытия.
При дальнейшем нанесении покрытий сигнал с выхода третьего 21 порогового устройства через триггер 37 поступает на индикатор 17 окончания нанесения покрытия.
Таким образом, осуществляется контроль процесса нанесения покрытий в вакууме.
Источники информации
1. Патент РФ на изобретение №2274676, Кл. С23С 14/54, 20.04.2006 (прототип).
Формула изобретения
1. Способ контроля процесса нанесения покрытий в вакууме, включающий возбуждение колебаний камертона, на концах которого размещены контрольные образцы, нагрев контрольных образцов до заданных значений для стабилизации температуры ветвей камертона за счет сравнения текущей температуры контрольных образцов с заданными, фиксацию момента нагрева контрольных образцов до заданного значения, измерение начального периода колебаний и регистрация его значений, осуществление нанесения покрытия, измерение текущих значений периода колебаний камертона, определение толщины покрытия по разности начальных и текущих значений колебаний и сравнение их с результатами пробных нанесений покрытия, отличающийся тем, что дополнительно определяют момент начала нанесении покрытия, определяют прогнозируемое время до окончания нанесения заданной толщины покрытий на основе определения скорости нанесения покрытия, осуществляют предварительную сигнализацию о завершении процесса нанесения покрытия при достижении толщины нанесения покрытия равной 0,9 от заданной толщины и сигнализацию об окончании нанесения покрытия на контрольные образцы при достижении заданной толщины нанесения покрытия.
2. Устройство для контроля процесса нанесения покрытий в вакууме, содержащее по крайней мере один контрольный образец, регулируемый источник питания, нагреватель контрольного образца, соединенный с выходом регулируемого источника питания, преобразователь температуры контрольного образца, блок регистрации толщины покрытия и преобразователь толщины покрытия контрольного образца, содержащий систему возбуждения колебаний, связанную с блоком регистрации толщины покрытия, колебательную систему, преобразователь толщины покрытия контрольного образца, выполненный в виде камертона с по крайней мере двумя ветвями, при этом контрольные образцы закреплены на каждой ветви камертона, преобразователь температуры контрольного образца выполнен в виде терморезистора, система возбуждения колебаний содержит датчик колебаний, выход которого соединен с входом усилителя сигнала, а выход усилителя соединен с выходом устройства для возбуждения колебаний и блоком регистрации, преобразователь температуры контрольного образца расположен вблизи ветвей камертона, имеет задатчик температуры, при этом регулируемый источник питания имеет два входа, один из которых соединен с преобразователем температуры контрольного образца, а другой с задатчиком температуры, отличающееся тем, что оно имеет блок обработки информации, индикатор начала нанесения покрытия, индикатор прогнозируемого времени до достижения заданной толщины покрытия, индикатор предупредительной сигнализации о завершении процесса нанесения покрытия, индикатор окончания нанесения покрытия, причем первый и второй вход блока обработки информации соединен соответственно с выходом преобразователя температуры и выходом датчика колебаний, первый выход блока соединен с входом индикатора начала нанесения покрытия, второй выход – с индикатором о прогнозируемом времени окончания нанесения покрытия, третий выход – с индикатором предупредительной сигнализации о завершении нанесения покрытия, четвертый выход – с индикатором окончания нанесения покрытия, блок обработки информации состоит из первого, второго, третьего, четвертого пороговых устройств, первого и второго задатчика сигналов, диода, первого, второго, третьего элемента И, генератора импульсов, первого, второго, третьего счетчиков, вычитающего устройства, первого и второго элементов И-НЕ, сдвигового регистра, первого и второго триггеров, кнопки «Пуск», причем первый вход блока соединен со входом первого порогового устройства, второй вход которого соединен с выходом первого задатчика сигналов, а выход с третьим входом первого элемента И, первый вход которого через диод соединен со вторым входом блока, второй вход соединен с генератором импульсов, а выход первого элемента И соединен одновременно через первый элемент И-НЕ с выходом индикатора начало нанесения покрытия и с первым входом счетчика, второй вход которого объединен со вторыми входами второго и третьего счетчиков, первого и второго триггеров и соединен с выходом кнопки «Пуск», а выход первого счетчика соединен с первым входом вычитающего устройства, второй вход которого через второй счетчик соединен с выходом второго элемента И, вход которого соединен с выходом диода, выход вычитающего устройства соединен с первыми входами первого, второго и третьего пороговых устройств, вторые входы которых соединены с группой выходов второго задатчика сигналов, выход первого порогового устройства соединен с входом сдвигового регистра, выход которого соединен с первым входом третьего элемента И, второй вход которого соединен через второй элемент И-НЕ с выходом второго порогового устройства, третий вход соединен с выходом генератора импульсов, а выход третьего элемента И соединен с первым входом третьего счетчика, выход которого является вторым выходом блока и соединен с индикатором прогнозирования времени до окончания нанесения покрытия, выход второго порогового устройства через второй триггер соединен с входом индикатора предупреждения о завершении процесса нанесения покрытия, выход третьего порогового устройства через третий триггер соединен с индикатором окончания нанесения покрытия.
РИСУНКИ
|
|