|
|
(21), (22) Заявка: 2006122651/11, 23.06.2006
(24) Дата начала отсчета срока действия патента:
23.06.2006
(46) Опубликовано: 10.03.2008
(56) Список документов, цитированных в отчете о поиске:
SU 1532405 A1, 30.12.1989. SU 1230902 A1, 15.05.1986. SU 387872 A1, 01.01.1973. SU 765074 Al, 28.09.1980. SU 962074 A1, 03.03.1981.
Адрес для переписки:
410000, г.Саратов, Главпочтамт, а/я 62, Н.В. Романовой
|
(72) Автор(ы):
Ганеев Эдуард Анварович (RU), Волосов Вячеслав Георгиевич (RU), Ханбиков Изгать Джафярович (RU), Минаков Евгений Юрьевич (RU), Никуличев Алексей Владимирович (RU)
(73) Патентообладатель(и):
ЗАКРЫТОЕ АКЦИОНЕРНОЕ ОБЩЕСТВО ЭЛЕКТРОТЕХНИЧЕСКИЙ ЗАВОД “ГЭКСАР” (RU)
|
(54) УСТРОЙСТВО УПРАВЛЕНИЯ ГОРОЧНЫМ ЭЛЕКТРОПРИВОДОМ ПЕРЕМЕННОГО ТОКА
(57) Реферат:
Изобретение относится к области автоматики и телемеханики на железнодорожном транспорте и может быть использовано для управления приводом с трехфазным асинхронным двигателем переменного тока. Устройство для управления горочным электроприводом переменного тока содержит фазоконтрольное устройство с тремя входами и пятью выходами, один из которых соединен с пусковым реле, элементы реверсирования и бесконтактной коммутации. Элемент реверсирования выполнен в виде реле, а элемент бесконтактной коммутации – в виде оптоэлектронного коммутатора. В устройство введены реле автовозврата, устройство контроля работы электропривода на фрикцию с индикатором, устройство определения пробоя оптоэлектронного коммутатора с устройством контроля его состояния и с индикатором, реле технической диагностики, вспомогательное реле, реле контроля положения стрелки, фазоконтрольное устройство снабжено индикатором обрыва рабочей цепи. Техническим результатом изобретения является повышение надежности и безопасности средств управления горочными электроприводами. 1 ил.
Изобретение относится к области автоматики и телемеханики на железнодорожном транспорте и может быть использовано для управления приводом с трехфазным асинхронным двигателем переменного тока.
Известно устройство для управления стрелочным электроприводом, содержащее электропривод с автопереключателем и шибером, два тиристора, коммутирующие рабочие цепи электропривода, конденсаторы, резисторы, блок автовозврата, выполненный на тиристоре и транзисторном реле времени, стрелочное путевое реле централизации. Устройство также содержит два импульсных трансформатора запуска тиристоров. Цепь реле времени автовозврата включена в рабочую цепь двигателя (см. АС СССР №251608, МПК B61L).
Недостатком устройства является наличие контактной коммутации.
Известно устройство управления стрелкой в горочной автоматической централизации, содержащее стрелочный электропривод, пусковые блоки для включения и реверсирования электропривода и контрольные реле положения стрелки – минусовое и плюсовое, два бесконтактных переключателя для плюсового и минусового положения стрелки, подключенные с одной стороны – непосредственно к одному полюсу источника питания переменного тока, а с другой стороны – через соответствующее контрольное реле положения стрелки к другому полюсу источника питания. Каждый пусковой блок имеет конденсатор, одна из пластин которого подключена к плюсу источника питания через тыловой контакт соответствующего контрольного реле положения стрелки и к минусу источника питания через фронтовой контакт того же реле, а другая пластина подключена через резистор к пусковому блоку включения электропривода (см. АС СССР №387872, МПК B61L 5/06).
Однако данное устройство не позволяет контролировать неисправности.
Известно устройство управления стрелочным электроприводом переменного тока, содержащее пусковое реле, в цепь питания которого включены контакты стрелочной рукоятки, включенные в цепь питания электродвигателя последовательно фазоконтрольный блок и бесконтактный реверсор, имеющий на входах согласующие трансформаторы. Устройство снабжено вспомогательным пусковым реле (см. АС СССР №1230902, МПК B61L 7/08).
Наиболее близким к предлагаемому решению является устройство для управления стрелочным приводом переменного тока, содержащее пусковое реле, элементы реверсирования и бесконтактной коммутации, фазоконтрольный блок, элементы диагностики с индикаторами неисправностей работы (см. авт. Св-во СССР №1532405, МПК В61L 7/08).
Недостатком устройства является сложность схем управления основным и резервным бесконтактным реверсором, большое падение напряжения на двух последовательно включенных бесконтактных элементах коммутации и вследствие этого большое тепловыделение. Недостатком устройства также является отсутствие контроля дополнительных бесконтактных ключевых элементов.
Задачей настоящего решения является повышение надежности и безопасности средств управления горочными электроприводами.
Поставленная задача решается тем, что в устройстве для управления горочным электроприводом переменного тока, содержащем фазоконтрольное устройство с тремя входами и пятью выходами, один из которых соединен с пусковым реле, элементы реверсирования и бесконтактной коммутации, согласно решению, элемент реверсирования выполнен в виде реле, а элемент бесконтактной коммутации в виде оптоэлектронного коммутатора, в устройство введены реле автовозврата, устройство контроля работы электропривода на фрикцию с индикатором, устройство определения пробоя оптоэлектронного коммутатора с устройством контроля его состояния и с индикатором, реле технической диагностики, вспомогательное реле, реле контроля положения стрелки, фазоконтрольное устройство снабжено индикатором обрыва рабочей цепи, при этом первая обмотка пускового реле подключена к реле реверса, реле технической диагностики и фазоконтрольному устройству, вторая обмотка подключена к вспомогательному реле и к минусовому полюсу источника питания, оптоэлектронный коммутатор имеет входы для подключения к устройствам горочной автоматической централизации, а его выходы подключены к входам фазоконтрольного устройства, пусковое реле имеет контакты для подключения к горочному электроприводу, а один выход фазоконтрольного устройства подключен к индикатору обрыва рабочей цепи, входы устройства контроля состояния оптоэлектронного коммутатора подключены ко входам и выходам оптоэлектронного коммутатора, а выходы устройства контроля состояния оптоэлектронного коммутатора соединены со входами устройства определения пробоя оптоэлектронного коммутатора, один вход которого соединен с контактами реле технической диагностики и пускового реле, а два выхода подключены к обмоткам реле технической диагностики, подключенному одним выводом к плюсовому полюсу источника питания и имеющему контакт для подключения к устройствам горочной автоматической централизации, один вход устройства контроля работы электропривода на фрикцию соединен с контактами реле контроля датчиков положения стрелки, а другой предназначен для подключения к устройствам горочной автоматической централизации, один выход устройства контроля работы электропривода на фрикцию подключен к входу устройства определения пробоя оптоэлектронного коммутатора, один вход управления оптоэлектронного коммутатора подключен к минусовому полюсу источника питания, а другой соединен с контактами реле контроля положения стрелки, другие контакты которых подключены к контактам реле реверса, один контакт пускового реле подключен к контакту вспомогательного реле, а другой подключен к плюсовому полюсу источника питания, один выход фазоконтрольного устройства подключен к контакту пускового реле, два других его выхода подключены к контактам реле реверса, а контакты реле реверса имеют связь между собой и подключены к контактам пускового реле.
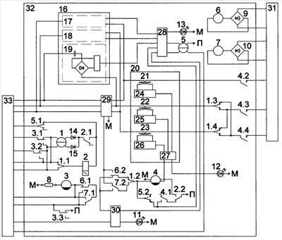
Изобретение поясняется чертежом, где
1 – реле реверса;
2 – вспомогательное реле;
3 – реле автовозврата;
4 – пусковое реле;
5 – реле технической диагностики:
6, 7 – реле контроля положения стрелки;
8 – резистор для настройки реле автовозврата;
9, 10 – диодные мосты;
11, 12, 13 – элементы индикации;
14, 15 – диоды;
16 – устройство контроля оптоэлектронного коммутатора;
17-19 – датчики тока;
20 – фазоконтрольное устройство;
21-23 – трансформаторы тока;
24-26 – схемы определения тока в цепях питания электродвигателя;
27 – устройство обработки сигналов от схем определения тока;
28 – устройство определения пробоя оптоэлектронного коммутатора;
29 – оптоэлектронный коммутатор;
30 – устройство контроля работы электропривода на фрикцию;
31 – горочный электропривод;
32 – устройство управления горочным электроприводом;
33 – устройства горочной автоматической централизации (ГАЦ);
М – минусовой контакт источника питания;
П – плюсовой контакт источника питания.
Положения показанных на чертеже реле соответствуют исходному состоянию устройства управления горочным электроприводом 32:
реле 3, 6 – под током;
реле 2, 4, 7 – без тока;
реле 1, 5 переброшены током прямой полярности.
Устройство управления горочным электроприводом содержит пусковое реле 4 с замыкающими контактами 4.1, 4.2, 4.3, 4.4. Первая обмотка пускового реле подключена одним выводом к фазоконтрольному устройству 20, а другим выводом к контакту 1.2 реле реверса и контакту 5.2 реле технической диагностики. Вторая обмотка пускового реле 4 подключена одним выводом к контакту 2.2 вспомогательного реле, а другим выводом к минусовому полюсу источника питания. Входы оптоэлектронного коммутатора 29 подключены к устройствам ГАЦ 33, а его выходы подключены ко входам фазоконтрольного устройства 20. Три выхода фазоконтрольного устройства 20, через контакты реле реверса 1.3, 1.4 и контакты пускового реле 4.2, 4.3, 4.4 подключены к стрелочному приводу 31, а один выход фазоконтрольного устройства 20 подключен к элементу индикации 12. Входы устройства контроля оптоэлектронного коммутатора 16 подключены к входам и выходам оптоэлектронного коммутатора 29, а выходы устройства 16 соединены с входами устройства определения пробоя оптоэлектронного коммутатора 28. Один выход устройства 28 соединен с элементом индикации 13, а два других его выхода подключены к первым выводам двух обмоток реле технической диагностики 5. Второй вывод первой обмотки реле 5 подключен к плюсовому полюсу источника питания, а второй вывод второй обмотки реле 5 соединен с устройствами ГАЦ 33. Один вход устройства контроля работы привода на фрикцию 30 соединен с контактами реле контроля датчиков положения стрелки 6.2, 7.2, а другой подключен к устройствам ГАЦ 33. Один выход устройства 30 подключен к входу устройства 28, а другой подключен к элементу индикации 11. Один вход управления оптоэлектронного коммутатора 29 подключен к минусовому полюсу источника питания, а другой соединен с контактами 6.2, 7.2 реле контроля датчиков положения стрелки. Контакты реле 6.2, 7.2, другими выводами подключены к контакту 1.2 реле реверса. Контакт пускового реле 4.1 одним своим выводом подключен к контакту 5.2 реле технической диагностики и входу устройства 28, а другим выводом к контакту 2.2 вспомогательного реле. Третий вывод контакта вспомогательного реле 2.2 подключен к плюсовому полюсу источника питания. В качестве элемента бесконтактной коммутации применено трехфазное оптоэлектронное реле М026А-63-12. Устройство контроля оптоэлектронного коммутатора представляет собой три датчика тока с гальванической развязкой на выходе. Фазоконтрольное устройство выполнено на базе трех трансформаторов тока 21-23 с электронными схемами определения тока в цепях питания электродвигателя 24-26 и содержит устройство для обработки сигналов от схем определения тока 27. Устройство контроля работы электропривода на фрикцию выполнено с применением электроники и предназначено для блокировки работы электропривода, если время работы электродвигателя на фрикцию превышает 5 секунд. Устройство определения пробоя оптоэлектронного коммутатора представляет собой электронную схему, которая выполняет функции анализа аварийных состояний и управляет реле технической диагностики.
Устройство управления горочным электроприводом работает следующим образом. При переводе стрелки, например, в минусовое положение, к обмотке вспомогательного реле 2, через замкнутые контакты 1.1 и 5.1 прикладывается питающее напряжение, подаваемое от устройств ГАЦ 33. Реле 2 срабатывает, замыкает свои контакты 2.1, 2.2 и подключает первую обмотку реле реверса 1 через диод 14 к минусовому полюсу цепи питания. Одновременно с этим через замкнутый контакт 2.2 первая обмотка реле 4 оказывается под напряжением. Пусковое реле 4 и реле реверса 1 срабатывают и коммутируют цепи питания электродвигателя, создавая условия для вращения в нужном направлении, при этом размыкается цепь питания обмотки реле 2, работающего с замедлением на отпускание. По истечении времени задержки реле 2 отпускает якорь и возвращает свои контакты в положение, показанное на чертеже. На вывод управления оптоэлектронного коммутатора 29 подается напряжение от плюсового полюса источника питания через контакты 2.2, 4.1, 5.2, 1.2, 7.2, а через контакты 2.2, 4.1 на вход устройства определения пробоя оптоэлектронного коммутатора подается сигнал блокировки на время работы электропривода. Оптоэлектронный коммутатор срабатывает и подключает электродвигатель через цепи фазоконтрольного устройства 20, контакты 1.3, 1.4, 4.2, 4.3, 4.4 к напряжению трехфазной цепи переменного тока. Электродвигатель запускается и через трансформаторы тока 21, 22, 23 фазоконтрольного устройства начинает протекать ток, потребляемый электродвигателем. Схемы контроля тока 24, 25, 26 выдают сигналы на устройство 27, которое, в случае протекания тока через все три трансформатора, подключает вывод обмотки реле 4 к минусовому полюсу источника питания. Пусковое реле 4 удерживает свой якорь за счет протекания тока через вторую обмотку по цепи: плюсовой полюс источника питания, контакты 2.2, 4.1, 5.2, вторая обмотка реле 4, минусовой полюс источника питания. Реле 4 работает с замедлением на отпускание, поэтому при переключении контакта 2.2 оно не успевает отпустить свой якорь. После того, как электропривод закончит перевод стрелки в минусовое положение, сработает контрольное реле 7 датчика минусового положения стрелки и своим контактом 7.2 разорвет цепь управления оптоэлектронного коммутатора. Оптоэлектронный коммутатор отключит электродвигатель от сети переменного тока, а фазоконтрольное устройство разорвет цепь питания обмотки пускового реле 4. Выдержав замедление, реле 4 отпустит свой якорь. Таким образом, осуществляется бездуговая коммутация цепей электродвигателя.
Если в цепях питания электродвигателя имеется обрыв, то при попытке перевода стрелки фазоконтрольное устройство 20 обнаружит отсутствие тока и заблокирует пусковое реле 4. Реле 4, выдержав замедление, разомкнет цепи питания электродвигателя, а фазоконтрольное устройство 20 включит элемент индикации 12, информирующий обслуживающий персонал о неисправности. При следующем, успешном запуске электродвигателя сигнал аварии с элемента индикации 12 будет снят.
Необходимо отметить, что проверка пробоя ключей коммутатора 29 производится в режиме ожидания, когда его ключи заперты, а во время перевода стрелки сигналом блокировки с контакта 4.1 устройство 28 заблокировано.
При пробое в режиме ожидания одного из каналов оптоэлектронного коммутатора 29 через один из датчиков тока устройства 16 начинает протекать ток, превышающий его пороговое значение. На выходе датчика появляется сигнал, который поступает на вход устройства определения пробоя оптоэлектронного коммутатора 28. Устройство 28, получив сигнал от датчика, включит элемент индикации 13 и реле технической диагностики 5. Если пробой оптоэлектронного коммутатора произойдет во время перевода стрелки, и после размыкания его цепи управления один из каналов останется включенным, то после перевода стрелки пусковое реле 4 вернется в исходное состояние, сигнал блокировки с контакта 4.1 будет снят, и на выходе устройства 28 появятся сигналы включения элемента индикации 13 и реле технической диагностики 5. Реле 5 разорвет цепь питания обмотки пускового реле 4 своим разомкнутым контактом 5.2, и заблокирует запуск электродвигателя привода до устранения неисправности. При пробое двух каналов оптоэлектронного коммутатора устройство управления горочным электроприводом работает так же, как описано выше. Если пробитыми окажутся все три канала коммутатора или будет потерян контроль положения стрелки, то в этом случае фазоконтрольное устройство 20 не сможет разорвать цепь питания обмотки пускового реле 4, и после перевода стрелки электродвигатель привода будет работать на фрикцию. Однако устройство контроля работы электропривода на фрикцию 30 через 5 секунд выдаст сигналы аварии на устройство 28 и элемент индикации 11. Устройство 28 включит реле технической диагностики 5, которое своим контактом 5.2 разорвет цепь обмотки пускового реле 4. Пусковое реле отпустит свой якорь и отключит в аварийном режиме электродвигатель от сети переменного тока. После того как неисправность будет устранена и реле технической диагностики 5 возвращено в исходное состояние, сигналы аварии с выходов устройства 30 будут сняты.
Формула изобретения
Устройство для управления горочным электроприводом переменного тока, содержащее фазоконтрольное устройство с тремя входами и пятью выходами, один из которых соединен с пусковым реле, элементы реверсирования и бесконтактной коммутации, отличающееся тем, что элемент реверсирования выполнен в виде реле, а элемент бесконтактной коммутации – в виде оптоэлектронного коммутатора, в устройство введены реле автовозврата, устройство контроля работы электропривода на фрикцию с индикатором, устройство определения пробоя оптоэлектронного коммутатора с устройством контроля его состояния и с индикатором, реле технической диагностики, вспомогательное реле, реле контроля положения стрелки, фазоконтрольное устройство снабжено индикатором обрыва рабочей цепи, при этом первая обмотка пускового реле подключена к реле реверса, реле технической диагностики и фазоконтрольному устройству, вторая обмотка подключена к вспомогательному реле и к минусовому полюсу источника питания, оптоэлектронный коммутатор имеет входы для подключения к устройствам горочной автоматической централизации, а его выходы подключены ко входам фазоконтрольного устройства, пусковое реле имеет контакты для подключения к горочному электроприводу, а один выход фазоконтрольного устройства подключен к индикатору обрыва рабочей цепи, входы устройства контроля состояния оптоэлектронного коммутатора подключены ко входам и выходам оптоэлектронного коммутатора, а выходы устройства контроля состояния оптоэлектронного коммутатора соединены со входами устройства определения пробоя оптоэлектронного коммутатора, один вход которого соединен с контактами реле технической диагностики и пускового реле, а два выхода подключены к обмоткам реле технической диагностики, подключенному одним выводом к плюсовому полюсу источника питания и имеющему контакт для подключения к устройствам горочной автоматической централизации, один вход устройства контроля работы электропривода на фрикцию соединен с контактами реле контроля датчиков положения стрелки, а другой предназначен для подключения к устройствам горочной автоматической централизации, один выход устройства контроля работы электропривода на фрикцию подключен к входу устройства определения пробоя оптоэлектронного коммутатора, один вход управления оптоэлектронного коммутатора подключен к минусовому полюсу источника питания, а другой соединен с контактами реле контроля положения стрелки, другие контакты которых подключены к контактам реле реверса, один контакт пускового реле подключен к контакту вспомогательного реле, а другой подключен к плюсовому полюсу источника питания, один выход фазоконтрольного устройства подключен к контакту пускового реле, два других его выхода подключены к контактам реле реверса, а контакты реле реверса имеют связь между собой и подключены к контактам пускового реле.
РИСУНКИ
PD4A – Изменение наименования обладателя патента СССР или патента Российской Федерации на изобретение
(73) Новое наименование патентообладателя:
Общество с ограниченной ответственностью Электротехнический завод “ГЭКСАР” (ООО ЭТЗ “ГЭКСАР””) (RU)
Адрес для переписки:
410000, г. Саратов, Главпочтамт, а/я 73, Патентному поверенному Куликову В.Д.
Извещение опубликовано: 27.02.2009 БИ: 06/2009
|
|