|
|
(21), (22) Заявка: 2006116823/12, 16.05.2006
(24) Дата начала отсчета срока действия патента:
16.05.2006
(46) Опубликовано: 10.03.2008
(56) Список документов, цитированных в отчете о поиске:
RU 2004130573 A, 20.03.2006. SU 730365 A1, 30.04.1980. EP 0723822 A1, 31.07.1996.
Адрес для переписки:
445633, Самарская обл., г. Тольятти, Южное ш., 36, ОАО “АВТОВАЗ”, ДИТО, ОЭПП ПТУ, С.Н. Буренкову
|
(72) Автор(ы):
Каревский Валентин Дмитриевич (RU), Сидоренков Сергей Владимирович (RU)
(73) Патентообладатель(и):
Открытое акционерное общество “АВТОВАЗ” (RU)
|
(54) УСТАНОВКА ДЛЯ МОЙКИ ИЗДЕЛИЙ
(57) Реферат:
Изобретение относится к очистке и подготовке поверхностей изделий под покрытия, в частности к струйной очистке изделий и очистке моющего раствора для многократного его использования. Изобретение обеспечивает повышение качества очистки моющего раствора, следовательно, его экономии и повышение качества очистки поверхностей изделий, улучшение ремонтообслуживания установки. Установка содержит камеру с размещенными в ней контурами промывки, расположенную под камерой ванну для моющего раствора, оснащенную фильтрующими перегородками и насосом для подачи моющего раствора в контуры промывки, и связанную с ванной емкость для регенерации моющего раствора с установленными в ней магнитными перегородками, несущими закрепленные рядами постоянные магниты. Магнитные перегородки расположены рядами параллельно направлению потока моющего раствора с одинаковым шагом между собой, при этом перегородки одного ряда смещены относительно перегородок другого ряда на половину шага, каждая перегородка снабжена в верхней части выступами и установлена на съемных балках, имеющих вертикальные пазы с расширенной верхней частью. Балки установлены на опорах, имеющих удлиненную боковую стенку, а на входе и выходе емкости для регенерации моющего раствора установлены распределительные перегородки, расположенные перпендикулярно к магнитным перегородкам, при этом ряды постоянных магнитов в каждой магнитной перегородке выполнены наклонными и расположены под углом к вертикальной оси, полюса магнитов имеют одинаковое изменение полярности в каждом ряду, а в распределительных перегородках выполнена перфорация. 5 ил.
Изобретение относится к очистке и подготовке поверхностей изделий под покрытия, в частности к способам струйной мойки изделий и очистке моющего раствора для многократного использования.
Известна «Установка для очистки деталей» по авторскому свидетельству СССР №1792753, МПК В08В 3/02, 1993, которая содержит камеру для деталей с размещенными в ней коллекторами подачи моющей жидкости, систему сбора отработанной жидкости с лотками, отводящий трубопровод, соединяющий систему сбора отработанной жидкости, а также снабжена узлом очистки рабочей жидкости, выполненным в виде вмонтированных в отводящий трубопровод перепускного клапана, запорной арматуры, насоса, фильтра и отводного канала, при этом перепускной клапан соединен с отводным каналом, лотки смонтированы в центральной и периферийной частях дна камер и связаны между собой.
Недостатком известной установки является сложность конструкции, низкая степень очистки моющей жидкости, вызванная тем, что очистка производится только при помощи фильтра.
Наиболее близким по технической сущности к предлагаемому изобретению является устройство для мойки изделий, раскрытое в заявке №2004130573, В08В 3/02, В08В 3/10 с решением о выдаче патента от 17.01.2006 г., опубликованной 20.03.2006 г. «Способ мойки изделий и устройство для его осуществления». Известное устройство содержит камеру с размещенными в ней контурами промывки для подачи моющего раствора на изделия, расположенную под камерой ванну для моющего раствора, оснащенную фильтрующими элементами и насосом для подачи моющего раствора в контуры промывки. Ванна снабжена магнитными перегородками, размещенными в ней на разной высоте по ходу движения моющего раствора, сливным лотком, установленным на одной из ее стенок и связанным с системой слива и расположенным на противоположной стороне ванны контуром сдува с соплами. Магнитные перегородки выполнены съемными, состоящими из двух плоских отбортованных листов, изготовленных из немагнитной нержавеющей стали и сваренных между собой, между ними расположены плоские магниты, установленные рядами таким образом, что полюса магнитов имеют периодическое изменение полярности по длине и ширине перегородки.
Недостатком устройства является недостаточная степень очистки моющего раствора, обусловленная перпендикулярным расположением магнитных перегородок к направлению потока моющего раствора, большим расстоянием между перегородками, вследствие чего не все металлические частицы успевают притягиваться к ним. Кроме того, недостатком устройства является и то, что магнитная очистка моющего раствора может производиться только во время работы контуров промывки.
Технической задачей, решаемой данным изобретением, является повышение качества очистки моющего раствора, следовательно, его экономии и повышение качества очистки поверхностей изделий, улучшение ремонтообслуживания установки.
Поставленная техническая задача достигается тем, что в установке для мойки изделий, содержащей камеру с размещенными в ней контурами промывки, расположенную под камерой ванну для моющего раствора, оснащенную фильтрующими перегородками и насосом для подачи моющего раствора в контуры промывки, связанная с ванной емкость для регенерации моющего раствора с установленными в ней магнитными перегородками, несущими закрепленные рядами постоянные магниты, магнитные перегородки расположены рядами параллельно направлению потока моющего раствора с одинаковым шагом между собой, причем магнитные перегородки одного ряда смещены относительно магнитных перегородок другого ряда на половину шага. Каждая магнитная перегородка снабжена в верхней части выступами и установлена на съемных балках, имеющих вертикальные пазы с расширенной верхней частью. Балки установлены на опорах, имеющих удлиненную боковую стенку. На входе и выходе емкости для регенерации моющего раствора установлены распределительные перегородки, расположенные перпендикулярно к магнитным перегородкам. Ряды постоянных магнитов в каждой магнитной перегородке выполнены наклонными и расположены под углом к вертикальной оси, а полюса магнитов имеют одинаковое изменение полярности. В распределительных перегородках выполнена перфорация.
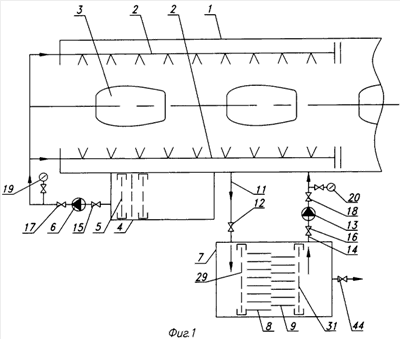
На фиг.1 показан общий вид установки для мойки изделий, вид в плане; на фиг.2 – емкость для регенерации моющего раствора, вид в плане; на фиг.3 – продольный разрез А-А на фиг.2; на фиг.4 – поперечный разрез Б-Б на фиг.2; на фиг.5 – поперечный разрез перегородки магнитной.
Установка для мойки изделий содержит камеру 1 с размещенными в ней контурами 2 промывки для подачи моющего раствора на изделия 3, расположенную под камерой 1 ванну 4, оснащенную фильтрующими перегородками 5 и насосом 6 для подачи моющего раствора в контуры 2 промывки, и емкость 7 для регенерации моющего раствора с расположенными в ней магнитными перегородками 8 и 9, несущими постоянные магниты 10. Емкость 7 связана с ванной 4 трубопроводом 11 с регулируемым вентилем 12 и снабжена рециркуляционным насосом 13 для подачи очищенного моющего раствора через трубопровод 14 в ванну 4. Насосы 6 и 13 оснащены соответственно на входе отсечными вентилями 15 и 16, на выходе регулируемыми вентилями 17, 18 и узлами контроля давления 19, 20. Магнитные перегородки 8, 9 расположены в емкости 7 рядами параллельно направлению потока с одинаковым шагом, например, t=40÷60 мм, причем перегородки 8 одного ряда смещены относительно перегородок 9 другого ряда на половину шага, снабжены в верхней части выступами 21 и установлены на съемных балках 22, 23, 24, имеющих вертикальные пазы 25 с расширенной верхней частью 26. Выступы 21 необходимы для удержания магнитных перегородок 8, 9 в вертикальных пазах 25. Балки 22, 23, 24 установлены на опорах 27, снабженных удлиненной боковой стенкой 28, служащей направляющей для установки магнитных перегородок 8, 9 в пазы 25, расширенная верхняя часть 26 которых облегчает эту установку. На входе емкости 7 установлена распределительная перегородка 29, размещенная в направляющей 30, а на выходе – распределительная перегородка 31, размещенная в направляющей 32. Распределительные перегородки 29, 31 расположены перпендикулярно магнитным перегородкам 8, 9 и выполнены с перфорацией 33. Перегородки 29, 31 снабжены ручками 34 для выемки из направляющих 30, 32. Магнитные перегородки 8, 9 состоят из сваренных между собой двух плоских отбортованных листов 35, 36, изготовленных из немагнитной нержавеющей стали, между которыми расположены плоские постоянные магниты 10, установленные наклонными рядами в направляющих 37 с углом наклона =60° от вертикальной оси, при этом полюса магнитов 10: N – северный полюс 38 и S – южный полюс 39 имеют одинаковое изменение полярности в каждом ряду. Для поддержания формы плоские отбортованные листы 35, 36 соединены между собой вставками 40, а магнитные перегородки 8, 9 в сборе снабжены ручками 41. Емкость 7 закрыта сверху съемными крышками 42, имеет сливной патрубок 43 с вентилем 44, предназначенным для слива загрязнений.
Установка для мойки изделий работает следующим образом.
Насос 6 нагнетает в контуры 2 промывки моющий раствор для промывки изделия 3. Регулировку давления моющего раствора в контурах 2 промывки осуществляют с помощью регулировочного вентиля 17, визуальный контроль – по узлу контроля давления 19. Стекающий с изделия 3 загрязненный моющий раствор поступает в расположенную под камерой 1 ванну 4. Проходя через фильтрующие перегородки 5, моющий раствор поступает к всасывающему патрубку насоса 6, откуда опять нагнетается в контуры 2 промывки.
Магнитная очистка моющего раствора производится в отдельной емкости 7, оснащенной магнитными 8, 9 и распределительными 29, 31 перегородками, при этом очистка может производиться вне зависимости от работы контуров 2 промывки. Предварительно открывают вентиль 12 на трубопроводе 11, связывающем ванну 4 с емкостью 7 и заполняют ее моющим раствором, после чего открывают вентиль 16 на всасывающем патрубке 14 рециркуляционного насоса 13. Включают насос 13 и регулирующим вентилем 18 устанавливают необходимую подачу загрязненного моющего раствора через емкость 7, контроль подачи осуществляют по узлу контроля 20 давления. Во время работы насоса 13, загрязненный моющий раствор проходит через распределительные перегородки 29, 31, равномерно распределяясь по всему сечению емкости 7, перемещается в пространстве между магнитными перегородками 8, 9, при этом мелкие металлические частицы, находящиеся в загрязненном моющем растворе, осаждаются на наружных поверхностях листов 35, 36 перегородок 8, 9. Расположение магнитных перегородок 8, 9 рядами параллельно направлению потока с одинаковым шагом, например, 40÷60 мм, и со смещением перегородок 9 относительно перегородок 8 на половину шага, а также оснащение емкости 7 на входе и выходе, перпендикулярно магнитным перегородкам 8, 9, распределительными перегородками 29, 31 с выполненной в них перфорацией 33 способствует наиболее полной очистке раствора от металлических частиц. Этому также способствует и выполнение магнитных перегородок 8, 9 с наклонным расположением рядов постоянных магнитов 10 с углом =60° от вертикальной оси с одинаковым изменением полярности полюсов 38, 39 магнитов 10 в каждом ряду, практически перекрывающее все пространство в емкости 7 по ходу потока моющего раствора. Снабжение магнитных перегородок 8, 9 в верхней части выступами 21, установка их на съемных балках 22, 23, 24, имеющих вертикальные пазы 25 с расширенной верхней частью 26, а также снабжение опор 27 удлиненными боковыми стенками 28 позволяет обеспечить быструю установку и выемку перегородок 8, 9, 29, 31 и балок 22, 23, 24 из емкости 7 и освободить тем самым весь ее внутренний объем, что облегчает ее очистку от загрязнений и улучшает ремонтообспуживание установки.
Изобретение позволяет значительно повысить качество очистки и, следовательно, увеличить срок использования моющего раствора, одновременно повысить качество мойки изделий, улучшить ремонтообслуживание установки, а также избежать засорения канализации мелкими металлическими опилками.
Формула изобретения
Установка для мойки изделий, содержащая камеру с размещенными в ней контурами промывки, расположенную под камерой ванну для моющего раствора, оснащенную фильтрующими перегородками и насосом для подачи моющего раствора в контуры промывки, связанная с ванной емкость для регенерации моющего раствора с установленными в ней магнитными перегородками, несущими закрепленные рядами постоянные магниты, отличающаяся тем, что магнитные перегородки расположены рядами параллельно направлению потока моющего раствора с одинаковым шагом между собой, причем магнитные перегородки одного ряда смещены относительно магнитных перегородок другого ряда на половину шага, каждая магнитная перегородка снабжена в верхней части выступами и установлена на съемных балках, имеющих вертикальные пазы с расширенной верхней частью, балки установлены на опорах, имеющих удлиненную боковую стенку, а на входе и выходе емкости для регенерации моющего раствора установлены распределительные перегородки, расположенные перпендикулярно к магнитным перегородкам, при этом ряды постоянных магнитов в каждой магнитной перегородке выполнены наклонными и расположены под углом к вертикальной оси, полюса магнитов имеют одинаковое изменение полярности в каждом ряду, а в распределительных перегородках выполнена перфорация.
РИСУНКИ
|
|