|
|
(21), (22) Заявка: 2006119202/14, 02.06.2006
(24) Дата начала отсчета срока действия патента:
02.06.2006
(46) Опубликовано: 10.03.2008
(56) Список документов, цитированных в отчете о поиске:
RU 2164424 C1, 27.03.2001. RU 2132707 C1, 10.07.1999. UA 948 U, 16.07.2001. US 5314400 A, 24.05.1994. ЩУКИН С.И. Аппараты и системы для биоадекватной электромагнитной терапии и активной диагностики. Биомедицинская радиоэлектроника, 1999, №3, с.6-14. КОНОПЛЕВ С.П. Электромагнитная терапия, ЭЛИС, 1999, с.14, 24, 25. YUNG K.T. A birdcage model for the
Адрес для переписки:
300001, г.Тула, ул. Епифанская, 29, кв.211, пат.пов. В.И.Курчакову
|
(72) Автор(ы):
Бывших Андрей Валерьевич (RU), Ильичев Сергей Владимирович (RU), Михайлов Вадим Алексеевич (RU), Пахоменков Юрий Алексеевич (RU)
(73) Патентообладатель(и):
Михайлов Вадим Алексеевич (RU)
|
(54) УСТРОЙСТВО ЭЛЕКТРОМАГНИТНОЙ ТЕРАПИИ И СПОСОБ ЭЛЕКТРОМАГНИТНОЙ ТЕРАПИИ
(57) Реферат:
Изобретения относятся к медицине, а именно к устройствам для проведения низкочастотной электромагнитной терапии и способам терапии с использованием таких устройств. Устройство включает корпус, источник питания, клавиатуру управления, антенное устройство, устройство согласования с антенной, стабилизатор, источник питания, микропроцессорный контроллер и блок сопряжения с персональным компьютером. При этом микропроцессорный контроллер включает генератор электрических импульсов для контактной терапии, генератор программируемой частоты 0-100 Гц и генератор качающей частоты 0-10 Гц, связанные с блоком управления микропроцессорным контроллером, а также съемные ручные электроды, связанные через устройство обнаружения контакта с руками с выходом генератора импульсов для контактной терапии. Устройство согласования с антенной связано с выходами генераторов программируемой и качающей частот, а антенное устройство выполнено в виде внутренней антенны и съемной внешней антенны, каждая из которых связанна с соответствующим выходом согласующего устройства. Способ включает воздействие импульсным электромагнитным полем на биологически активные точки и биологически активные зоны организма человека. При этом воздействие осуществляют изменяющимся электромагнитным полем с возрастанием частоты следования радиоимпульсов от 0,1 до 10 Гц с шагом дискретизации от 0,05 до 0,5 Гц и количеством импульсов от 5 до 20 на каждом шаге дискретизации. Сигнал промодулирован несущей частотой 10-15 кГц. Применение данной группы изобретений позволит проводить поэтапную стимуляцию дренажных функций всех органов и систем человека, а также антипаразитарную терапию. 2 н. и 3 з.п.ф-лы, 2 ил.
(56) (продолжение):
CLASS=”b560m”Chinese meridian system: part III. Possible mechanism of magnetic therapy. Am J Chin Med. 2005; 33(4):589-97. (Реферат в PubMed, №16173533).
Изобретения относятся к области медицинской техники, а именно к устройствам низкочастотной электромагнитной терапии, для воздействия на организм человека при лечении и профилактике различных заболеваний, и способам терапии с использованием таких устройств.
Заявляемые в качестве изобретений технические решения являются продолжением работ в области низкочастотной релаксационной терапии, основанной на воздействии короткими электрическими импульсами (от 0,1 до 100 мс) с током от 0,1 до 100 мА по методикам Р.Фолля, Ф.Крамера, О.Клаусса, О.Коллмера, Пауля-Шмидта и др., через электроды на биологически активные точки или на биологически активные зоны тела человека. Более подробно об этом можно прочесть в патенте РФ №2164424 от 28.06.1999, МПК7 А61N 2/04.
Известно устройство для воздействия импульсным электромагнитным полем, включающее формирователь сигналов, содержащий генератор низкочастотных токовых импульсов, к выходу которого подключена передающая антенна для воздействия на обрабатываемую область тела, отличающееся тем, что для переноса ионов, в частности протонов, из электролитических жидкостей тела в окружающие их стенки сосудов и мембраны и сквозь них, параметры электромагнитного поля выбраны такими, чтобы энергия, наводимая им в электролитической жидкости, превышала тепловую энергию и находилась в пределах амплитудного окна, характерного для клеток, излучатель выполнен в виде передающей катушки, выполненной предпочтительно с малой индуктивностью, а генератор выполнен таким образом, что основной токовый импульс состоит из накладываемых друг на друга токового сигнала прямоугольной формы и тока, увеличивающегося по экспоненциальной зависимости, с последующим интервалом, имеющим не меньшую длительность, основная частота основного токового импульса с интервалами между основными импульсами составляет 100-1000 Гц, предпочтительно 200 Гц, амплитуда последовательности основных импульсов модулирована частотой 0,5-35 Гц, предпочтительно 20 Гц, модулированная последовательность основных импульсов передается в виде серии импульсов в течение 0,3-1,0 с, за которой следует пауза в течение 0,7-5,0 с [Описание изобретения к патенту РФ №2093213 от 03.07.1992 (09.07.1991), МПК6 А61N 2/04, опубл. 20.10.1997].
Особенностью данного устройства является то, что оно решает задачу локального переноса ионов, в частности протонов, из электролитических жидкостей тела в окружающие их стенки сосудов мембраны и сквозь них, создавая необходимую концентрацию ионов в любых заданных областях тела у людей и животных. Возникающие при этом резонансные колебания не рассматриваются в качестве дополнительного источника терапевтического воздействия на организм или его системы.
Известно устройство для ультразвуковой терапии, содержащее блок питания, последовательно соединенные генератор, модулятор, буферный каскад, предварительный усилитель и входной усилитель, первый вход которого соединен с входом индикатора выходной мощности, и модулирующий генератор, выполненный в виде инфразвукового генератора, выход которого подключен ко второму буферно-усилительному каскаду, соединенному со вторым входом модулятора [Описание изобретения к патенту РФ №2022550 от 08.04.1992, МПК5 А61Н 23/00, опубл. 15.11.1994]. Изобретение решает задачу эффективного воздействия на органы и ткани модулированным по амплитуде ультразвуком с параметрами, близкими к биопотенциалам органов и тканей.
Особенностью данного устройства является то, что оказываемое ультразвуком воздействие на органы можно сравнить с механическим воздействием, недостатком которого является неэффективность использования на органах зрения, на участках с открытыми ранами и повреждениями кожи, а также ограниченная глубина воздействия.
Наиболее близким по совокупности существенных признаков заявляемому изобретению является устройство для электромагнитной терапии, содержащее антенное устройство, источник питания, клавиатуру управления, жидкокристаллический дисплей, устройство согласования с антенной, стабилизатор, вход которого соединен с источником питания, микропроцессорный контроллер, выходами подключенный к клавиатуре управления, жидкокристаллическому дисплею для отображения параметров выполняемой программы лечения и к устройству согласования с антенным устройством [Описание изобретения к патенту РФ №2164424 от 28.06.1999, МПК7 А61N 2/04, опубл. 27.03.2001], при этом микропроцессорный контроллер выполнен с возможностью запоминать в памяти до 1000 программ лечения и формировать на выходе импульсы с частотой следования 0,1-100 Гц, модулированные частотой 10-15 кГц. Каждая программа включает до 20 частот со временем работы 1-4000 с. Сущность изобретения заключается в том, чтобы с помощью слабого электромагнитного поля вызвать в органах и системах резонанс и тем самым гармонизировать работу организма.
Недостатком данного устройства являются его ограниченные эксплуатационные и функциональные возможности, связанные с узконаправленным действием на организм формируемых электрических импульсов резонансных частот, вследствие чего лечение (или профилактика) заболеваний зачастую оказываются неполными, а пациент получает лишь временное улучшение самочувствия, поскольку заболевания, связанные, например, с вирусной, бактериальной, грибковой или иной этиологией, требуют параллельного лечения медикаментозными или какими-то другими средствами, направленными на их уничтожение.
Задача, решаемая первым изобретением группы, заключается в создании очередного устройства низкочастотной электромагнитной терапии, которое отличается более широким спектром действия на организм, удобством использования, возможностью перепрограммирования его функций, как лечащим врачом, так и самим пациентом.
Техническим результатом будет создание эффективного устройства низкочастотной электромагнитной терапии, обладающего расширенными эксплуатационными возможностями и широким спектром действия на организм, обеспечивающего лечение и профилактику разнообразных болезней, в том числе, инфекционного характера, в частности, паразитарных, вирусных, бактериальных и грибковых инфекций, а также терапевтического воздействия, стимулирующего дренажную функцию организма, необходимую для устранения токсинов, образующихся в организме в результате его заболевания, неумелого применения лекарственных средств, использования, в частности, особых, например более жестких, режимов электромагнитной терапии и т.д.
Для решения поставленной задачи и получения заявленного технического результата в устройстве низкочастотной электромагнитной терапии, включающем корпус, источник питания, клавиатуру управления, антенное устройство, устройство согласования с антенной, стабилизатор, вход которого соединен с источником питания, микропроцессорный контроллер, подключенный входом к стабилизатору, а выходами к клавиатуре управления, блоку сопряжения с персональным компьютером и к устройству согласования с антенной, при этом микропроцессорный контроллер выполнен с возможностью запоминать в памяти программы лечения и профилактики и формировать управляющие импульсы, микропроцессорный контроллер включает генератор электрических импульсов для контактной терапии, генератор программируемой частоты 0-100 Гц и генератор качающей частоты 0-10 Гц, связанные с блоком управления микропроцессорным контроллером, а также съемные ручные электроды, связанные через устройство обнаружения контакта с руками с выходом генератора импульсов для контактной терапии, при этом устройство согласования с антенной связано с выходами генераторов программируемой и качающей частот, а антенное устройство выполнено в виде внутренней антенны и съемной внешней антенны, каждая из которых связанна с соответствующим выходом согласующего устройства.
Кроме этого:
– возможность запоминать в памяти программы лечения и профилактики микропроцессорным контроллером выполнена в виде блока энергонезависимой памяти, размещенного в блоке сопряжения с персональным компьютером;
– устройство электромагнитной терапии дополнительно снабжено устройством контроля разряда батареи источника питания, объединенным в одном блоке со стабилизатором, и устройством световой и звуковой индикации, связанным с микропроцессорным контроллером.
Известен способ электромагнитной терапии, включающий воздействие импульсным электромагнитным полем с напряженностью 0,1 В/м2 на биологически активные точки и биологически активные зоны организма человека с частотой следования пакетов радиоимпульсов 0,1-100 Гц с дискретом 0,01 Гц и несущей частотой электромагнитного поля, находящейся в диапазоне от 10 до 15 кГц [Описание изобретения к патенту РФ №2164424 от 28.06.1999, МПК7 А61N 2/04, опубл. 27.03.2001]. Программа лечения состоит из набора частот, каждая из которых действует заранее заданное время.
Данный способ направлен на лечение организма в целом или его систем. Тем не менее, известный способ может быть использован лишь в узких границах заданных частот или пакеты радиоимпульсов надо будет ограничить их минимальным количеством, например двумя-тремя. Практически очень сложно перебрать все частоты с заданным дискретом и заданным временем действия каждой частоты. Таким образом, трудно спрогнозировать результат применения данного способа лечения на весь организм. В этом случае, прежде чем лечить человека, его было бы уместно подготовить к лечению, освободив от уже имеющихся в результате заболевания токсинов. Это позволило бы получить более выраженный терапевтический эффект и предупредить возможные осложнения, которые могут возникнуть из-за уже имеющегося нарушения дренажной функции органа выделения, например почек, в результате их основного заболевания.
Задача, решаемая вторым изобретением группы, заключается в разработке очередного способа низкочастотной электромагнитной терапии, который направлен на поэтапную стимуляцию дренажных функций всех органов и систем человека.
Техническим результатом будет создание эффективного способа низкочастотной электромагнитной терапии, обладающего выраженным дренажным действием на организм, способствующего устранения токсинов, образующихся в организме в результате его заболевания, неумелого применения лекарственных средств, использования, в частности, особых, например, более жестких режимов электромагнитной терапии и т.д., и обеспечивающего эффективное лечение и профилактику разнообразных болезней, в том числе, инфекционного характера, в частности паразитарных и вирусных инфекций, грибковых заболеваний.
Для решения поставленной задачи и получения заявленного технического результата в способе низкочастотной электромагнитной терапии, включающем воздействие импульсным электромагнитным полем на биологически активные точки и биологически активные зоны организма человека, воздействие осуществляют изменяющимся электромагнитным полем с возрастанием частоты следования радиоимпульсов от 0,1 до 10 Гц с шагом дискретизации от 0,05 до 0,5 Гц и количеством импульсов от 5 до 20 на каждом шаге дискретизации, при этом сигнал промодулирован несущей частотой 10-15 кГц.
Кроме этого, воздействие электромагнитным полем сочетают со стимуляцией дренажной функции организма методом, отличным от воздействия электромагнитным полем.
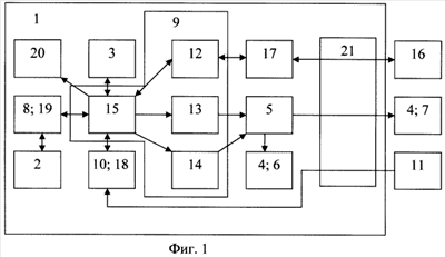
Изобретение поясняется чертежами, где на фиг.1 показана блок-схема устройства электромагнитной терапии, а на фиг.2 – функциональная связь между блоками устройства.
Устройство низкочастотной электромагнитной терапии (далее по тексту «устройство» или «прибор») включает корпус 1, источник питания 2, клавиатуру управления 3, антенное устройство 4, устройство 5 согласования с антенной 6 или 7 антенного устройства 4, стабилизатор 8, вход которого соединен с источником питания 2, и микропроцессорный контроллер 9, выполненный с возможностью запоминать в памяти программы лечения и профилактики и формировать управляющие импульсы, подключенный входом к стабилизатору 8, а выходами к клавиатуре управления 3, блоку 10 сопряжения с персональным компьютером 11 и к устройству 5 согласования с антенной 6 или 7. Микропроцессорный контроллер 9 включает генератор 12 электрических импульсов для контактной терапии, генератор 13 программируемой частоты 0-100 Гц и генератор 14 качающей частоты 0-10 Гц, связанные с блоком 15 управления микропроцессорным контроллером, а также съемные ручные электроды 16, связанные через устройство 17 обнаружения контакта с руками с выходом генератора 12 импульсов для контактной терапии, при этом устройство 5 согласования с антенной 6 или 7 связано с выходами генераторов 13 и 14 программируемой и качающей частот, соответственно, а антенное устройство 4 выполнено в виде внутренней антенны 6 и съемной внешней антенны 7, каждая из которых связана с соответствующим выходом согласующего устройства 5.
Возможность устройства электромагнитной терапии запоминать в памяти программы лечения и профилактики микропроцессорным контроллером 9 выполнена в виде блока 18 энергонезависимой памяти, размещенного в блоке 10 сопряжения с персональным компьютером 11, при этом оно снабжено устройством 19 контроля разряда батареи источника питания 2, объединенным в одном блоке со стабилизатором 8, и устройством 20 световой и звуковой индикации, связанным с микропроцессорным контроллером 9. Связь съемных ручных электродов 16 и антенны 7 антенного устройства 4, как выносных элементов устройства электромагнитной терапии, и персонального компьютера 11, как самостоятельного устройства, с устройством электромагнитной терапии в целом осуществляется через разъем 21.
Использование для лечения и профилактики болезней устройства электромагнитной терапии основано на том принципе, что организм человека является сложной саморегулируемой системой, обладающей всем необходимым для сохранения своего гомеостаза. Поддержание его происходит на разных уровнях и при помощи разных функциональных систем организма.
В данном случае принцип саморегуляции основан на применении слабого электромагнитного поля. В основу его положен тот факт, что все процессы, протекающие в любом живом биологическом объекте как на уровне клетки, так и на уровне органа, протекают с использованием электромагнитных полей и, следовательно, сами являются источниками чрезвычайно слабых электромагнитных колебаний широкого спектра частот, называемых физиологическими. Каждый орган или живой организм, будь то бактерия, вирус, паразит или грибок, имеют строго специфический спектр этих частот, то есть имеют собственный электромагнитный портрет. При внедрении патогенных факторов в организме или пораженном органе возникают новые, патогенные электромагнитные колебания, не свойственные им. Они нарушают физиологическое равновесие. И если пораженный орган не сможет восстановить собственные физиологические электромагнитные частоты (колебания), возникает заболевание. Поскольку физиологические и патологические колебания имеют электромагнитную природу, то возникает возможность передачи их через соответствующее устройство, способное генерировать слабые электромагнитные сигналы идентичные спектру физиологических частот, свойственных здоровому органу, что позволит восстановить нарушенное равновесие в организме и устранить нехарактерные патологические колебания. И хотя энергетическая составляющая этих воздействий крайне мала, очень высока их терапевтическая эффективность, основанная на точном соответствии физиологическим частотным и амплитудным характеристикам здорового органа. Применение данного вида лечения практически безопасно для пациента, так как для его реализации применяется электромагнитное поле крайне слабой интенсивности, на которое наш организм или больной орган может среагировать только в случае возникновения эффекта резонанса, то есть при совпадении тех колебаний, которые возникают и испускаются соответствующим органом и внешним источником, генерирующим аналогичный сигнал.
Таким образом, способ электромагнитной терапии включает воздействие импульсным электромагнитным полем на биологически активные точки и биологически активные зоны организма человека, при этом воздействие осуществляют плавноизменяющимся полем с возрастанием частоты следования радиоимпульсов от 0,1 до 10 Гц с шагом дискретизации от 0,05 до 0,5 Гц и количеством импульсов от 5 до 20 на каждом шаге дискретизации, при этом сигнал промодулирован несущей частотой 10-15 кГц. Именно эти режимы обеспечивают интенсификацию дренажной функции организма, т.е. весь организм и его системы на некоторое время восстановили природную способность функционирования в идеальном режиме, когда самоочищение организма происходит естественным путем. При этом следует отметить, что выбор конкретных параметров воздействия из предлагаемых пределов влияет, в первую очередь, на длительность терапевтического воздействия, которая для разных пациентов может быть различной, исходя, например, из условий труда или каких-либо других возможностей. Например, шаг дискретизации 0,05 Гц потребует длительного времени на терапию, но при этом будут задействованы все основные дренажные системы, а шаг 0,5 Гц потребует меньшего времени, но при этом останутся незадействованными некоторые из систем организма. В принципе, для абсолютного большинства пациентов оптимальными являются режимы, лежащие посередине заявленных пределов. При этом следует учитывать ту часть больных, которым на первой стадии лечения будет показан максимальный шаг дискретизации и минимальное количество импульсов. Точно также, другим – минимальный шаг дискретизации и максимальное количество импульсов. Как правило, такие больные проходят курс терапии под присмотром лечащего врача.
После проведения нескольких курсов электромагнитной терапии очень высока вероятность того, что сработает физиологическая память организма, и он возвратится к нормальному режиму функционирования. При этом не следует забывать, что, например, у ослабленных больных после успешной терапии может возникнуть потребность использовать прибор как можно чаще. Для того чтобы эта потребность не перешла в зависимость, такие больные должны пользоваться низкочастотной электромагнитной терапией под присмотром медицинского персонала.
Частота 10-15 кГц считается оптимальной для восприятия организмом. Это связано с тем, что такая частота лучше всего подходит для записи информации на такой носитель, как вода. А поскольку организм человека примерно на 65% состоит из воды, передачу электромагнитных воздействий лучше всего осуществлять при посредничестве именно воды, входящей, например, в состав крови и т.д.
Для стимуляции дренажной функции организма в целом используется одинаковое количество радиоимпульсов на каждой частоте. Это позволяет каждому органу или системе организма, будучи в одинаковых стартовых условиях, независимо от длительности воздействия, за счет возникающих резонансных явлений восстановить свои естественные колебания, соответствующие здоровому организму.
Ранее, как описано выше, для кратковременной стимуляции работы органа или системы также применялся метод воздействия электромагнитными полями. Он был эффективен в том случае, когда имелись минимальные нарушения в работе органа или системы, и применялся аналогично гимнастике для здорового органа, т.е. для кратковременной стимуляции. При накоплении более выраженных патологических электромагнитных колебаний в органе трех-пяти используемых ранее импульсов становится недостаточно, чтобы устранить возникшее нарушение на данном этапе. Для восстановления нормальной функции органа необходимо большее количество электромагнитных импульсов одной частоты, например 10-13 или более, чтобы провести эффективную дренажную функцию и восстановить гомеостаз. Но этого количества импульсов будет недостаточно для восстановления нормальной функции органа при наличии более выраженных, например, хронических нарушений. Более длительное воздействие свыше 20 импульсов – нецелесообразно и сравнимо с терапевтическим воздействием на орган. С этой целью применяется терапия с использованием описанного ниже Блока №3. Кроме этого чрезмерное увеличение длительности и мощности импульсов при наличии низких резервных возможностей органа или системы может стать источником заболевания. Происходит резкое истощение физиологических возможностей органа. С другой стороны, частота, физиологичная для одного органа при чрезмерном применении может стать патологической для другого.
Воздействие электромагнитным полем на организм человека сочетают со стимуляцией дренажной функции организма методами, отличными от воздействия электромагнитным полем, т.е. иными способами, например, через почки путем употребления большого количества воды или с применением мочегонных натуральных и/или медикаментозных средств, через пот, а также через другие системы выделения, как правило, наиболее здоровые.
Наличие в устройстве электромагнитной терапии сразу трех, связанных с микропроцессорным контроллером 9 генераторов, а именно генератора 12 электрических импульсов для контактной терапии (частоты 30 кГц, 2,5 кГц и реже 1 кГц), генератора 13 программируемой частоты 0-100 Гц и генератора 14 качающей частоты 0-10 Гц связано с необходимостью формирования разных по форме, уровню и частоте сигналов. Каждая группа сигналов может быть использована для лечения и профилактики как самостоятельно, так и в сочетании друг с другом, что обеспечивает возможность получения уникальных результатов при использовании устройства.
Воздействие генератора 12 электрических импульсов для контактной терапии на организм человека осуществляется через съемные ручные электроды 16, которые выполнены в виде двух стержней – по одному в каждую руку, хотя возможно их выполнение в каком-либо другом виде, например пластин, которые крепятся к рукам при помощи повязок, пластыря и т.д. в случаях, когда пациент, например ребенок, не может самостоятельно держать электроды 16. После того как устройство 17 обнаружит контакт с руками, генератор 12 начинает подавать электрические импульсы на электроды 16, воздействуя на пациента, таймером отсчитывается время, отведенное для проведения данной терапии. После окончания процедуры прибор отключится.
Выполнение антенного устройства 4 в виде внутренней антенны 6 и съемной внешней антенны 7, каждая из которых связана с выходами генераторов 13 и 14 программируемой и качающей частот через соответствующие выходы согласующего устройства 5 позволяет изменить мощность электромагнитной волны, необходимую при разных режимах терапии, вызывая резонансные явления в органах и системах организма.
Возможность устройства электромагнитной терапии запоминать в памяти программы лечения и профилактики (набор частот с заданием времени воздействия каждой частоты) микропроцессорным контроллером 9 выполнена в виде блока 18 энергонезависимой памяти. Это позволяет сохранять, сколь угодно долго, вплоть до следующего перепрограммирования, занесенные через компьютер в прибор режимы на программные кнопки (клавиатура управления 3). Наличие или отсутствие источника питания не сказывается на сохранении информации.
Программируется прибор с помощью персонального компьютера и прикладной программы. На практике это выглядит, например, таким образом, что восьми кнопкам клавиатуры управления 3 соответствуют восемь независимых наборов частот по двадцать пять частот в каждом наборе. Безусловно, данное количество наборов является условным, и определялось из условия разумной целесообразности. Практика показала, что этого вполне достаточно для лечения и профилактики наиболее распространенных заболеваний.
Для того чтобы запустить соответствующую своему заболеванию программу лечения или профилактики, необходимо нажать на соответствующую кнопку на клавиатуре управления 3 прибора, в память которого может быть занесено не одна, а несколько программ. Это удобно в том случае, когда пациент имеет несколько заболеваний или когда, например, разные члены семьи имеют различные заболевания. Таким образом, прибор может использоваться как индивидуально, так и коллективно – поочередно. Программирование кнопок прибора, т.е. запись строго специфических частот для лечения или профилактики того или иного заболевания можно осуществить несколькими путями:
– путем занесения уже готового рецепта из памяти программы, если такой диагноз имеется у пациента (пользователя);
– путем индивидуального составления рецепта самим пациентом или врачом из списка прилагаемых симптомов, разбитых, для простоты поиска по группам, например, заболевания бронхо-легочной системы, костно-мышечной системы и т.д.;
– путем приготовления рецепта специалистом, находящемся вдали от пациента, например, в другом городе, по его запросу с последующей передачей рецепта по каналу электронной почты для установки в прибор.
Наличие устройства 19 контроля разряда батареи источника питания 2, объединенного в одном блоке со стабилизатором 8, и устройством 20 световой и звуковой индикации, связанным с микропроцессорным контроллером 9, обеспечивает оперативный контроль состояния устройства электромагнитной терапии и протекание процесса терапии. Например, при включении прибора загораются светодиоды; снижение напряжения питания ниже порогового отображается световой индикацией и т.д., а окончание курса лечения отмечается звуковым сигналом и автоматическим отключением прибора, что позволяет сохранить ресурс источника питания. В случае если при включении прибора не запускается запрограммированный режим, например, по причине отсутствия каких-либо действий, таких как выбора необходимой программы, недостаточного нажатия соответствующей кнопки и др., происходит его самостоятельное выключение через определенное время.
Остальные элементы устройства электромагнитной терапии, такие, например, как источник питания 2, стабилизатор 8, разнообразные разъемы 21 и т.д., собраны на типовой элементной базе и выполняют традиционные функции, присущие устройствам аналогичного назначения.
В результате осуществления изобретения был создан прибор со следующими техническими характеристиками:
| Питание – батарея типа «Крона» (9 В), шт. |
1 |
| Количество программ для записи |
8 |
| Количество частот в каждой программе |
до 25 |
| |
включительно |
| Диапазон частот, Гц |
0,1-100 |
| Шаг установки частоты, Гц |
0,01 |
| Диапазон времени работы на каждой |
|
| программируемой частоте, с |
60-2400 |
| Время записи программ в прибор, с |
10 |
| Количество сеансов |
от 1 до 250 (или не ограничено) |
Потребляемый ток:
| в режиме «Терапия», mA не более |
12 |
| в режиме «Программирование», m не более |
12 |
| Время непрерывной работы, ч, не менее |
20 |
| Время установл. рабочего режима, с не более |
5 |
| Габаритные размеры, мм |
65×110×28 |
| Масса, кг |
0,1 |
| Средняя наработка на отказ, ч более |
1000 |
Рассмотрим терапевтические возможности прибора.
Функционально устройство электромагнитной терапии можно разделить на 3 Блока (Фиг.2), каждый из которых выполняет определенную терапевтическую функцию и может использоваться как самостоятельно, так и в различных сочетаниях между собой в зависимости от поставленной задачи, вследствие чего повышается терапевтическая эффективность использования устройства и уменьшается риск возникновения реакции естественного обострения на проводимую терапию.
Функциональные возможности Блока №1 в устройстве обеспечивает генератор 12 электрических импульсов для контактной терапии, связанный через устройство 17 обнаружения контакта с руками со съемными ручными электродами 16.
Функциональные возможности Блока №2 обеспечивает генератор 14 качающей частоты 0-10 Гц, связанный через устройство 5 согласования с внутренней антенной 6.
Функциональные возможности Блока №3 обеспечивает генератор 13 программируемой частоты 0-100 Гц, связанный через устройство 5 согласования с внутренней антенной 6 и съемной внешней антенной 7, каждая из которых связана с соответствующим выходом согласующего устройства 5.
Рассмотрим подробнее назначение Блоков №1-№3.
Блок №1 – антипаразитарная терапия.
Терапевтическое предназначение – устранение паразитарной инфекции (бактерий, вирусов, простейших, аскарид) немедикаментозными средствами. Терапевтическое действие основано на электромагнитном подавлении процессов метаболизма соответствующими частотами, обеспечивающих жизнедеятельность паразита. Данные терапевтические частоты выявлены и изученные Х.Кларк (США) и в настоящее время широко используются в странах Европы и Америки с целью терапии острых и хронических форм паразитарных инфекций.
Физик и врач X.Кларк установила, что уничтожить паразитов в циркуляции крови можно несинхронной помехой с частотой 30 кГц со временем воздействия более 3 минут. Оптимальным временем воздействия было выбрано 7 минут, что соответствует полному обороту крови в организме. После такого цикла воздействия нужно сделать перерыв в 20-30 минут и провести второй сеанс уничтожения вновь размножившихся и вышедших в циркуляцию крови паразитов, после очередного перерыва в 20-30 минут провести третий сеанс. Уровень сигнала при проведении данной терапии не должен быть ниже 5 вольт. Кроме этого, X.Кларк использует также такие специфические частоты, как 2,5 кГц и 1 кГц.
Для проведения терапии необходимо включить соответствующую программу и взять в руки электроды 16.
Устройство 17 обнаружения контакта с руками, миганием световой сигнализации показывает наличие нормального контакта рук с выносными электродами и соединением с прибором (в случае сухих, мозолистых ладоней, не увлажненных перед терапией, или обрыва провода мигание световой сигнализации будет отсутствовать). Таймер прибора отработает положенное время и по окончании сеанса прибор автоматически отключится, что будет сопровождаться звуковым и световым сигналами.
Данная функция позволяет эффективно лечить как острые, так и хронические заболевания, в формировании которых играют роль инфекционные агенты. При этом течение заболеваний может быть как явным, открытым, манифестирующим, такое как грипп, ОРЗ, ОРВИ, пневмония и т.д., так и скрытое (хроническое). Например, при любых формах онкологии выявляется наличие в печени пациента кишечного паразита – трематоды «fasciolopsis baski». Данный вид терапии сочетается с любыми другими ее видами, такими как фармакотерапия, физиотерапия, гомеопатия, акупунктура и т.д. Причем чем раньше будет начата терапия, тем более выраженный терапевтический эффект может быть получен в результате лечения.
Следует иметь в виду, что при использовании данного метода терапии могут возникнуть ожидаемые ухудшения состояния в виде самоотравления. Причина этого явления состоит в том, что в результате гибели паразитов в организме за короткий срок накапливаются продукты их гибели. Сильнее всего ухудшения состояния проявляются при наличии сопутствующих заболеваний органов, выполняющих дренажную и дезинтоксикационную функцию наиболее явно (печень, почки, кишечник и др.), или из-за снижения их активности, например, вследствие возрастных изменений.
В случае, когда токсические продукты не успевают быстро устраниться из организма, это может привести к обострению имеющихся аллергических реакций сопутствующей патологии (например, дисбактериоза), способствовать возникновению симптомов интоксикации и т.д. Для того чтобы предупредить возникновение данных осложнений, применяются функции Блока №2, а при наличии хронических заболеваний дренажных органов дополнительно применяются функции Блока №3. Информация о Блоках №2 и №3 приведена ниже.
Блок №2 – терапия функциональных нарушений и стимуляции дренажной функции.
Частоты здоровых органов и систем человека лежат в диапазоне от 0 до 10 Гц. Даже кратковременное воздействие от трех до пяти импульсов электромагнитной волной с частотой, соответствующей, например, частоте колебаний здоровой печени (или каких-либо других органов), стимулирует, выравнивает работу этого органа, не оказывая отягощающего действия на соседние органы. В данном Блоке генератор 14 качающей частоты формирует электромагнитную волну последовательно по 5-20 импульсов, модулированных сигналом в 10-15 кГц, начиная с частоты в 0,1 Гц с наиболее оптимальным, как показала практика, шагом 0,1 Гц до частоты 10 Гц.
Из литературы известно, что частоты от 0,9 до 4 Гц применяются для воздействия на кровь, лимфу, костные ткани, мускулатуру, кожу и соединительную ткань [Ф.Крамер. «Практикум по электропунктуре» том 1 (Kramer F. Lehrbuch der Elek-troakupunctur. Haug Vertag, Heidelberg, 1976)]. Частоты от 4 до 7 Гц соответствуют вегетативной и периферической нервной системе. Частоты от 7-10 Гц – паренхиматозным органам.
Таким образом, получая поэтапное воздействие частотами, например, от 0,9 до 10 Гц организм получает кратковременное воздействие, стимулирующее тот орган или систему, которая реагирует на специфическую частоту в этом диапазоне.
Исследования показали, что данный вид терапии следует применять ежедневно, в том числе и в случаях, когда неизвестна специфическая частота для того или иного симптома или органа.
Таким образом, Блок №2 может применяться для проведения стимуляции работы органов и систем, направленных на выведение токсинов из организма, образующихся в результате использования антипаразитарной программы Блока №1.
Помимо этого данный Блок применяется для устранения функциональных нарушений со стороны различных органов и систем. Данные нарушения только формируются путем ежедневного накопления негативных факторов в виде патологических электромагнитных колебаний, не свойственных данному органу или системе при контакте с ними. Своевременное устранение этих электромагнитных колебаний до момента превышения ими критической величины, за которыми начинается заболевание, способствует профилактике их возникновения. Например, в результате ежедневной психологической нагрузки постепенно в организме формируется состояние хронического стресса, что в дальнейшем может привести к возникновению гипертонической болезни, различной патологии сердца (стенокардия, инфаркт), формированию язвенной болезни и т.д. Периодическое применение данной программы в конце дня направлено на то, чтобы устранить накопление этих негативных моментов в организме путем кратковременного стимулирования органами их физиологических электромагнитных колебаний, подавляющих патологические. Другими словами, применение данной программы необходимо для того, чтобы своевременно подавить накопление негативных проявлений и таким образом предупредить формирование хронического заболевания в том органе, который наиболее предрасположен к этому в силу различных причин (наследственность, ранее перенесенные заболевания и т.д.).
Также данная программа хорошо зарекомендовала себя в качестве терапевтической у детей и пожилых пациентов со сниженными резервами адаптации организма (пациенты, для которых даже слабые, но относительно продолжительные лечебные мероприятия, полностью безопасные для других больных, способны вызвать передозировку и соответствующую, неадекватную реакцию организма). Для выполнения данной программы ручные электроды применять не рекомендуется. Прибор располагается в удобном для пациента месте, например, в кармане. Программа запускается нажатием соответствующей клавиши, что сопровождается звуковым и световым сигналами. По окончании программы отключение прибора происходит автоматически, о чем так же сигнализируют световой и звуковой сигналы.
Использование способа низкочастотной терапии в части стимуляции дренажной функции показано для любых случаев лечения заболеваний и их профилактики, включая медикаментозные способы лечения. На практике это выглядит как периодически проводимая процедура поэтапной стимуляции различных органов и систем организма для его очищения от шлаков, токсинов и т.д. Иными словами, на различных этапах в процессе лечения стимулируется естественная функция различных органов и систем кратковременным воздействием физиологическими для конкретного органа электромагнитными полями, что стимулирует естественные пути выведения накопившихся токсинов.
Блок №3 – симптоматическая терапия различных нозологических форм, индивидуальная терапия паразитарной инфекции.
Данный блок предназначен для выполнения: индукционной терапии различных заболеваний по так называемой западной классификации болезней, знакомой большей части наших врачей и пациентов. Например, язвенная болезнь, гипертоническая болезнь, бронхиальная астма и т.д. В основу ее положено применение терапии магнитным полем слабой интенсивности. Эффективность данной терапии основана на результатах ее 50-летнего практического применения в диагностике и терапии различных патологий немецкими специалистами (Р.Фолль, Пауль-Шмидт, Людвиг, Райф и др.), а также российской школой в лице проф. Готовского Ю.В., Лихарева В.А., Лупичева Н.Л., Коноплева С.П. и др. В настоящее время использование данной терапии разрешено к медицинскому применению, как в России, так и за рубежом. Как было сказано выше, в основу терапевтического действия положен тот факт, что каждый здоровый орган, или каждое заболевание имеет свой строго специфический электромагнитный портрет. Зная его можно не только диагностировать заболевание, но и устранять патологические электромагнитные частоты – т.е. лечить его. Причем для подавления патологических электромагнитных частот требуются электромагнитные поля очень слабой интенсивности в отличие от большинства тех электрических полей, которые окружают нас в быту. Их действие, как упоминалось выше, основано на эффекте резонанса – резком усилении сигнала при совпадении двух частот, излучаемых различными источниками. Основной диапазон частот лежит в границах от 0 до 100 Гц. Генератор программируемой частоты формирует соответствующие, необходимые для данной ситуации сигналы резонансной частоты заболевания, органа, грибка, бактерии, вируса и др., модулированный частотой в 10 кГц.
Использование индукционной терапии соответствующих частотных характеристик, свойственных традиционным акупунктурным точкам и чакрам (восточная медицина), дает возможность заменить применение традиционно используемого иглоукалывания для лечения различных заболеваний. При программировании соответствующих акупунктурных рецептов пациент может получать их поэтапно, что удобно при невозможности, например, с его стороны, ежедневно посещать лечащего врача. Особенно данная функция незаменима в детской практике. Данный рецепт составляется либо врачом-специалистом, либо уже входит в состав готовых рецептов, прилагаемых вместе с программой к прибору. В данном случае терапия пациента осуществляется с позиции двух школ – восточной и западной, что, безусловно, повышает ее эффективность.
Использование индукционной адресной антипаразитарной терапии отлично от варианта терапии, осуществляемой Блоком №1. Если при применении Блока №1 воздействие электрическими импульсами осуществляется без разбора, то в случае с блоком 3 губительное воздействие производится только на конкретного паразита. При этом не затрагивается другая флора организма. В данном случае устраняется только тот возбудитель, частотные характеристики которого запрограммированы на его уничтожение. Соответственно данный вид терапии более физиологичен, намного легче переносится пациентом и имеет меньше относительных ограничений для его выполнения, например, при наличии выраженных функциональных нарушений дренажных органов. Кроме этого, существует возможность устранения грибковой инфекции, а также возможно оказание терапевтического воздействия на паразита, находящегося внутри полого органа (например, заполненного газами кишечника), что, как показывает практика, проблематично при выполнении терапии Блоком №1. При выполнении антипаразитарной терапии Блоком №3 используется магнитное поле, для которого воздушная среда не является препятствием.
Для проведения антипаразитарной терапии в таком варианте применяется специальное устройство – внешняя антенна 7 (или магнитный индуктор), преобразующая электрические колебания в электромагнитное поле. Внешняя антенна 7 представляет собой электромагнитную катушку (или петлю). Ее присоединение к прибору аналогично использованию ручных электродов 16 в программе Блока №1. При его использовании мощность излучаемого магнитного поля возрастает в несколько раз, поэтому с целью избежания передозировки нежелательно его применение при выполнении других терапевтических индукционных программ (дренаж, программируемая симптоматическая терапия при различных диагнозах). Основное его предназначение – адресное (индивидуальное) резонансно-частотное устранение бактериальной, вирусной, грибковой и паразитарной инфекций любой локализации.
Главные отличия устранения возбудителей при помощи внешней антенны 7 от применения антипаразитарной программы с ручными электродами 16 Блока №1 заключаются в том, что при его использовании происходит устранение только того возбудителя, программа уничтожения которого заложена в устройство. Воздействие на возбудителя происходит в этом случае в любом месте организма, при этом не затрагиваются соседние органы и другая флора организма.
Таким образом, показанием для применения внешней антенны 7 могут служить как острые, так и хронические воспалительные процессы, в основе которых лежат вирусные, бактериальные, грибковые и паразитарные инфекции.
В зависимости от места использования внешней антенны 7 диаметр петли может изменяться путем его простого сложения вдвое с последующим получением колец меньшего диаметра. Например, если это область кишечника, тогда петля может располагаться непосредственно на животе своим полным радиусом, или, если позволяет размер, одета на талию в виде кольца (ремня). Если индуктор используется, например, для проведения сеанса в области уха или гайморовой пазухи, тогда он может быть сложен в виде, как правило, двух, трех или четырех, реже шести и т.д. колец меньшего диаметра, но чтобы они могли захватить всю область, на которую осуществляется воздействие.
При наличии нескольких видов паразитов рекомендуемая последовательность уничтожения паразитов следующая:
1. – круглые и плоские черви; 2. – ленточные черви; 3. – грибки;
4. – простейшие; 5. – бактерии; 6. – вирусы.
Время продолжительности терапии зависит от вида возбудителя. Так, для вирусов и бактерий достаточно 3 минут, ленточные и плоские черви – 5 минут, клещи, грибки, простейшие – 7 минут. Но и при более длительном времени воздействия побочных явлений обнаружено не было. Учитывая этот факт и опыт применения данного вида терапии, изначальное время воздействия каждой из частот, входящих в рецепт, можно выставлять от 1 минуты (дети, чувствительные или ослабленные пациенты) до 2-5 минут. Возможна любая кратность применения указанных терапевтических программ.
Как отмечалось выше, в результате гибели паразитов в организме за короткий период времени накапливается большое количество продуктов их гибели. Поэтому после проведения сеанса рекомендовано проведение любой дренажной терапии, включая терапию с использованием Блока №2.
Применение устройства электромагнитной терапии имеет свои противопоказания, которыми являются наличие злокачественного новообразования, использование искусственного водителя ритма сердца, а также индивидуальная непереносимость электромагнитного поля. Кроме этого имеются относительные противопоказания применения устройства, а именно наличие хронических заболеваний дренажных органов с выраженными нарушениями функции, острый инфаркт миокарда и резкое ослабление резервных возможностей организма.
В общем случае процесс лечения (профилактики) с использованием прибора сводится к выбору частотных параметров (или настройке прибора), необходимых для получения заданного лечебного (терапевтического) эффекта и, собственно, применение этого прибора по своему назначению.
Например, некий больной страдает гельминтозом. Ему назначают антипаразитарную терапию с использованием Блока №1.
Больному дают ручные электроды 16. При включении прибора световая и звуковая индикация извещают о его готовности к работе. Блок управления 15 микропроцессорным контроллером 9 подает сигнал на генератор 12 электрических импульсов для контактной терапии, который начинает вырабатывать импульсы с частотой 30 кГц, соответствующей подавлению гельминтов. Устройство 17 обнаружения контакта с руками дает очередную команду на генератор 12, и съемные ручные электроды 16 замыкаются через руки и грудной отдел пациента в электрическую цепь. По истечении 7 минут, что соответствует полному обороту крови в организме, прибор отключается. Делается перерыв на 20-30 мин. Прибор включается повторно. Процедура повторяется. И так, по меньшей мере, трижды.
По истечении двух недель проводится исследование на наличие гельминтов, что необходимо как фактор, подтверждающий эффективность лечения.
Рассмотрим различные способы электромагнитной терапии на примерах использования описанного выше устройства.
Использование Блока №1.
Пример №1.01. Больной предъявляет жалобы на чувство озноба, слабость, ломоту в теле, головную боль, умеренные боли в животе, повышение температуры тела. Данные симптомы начали проявляться 2-3 часа назад. Причина заболевания неизвестна.
При осмотре горло красное, кожные покровы горячие на ощупь, пульс 82 в 1 минуту, температура тела 38 градусов.
Проведена терапия при помощи ручных электродов 16 по схеме два курса по три сеанса с интервалом 20 минут между сеансами и с перерывом между курсами 1 час.
На утро состояние удовлетворительное. Жалобы на умеренную слабость.
Ранее в аналогичной ситуации заболевание продолжалось в течение 4-6 дней с развитием клиники ОРЗ.
Пример №1.02. Больная предъявляет жалобы на повышение температуры тела, головную боль, сухой кашель. Температура тела до 37,6-38 градусов. Болеет в течение 3 дней.
При осмотре горло красное, температура тела 37,5, кожные покровы влажные, сухой кашель.
Назначена терапия при помощи ручных электродов. Через 3 дня жалобы на умеренную слабость, редкий сухой кашель. Температура тела нормализовалась через 2 дня.
Пример №1.03. Больная жалуется на боли в правом подреберье, усиливающиеся после приема острой, жирной пищи. В анамнезе хронический холецистит.
При электропунктурной диагностике выявлено, что причина холецистита – лямблиоз.
Проведена терапия при помощи ручных электродов в течение 10 дней.
При повторном осмотре больная сообщила, что после начала процедуры в первый и меньше во второй день отмечалось некоторое ухудшение состояния, выражающееся в слабости, ухудшении аппетита. При повторной электропунктурной диагностике отмечается существенное снижение концентрации лямблий, но не полное их устранение. Рекомендовано дополнительное проведение еще 4 сеансов.
При повторном осмотре концентрация лямблий не изменилась, жалобы на боли в правом подреберье значительно меньше. Для полного устранения паразита рекомендовано проведение адресной терапии (индивидуально подобранной частотой) с применением выносного индуктора, расположенного над областью проекции желчного пузыря.
Пример №1.04. Мужчина 45 лет, страдает грибковой инфекцией. Несмотря на постоянно проводимую симптоматическую терапию, процесс прогрессирует. Назначен курс антипаразитарной терапии с применением ручных электродов по схеме хронического заболевания. При повторном контроле отмечается существенное снижение концентрации грибка. Субъективно отмечается улучшение состояния. При повторном контроле через 3 месяца отмечается увеличение концентрации грибка. Назначен повторный курс антипаразитарной терапии. По его окончании исследована концентрация возбудителя. При повторном контроле через 2 месяца концентрация паразита не увеличилась. Рекомендовано постоянно проведение повторных курсов антипаразитарной терапии с интервалом между ними 2 месяца. При повторном контроле через 6 месяцев состояние удовлетворительное. Отмечена стабилизация процесса. Концентрация грибка на уровне. Срок наблюдения 1 год.
Использование Блока №2.
Пример №2.01. Больной предъявляет жалобы на постоянную тошноту, кратковременно уменьшающуюся после рвоты, головокружение, сердцебиение, невозможность заснуть.
Ухудшение состояния связывает с употреблением алкоголя. При возникновении подобной ситуации для полного восстановления требуется двух-трехкратное промывание желудка, с последующим голоданием и употреблением жидкости в течение 1-2 суток.
Проведена терапия с использованием активизации дренажной функции в количестве четырех сеансов. После первого сеанса позывы на рвоту кратковременно прекратились. После четвертого сеанса состояние полностью стабилизировалось, позывы на рвоту прекратились, заснул. Проснулся через 2 часа. Состояние удовлетворительное. Повторил сеанс дренажной терапии. Поел. Состояние удовлетворительное.
Пример №2.02. Пациентка предъявляет жалобы на боли в суставах ног, рук. Возраст 70 лет. При использовании симптоматической терапии при помощи Блока №3 отмечает обострение жалоб. Назначена терапия с использованием Блока №2. При его применении боли в суставах постепенно уменьшились без возникновения реакции обострения.
Пример №2.03. Больная 69 лет страдает хроническим холециститом, хроническим пиелонефритом. При проведении электоропунктурной диагностики выявлены паразитарная причина данной патологии. Врачом рекомендовано проведение терапии с использованием Блока №1. В течение первого и второго дней отмечается резкое ухудшение состояния, выражающееся в слабости, тошноте, обострении симптомов хронических заболеваний. Антипаразитарная терапия прекращена. Назначена дренажная терапия с использованием Блока №2. После ее назначения состояние в течение одного-двух дней полностью стабилизировалось. Повторно начата антипаразитарная терапия с применением Блока №1, но уже на фоне проведения дренажной терапии с использованием Блока №2. В результате чего ухудшения состояния не отмечалось. Курс терапии был проведен полностью. При повторной диагностике концентрация паразитарной инфекции существенно снизилась.
Использование Блока №3
Пример №3.01. Пациентка Б., страдает хроническим воспалением придатков, которое выражается следующими симптомами: постоянными болями внизу живота, усиливающимися в период менструации, межменструальными выделениями, нарушением менструального цикла. При бактериологическом исследовании высеваются хламидии и герпес второго типа (половой герпес).
Для данного случая лечения сформирован рецепт, включающий в себя:
1. Программирование электромагнитных частот, соответствующих симптомам заболевания (воспаление, аднексит, яичники);
2. Программирование электромагнитных частот, свойственных акупунктурным точкам, применяемым для терапии данной патологии;
3. Программирование электромагнитных частот для устранения конкретных инфекций – хламидии и герпеса с использованием внешнего магнитного индуктора (типа «петля»).
В первые 2 дня после начала терапии больная отмечала умеренное усиление симптомов болевого синдрома и увеличение количества выделений. После лечения в течение 10 дней контрольные тесты на инфекции показали их отсутствие в исследуемом материале. Больная жалуется на незначительные боли внизу живота с обеих сторон. Рекомендовано повторение курса через 20 дней. После применения 3 курсов жалобы не предъявляет. Менструальный цикл регулярный. Лабораторные исследования не отмечают наличия инфекций.
Пример 3.02. Больной страдает хроническим тонзиллитом, вызванным бактериями Золотистым стафилокком и Стрептококком пиогенным. Дополнительно к традиционной медикаментозной терапии была назначена противомикробная терапия выносным индуктором по одному из рецептов Блока №3. Свернутый в четыре сложения индуктор был размещен над областью миндалин. После проведения трех сеансов терапии больной отметил улучшение состояния.
Как показывает практика, в отличие от лечения (терапии) отдельно каждым из трех Блоков, более эффективным оказывается их поэтапное применение в одном рецепте, при наличии соответствующих показаний. Именно в этом случае в наибольшей степени проявляется эффективность лечения, превышающая индивидуальное использование функции каждого блока.
Пример №1-3.01. Больной предъявляет жалобы на ломоту в теле, повышение температуры тела до 38 градусов, боли в горле при глотании в течение нескольких часов. При осмотре лицо красное, кожные покровы на ощупь горячие, горло красное без наличия гнойников на миндалинах, температура тела 38 градусов.
Алгоритм терапии.
1. Проводится «Антипаразитарная» терапия при помощи ручных электродов Блоком №1 в два-три захода по 3 сеанса с интервалом между заходами 1 час.
2. В период между заходами применяется симптоматическая терапия с использованием Блока №3, где был сформирован рецепт «Носоглотка, полость рта» и «Бронхолегочная система, верхние дыхательные пути».
3. По завершении первого цикла (Блок №1 + Блок №3) проводится дренажная терапия (Блок №2).
Аналогичный алгоритм проводится при повторном выполнении курса. Количество циклов выполняется в зависимости от терапевтической эффективности. Основное правило: «Чем раньше начата терапия, тем выше эффективность».
Пример №1-3.02. Больной страдает хронической пневмонией. При этом в период обострения заболевания выявлен бактериальный фактор в виде Синегнойной палочки. Был назначен следующий алгоритм терапии с использованием Блока №3: симптоматическая терапия и адресная антибактериальная терапия с использованием выносного индуктора при его расположении над легкими. По окончании антибактериальной терапии назначено использование Блока №2 с целью дренажа (стимуляции выведения из организма тех биохимических компонентов, которые образуются в результате проведенной терапии).
В данном случае использование антипаразитарной терапии Блоком №1 не было рекомендовано ввиду того, что болезнь носит хронический характер, и, следовательно, резервные и иммунные возможности организма далеки от своих оптимальных показателей. Более предпочтительной оказалась адресная антипаразитарная терапия бактериального фактора выносным индуктором ввиду меньшего образования токсинов в результате гибели только данного паразита и, как следствие, требующимися меньшими усилиями организма для их устранения (выведения).
При отсутствии возможности выявления паразитарного фактора применение Блока №1 все же возможно, но при обязательном использовании его в комплексе с Блоком №2, т.е. поочередно.
Среди основных преимуществ прибора перед аналогами можно отметить следующие:
– совмещение в одном устройстве разнообразных функций;
– широкие возможности программирования устройства с использованием математического обеспечения, доступного для любого пользователя;
– малые размеры, которые дают возможность применения прибора, как в домашних условиях, так и в процессе выполнения служебных и производственных обязанностей;
– оптимальное соотношение цены прибора и выполняемых функций.
Таким образом, использование изобретений обеспечивает лечение и профилактику разнообразных болезней, в том числе инфекционного характера, в частности паразитарных и вирусных инфекций, грибковых заболеваний, а также позволяет стимулировать дренажную функцию организма.
Формула изобретения
1. Устройство электромагнитной терапии, включающее корпус, источник питания, клавиатуру управления, антенное устройство, устройство согласования с антенной, стабилизатор, вход которого соединен с источником питания, микропроцессорный контроллер, подключенный входом к стабилизатору, а выходами – к клавиатуре управления, блоку сопряжения с персональным компьютером и к устройству согласования с антенной, отличающееся тем, что микропроцессорный контроллер включает генератор электрических импульсов для контактной терапии, генератор программируемой частоты 0-100 Гц и генератор качающей частоты 0-10 Гц, связанные с блоком управления микропроцессорным контроллером, а также съемные ручные электроды, связанные через устройство обнаружения контакта с руками с выходом генератора импульсов для контактной терапии, при этом устройство согласования с антенной связано с выходами генераторов программируемой и качающей частот, а антенное устройство выполнено в виде внутренней антенны и съемной внешней антенны, каждая из которых связанна с соответствующим выходом согласующего устройства.
2. Устройство по п.1, отличающееся тем, что в блоке сопряжения с персональным компьютером размещена энергонезависимая память.
3. Устройство по п.1, отличающееся тем, что оно дополнительно снабжено устройством контроля разряда батареи источника питания, объединенным в одном блоке со стабилизатором, и устройством световой и звуковой индикации, связанным с микропроцессорным контроллером.
4. Способ электромагнитной терапии, включающий воздействие импульсным электромагнитным полем на биологически активные точки и биологически активные зоны организма человека, отличающийся тем, что воздействие осуществляют изменяющимся электромагнитным полем с возрастанием частоты следования радиоимпульсов от 0,1 до 10 Гц с шагом дискретизации от 0,05 до 0,5 Гц и количеством импульсов от 5 до 20 на каждом шаге дискретизации, при этом сигнал промодулирован несущей частотой 10-15 кГц.
5. Способ по п.4, отличающийся тем, что воздействие электромагнитным полем сочетают со стимуляцией дренажной функции организма методом, отличным от воздействия электромагнитным полем.
РИСУНКИ
|
|