|
|
(21), (22) Заявка: 2006138746/14, 02.11.2006
(24) Дата начала отсчета срока действия патента:
02.11.2006
(46) Опубликовано: 10.03.2008
(56) Список документов, цитированных в отчете о поиске:
RU 2269924 С2, 20.02.2006. RU 2194490 С1, 20.12.2002. RU 2240841 С1, 27.04.2004. RU 2164376 C2, 27.03.2001. CA 2508175 A, 17.06.2004. ЕГОРОВ Ю.В. и др. Мозг как объемный проводник. – М.: Наука, 1976, с.46.
Адрес для переписки:
214019, г.Смоленск, ул. Крупской, 28, ГОУ ВПО Смоленская государственная медицинская академия Федерального агенства по здравоохранению и социальному развитию
|
(72) Автор(ы):
Смородинов Александр Владимирович (RU), Леонов Сергей Дмитриевич (RU)
(73) Патентообладатель(и):
ГОУ ВПО Смоленская государственная медицинская академия Федерального агентства по здравоохранению и социальному развитию (RU)
|
(54) ЭЛЕКТРОД ДЛЯ ПРОВЕДЕНИЯ БИОИМПЕДАНСОМЕТРИИ
(57) Реферат:
Изобретение относится к медицине и может быть использовано в хирургии, экспериментальной медицине. Электрод содержит корпус, который состоит из двух аналогичных частей, соединенных между собой винтовым креплением, каждая из которых имеет выдвижной полый наконечник, из диэлектрика, с выдвижным съемным проводником внутри, изготовленным из токопроводящих материалов. Такое выполнение обеспечивает устройству расширенные функциональные возможности. 1 ил.
Изобретение относится к медицине, а именно к электродным устройствам и может быть использовано при проведении интраоперационной биоимпедансометрии.
Известно электродное устройство для измерения полного электрического сопротивления (импеданса) биологических тканей (Егоров Ю.В., Кузнецова Г.Д. Мозг как объемный проводник. М., «Наука», 1976, с 46.), состоящее из корпуса, изготовленного в виде стеклянной микропипетки с диаметром конца 200-250 мкм, серебряных проводников, медных проводов и заполнителя (эпоксидная смола).
Недостатками известного электрода являются: невозможность проведения биоимпедансометрии биологических тканей большой площади, невозможность регулирования толщины пласта измеряемой ткани.
Цель изобретения: создание электрода для биоимпедансометрии с возможностью измерения различных по объему, толщине и глубине залегания структур в биологических тканях.
Сущность изобретения состоит в том, что корпус предлагаемого электрода состоит из двух, аналогичных частей, соединенных между собой, с возможностью перемещения по горизонтали, каждая из которых имеет выдвижной заостренный полый наконечник с миллиметровой шкалой из диэлектрика, с выдвижным съемным проводником внутри, изготовленным из токопроводящего материала.
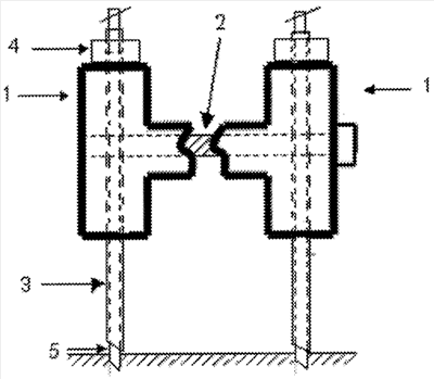
Сущность изобретения поясняется чертежом. На чертеже изображен общий вид электрода.
Электрод содержит корпус 1, состоящий из двух аналогичных частей, соединенных между собой винтовым креплением 2. Корпус 1 имеет полый заостренный наконечник 3, закрепленный на корпусе 1 винтом 4, с помощью которого регулируется степень выдвижения наконечника 3. Наконечник 3 содержит внутри съемный проводник 5, диаметр которого соответствует калибру наконечника 3 (300 мкм). На нерабочем конце проводника 5 через каждые 3 мм нанесены насечки, позволяющие контролировать степень погружения проводника в исследуемую ткань.
Устройство работает следующим образом: до начала измерения электрического сопротивления проводник 5 вводят в полый заостренный наконечник 3 таким образом, чтобы конец проводника был полностью скрыт диэлектриком. С помощью винтового крепления 2 устанавливают необходимое расстояние между наконечниками 3 (от 3 мм до 25 мм), что позволяет проводить исследование электрического сопротивления различных по площади биологических тканей. Наконечники 3 погружают в исследуемую ткань, контролируя глубину погружения по миллиметровой шкале, нанесенной на наконечниках 3 (от 1 мм до 40 мм), что позволяет проводить измерение электрического сопротивления интересующих участков биологических тканей без влияния электрического сопротивления окружающих тканей, повысив точность полученных показателей. Для измерения импеданса ткани проводники 5 погружают на глубину 3-6 мм. При необходимости можно провести серию измерений, поэтапно погружая проводники и контролируя глубину по нанесенным насечкам, что позволяет проводить исследование сопротивления всего объема интересующих тканей.
Предлагаемый электрод универсален, за счет изменения степени выдвижения проводника позволяет измерять электрическое сопротивление различных по толщине тканей.
За счет изменения расстояния между полыми наконечниками позволяет измерять электрическое сопротивление различных по площади тканей.
За счет изменения степени выдвижения проводника и глубины погружения полых наконечников позволяет измерять электрическое сопротивление различных по глубине залегания биологических структур, исключая влияние электрического сопротивления окружающих тканей.
Может найти применение при измерении электрического сопротивления тканей интраоперционно в эксперименте и чрескожно под контролем УЗИ в клинике.
Формула изобретения
Электрод для проведения биоимпедансометрии, состоящий из корпуса и проводников из токопроводящего материала, отличающийся тем, что корпус электрода состоит из двух аналогичных частей, соединенных между собой, с возможностью перемещения по горизонтали, каждая из которых имеет выдвижной заостренный полый наконечник из диэлектрика с миллиметровой шкалой, наконечники содержат внутри проводники из токопроводящего материала, выполненные выдвижными и съемными.
РИСУНКИ
MM4A – Досрочное прекращение действия патента СССР или патента Российской Федерации на изобретение из-за неуплаты в установленный срок пошлины за поддержание патента в силе
Дата прекращения действия патента: 03.11.2008
Извещение опубликовано: 10.08.2010 БИ: 22/2010
|
|