|
|
(21), (22) Заявка: 2004131205/13, 24.03.2003
(24) Дата начала отсчета срока действия патента:
24.03.2003
(30) Конвенционный приоритет:
22.03.2002 US 60/367,072
(43) Дата публикации заявки: 20.04.2005
(46) Опубликовано: 10.03.2008
(56) Список документов, цитированных в отчете о поиске:
US 4968518, 06.11.1990. RU 2077558 С1, 20.04.1997. US 3950266, 13.04.1976. ЭМАНУЭЛЬ Н.М., ЛЯСКОВСКАЯ Ю.Н. Торможение процессов окисления жиров. – М.: Пищепромиздат, 1961, с.236-282.
(85) Дата перевода заявки PCT на национальную фазу:
22.10.2004
(86) Заявка PCT:
US 03/09085 (24.03.2003)
(87) Публикация PCT:
WO 03/082021 (09.10.2003)
Адрес для переписки:
129010, Москва, ул. Б.Спасская, 25, стр.3, ООО “Юридическая фирма Городисский и Партнеры”, пат.пов. С.А.Дорофееву
|
(72) Автор(ы):
ФРИДМАН Бернард (US), БИЕЛСКА Барбара А. (US)
(73) Патентообладатель(и):
ОЙЛ ПРОУСЕСС СИСТЕМС, ИНК (US)
|
(54) СПОСОБ СТАБИЛИЗАЦИИ ГОРЯЧЕГО КУЛИНАРНОГО МАСЛА (ВАРИАНТЫ), КОМПОЗИЦИЯ ДЛЯ ЖАРКИ, КОМПОЗИЦИЯ, ПРИГОДНАЯ ДЛЯ ИСПОЛЬЗОВАНИЯ В КАЧЕСТВЕ ДОБАВКИ ДЛЯ СТАБИЛИЗАЦИИ ГОРЯЧЕГО КУЛИНАРНОГО МАСЛА, И КОМПОЗИЦИЯ, ПРИГОДНАЯ ДЛЯ ПОЛУЧЕНИЯ ДОБАВКИ
(57) Реферат:
Изобретение относится к масложировой промышленности. Способ предусматривает периодическое введение в горячее масло водной композиции, содержащей по меньшей мере один антиоксидант, выбранный из группы, состоящей из пищевых кислот, сложных эфиров глицерина и указанных пищевых кислот, трав, травяных экстрактов и их смесей. Композиция для жарки содержит вышеописанную водную композицию и горячее кулинарное масло в концентрации, большей, чем водная композиция. Композиция добавки содержит воду, по меньшей мере один антиоксидант, выбранный из группы, состоящей из пищевых кислот, сложных эфиров глицерина и указанных пищевых кислот, трав, травяных экстрактов и их смесей, и по меньшей мере один водорастворимый или вододиспергируемый эмульгатор. Способ предусматривает периодическое введение в горячее масло композиции, содержащей воду и смесь антиоксидантов, выбранных из группы, состоящей из пищевых кислот, сложных эфиров глицерина и указанных пищевых кислот, трав, травяных экстрактов и их смесей. Причем указанная смесь содержит по меньшей мере одну добавку двойного действия, проявляющую антиоксидантное и эмульгирующее свойства, и по меньшей мере одну траву или травяной экстракт. Изобретение позволяет увеличить срок использования масла, исключить расплескивание и вспенивание горячего масла в процессе его использования. 5 н. и 57 з.п. ф-лы, 9 ил.
Настоящее изобретение относится к области кулинарных масел, в частности к жидким маслам для жарки пищи. Данное изобретение относится к композициям и способам их использования для повышения стабильности и качества таких кулинарных масел.
Процессы приготовления пищи, использующие масло для приготовления или жарки пищи при повышенных температурах, могут приводить к окислению, гидролизу и/или полимеризации кулинарного масла. Различные реакции порчи масла, которые происходят в маслах для жарки, обсуждались С.W.Fritsch в World Conference on Soya Processing and Utilization. “Measurements of Frying Fat Deterioration: A Brief Review.” Поскольку такие масла подвержены быстрому разложению, качество, питательная ценность и кулинарные свойства масел быстро снижаются. Разложение или деградация кулинарного масла при температурах жарки приводит к образованию свободных жирных кислот и их производных, продуктов окислительной деградации жирных кислот, а также полимеров. Кулинарное масло также собирает частицы, растворимые загрязнения, такие как ионы металлов, и соки, выделяемые из пищи при жарке. Присутствие подобных веществ в кулинарном масле вызывает нежелательное ухудшение свойств и также может оказывать неблагоприятное действие на вкус и запах пищи. Конкретно, пища, пожаренная на таком испорченном масле, может быть пережарена до появления темно-коричневой корки снаружи до того, как она должным образом прожарится внутри. Например, в патенте США № 4349451 сообщалось, что кулинарное масло, содержащее всего 12 м.д. (миллионных долей) веществ, полученных из пищевых соков и/или при взаимодействии пищевых соков с жирными кислотами, имеет нежелательную тенденцию пениться или кипеть в процессе готовки. Кроме того, при наличии всего 6 м.д. подобных загрязнений кулинарное масло имеет тенденцию к проявлению олеофильных свойств с пищей, оставляя при этом масляный осадок на поверхности обжариваемого пищевого продукта.
Ранее использовали различные композиции и способы для поддержания качества кулинарного масла или для быстрой и экономичной обработки загрязненного кулинарного масла, например, путем введения антиоксидантов в загрязненное кулинарное масло. См. например, патенты США №№ 3947602; 4330564; 4349451; 4462915; 5200224 и 5354570, каждый из которых включен в данный документ путем ссылки в дозволенной степени.
Общим при использовании фритюрниц, в частности ресторанных фритюрниц, является то, что существует срок службы масла от момента заполнения фритюрницы свежим маслом до того момента, когда его выбрасывают как непригодное для дальнейшего использования. Количество антиоксидантов, которые присутствуют в свежем кулинарном масле, быстро уменьшается при нагревании и приготовлении пищи при температурах, необходимых для жарки. Окисление и другие реакции деградации, включая реакции, ухудшающие качество масла и/или качество пищи, приготовленной на масле, включая вкус, запах и внешний вид, усиливаются при таких часто используемых повышенных температурах жарки. Количество антиоксидантов, присутствующих в свежем кулинарном масле, ограничено и недостаточно, чтобы работать со скоростью, с которой происходят реакции окислительной деградации в горячем кулинарном масле. Если бы количество антиоксидантов было большим, то можно было бы продлить срок службы кулинарного масла. Однако количество антиоксидантов в масле для жарки ограничено, потому что природные маслорастворимые антиоксиданты, такие как фитостеролы, оризанол, сезамолин, токоферолы и сквален, обычно присутствуют в малых концентрациях. Кроме того, многие добавляемые антиоксиданты, такие как лимонная кислота, аскорбиновая кислота и экстракт розмарина, потенциально пригодные для пищевых применений, обладают низкой растворимостью или нерастворимы в свежем масле. Поэтому концентрация подобных стабильных нетоксичных антиоксидантов, которые могут присутствовать в свежем масле, ограничена низкими значениями. Например, d-альфа токоферол добавляют к рапсовому маслу в количестве менее 500 м.д., а лимонную кислоту используют в кукурузном и подсолнечном маслах в качестве технологической добавки в количестве 50 мг на 1 кг масла. Следовательно, их присутствие в низких концентрациях приводит к их быстрому потреблению, когда масло используется при повышенных температурах, таким образом оставляя масло незащищенным. Альтернативно, предшествующие способы для внесения таких добавок включали использование дополнительных компонентов, например минеральных частиц, которые может потребоваться отфильтровать из масла до того, как его вернут на готовку, или которые вообще нежелательны для тех, кто использует пищевой процессор (“комбайн”). Количество других добавляемых компонентов, таких как бутилированный гидроксианизол (BHA), бутилированный гидрокситолуол (ВНТ) и галлаты, такой как пропилгаллат, которое можно безопасно добавлять к свежему маслу, ограничено из-за их влияния на здоровье. Также хотя такие антиоксидантные добавки, как ВНА и ВНТ, являются маслорастворимыми и стабильными при комнатной температуре, они являются нестабильными и быстро распадаются при температурах приготовления пищи и/или оказывают минимальное антиокислительное действие при повышенных температурах, используемых при приготовления пищи. Следовательно, количества, которые можно обычно использовать, ограничены низкими концентрациями, требуемыми для поддержания окислительной стабильности масла при его хранении до использования.
Во время процесса приготовления пищи при повышенных температурах антиоксиданты в масле расходуются, поэтому окислительная деградация быстро прогрессирует. Обычно добавление свежего кулинарного масла к использованному вводит в общую композицию лишь ограниченное количество добавляемых антиоксидантов, присутствующих в свежем масле, и это неэффективно для обеспечения приемлемого стабилизирующего действия для используемого кулинарного масла. В случаях, когда большие объемы масла удаляются из фритюрницы с обжаренной пищей, соответственно большие количества свежего масла требуется добавлять, при этом избегая избыточной деградации масла во фритюрнице. Однако приготовление пищи с по существу всегда свежим маслом не создает проблемы производства, решаемой настоящим изобретением. Эта проблема может возникнуть, например, при использовании некоторых высокопроизводительных промышленных устройств для обработки пищевых продуктов. Однако даже в этих обстоятельствах введением дополнительного антиоксиданта(-ов) и добавки(-ок) в масло в соответствии с настоящим изобретением можно улучшить антиоксидантный состав масла, а также повысить его кулинарную производительность и качество пищи, в нем приготовленной. Обычно количество свежего масла, добавляемого во фритюрницу во время готовки в ресторанах и многих пунктах общественного питания, достаточно невелико, так что антиоксидант добавленного свежего масла недостаточно эффективен, чтобы обеспечить приемлемый стабилизирующий эффект. Результатом является прогрессирующая деградация состава масла и ухудшение ее кулинарных свойств. И наоборот, если антиоксиданты, истощенные в процессе приготовления пищи, можно легко пополнить, тогда прогрессирующая деградация масла значительно замедляется. Достигаемые преимущества могут включать пониженное поглощение масла приготавливаемой пищей, улучшенный вкус и более длительный срок хранения такой пищи.
Исследования процесса жарки, опубликованные в литературе, обычно используют условия эксперимента, которые не принимают во внимание влияние пищи на масло для жарки. Некоторые природные компоненты или пищевые ингредиенты потенциально способны замедлять деградацию кулинарного масла. Вода и пищевые кислоты являются обычными компонентами, присутствующими в пище; действительно, некоторые пищевые продукты могут содержать до 70% воды. Как сообщается C. Gertz et al., проводились исследования по имитации и оценке действия различных пищевых компонентов на стабильность масел или жиров для жарки при соответствующих температурах. Для имитации действия пищи, приготовленной в масле, присутствие воды и пищевых кислот было представлено путем добавления кислого силикагеля, содержащего 5% и 10% воды. По сравнению с чистым маслом (нагреваемым без пищи) образование вредных продуктов уменьшалось в присутствии кислого силикагеля. Полимеризация триглицеридов замедлялась кислым силикагелем в присутствии воды. European J. Lipid Sci. Technol. 102 (2000) 543-551, C. Gertz, S. Klostermann, S. P. Kochhar, “Testing and comparing oxidative stability of vegetable oils and fats at frying temperature.”
Патент США № 3947602 раскрывает способ обработки кулинарного масла пищевой кислотой. Было продемонстрировано, что способ увеличивает срок службы кулинарного масла. Однако этот способ требует использования теплообменников для того, чтобы предотвратить нагревание циркулируемым горячим маслом кислого пищевого раствора до температуры кипения. Он также требует громоздкого оборудования и использования фильтра для проведения стадии фильтрации и таким образом повышает расходы на эксплуатацию и капитальные вложения.
Патенты США №№ 4349451 и 4330564 раскрывают композицию, содержащую воду, кислоту, совместимую с пищей пористый носитель риолит или перлит. Эту композицию можно добавлять непосредственно к используемому горячему кулинарному маслу для удаления или нейтрализации действия вредных веществ, таких как растворимые пищевые соки и жирные кислоты, в используемом кулинарном масле, увеличить срок его службы и кулинарных свойств. Однако было бы желательно избежать применения минерального носителя, описанного в этих патентах, как и в упомянутом выше C. Gertz et al., особенно в некоторых европейских странах, в которых наличие минерального осадка может быть законодательно запрещено.
Подобно, патент США № 6210732 В1 предлагает добавку в кулинарное масло, содержащую смесь лимонной кислоты и синтетического аморфного осажденного силиката кальция, причем смесь, добавленная к нагретому кулинарному маслу, через 6-8 часов использования должна фильтроваться. При фильтрации удаляется добавленный силикат кальция вместе с пищевыми крошками и другим осадком.
Патент США № 4968518 раскрывает способ обработки использованного кулинарного масла, предусматривающий контактирование использованного масла с водным раствором “регенерирующего агента”, т.е. этилендиаминтетрауксусной кислоты или н-пропил-3,4,5-тригидробензоата, с образованием водно-масляной смеси с последующим отделением водяных компонентов от масла для получения “регенерированного” масла, которое можно повторно использовать.
На Европейском рынке недавно появился продукт под названием “Oil Master”, служащий для доставки водных и неводных ингредиентов при использовании масла в качестве носителя. Он использует маслорастворимый эмульгатор для соединения водного(ых) ингредиента(ов) с маслом. Полученную эмульсию добавляют к используемому маслу. Однако данный продукт и способ его получения использует дополнительное масло в качестве носителя для введения в водную добавку(и). Это может привести к введению во фритюрницу дополнительного масла, которое может отличаться от масла во фритюрнице. Кроме того, дополнительное масло повышает стоимость производимого и продаваемого продукта.
Композиции и способы, описанные выше, так же как и другие, имеют определенные недостатки. Например, композиции, в которых в качестве адсорбента используется активируемый уголь, трудно тщательно отфильтровать, чтобы удалить частицы активированного угля из обработанного масла, при возможностях, которые обычно имеются у ресторанной кухни. Другие используют обычный фильтр и фильтровальное оборудование для замедления деградации масла при помощи стадии фильтрации. Другие обеспечивают удаление загрязнений из использованного кулинарного масла, но не добавляют антиоксиданты и воду в масло. Другие требуют длительных периодов обработки, которые делают их экономически невыгодным. Исходя из этого, желательно обеспечить композицию, для преодоления этих недостатков путем добавления желательных антиоксидантов простым и экономически эффективным образом, причем так, чтобы данную композицию можно легко добавлять периодически или постоянно к горячему кулинарному маслу.
Первый объект изобретения касается способа стабилизации горячего кулинарного масла, который предусматривает (а) периодическое добавление в горячее масло, например в масло с температурой от 225°F до 350°F, водной смеси, раствора, суспензии, дисперсии или эмульсии, содержащей по меньшей мере один антиоксидант, такой как пищевая кислота, или по меньшей мере один такой антиоксидант в комбинации с по меньшей мере одним водорастворимым и вододиспергируемым эмульгатором. В предпочтительном варианте композиция дополнительно содержит по меньшей мере один водорастворимый или вододиспергируемый эмульгатор. Предпочтительно, водную композицию, содержащую антиоксидант, вводят в кулинарное масло по меньшей мере один раз в течение периода, когда масло используется для приготовления или жарки пищи или перед тем, как масло выбрасывают как непригодное, например, из-за запаха, цвета и/или вкуса. Также предпочтительно, водную композицию, содержащую антиоксидант, вводят с регулируемой скоростью, сравнимой со скоростью удаления воды из пищи, обжариваемой в кулинарном горячем масле. Такое регулируемое добавление позволяет избежать или предотвратить взрывное превращение воды в пар. Добавление композиции корректируют посредством одной или более проверок для обнаружения деградации масляной композиции для жарки (например, используя датчики для определения одного или более аспектов качества масла) и скорость добавления может быть отрегулирована с учетом скорости деградации масла; данный объект изобретения предусматривает использование автоматизированных систем, в которых используются соответствующие сенсоры или детекторы для оценки качества масла. В особенно предпочтительном варианте управляемое добавление композиции облегчается использованием прибора для введения ее в горячее масло в виде тонкой струи, тумана, густого тумана, капелек жидкости малого диаметра или в виде аэрированной струи или аэрированных капель малого диаметра, используя, например, ручной распылитель.
Второй объект изобретения касается композиции, содержащей: (а) меньшую концентрацию водяного раствора, дисперсии, суспензии или эмульсии по меньшей мере одного антиоксиданта такого как пищевая кислота; или раствора, дисперсии, суспензии или эмульсии по меньшей мере одного антиоксиданта, такого как пищевая кислота, и по меньшей мере одного водорастворимого или вододиспергируемого эмульгатора, и (b) большую концентрацию кулинарного масла. В предпочтительном варианте, в котором эмульгатор не используют, концентрация пищевой кислоты и/или травяного экстракта присутствует в масле во время добавления в количестве от около 0,003% масс. до около 1% масс., более предпочтительно от около 0,005% масс. до около 0,06% масс., особенно предпочтительно от около 0,01% масс. до около 0,04% масс. При условии, что при этом длительность периода, в течение которого горячее масло продолжает быть полезным, эффективно повышается, могут использоваться еще более высокие концентрации пищевой кислоты и/или травяного экстракта; для определения таких повышенных концентраций можно использовать ограниченное экспериментирование, включающее сопоставление расходов и получаемой выгоды. Обычно травяные экстракты используют в комбинации с по меньшей мере одной пищевой кислотой или ее производным, так что полезная концентрация травяного экстракта может быть ниже концентрации пищевой кислоты или комбинации пищевой кислоты и травяного экстракта. Например, рассматриваемое отдельно полезное количество травяного зкстракта составляет от около 0,0005% масс. до около 0,6% масс., предпочтительно от около 0,005% масс. до около 0,06% масс. В предпочтительном варианте, в котором используют эмульгатор, этот водорастворимый или вододиспергируемый эмульгатор присутствует в масле во время добавления в количестве от около 0,0000002 (2х10-7)% масс. до около 0,05% масс., предпочтительно от около 2х10-6 % масс. до около 0,005% масс., а жирная кислота присутствует в масле во время добавления в количестве от около 0,003% масс. до около 1,0% масс., предпочтительно от около 0,004 % масс. до около 0,06% масс. и еще предпочтительнее от около 0,005 % масс. до около 0,06% масс. Ссылка на “время добавления” означает, что некоторое количество добавки в горячем масле может изменяться после добавления из-за, например, выпаривания, химической реакции, деградации и т.д. Кулинарное масло имеет температуру в пределах от около 275°F до 400°F, хотя нижний предел может составлять около 225°F и обычно в пределах от около 300°F до около 375°F. Композиция, содержащая (а) и (b), может находиться в форме раствора, дисперсии, суспензии, смеси или эмульсии. Когда композиции по изобретению (а) добавляют к кулинарному маслу, антиоксидант, истощившийся в кулинарном масле, полностью или частично восстанавливается с помощью по меньшей мере одного добавленного антиоксиданта. Композицию также можно добавлять в любой момент для пополнения количества антиоксиданта, присутствующего в кулинарном масле.
Третий объект изобретения касается композиции, содержащей: (а) воду, (b) по меньшей мере один антиоксидант, такой как пищевая кислота, и (с) по меньшей мере один водорастворимый или вододиспергируемый эмульгатор. Обычно эту композицию можно получить путем смешивания в воде антиоксиданта и водорастворимого или вододиспергируемого эмульгатора так, чтобы смесь содержала антиоксидант в количестве от около 5% масс. до около 60% масс., предпочтительно от около 10% масс. до около 40% масс., и эмульгатор в количестве от около 0,00001% масс. до около 5% масс., предпочтительно от около 0,0001% масс. до около 2% масс., например, от около 0,0005% масс. до около 2% масс.
Четвертый объект изобретения указывает на композицию, содержащую: (а) по меньшей мере один антиоксидант, такой как пищевая кислота, и (b) по меньшей мере один эмульгатор.
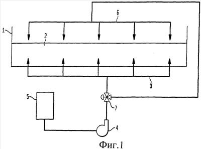
На чертежах:
Фиг. 1 – схема процесса введения добавок с контролируемой скоростью во фритюрницу, содержащую масло.
Фиг. 2, 3, 5 и 6 – виды устройств для введения добавок в виде тонкой струи.
Фиг. 4, 7, 8 и 9 – виды устройств для введения добавок в виде тумана, густого тумана и/или капелек малого диаметра.
Для целей настоящего изобретения антиоксидант является соединением, компонентом или смесью соединений или компонентов, некоторые из которых способны реагировать со свободными радикалами, подавляя реакции цепей со свободными радикалами. Следовательно, антиоксидант по изобретению улучшает по меньшей мере одну химическую или физическую характеристику масла при подвергании масла повышенной температуре, включая, например, устойчивость масла к окислительной деградации, подавление снижения молекулярного веса молекул масла, подавление образования поперечных связей в масле, которые приводят к образованию осадка, и к подавлению образования нежелательного и/или неприятного вкуса и запаха. Такие антиоксиданты включают природные и синтетические пищевые кислоты и травы, например лимонную кислоту и экстракт розмарина, а также другие соединения и компоненты, указанные в данном документе и где-либо в уровне техники как подавляющие по меньшей мере одно из указанных нежелательных явлений. В основном полезные травы и травяные экстракты включают такие, как куркума, розмарин, орегано, шалфей, чеснок, имбирь, мята перечная, портулак, черника, молочный чертополох, виноградные косточки, зеленый чай, морская сосна и зверобой. Полезный список можно найти в Интернете по адресу www.ars-grin.gov/duke/, содержащий фитохимические и этноботанические базы данных, сохраненные Dr. J. Duke, включенные сюда путем ссылки в дозволенной степени. Поэтому в контексте данного изобретения использование антиоксиданта стабилизирует или улучшает стабильность горячего масла, используемого для приготовления или жарки в том смысле, что масло может использоваться в течение более длительного периода до того, как качество самого масла или пищи, на нем приготовленной, не станет неприемлемым по цвету, вкусу и/или запаху. По меньшей мере часть преимуществ настоящего изобретения обеспечивается путем добавления водной композиции, т.е. при добавлении воды как компонента. Не желая быть связанными теорией, авторы изобретения полагают, что вода композиции, особенно в форме, в которой ее вводят в соответствии с настоящим изобретением, облегчает удаление летучих, формирующих запах соединений из используемого кулинарного масла, например, физически, процессом, аналогичным паровой дистиляции или иным образом.
Композиции по изобретению, содержащие: (а) воду, (b) по меньшей мере один антиоксидант, предпочтительно пищевую кислоту, обычно получают растворением или диспергированием антиоксиданта в воде. В предпочтительном варианте, антиоксидант присутствует в количестве от около 5% масс. до около 60% масс., предпочтительно от около 10% масс. до около 40% масс. Более предпочтительно, композиция, перед ее добавлением в масло, образует раствор, дисперсию или суспензию. Композиция, при добавлении в масло, предпочтительно образует раствор с маслом; альтернативно она образует дисперсию, суспензию или же любое из этих состояний (раствор, дисперсия, суспензия) может возникать одновременно в различной степени.
Композиции по изобретению, содержащие: (а) воду, (b) по меньшей мере один водорастворимый или вододиспергируемый эмульгатор и (с) по меньшей мере один антиоксидант, предпочтительно пищевую кислоту, обычно получают растворением или диспергированием эмульгатора и антиоксиданта в воде. В предпочтительном варианте водорастворимый или вододиспергируемый эмульгатор присутствует в количестве от около 0,00001% масс. до около 5% масс., предпочтительно от около 0,0001% масс. до около 2% масс., а антиоксидант присутствует в количестве от около 5% масс. до около 60% масс., предпочтительно от около 10% масс. до около 40% масс. В предпочтительном варианте, эмульгаторирующие свойства включают одно или более из следующих: неионный, нетоксичный с точки зрения его пригодности для пищевых целей, а также и слабопенящийся или непенящийся. Еще предпочтительнее, композиция перед ее введением в масло образует раствор, дисперсию или суспензию. Композиция, при добавлении в кулинарное масло, диспергирует как разбавленная эмульсия. Образование эмульсии, когда композицию вводят в масло, может быть желательным до тех пор, пока эмульсия улучшает равномерность распределения антиокислительных ингредиентов и воды в кулинарном масле и предотвращает коалесценцию водяных капель. Это может помочь при контроле или сдерживании скорости выделения антиокислительной композиции. Обычно кулинарное масло находится при температуре от около 300°F до 385°F, когда композицию добавляют к маслу, и обычно от около 325°F до около 360°F.
Водорастворимые или вододиспергируемые эмульгаторы в общем известны в данной области. Примеры водорастворимых или вододиспергируемых эмульгаторов включают, но не ограничены этим, моно- и диглицериды жирообразующих жирных кислот, карбоновые кислоты и сложные эфиры жирных кислот и глицерина. В данном документе, “пищевые кислоты” включают, но не ограничены этим, лимонную, винную, яблочную, молочную, уксусную, фумаровую, аскорбиновую (витамин С), изоаскорбиновую, янтарную, адипиновую, гидрохлоридную и фосфорную кислоты, а также сложные эфиры глицерина и вышеперечисленных кислот, этилендиаминтетрауксусную кислоту и жирные кислоты, а также их пермутации, комбинации и смеси. Композиция может дополнительно содержать такой пищевой агент, как уксусная кислота, и/или хелатирующий агент, уменьшающий жесткость воды, поскольку использование жесткой воды может привести к обратному результату, а не замедлять реакции деградации кулинарного масла. Альтернативно можно использовать деминерализованную воду или воду с пониженными концентрациями минералов. Композиции по изобретению предпочтительно содержат по меньшей мере один антиоксидант, выбранный из группы, состоящей из лимонной и аскорбиновой кислот, аскорбилпальмитата и природных антиоксидантов, полученных их куркумы или розмарина.
Преимущества настоящего изобретения достигаются при добавлении композиции по изобретению небольшой концентрации, например, (а) композиции, содержащей меньшую концентрацию по меньшей мере одного водорастворимого и вододиспергируемового антиоксиданта, который является пищевой кислотой, воду и, возможно, по меньшей мере один водорастворимый и вододиспергируемый эмульгатор и (b) введение в масло композиции в большой концентрации. В особенно предпочтительном варианте кулинарное масло имеет температуру от около 315°F до около 360°F. Водную композицию предпочтительно вводят в кулинарное масло без использования как твердого минерального носителя, так и жидкого масляного носителя. Смесь более предпочтительно вводить в пищевое масло с медленной контролируемой скоростью в течение некоторого периода времени, чтобы не создавать опасности взрывного превращения жидкой воды в пар. Это достигается скоростью введения водной композиции, сопоставимой со скоростью дегидратации и миграции воды с поверхности пищи, приготавливаемой или обжариваемой в горячем масле. Все пищевые продукты содержат воду. Обычно пища содержит от около 40% до около 70% воды. Можно добавлять дополнительное количество воды и антиоксидантов при выборе подходящего физического приспособления для введения водной композиции. Композицию можно добавлять в виде мелких брызг или тумана вокруг поверхности масла или с помощью одиночных или многочисленных отверстий так, чтобы введение композиции вызвало приемлемый уровень закипания без риска разбрызгивания.
Водяную композицию можно добавлять к маслу в виде тонкой струи, предпочтительно в виде тумана или густого тумана, или капелек жидкости; такие капельки или струю предпочтительно аэрировать. При добавлении в форме капель, их размер обычно составляет от около 0,1 мм до около 3,0 мм в диаметре, предпочтительно от около 0,5 мм до около 2,5 мм. Альтернативно тонкая струя может иметь размер от около 0,05 мм до около 6,0 мм в диаметре, предпочтительно от около 1 мм до около 2 мм. Водяную композицию можно вводить в масло или на (поверхность) масла, используя для этого различные приспособления. Например, удобно использовать контейнеры, такие как пластиковые дутьевые бутылки, которые оснащены крышками или колпачками, способными производить тонкую струю или туман при сжатии бутылки. Такие контейнеры хорошо известны. Альтернативно, контейнеры для введения могут быть ручными контейнерами такого типа, который производит мелкий туман или дымку, на основе использования погруженной трубки, разбрызгивающего носика и спускового механизма (“триггера”), который вытягивает воду из контейнера и заставляет проходить через носик, когда пользователь нажимает или отпускает триггер. Кроме того, можно использовать контейнеры, снабженные насосным дозирующим устройством, а также шприцы, оснащенные капилляром малого калибра, иглой или трубкой. Эти и другие пригодные контейнеры, приспособления и способы дозирования тонкой струи, пара или тумана хорошо известны в технике и могут быть выбраны специалистом с учетом таких факторов, как стоимость и удобство. Приспособление, включая конфигурацию носика, можно выбирать так, чтобы производить аэрированный жидкий пар и/или аэрированные жидкие частицы или капли. Такое приспособление производится фирмой Delta Manufacturing (РА). В обстоятельствах, когда желательно ограничить количество воздуха, вводимого в масло, например при коммерческой жарке, которую проводят в течение длительных периодов времени при повышенных температурах, можно использовать инертный газ, такой как азот, углекислый газ или их смесь, вместо или в комбинации с воздухом. Следовательно, в целях настоящего изобретения термин “аэрация” следует понимать как введение мелких пузырьков газа в капли жидкости или пара, причем газ может представлять собой воздух, или инертный газ, или их смесь. Предпочтительно, композицию применяют в виде конического потока брызг подходящего размера, наносимого на поверхность горячего масла на большой площади, например, овальной или круглой формы, имеющей большой диаметр от около 3 до около 9 дюймов. Предпочтительно, площадь, покрываемая брызгами или туманом, имеет круглую форму около 5 дюймов в диаметре или овальную форму с размерами примерно 5 на 9 дюймов. Альтернативно, туман или густой туман распыляют над поверхностью масла так, чтобы покрыть от около 15% до около 70% площади поверхности масла; например, от около 30% до около 50%. Конкретная покрываемая площадь не считается критической, при условии, что композиция достигает поверхности масла и вводится во всю масляную композицию.
Еще один альтернативный вариант или способ введения композиции в масло, особенно предпочтительный для использования на большом жарочном оборудовании, таком как используемое в пищевой промышленности (см. фиг.1). В этом варианте композицию можно вводить в жарочную емкость (1) из резервуара (5), содержащего композицию, через расположенные заданным образом отверстия, например, выше (3) и/или ниже (6) поверхности масла (2), используя регулируемый клапан (7), чтобы вводить пар, или туман, или густой туман из мелких капель диаметром от около 0,1 мм до около 3,0 мм, например, от около 0,1 мм до около 3,0 мм. Предпочтительно, композицию вводят ниже поверхности масла, при этом предпочтительный размер капель составляет от около 1,0 мм до около 1,5 мм в диаметре. Скорость добавления композиции можно регулировать, например, с использованием дозирующего насоса (4). Данный процесс предпочтительно совершают в течение фиксированных промежутков времени, например, после того, как масло находилось при повышенной температуре приготовления пищи, после фиксированных интервалов приготовления или по результатам периодического измерения свойств масла и/или визуального контроля внешнего вида и внутренней температуры пищи (кулинарная производительность масла). Скорость введения может меняться с точки зрения измеряемых или наблюдаемых свойств масла и пищи. Дозированный ввод композиции также может изменяться автоматическим путем детектирования ключевых свойств масла, таких как содержание свободных жирных кислот (FFA), пероксидное содержание или содержание полярных соединений. Такие временные интервалы легко выбрать специалисту в области приготовления пищи и особенно в области приготовления жареной пищи, после ограниченного количества экспериментов или в результате опыта, используя способы, показанные в данном документе. Следовательно, водяную антиоксидантную композицию, содержащую, например, по меньшей мере одну пищевую кислоту и/или по крайней мере один травяной экстракт, и воду, добавляют в количестве, которое компенсирует потерю или деградацию антиоксиданта, через выбранный период времени, или регулируют качество композиции кулинарного масла до заданного экспериментальными измерениями значения автоматическим или ручным образом.
Композицию по изобретению, содержащую по меньшей мере один антиоксидант, например, пищевую кислоту, и воду и, возможно, по меньшей мере один эмульгатор, можно получить смешиванием, причем это смешивание, возможно, включает такие процессы, как солюбилизация, диспергирование или суспендирование, упомянутых компонентов и других возможных полезных добавок для кулинарного масла друг с другом. Последовательность смешивания не является критической, и подходящий порядок легко определить экспериментально. Эмульгаторы в общем известны в данной области. Для целей настоящего изобретения эмульгаторы включают как масло- и водорастворимые, так и вододиспергируемые эмульгаторы. Для осуществления данного объекта изобретения антиоксидант, например пищевая кислота, вводимый в жидкой или особой форме, диспергируют или растворяют в воде или смеси эмульгатора и воды, и смесь добавляют к горячему кулинарному маслу. Примеры таких эмульгаторов включают, но без ограничения этим, моно- и диглицериды, жирообразующие жирные кислоты и/или другие пищевые кислоты, и аскорбилпальмитат. В особенно предпочтительном воплощении эмульгатор выбирают из группы, состоящей из водорастворимых или вододиспергируемых и маслорастворимых эмульгаторов, а антиокислительная добавка присутствует в форме, выбранной из группы, состоящей из твердых компонентов, жидкостей, водных растворов и водных дисперсий. Антиокислительные добавки включают антиокислительные пищевые кислоты, описанные выше, так же как и другие антиоксиданты, например глицериновый эфир лимонной кислоты и жирообразующие жирные кислоты, полученные из подсолнечного масла или масла канолы, аскорбиновую кислоту, аскорбилпальмитат, экстракты куркумы и розмарина. В особенно предпочтительном варианте используют аскорбилпальмитат отдельно или в комбинации с другими антиоксидантами и/или эмульгаторами, чтобы использовать и его антиокислительные, и эмульгирующие свойства. Полезные пищевые добавки, также обладающие как антиоксидантными, так и эмульгирующими свойствами, включают лимонную кислоту, жирные эфиры кислот и глицерина, лактаты натрия, калия и кальция; тартраты натрия и калия; цитраты натрия, кальция и калия; фосфаты натрия, калия, кальция, аммония и магния; и лецитин. Следовательно, такие материалы можно использовать сами по себе, чтобы обеспечить антиокислительные и эмульгирующие свойства, или их можно использовать в комбинации с другими упомянутыми антиоксидантами и эмульгаторами, чтобы улучшить качество композиции. Кроме того, такие материалы с двойными функциями можно использовать в комбинации или смеси друг с другом.
Способ снижения скорости реакций деградации масла или способ стабилизации композиции горячего кулинарного масла предпочтительно осуществляют регулированием скорости введения растворов, дисперсий или суспензий антиоксидантов и/или другой полезной пищевой добавки, например воды, пищевой кислоты или другой антиокислительной или эмульгирующей добавок, водных или безводных, в горячее кулинарное масло. Эта скорость предпочтительно является такой, чтобы позволять и улучшать безопасное диспергирование и диффузию, предпочтительно без использования дополнительных “чужих” носителей, таких как пористые минералы или масляные эмульсии. В предпочтительном примере раствор водорастворимого антиоксиданта можно предоставлять в виде безопасного “концентрированного добавочного раствора”, чтобы снизить стоимости транспортировки и упаковки по сравнению с продуктом, использующим в качестве носителя масло или пористый материал. Когда композиции по изобретению добавляют к кулинарному маслу, антиоксидант, предварительно удаленный из кулинарного масла, пополняют, полностью или частично, добавлением по меньшей мере одного антиоксиданта. Композицию также можно добавлять в любой момент для пополнения антиоксиданта в кулинарном масле.
Композиции по изобретению можно эффективно вводить в горячее кулинарное масло различными способами. Такие способы применимы к ресторанным фритюрницам, а также и к производственным жаровням. Например, композицию, содержащую пищевую кислоту, антиоксидант и другие добавки, можно вводить в горячее кулинарное масло, используя мелкое отверстие, или канал малого диаметра, или трубку.
Различные устройства для введения композиции по изобретению показаны на фиг.1-8. Устройство для получения мелких брызг включают, например, сжимаемые бутылки на фиг.2, 3 и 5, причем каждое имеет отверстие малого диаметра, через которое выпускается композиция. Медицинский шприц, как показано на фиг.6, или трубка небольшого диаметра с подходящим ограниченным по размеру отверстием, могут использоваться для введения композиции выше и/или ниже поверхности масла. Альтернативно, можно использовать другие разбрызгивающие или выдачные устройства, снабженные насосом или спусковым механизмом в комбинации с мелким отверстием или разбрызгивающим соплом, для введения композиции по изобретению в горячее масло, как в виде брызг или тонкой струи, так и в виде капель небольшого диаметра, тумана или густого тумана добавляемого раствора выше поверхности горячего масла (см. фиг.4, 7 и 8). На фиг.2: 201 – сжимаемая бутылка, 202 – колпачок и 203 – наконечник, включающий выпускное отверстие малого диаметра 204, через которое композиция выходит, когда ее выжимают из бутылки наружу, как показано, примерно вертикально или под углом в 90° относительно поверхности крышки. На фиг.3: 301 – сжимаемая бутылка, 302 – выступ или наконечник, интегральный с колпачком бутылки и 303 – отверстие малого диаметра, через которое композиция покидает бутылку при ее сжатии; обычно колпачок бутылки снабжен удаляемым покрытием для герметизации, когда бутылкой не пользуются. На фиг.4 показана распылительная бутылка насосного типа 401, где, когда нажимают на насосный механизм 402, жидкость, находящаяся внутри бутылки, выводится через погруженную трубку (не показана), соединенную с насосным механизмом, и выходит через отверстие малого диаметра 403 в форме тумана, густого тумана или капелек, в зависимости от диаметра или конфигурации отверстия. На фиг. 5 показана распылительная бутылка 501, колпачок 502 которой включает интегральное покрытие 503 такое, что когда оно открыто, под ним обнаруживается выступ 504 и выпускное отверстие 505 малого диаметра. На фиг. 5 показан обычный (подкожный) шприц, содержащий иглу или канюлю 601 небольшого диаметра, из которого композиция выходит, когда плунжер 602 утапливают внутрь корпуса 603 шприца. При желании корпус шприца можно откалибровать по объему, чтобы облегчить выделение необходимого количества композиции с каждым нажатием на плунжер. Дополнительно, шприц можно повторно наполнять из запаса композиции. Аналогично, калибровка и способность к повторному наполнению являются признаками, общими для всех приспособлений для введения композиции по изобретению в горячее масло. На фиг. 7 показано сжимаемое распыляющее устройство, включающее сжимаемый рукой механизм 702, у которого погружная трубка соединена, обычно плотно вставлена (не показана) внутрь распылительной головки в бутылке 701. Композиция выходит из этого устройства через отверстие малого диаметра 704 в колпачке 703 с регулируемой скоростью потока. Сжимаемый рукой механизм, включающий погружную трубку, отделяется от бутылки и обычно присоединяется к ней с резьбовым колпачком 705. Универсальная погружная трубка и разбрызгивающий механизм показаны на фиг. 8. Погружная трубка включает фильтр 802 на конце трубки 801; трубка проходит через крышку 803, которую можно присоединить к резервуару с композицией с помощью, например, подходящей защелки или винта. Как в других механизмах этого типа, когда ручку 804 сжимают, она создает вакуум в резервуаре или бутылке, приводящий к тому, что жидкость поднимается вверх по погружной трубке, по которой она выходит через регулируемое сопло 805 и из отверстия 806. Регулировка отверстия сопла позволяет композиции выходить в виде тумана или густого тумана, в виде мелких капель или в виде тонкой струи. Альтернативный разбрызгиватель, показанный на фиг. 9, содержит погружную трубку 901, разбрызгивающее сопло 902 и сжимаемую ручку 903, расположение которых такое же, как и на фиг. 7. Как в устройстве, показанном на фиг. 7, механизм распылительной головки регулируется поворотом носика по часовой или против часовой стрелки, чтобы получить более или менее тонкую струю. Кроме того, устройство, показанное на фиг. 9, также обеспечивает аэрацию, степень которой регулируется аналогичным поворотом сопла распылительной головки.
В еще одном варианте добавляемый раствор, дисперсию или концентрат можно вводить непрерывно, периодически или с фиксированными или регулярными интервалами из контейнера, в котором он хранится, когда трубка для введения добавки зафиксирована в безопасной позиции на фритюрнице, а скорость потока установлена так, чтобы удовлетворять потребности приготовления пищи в течение дня. Например, диспергирование и диффузия водного раствора пищевой кислоты в горячем кулинарном масле может осуществляться с помощью измеряющего насоса с контролем объема и времени для введения жидкости через множество отверстий, расположенных выше и/или ниже поверхности масла. Кроме того, можно использовать датчики для постоянного наблюдения за техническим состоянием масла, например, в соответствии с содержанием полимеризованных триглицеридов, содержанием полярных соединений, свободных жирных кислот или пероксидным содержанием. Различные способы измерения качества масла описаны в статье C. Gertz, et al., в European J. Lipid Sci. Technol., упомянутой выше в данном описании, а также в патентах США 4349353 и 4731332. Промышленные варианты методов тестирования, на которые даются ссылки в последних патентах, предлагаются фирмой MirOil Division of Oil Process Systems Inc. (Allenton, PA). Эти ссылки, включая описание различных методов тестирования, включены сюда путем ссылки в дозволенной степени. Датчик качества масла для выдачи и диспергирования добавляемой композиции в масло, может включать дозирующий двигатель. Использование эмульгатора в композиции по изобретению, кроме того, облегчает эффективное диспергирование композиции при контакте с горячим кулинарным маслом, так что вода, присутствующая в композиции, эффективно диспергируется в композиции так, что при превращении в пар, водяные капли имеют достаточно малый размер, чтобы избегнуть опасного расплескивания горячего масла.
Для целей настоящего изобретения предпочтительно водную антиоксидантную пищевую кислоту или добавку используют в горячем кулинарном масле, например, при температуре около 250°F или выше, особенно предпочтительно, чтобы масло имело температуру от около 300°F до около 375°F, и еще предпочтительнее от около 315°F до около 360°F. Если масло недостаточно горячее, водная композиция может погрузиться в холодную зону на дно фритюрницы и остаться в форме теплой водной композиции, недостаточно горячей, чтобы превратить воду в пар для диспергирования и/или диффузии водной композиции и ее компонентов в кулинарном масле. Обычно кулинарное масло представляет собой триглицериды, т.е. продукт этерификации глицерина с тремя молекулами насыщенных, ненасыщенных или смеси насыщенных и ненасыщенных карбоновых кислот. Предпочтительно, кулинарные масла включают жиры и жирные масла растительного, животного и морского происхождения, которые являются жидкими при температуре, требуемой для желаемого приготовления пищи. Образцы масел растительного происхождения включают масло канолы, кокосовое, масло из ростков пшеницы, хлопковое, оливковое, пальмовое, арахисовое, рапсовое, сафлоровое, кунжутное, соевое, подсолнечное масло или их смеси. Образцы масел животного происхождения включают лярд и топленый жир (например, говяжий, бараний жир). Кулинарное масло также включает любые смеси жиров растительного, животного и морского происхождения.
Пример
Тестирование настоящего изобретения проводили в условиях, при которых воду, содержащую 20% масс. антиоксиданта, распыляли в горячее использованное кулинарное масло, деградировавшее до состояния, при котором оно имело неприятный запах. Сразу же при контакте брызг композиции с горячим маслом наблюдалась “пенистость” или эффект кипения, но нежелательного расплескивания горячего масла не происходило. Композицию добавляли к кулинарному маслу выше его поверхности, используя сжимаемое рукой распылительное устройство, показанное на фиг. 9, посредством которого композицию вводили в виде аэрированных капель малого диаметра. После того, как масло успокоилось, запах приготовления пищи, ранее присутствующий, больше не отмечался. Композицию продолжали вносить примерно с 6-часовым интервалом, вследствие чего заметно увеличился срок службы кулинарного масла.
Различные публикации, включая исследовательские статьи, а также патенты, упомянутые в тексте настоящего описания, и содержание этих публикаций, так же как и документов, цитированных в этих публикациях, включены в данное описание путем ссылки в дозволенной степени.
Кроме того, любые интервалы значений, указанные в описании и относящиеся к различным объектам изобретениям, например различным свойствам, единицам измерения, условиям, физическим состояниям или процентным содержаниям, включают в себя буквально, любое значение, принадлежащее этому интервалу, включая любой перечень значений или интервалы, находящиеся внутри этого интервала. Термин “около” использованный для модификации или вместе со значением, сообщает, что числа и интервалы, указанные в данном описании, являются гибкими, и при осуществлении настоящего изобретения специалист в данной области сможет использовать температуру, концентрацию, количество, углеродные показатели, свойства, такие как размер частиц, площадь поверхности, диаметр, объем, объемный вес и т.п., находящиеся за пределами указанных интервалов или отличающихся от указанных значений, достигая при этом желаемый результат, а именно, обеспечивая добавку или способ ее доставки в горячее масло для улучшения стабильности и характеристик масла при приготовлении пищи при повышенных температурах.
Хотя изобретение выше описано со ссылкой на конкретные варианты, следует понимать, что эти варианты просто иллюстрируют принципы и применения настоящего изобретения. Поэтому следует понимать, что возможны многочисленные модификации указанных вариантов и можно создать другие устройства без выхода из объема настоящего изобретения, определяемого прилагаемой формулой изобретения.
Промышленная применимость
Настоящее изобретение применимо в процессе приготовления пищи, в частности жарки.
Формула изобретения
1. Способ стабилизации горячего кулинарного масла, предусматривающий периодическое введение в указанное горячее кулинарное масло водной композиции, содержащей по крайней мере один антиоксидант, причем указанный по меньшей мере один антиоксидант выбирают из группы, состоящей из пищевых кислот, сложных эфиров глицерина и указанных пищевых кислот, трав, травяных экстрактов и их смесей.
2. Способ по п.1 в котором указанные травы и травяные экстракты выбирают из группы, состоящей из куркумы, розмарина, орегано, шалфея, чеснока, имбиря, мяты перечной, портулака, черники, молочного чертополоха, виноградных косточек, зеленого чая, морской сосны и зверобоя.
3. Способ по п.1, в котором указанную пищевую кислоту выбирают из группы, состоящей из лимонной, винной, яблочной, молочной, уксусной, фумаровой, аскорбиновой, изоаскорбиновой, янтарной, адипиновой, соляной, фосфорной и этилендиаминтетрауксусной кислот.
4. Способ по п.3, в котором указанный по меньшей мере один антиоксидант выбирают из группы, состоящей из лимонной и аскорбиновой кислот, эфира глицерина и лимонной кислоты и аскорбилпальмитата.
5. Способ по п.2, в котором указанные травы или травяные экстракты выбирают из группы, состоящей из куркумы и розмарина.
6. Способ по п.1, в котором указанная водная композиция дополнительно содержит водорастворимый или вододиспергируемый эмульгатор.
7. Способ по п.1, в котором указанный по меньшей мере один антиоксидант также проявляет эмульгирующие свойства.
8. Способ по п.7, в котором указанный по меньшей мере один антиоксидант выбирают из группы, состоящей из аскорбил-пальмитата, лимонной кислоты и глицериновых эфиров жирных кислот, лактатов калия, натрия и кальция, тартратов натрия и калия, цитратов натрия, кальция и калия, фосфатов натрия, калия, кальция, аммония и магния и лецитина.
9. Способ по п.7, в котором указанный эмульгатор является неионным.
10. Способ по п.7, в котором указанная композиция содержит от около 0,0001 до около 5 мас.% эмульгатора.
11. Способ по п.1, в котором температуру указанного горячего масла выбирают из группы, состоящей из: от около 225°F (107,2°C) до около 400°F (204,4°С), более предпочтительно составляет от около 275°F (135°С) до около 400°F (204,4°C), и еще предпочтительнее от около 300°F (148,9°C) до около 385°F (196,1°C).
12. Способ по п.1, в котором введение указанной композиции осуществляют с контролируемой скоростью, такой, чтобы водный компонент превращался в пар без взрыва, приводящего к риску разбрызгивания горячего масла.
13. Способ по п.1, в котором указанное периодическое введение корректируют в соответствии с по меньшей мере одной проверкой качества масла.
14. Способ по п.13, в котором указанную проверку выбирают из группы, состоящей из исследования содержания полимеризованных триглицеридов, содержания полярных компонентов, содержания свободных жирных кислот, пероксидного содержания, вкуса, запаха и цвета.
15. Способ по п.1, в котором указанная композиция вводится со скоростью или в количестве, или то и другое, в соответствии со скоростью или степенью деградации указанного масла.
16. Способ по пп.13 и 12, в котором указанная композиция вводится с использованием автоматической системы.
17. Способ по п.13 или 12, в котором указанная композиция вводится в форме, выбранной из группы, состоящей из тонкой струи, тумана, густого тумана, капелек жидкости малого диаметра, аэрированной струи и аэрированных капель малого диаметра.
18. Способ по п.17, в котором указанная композиция вводится, по отношению к верхней поверхности указанного масла, из по меньшей мере одного из следующих положений: выше, ниже, выше и ниже.
19. Способ по п.18, в котором указанная композиция вводится из положения ниже поверхности указанного горячего масла через по меньшей мере одно инжекционное отверстие.
20. Способ по п.18, в котором указанная композиция вводится из положения выше поверхности указанного горячего масла через по меньшей мере одно инжекционное отверстие, находящееся в сообщении с резервуаром, содержащим указанную композицию.
21. Способ по п.20, в котором указанный резервуар содержит ручной контейнер, причем указанный ручной контейнер предпочтительно способен производить струю или брызги жидкости.
22. Способ по п.20 или 21, в котором указанный ручной контейнер содержит насос или спусковой механизм в комбинации с мелким отверстием или разбрызгивающим носиком.
23. Способ по п.1, в котором указанная вода имеет пониженную концентрацию минералов.
24. Композиция для жарки, содержащая (а) водный раствор, содержащий по меньшей мере один антиоксидант, причем указанный по меньшей мере один антиоксидант выбран из группы, состоящей из пищевых кислот, сложных эфиров глицерина и указанных пищевых кислот, трав, травяных экстрактов и их смесей; и (b) горячее кулинарное масло в большей концентрации, чем указанный водный раствор.
25. Композиция по п.24, в которой указанная меньшая концентрация дополнительно содержит по меньшей мере водорастворимый или вододиспергируемый эмульгатор.
26. Композиция по п.24, в которое указанный по меньшей мере один антиоксидант также проявляет эмульгирующие свойства.
27. Композиция по п.25 или 26, в которой указанный по меньшей мере один антиоксидант выбран из группы, состоящей из аскорбил-пальмитата, лимонной кислоты и глицериновых эфиров жирных кислот, лактатов калия, натрия и кальция, тартратов натрия и калия, цитратов натрия, кальция и калия, фосфатов натрия, калия, кальция, аммония и магния и лецитина.
28. Композиция по любому из пп.24-27, в которой указанный антиоксидант содержит по меньшей мере одну пищевую кислоту, причем указанная пищевая кислота присутствует в концентрации от около 0,003 до около 1 мас.%, предпочтительно от около 0,004 до около 0,6 мас.%, еще предпочтительнее от около 0,005 до около 0,06 мас.%, и наиболее предпочтительно от около 0,01 до около 0,04 мас.%.
29. Композиция по любому из пп.25-28, в которой указанный по меньшей мере один водорастворимый или вододиспергируемый эмульгатор присутствует в количестве от около 2·10-7 до около 0,05 мас.%, предпочтительно от около 2·10-6 до около 0,005 мас.%.
30. Композиция по любому из пп.24-29, в которой указанная меньшая концентрация представлена в форме, выбранной из группы, состоящей из раствора, дисперсии, суспензии и эмульсии при добавлении к указанному маслу.
31. Композиция, пригодная для использования в качестве добавки для стабилизации горячего кулинарного масла, содержащая (а) воду, (b) по меньшей мере один антиоксидант, выбранный из группы, состоящей из пищевых кислот, сложных эфиров глицерина и указанных пищевых кислот, трав, травяных экстрактов и их смесей, и (с) по меньшей мере один водорастворимый или вододиспергируемый эмульгатор.
32. Композиция по п.31, в которой указанные травы или травяные экстракты выбраны из группы, состоящей из куркумы, розмарина, орегано, шалфея, чеснока, имбиря, мяты перечной, портулака, черники, молочного чертополоха, виноградных косточек, зеленого чая, морской сосны и зверобоя.
33. Композиция по п.31 или 32, в которой указанная пищевая кислота выбрана из группы, состоящей из лимонной, винной, яблочной, молочной, уксусной, фумаровой, аскорбиновой, изоаскорбиновой, янтарной, адипиновой, соляной, фосфорной и этилендиаминтетрауксусной кислот.
34. Композиция по п.33, в которой указанный по меньшей мере один антиоксидант выбран из группы, состоящей из лимонной и аскорбиновой кислот, эфира глицерина и лимонной кислоты и аскорбилпальмитата.
35. Композиция по п.32, в которой указанные травы или травяные экстракты выбраны из группы, состоящей из куркумы и розмарина.
36. Композиция по п.31, в которой указанный по меньшей мере один антиоксидант также проявляет эмульгирующие свойства, или указанный по меньшей мере один эмульгатор также проявляет антиоксидантные свойства, или указанный по меньшей мере один антиоксидант и указанный по меньшей мере один эмульгатор, оба, проявляют как антиоксидантные, так и эмульгирующие свойства.
37. Композиция по п.36, в которой указанный по меньшей мере один антиоксидант или указанный по меньшей мере один эмульгатор выбраны из группы, состоящей из аскорбилпальмитата, лимонной кислоты и глицериновых эфиров жирных кислот, лактатов калия, натрия и кальция, тартратов натрия и калия, цитратов натрия, кальция и калия, фосфатов натрия, калия, кальция, аммония и магния, и лецитина.
38. Композиция по любому из пп.31, 32 и 34-37, в которой вода имеет пониженную концентрацию минералов.
39. Композиция, пригодная для получения добавки по п.31, содержащая (а) по меньшей мере один антиоксидант, выбранный из группы, состоящей из пищевых кислот, сложных эфиров глицерина и указанных пищевых кислот, трав, травяных экстрактов и их смесей, и (b) по меньшей мере один эмульгатор.
40. Композиция по п.39, в которой указанный по меньшей мере один эмульгатор является водорастворимым или вододиспергируемым.
41. Способ стабилизации горячего кулинарного масла, предусматривающий периодическое введение в указанное горячее кулинарное масло композиции, содержащей воду и смесь антиоксидантов, выбранных из группы, состоящей из пищевых кислот, сложных эфиров глицерина и указанных пищевых кислот, трав, травяных экстрактов и их смесей, причем указанная смесь содержит по меньшей мере одну добавку двойного действия, проявляющую антиоксидантное и эмульгирующее свойства, и по меньшей мере одну траву или травяной экстракт.
42. Способ по п.41, в котором указанная добавка двойного действия выбрана из группы, состоящей из аскорбил-пальмитата, лимонной кислоты, жирнокислотных сложных эфиров глицерина, лактата натрия, лактата калия, лактата кальция, тартрата натрия, тратрата калия, цитрата натрия, цитрата калия, цитрата кальция, фосфата калия, фосфата кальция, фосфата аммония, фосфата магния, лецитина и их смесей.
43. Способ по п.41, в котором указанную по меньшей мере одну траву или травяной экстракт выбирают из группы, состоящей из куркумы, розмарина, орегано, шалфея, чеснока, имбиря, мяты перечной, портулака, черники, молочного чертополоха, виноградных косточек, зеленого чая, морской сосны и зверобоя.
44. Способ по п.41, в котором указанную по меньшей мере одну траву или травяной экстракт выбирают из группы, состоящей из куркумы и розмарина.
45. Способ по п.43, в котором указанная композиция дополнительно содержит водорастворимый или вододиспергируемый эмульгатор.
46. Способ по п.41, в котором температура указанного горячего масла составляет от около 225 до около 400°F.
47. Способ по п.41, в котором корректируют скорость введения указанной композиции так, чтобы не происходило взрывное превращение водного компонента в пар.
48. Способ по п.41, в котором указанное периодическое введение корректируют в соответствии с по меньшей мере одной проверкой качества масла.
49. Способ по п.48, в котором указанную проверку выбирают из группы, состоящей из измерения содержания полимеризованных триглицеридов, содержания полярных соединений, содержания свободных жирных кислот, содержания пероксидных соединений, вкуса, запаха и цвета.
50. Способ по п.41, в котором указанную композицию вводят со скоростью и/или в количестве, соответствующим скорости или степени деградации указанного масла.
51. Способ по п.48, в котором указанную композицию вводят с использованием автоматизированной системы.
52. Способ по п.47, в котором указанную композицию вводят в форме, выбираемой из группы, состоящей из тонкого потока, тумана, густого тумана, капелек жидкости малого диаметра, аэрированного потока и аэрированных капелек жидкости малого диаметра.
53. Способ по п.52, в котором аэрацию осуществляют путем введения воздуха или инертного газа.
54. Способ по п.53, в котором указанную композицию вводят, относительно верхней поверхности указанного горячего масла, по меньшей мере с одного из следующих направлений: сверху, снизу, а также сверху и снизу.
55. Способ по п.54, в котором указанную композицию вводят снизу верхней поверхности указанного горячего масла через по меньшей мере одно отверстие для инжекции.
56. Способ по п.55, в котором указанную композицию вводят сверху верхней поверхности указанного горячего масла через по меньшей мере одно отверстие в сообщении с резервуаром, содержащим указанную композицию.
57. Способ по п.56, в котором указанный резервуар содержит удерживаемый рукой контейнер, способный выдать жидкий поток или брызги.
58. Способ по п.57, в котором указанный удерживаемый рукой контейнер с ручкой содержит сжимаемую бутылку, включающую отверстие для производства жидкого потока или брызг.
59. Способ по п.57, в котором указанный удерживаемый рукой контейнер содержит насос или спусковой механизм в комбинации с мелким отверстием или разбрызгивающим носиком.
60. Способ по п.41, в котором указанная вода имеет пониженную концентрацию минералов.
61. Способ по п.45, в котором указанный эмульгатор является неионным.
62. Способ по п.45, в котором указанная композиция содержит от около 0,0001 до около 5 мас.% эмульгатора.
РИСУНКИ
|
|