|
|
(21), (22) Заявка: 2005138039/09, 06.05.2004
(24) Дата начала отсчета срока действия патента:
06.05.2004
(30) Конвенционный приоритет:
26.04.2004 DE 202004006552.5
(43) Дата публикации заявки: 27.07.2006
(46) Опубликовано: 27.02.2008
(56) Список документов, цитированных в отчете о поиске:
WO 03005791, 16.01.2003. RU 2163061 С2, 10.02.2001. DE 2152541 А1, 31.08.1972. DE 10210417 A1, 09.10.2003. US 2003150231, 14.08.2003.
(85) Дата перевода заявки PCT на национальную фазу:
30.12.2005
(86) Заявка PCT:
EP 2004/004854 (06.05.2004)
(87) Публикация PCT:
WO 2005/104642 (03.11.2005)
Адрес для переписки:
121087, Москва, а/я 33, пат.пов. В.В.Курышеву, рег.№ 0006
|
(72) Автор(ы):
ЭБЕРМАНН Хайко (DE)
(73) Патентообладатель(и):
КНЮРР АГ (DE)
|
(54) СИСТЕМА ОХЛАЖДЕНИЯ ДЛЯ ПРИБОРНЫХ И СЕТЕВЫХ ШКАФОВ И СПОСОБ ОХЛАЖДЕНИЯ ПРИБОРНЫХ И СЕТЕВЫХ ШКАФОВ
(57) Реферат:
Изобретение относится к системам охлаждения для приборных и сетевых шкафов, а также расположенных в них электронных модулей. Технический результат заключается в обеспечении высокопроизводительного охлаждения для плотно упакованных шкафов. Сущность изобретения состоит в том, что предусмотрен воздуховод с воздушными путями одинаковой длины и, тем самым, одинаковыми сопротивлениями потока, а также с единой температурой приточного воздуха. Направляемый в контуре поток приточного воздуха охлаждают с помощью воздушно-водяного теплообменника в нижней части шкафа. Нагретый вытяжной воздух собирают в коллекторе в восходящем потоке, отклоняют и подают к теплообменнику в нисходящем потоке. 2 н. и 19 з.п. ф-лы, 2 ил.
Изобретение относится к системе охлаждения для приборных и сетевых шкафов, в частности серверных шкафов, согласно ограничительной части п.1 формулы и к способу охлаждения приборных и сетевых шкафов согласно ограничительной части п.18 формулы.
Возрастающие мощности процессоров и серверов связаны с постоянно возрастающими тепловыми потерями. Так, высокопроизводительные процессоры и серверы, в частности компактные конструктивные формы, например одной высотной единицы (НЕ), такие как серверы Pizzabox и серверы-лезвия, достигают значительных мощностей потерь. Отвод высвободившихся количеств тепла, в частности в вычислительных центрах, содержащих, как правило, относительно большое число серверных шкафов в одном помещении, связано с постоянно возрастающими инвестиционными и эксплуатационными расходами на кондиционирование помещения, охлаждение шкафов и расположенного в них электронного оборудования.
Это электронное оборудование, например серверы, центральные процессоры и т.п., нередко размещают в виде модульной конструкции в стандартном корпусе и монтируют, как правило, друг над другом, а также рядом друг с другом в приборном или сетевом шкафу на соответственно расположенных вертикальных стойках. Для отвода возникающего тепла эти электронные модули снабжены, по меньшей мере, одним вентилятором, а также воздуховпускными и воздуховыпускными отверстиями, которые могут быть выполнены в боковых стенках или в передней и задней сторонах корпуса.
Поверхности охлаждения для воздушного охлаждения невозможно больше разместить особенно в серверах компактных конструктивных форм. Кроме того, установок для кондиционирования воздуха в помещениях для размещения шкафов, которые снабжены плотно упакованными модулями и могут иметь тепловые нагрузки 10 кВт и более на каждый шкаф, больше недостаточно для восприятия теплового потока.
Как правило, воздухоохлаждаемые серверные шкафы снабжены дверцами, с тем чтобы достичь максимальной воздухопроницаемости. Кроме того, известно использование воздушно-водяных теплообменников для охлаждения закрытых внутренних пространств приборных шкафов (knurr-Katalog Electronic Systems 07/2002, стр. 252-254). Известные воздушно-водяные теплообменники могут быть установлены вверху шкафа или на внешней части боковой стенки или задней дверцы или могут быть расположены в виде вдвижного блока, а внутренняя температура шкафа может быть снижена до температуры окружающего воздуха.
Недостатком является занятость внутреннего пространства, которое, тем самым, больше нельзя использовать для оснащения модулями. При расположении воздушно-водяных теплообменников на боковой стенке последовательное расположение шкафов и рациональное использование имеющегося в распоряжении установочного пространства ограничены. Расположение вверху шкафа в случае вытекания воды может привести к повреждению электронных модулей и т.п. Кроме того, из-за воздуховода не всегда гарантировано равномерное охлаждение модулей.
Из US 6506111 В2, US 6652373 В2, WO 03/005791 A2 и US 6652374 В2 известны серверные шкафы для расположенных друг над другом серверов, тепло потерь которых отводят посредством рециркулирующего воздушного потока. Нагретый серверами поток вытяжного воздуха с помощью вентилятора подают к воздушно-водяному теплообменнику, расположенному под шкафом в цоколе или внутри шкафа под штабелем серверов, и он попадает в виде охлажденного приточного воздуха через приточный канал к серверам.
Улучшение теплоотвода должно достигаться посредством, по меньшей мере, одного воздухораспределительного устройства, располагаемого, в частности, в приточном канале, а также в вытяжном канале или соответственно в приточном и вытяжном каналах. Воздухораспределительное устройство должно гарантировать подачу к отдельным серверам заданной доли воздушного потока. В основном, речь идет о листе, проходящем по штабелю серверов и снабженном отверстиями для прохождения воздуха, которые выполнены горизонтальными рядами в соответствии с промежутками между серверами. Для подачи по высоте шкафа ко всем серверам почти одинакового количества воздуха воздухораспределительный лист вблизи цоколя шкафа или теплообменника не имеет или имеет очень мало отверстий для прохождения воздуха, а в верхней части – несколько рядов выполненных по всей ширине отверстий для прохождения воздуха.
В одном альтернативном выполнении почти одинаковый воздухоподвод к серверам должен достигаться посредством воздухораспределительного листа, расположенного с наклоном в приточном канале, так что сечение приточного канала уменьшается вверх. Воздухораспределительный лист закрепляют, в частности, на передней дверце шкафа, а наклонное положение можно варьировать с помощью шарнира на нижнем конце, а также крепежных лапок с пазами на верхнем конце.
Известная система теплоотвода требует дополнительных затрат на конструкцию, изготовление и монтаж, по меньшей мере, одного воздухораспределительного устройства. Кроме того, желаемые одинаковый воздухоподвод и равномерный теплоотвод нельзя обеспечить в требуемом объеме из-за достигнутого воздуховода.
В основе изобретения лежит задача создания системы охлаждения для приборных и сетевых шкафов, в частности серверных шкафов, и способа охлаждения подобных шкафов и расположенных в них модулей, в частности серверов, которые с помощью чрезвычайно простых средств и особенно низких инвестиционных и эксплуатационных расходов обеспечивали бы с необходимой надежностью требуемую холодопроизводительность для плотно упакованных шкафов и групп шкафов, в частности для высокопроизводительных серверов.
В отношении системы охлаждения задача решается, согласно изобретению, посредством признаков п.1 формулы, а в отношении способа охлаждения – посредством признаков п.18 формулы. Целесообразные и предпочтительные варианты осуществления изобретения описаны в соответствующих зависимых пунктах и со ссылкой на чертежи.
Система охлаждения, согласно изобретению, исходит из замкнутого контура охлаждающего воздуха в значительной степени воздухонепроницаемом сетевом или приборном шкафу и из воздушно-водяного теплообменника, с помощью которого происходит отвод всей мощности потерь. Воздушно-водяной теплообменник установлен в нижней части шкафа и присоединен предпочтительно к системе холодного водоснабжения здания.
Согласно основной идее изобретения система охлаждения содержит воздуховод с воздушными путями одинаковой длины и, тем самым, одинаковыми сопротивлениями потока для отдельных электронных модулей во внутреннем пространстве шкафа (принцип Тихльманна). Таким образом, к каждому из отдельных модулей, расположенных друг над другом и/или рядом друг с другом, может подаваться приточный воздух единой температуры. Единая температура приточного воздуха может поддерживаться преимущественно посредством соответственно высокой скорости потока, причем под единой температурой приточного воздуха следует понимать температуру примерно ±2 градуса по Кельвину.
Согласно изобретению предусмотрено воздушно-техническое отделение холодного приточного воздуха от нагретого вытяжного воздуха.
Воздухонепроницаемый, в принципе, сетевой шкаф может быть, например, почти полностью герметизирован от окружающего пространства и отвечать классу защиты, например IP 55, т.е. может быть выполнен пыле- и водоструйнонепроницаемым. Благодаря герметизации предотвращен воздухообмен между в значительной степени герметизированным внутренним пространством шкафа и установочным пространством, в котором, как правило, установлено несколько подобных шкафов, и могут отпасть требования к кондиционированию помещения, приводящие к значительным расходам.
Приточный воздух представляет собой холодный воздух или охлажденный воздух из воздушно-водяного теплообменника в нижней части шкафа. Этот приточный воздух через приточный канал шкафа, который может проходить по всей высоте шкафа, однако выполнен, по меньшей мере, в зоне модулей, подают к модулям и в промежутки между модулями.
Корпуса модулей имеют целесообразно воздуховпускные отверстия, сообщенные с приточным каналом. Охлажденный приточный воздух поступает через воздуховпускные отверстия в модули, нагревается там поглощенным теплом потерь и через воздуховыпускные отверстия, выполненные преимущественно в стенке корпуса параллельно воздуховпускным отверстиям, попадает в вытяжной канал.
В модулях может быть расположен, по меньшей мере, один вентилятор, который, например, всасывает холодный приточный воздух и направляет его через воздуховыпускные отверстия в вытяжной канал. В принципе, однако, воздуховод, согласно изобретению, обеспечивает равномерное охлаждение модулей даже без вентилятора. Система охлаждения, согласно изобретению, имеет, тем самым, то преимущество, что модули могут охлаждаться требуемым образом без вентилятора.
Для реализации воздушных путей одинаковой длины для всех модулей и одинаковых сопротивлений воздуха вытяжной канал выполнен составным и имеет первый и последующий второй участки. Первый участок канала выполнен в виде коллектора и принимает нагретый вытяжной воздух, выходящий из воздуховыпускных отверстий модулей.
Предпочтительно, чтобы коллектор мог быть образован, по меньшей мере, пространством за модулями, который используется, как правило, для прокладки кабелей. В коллекторе потоки вытяжного воздуха отдельных модулей собирают в один восходящий поток вытяжного воздуха с помощью, по меньшей мере, одного вентилятора, направляют вверх, отклоняют и подают во второй участок канала в виде параллельного нисходящего потока вытяжного воздуха к установленному в нижней части шкафа воздушно-водяному теплообменнику.
Предпочтительно, что в верхней части шкафа могут быть предусмотрены, по меньшей мере, два или с резервом n+1 мощных вентилятора, чтобы обеспечить воздуховод замкнутого контура охлаждающего воздуха.
Целесообразно вентиляторы расположены друг рядом с другом, а нисходящий участок канала с помощью вертикального разъединительного элемента, например разъединительной перемычки, разделен на отдельные участки вытяжного канала, например на правый и левый участки. При выходе вентилятора из строя это предотвращает обратный поток.
В одном предпочтительном варианте осуществления изобретения вентиляторы и второй участок канала для нисходящего потока вытяжного воздуха интегрирован в дверцу, в частности заднюю дверцу.
Расположение приточного и вытяжного каналов с первым и вторым участками соответствует воздуховоду в модулях. Как правило, предусмотрены всасывание охлажденного приточного воздуха с передней стороны и поток нагретого вытяжного воздуха с задней стороны. Соответственно приточный канал с передней стороны и разделенный вытяжной канал с задней стороны выполнены с вентиляторами и вторым участком канала в задней дверце.
В рамках изобретения приточный и вытяжной каналы расположены также наоборот или в зоне боковых стенок.
Воздушно-техническое отделение холодного приточного воздуха от нагретого вытяжного воздуха, способствующее реализации желаемого высокопроизводительного охлаждения, может быть достигнуто предпочтительно с перегородками, располагаемыми между модулями и стенками шкафа, и/или с глухими панелями в зоне передних сторон модулей. Тогда подача холодного приточного воздуха обеспечивается только в модули и горизонтальные промежутки между ними.
Для поддержания циркуляции воздуха и регулирующего контура в случае сбоя, т.е. при выходе из строя всех модулей, предпочтительно предусмотрен целенаправленный разрыв или «утечка», в частности в верхней части шкафа.
Предпочтительно, что может быть использован известный сам по себе воздушно-водяной теплообменник, рассчитанный лишь соответственно, например может проходить по всей ширине и/или глубине шкафа. Для приема вытяжного воздуха, вытесненного вниз на втором участке канала, его охлаждения и повторной подачи в приточный канал в виде охлажденного приточного воздуха, целесообразно выполнить нижние вытяжные отверстия второго участка канала в соответствии с входными отверстиями воздушно-водяного теплообменника и снабдить соответствующей герметизацией.
Предпочтительно, что воздушно-водяной теплообменник располагают внутри шкафа и он может занимать, например, самые нижние шесть высотных единиц (НЕ). Тогда требуются короткие направляющие пути холодной воды для подключения к системе холодного водоснабжения здания. Особенно предпочтительным является нижнее расположение также в отношении безопасности электронных модулей и других электрических и электронных приборов и деталей при возможных негерметичностях в системе холодного водоснабжения. Поскольку вытекающая, возможно, вода ни в коем случае не может попасть в зону электронных модулей над воздушно-водяным теплообменником, обеспечивается требуемая безопасность.
Воздушно-водяной теплообменник целесообразно рассчитывают в соответствии с требуемой холодопроизводительностью. При холодопроизводительности 20 кВт могут быть предусмотрены, например, расход холодной воды 1 л/с и циркулирующего охлаждающего воздуха 4000 м3/ч. Также предпочтительно, что приток и слив холодной воды воздушно-водяного теплообменника могут быть рассчитаны с возможностью исключения снижения точки росы ниже заданного значения и, тем самым, конденсатообразования в шкафу.
Целесообразно предусмотреть вентиляторы постоянного тока с резервом n+1. Если эти вентиляторы выполнены температурозависимыми, регулируемыми по частоте вращения и с тревожным контролем, то с помощью этого регулирования и программных средств характеристику температура-частота вращения можно согласовать с фактической максимальной мощностью потерь модулей, например серверов.
Переменный объемный поток служит для согласования производительности теплоотвода шкафа с фактической мощностью потерь модулей или серверов, которая может варьироваться в зависимости от вычислительной мощности и загрузки.
Целесообразно, кроме того, оснащение системой контроля за шкафом, к которой могут быть подключены в том числе датчик дыма, контактный выключатель дверцы, датчик влажности, детектор воды и регулятор частоты вращения. С помощью датчиков температуры можно, кроме того, контролировать температуру приточного воздуха к модулям, и при превышении программируемых заданных значений могут срабатывать различные ступени тревоги (несрочно, срочно), а при термической опасности может быть автоматически прервано питание модулей переменным током.
Целесообразно предусмотрено, что при открывании задней дверцы вентиляторы автоматически отключаются. При закрывании задней дверцы они снова включаются.
Предпочтительно оснащение шкафа собственным с резервом n+1 питанием вентиляторов постоянным током. Посредством распределения переменного тока розеточные рейки для питания модулей, в частности серверов, переменным током защищены и включены.
Способом, согласно изобретению, к отдельным модулям, которые располагают в воздухонепроницаемом в значительной степени приборном и сетевом шкафу рядом друг с другом и/или друг над другом и охлаждают направляемым в замкнутом контуре воздушным потоком, холодный приточный воздух подают по воздушным путям одинаковой длины и, тем самым, с одинаковыми сопротивлениями потока, а также с единой температурой и отделяют его воздушно-технически от нагретого вытяжного воздуха.
Целесообразно направлять направляемый по приточному и вытяжному каналам воздух в воздухонепроницаемом в значительной степени шкафу с относительно высокой скоростью в контуре. Для этого в восходящем и нисходящем потоках вытяжного воздуха определенным образом располагают преимущественно мощные вентиляторы с резервом n+1.
Воздушный поток охлаждают при этом с помощью воздушно-водяного теплообменника, располагаемого в нижней части шкафа. Охлажденный в этом воздушно-водяном теплообменнике поток приточного воздуха подают к отдельным модулям, например через их воздуховпускные отверстия, он захватывает выработанное в модулях тепло потерь и с помощью вентиляторов попадает в вытяжной канал.
Для реализации принципа Тихльманна, т.е. одинаковых путей потока и одинаковых сопротивлений потока, вытяжной канал целесообразно выполнен разделенным. В коллекторе вытяжной воздух направляют к отдельным модулям сначала в восходящем потоке. Поскольку вытяжной воздух в этом восходящем потоке следует за термической подъемной силой, предпочтительным образом достигается улучшенный энергобаланс. После отклонения восходящего потока вытяжного воздуха последний подвергают нисходящему потоку и подают к воздушно-водяному теплообменнику в нижней части шкафа.
С относительно высокой скоростью потока посредством концепции воздуховода и воздушно-технического разделения потоков приточного/вытяжного воздуха в сочетании с нижним воздушно-водяным теплообменником в остающихся свободными положениях располагают глухие панели.
Для поддержания циркуляции воздуха и регулирующего контура воздушно-техническое разделение холодного приточного воздуха и нагретого вытяжного воздуха целенаправленно прерывают и, например, в верхней части шкафа предусматривают свободное пространство.
Система охлаждения, согласно изобретению, для сетевых шкафов, в частности серверных шкафов, обеспечивает с относительно низкими инвестиционными и эксплуатационными расходами высокопроизводительное охлаждение, в частности шкафов в коммерческих вычислительных центрах, например в банковской и промышленной сферах, а также в научной сфере и группах вычислительных машин, которые могут содержать, например, до 100 шкафов по 10 кВт. В частности, могут быть созданы водоохлаждаемые серверные шкафы холодопроизводительностью, например, до 20 кВт и более с градацией, например, 2,5 кВт, и в этих шкафах может быть обеспечено равномерное снабжение охлаждающим воздухом всех серверов независимо от монтажного положения в шкафу. Встраивание вентиляторов в модули необязательно, поскольку концепция охлаждения, согласно изобретению, гарантирует равномерное охлаждение отдельных модулей даже без вентиляторов.
Перегрев и выход из строя серверов и связанные с этим значительные затраты исключены, и гарантирована высокая готовность к работе.
Предпочтительной, кроме того, является независимость системы охлаждения шкафа, согласно изобретению, от воздуха помещения. За счет этого становится возможным высокое оснащение шкафами одного помещения, а полностью оснащенные шкафы могут быть установлены относительно плотно, чем может быть достигнута значительная экономия площадей по сравнению с традиционным кондиционированием помещения. Кроме того, предпочтительно, что в вычислительных центрах с традиционным кондиционированием помещений отдельные шкафы, имеющие сравнительно высокое тепло потерь, могут быть оборудованы системой охлаждения согласно изобретению. Кондиционирование помещений может быть тогда с экономией расходов согласовано с меньшим теплом потерь остальных шкафов.
Изобретение поясняется ниже с помощью чертежей, на которых схематично изображают:
фиг.1 – продольный разрез сетевого шкафа с системой охлаждения согласно изобретению;
фиг.2 – сечение сетевого шкафа из фиг.1.
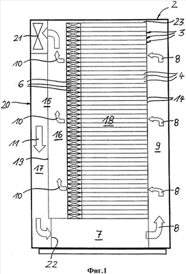
На фиг.1 изображен приборный или сетевой шкаф 2 с герметизированным внутренним пространством 18 и расположенными друг над другом электронными модулями 3. Приборный или сетевой шкаф 2 представляет собой в этом примере выполнения серверный шкаф, а электронные модули 3 представляют собой, например, серверы 4, например одной высотной единицы (1 НЕ = 44,45 мм = 1,75 дюйма). Воздуховод 5 в зоне серверов 4 обозначен стрелками (фиг.2). В этом примере выполнения внутри корпуса серверов 4 расположено по одному вентилятору 6, который осуществляет воздуховод 5, т.е. всасывает приточный воздух 8 через воздуховпускные отверстия с передней стороны (не показаны), направляет по вырабатывающим тепло потерь электронным элементам (не показаны) и подает к вытяжному каналу 15 через воздуховыпускные отверстия с задней стороны (не показаны).
Под серверами 4 расположен воздушно-водяной теплообменник 7, который присоединен к системе холодного водоснабжения здания и может потребовать, например, 6 НЕ. У серверного шкафа с 46 НЕ серверы занимают, таким образом, 40 НЕ.
Воздушно-водяной теплообменник 7 может эксплуатироваться, например, с расходом холодной воды 1 л/с и температурой приточного воздуха около 12°С, благодаря чему направляемый в замкнутом контуре, нагретый примерно до 35°С вытяжной воздух 10, 11 может быть охлажден до 20-25°С. Охлажденный в воздушно-водяном теплообменнике 7 воздух подают в качестве приточного воздуха 8 к приточному каналу 9, который связан с воздуховпускными отверстиями (не показаны) серверов 4.
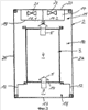
На фиг.2 изображено воздушно-техническое разделение между холодным приточным воздухом 8 и нагретым в серверах 4 вытяжным воздухом в вытяжном канале 15. Воздушно-техническое разделение происходит в передней части сетевого шкафа 2 с помощью перегородок 12, которые выполнены в виде отогнутых листов и расположены вертикально. Приточный канал 9 ограничен перегородками 12, плотно закрывающей передней дверцей 13 и передними сторонами 14 серверов 4.
На фиг.1 все имеющиеся НЕ шкафа 2 над воздушно-водяным теплообменником 7 заняты серверами 4, поэтому глухие панели для незанятых НЕ здесь не требуются.
Вытяжной воздух 10, 11 попадает в вытяжной канал 15, который содержит первый, выполненный в виде коллектора 16 участок для восходящего потока 10 вытяжного воздуха и второй участок 17 для нисходящего потока 11 вытяжного воздуха.
Второй участок 17 канала для нисходящего потока 11 вытяжного воздуха выполнен на задней дверце 20, которая имеет покрытие 19 с внутренней стороны и, кроме того, оборудована двумя вентиляторами 21 для всасывания вытяжного воздуха 10. Вентиляторы 21 расположены в верхней части и на одной высоте, а также рядом друг с другом, а отклоненный вытяжной воздух 11 подают к воздушно-водяному теплообменнику 7 по правому и левому, приданному каждому вентилятору 21 каналам 17.1, 17.2 через нижние вытяжные отверстия 22.
На фиг.2 показано, что коллектор 16 для нагретого вытяжного воздуха 10 может быть выполнен не только за серверами 4, но и сбоку от них в зоне боковых стенок 24, 25 шкафа 2, если воздушно-техническое разделение приточного и вытяжного воздуха проводят предпочтительно в зоне передней стороны.
На фиг.1 поясняются воздушные пути одинаковой длины и одинаковые сопротивления потока независимо от монтажной высоты серверов 4 за счет расположения воздушно-водяного теплообменника 7 под серверами 4 и за счет воздуховода, в частности на восходящих и нисходящих участках 16, 17 вытяжного канала 15. С помощью восходящего и нисходящего вытяжного воздуха 10, 11 в разделенном вытяжном канале 15 предотвращается непосредственное нагружение воздушно-водяного теплообменника 7 нагретым вытяжным воздухом.
Небольшой целенаправленный разрыв 23 воздушного разделения между холодным или охлажденным приточным воздухом 8 и нагретым вытяжным воздухом служит для поддержания циркуляции воздушного потока и, тем самым, для поддержания регулирующего контура даже при выходе из строя модулей или серверов. Этот целенаправленный разрыв 23 предусмотрен в верхней части шкафа 2, в частности над модулями 3.
Формула изобретения
1. Система охлаждения для приборных и сетевых шкафов с герметизированным внутренним пространством (18), в котором расположены электронные модули (3) друг над другом, замкнутым контуром охлаждающего воздуха для отвода тепла потерь электронных модулей (3) и воздушно-водяным теплообменником (7) для охлаждения нагретого вытяжного воздуха контура охлаждающего воздуха, который расположен в нижней части шкафа (2) и связан с приточным каналом (9) и вытяжным каналом (15), отличающаяся тем, что вытяжной канал (15) содержит первый участок (16) для восходящего потока (10) вытяжного воздуха и второй участок (17) для нисходящего потока (11) вытяжного воздуха и предусмотрены воздуховод с воздушными путями одинаковой длины и тем самым одинаковыми сопротивлениями потока для отдельных электронных модулей (3), а также воздушно-техническое разделение между холодным приточным воздухом (8) и нагретым вытяжным воздухом (9), и что обеспечивается приток холодного воздуха (8) с единой температурой к отдельным электронным модулям.
2. Система по п.1, отличающаяся тем, что единая температура приточного воздуха гарантирована независимо от монтажного положения электронных модулей (3) посредством относительно высокой скорости потока.
3. Система по п.2, отличающаяся тем, что холодный приточный воздух (8) может подаваться по приточному каналу (9) к электронным модулям (3) через воздуховпускные отверстия электронных модулей (3).
4. Система по п.3, отличающаяся тем, что нагретый вытяжной воздух (10, 11) может подаваться через воздуховыпускные отверстия электронных модулей (3) к первому участку канала (16) вытяжного канала (15).
5. Система по п.4, отличающаяся тем, что приточный канал (9) и вытяжной канал (15) выполнены в соответствии с воздуховпускными отверстиями с передней стороны и воздуховыпускными отверстиями с задней стороны электронных модулей (3).
6. Система по п.5, отличающаяся тем, что приточный канал (9) и вытяжной канал (15) выполнены почти по всей высоте шкафа.
7. Система по п.6, отличающаяся тем, что воздушно-техническое отделение холодного приточного воздуха (8) и нагретого вытяжного воздуха (10, 11) выполнено с помощью перегородок (12) между электронными модулями (3) и облицовочной деталью шкафа, например передней дверцей (13), и/или глухих панелей между расположенными друг над другом и/или друг рядом с другом электронными модулями (3).
8. Система по п.7, отличающаяся тем, что предусмотрен целенаправленный разрыв (23) воздушно-технического разделения между холодным приточным воздухом (8) и нагретым вытяжным воздухом (10, 11) в верхней части шкафа (2) для поддержания циркуляции воздуха и тем самым регулирующего контура.
9. Система по п.8, отличающаяся тем, что первый участок (16) канала для восходящего вытяжного воздуха (10) выполнен в виде коллектора для выходящего из электронных модулей (3) нагретого вытяжного воздуха и расположен за электронными модулями (3) в зоне кабельных вводов.
10. Система по п.9, отличающаяся тем, что восходящий на первом участке (16) канала поток (10) вытяжного воздуха направлен вверх с помощью, по меньшей мере, одного вентилятора (21), а после отклонения на втором участке (17) канала может подаваться в виде нисходящего потока (11) вытяжного воздуха к воздушно-водяному теплообменнику (7).
11. Система по п.10, отличающаяся тем, что два или более избыточных вентилятора (21) расположены в задней дверце (20), при этом нисходящий вытяжной воздух (11) направлен вниз на правом и левом участках (17.1, 17.2) канала и может подаваться к воздушно-водяному теплообменнику (7) через нижние вытяжные отверстия (22).
12. Система по п.11, отличающаяся тем, что правый и левый участки (17.1, 17.2) канала образованы покрытием (19) внутренней стороны задней дверцы (20) и вертикальной разделительной перемычкой.
13. Система по п.12, отличающаяся тем, что покрытие (19) внутренней стороны задней дверцы доходит, по меньшей мере, в зоне нижних вытяжных отверстий (22) до воздушно-водяного теплообменника (7) и герметизировано в районе воздуховпускного отверстия воздушно-водяного теплообменника (7).
14. Система по п.1, отличающаяся тем, что воздушно-водяной теплообменник (7) расположен в зоне самых нижних высотных единиц и рассчитан в соответствии с шириной и/или глубиной шкафа (2).
15. Система по п.1, отличающаяся тем, что воздушно-водяной теплообменник (7) может быть присоединен к системе холодного водоснабжения здания.
16. Система по п.11, отличающаяся тем, что вентиляторы (21) в зоне вытяжного канала (15) выполнены температуронезависимыми, регулируемыми по частоте вращения и с тревожным контролем, а также с возможностью согласования с фактической мощностью потерь отдельных электронных модулей (3).
17. Система по одному из предыдущих пунктов, отличающаяся тем, что шкаф (2) представляет собой серверный шкаф, а расположенные друг над другом электронные модули (3) представляют собой серверы (4), например компактной конструктивной формы в 1 НЕ.
18. Способ охлаждения приборных и сетевых шкафов и расположенных в них друг над другом электронных модулей, при котором воздушный поток направляют в замкнутом контуре, причем холодный приточный воздух подают к электронным модулям, а нагретый вытяжной воздух охлаждают в воздушно-водяном теплообменнике, отличающийся тем, что холодный приточный воздух воздушно-технически отделяют от нагретого вытяжного воздуха, холодный приточный воздух воздушными путями одинаковой длины и тем самым с одинаковыми сопротивлениями потока подают к отдельным электронным модулям, а нагретый вытяжной воздух отводят, и что холодный приточный воздух подают к электронным модулям с единой температурой, при этом холодный приточный воздух, выходящий из расположенного в нижней части шкафа воздушно-водяного теплообменника, подают к отдельным электронным модулям, а нагретый вытяжной воздух из электронных модулей сначала собирают на первом участке вытяжного канала и подвергают восходящему потоку, а затем отклоняют в нисходящем потоке и подают к воздушно-водяному теплообменнику в нижней части шкафа.
19. Способ по п.18, отличающийся тем, что воздух направляют в значительной степени воздухонепроницаемом шкафу с относительно высокой скоростью в контуре.
20. Способ по п.19, отличающийся тем, что направляемый в контуре воздух приводят в движение посредством, по меньшей мере, одного вентилятора, который располагают в зоне отклоненного потока вытяжного воздуха.
21. Способ по одному из пп.18-20, отличающийся тем, что нисходящий поток вытяжного воздуха направляют по двум параллельным каналам, в частности в задней дверце, и каждому каналу придают один вентилятор.
РИСУНКИ
|
|