|
|
(21), (22) Заявка: 2004135822/09, 30.04.2003
(24) Дата начала отсчета срока действия патента:
30.04.2003
(30) Конвенционный приоритет:
08.05.2002 DE 10220738.0
(43) Дата публикации заявки: 27.08.2005
(46) Опубликовано: 27.02.2008
(56) Список документов, цитированных в отчете о поиске:
DE 3305225 В, 16.08.1984. RU 2035107 C1, 10.05.1995. SU 640393 A, 30.12.1978. US 6317346 A, 13.11.2001.
(85) Дата перевода заявки PCT на национальную фазу:
08.12.2004
(86) Заявка PCT:
DE 03/01397 (30.04.2003)
(87) Публикация PCT:
WO 03/096511 (20.11.2003)
Адрес для переписки:
129010, Москва, ул. Б. Спасская, 25, стр.3, ООО “Юридическая фирма Городисский и Партнеры”, пат.пов. Ю.Д.Кузнецову, рег.№ 595
|
(72) Автор(ы):
КАРСТАД Вемунд (NO)
(73) Патентообладатель(и):
СИМЕНС АКЦИЕНГЕЗЕЛЛЬШАФТ (DE)
|
(54) СИСТЕМА ЭНЕРГОСНАБЖЕНИЯ ДЛЯ АВТОНОМНЫХ ЭЛЕКТРОСЕТЕЙ
(57) Реферат:
Изобретение относится к системе энергоснабжения для автономных электросетей, в частности, на нефтяных буровых платформах или судах. Технический результат заключается в уменьшении массогабаритных показателей. Система энергоснабжения содержит, по крайней мере, один генератор (3) и, по крайней мере, две системы трехфазного тока (1a, 1b), причем генератор (3) содержит, по крайней мере, две трехфазные системы обмоток и так совсем без использования или в основном без использования преобразовательных трансформаторов питаются энергией две смещенные по фазе системы трехфазного тока (1а, 1b), в которых системы обмоток генератора (3) пространственно расположены соответственно электрическому фазовому сдвигу систем трехфазного тока (1а, 1b). Обе системы трехфазного тока (1а, 1b) образуют вместе первичную систему (1) и питают посредством трансформаторного устройства (4) энергией вторичную систему трехфазного тока (3). 5 з.п. ф-лы, 4 ил.
Изобретение относится к системе энергоснабжения для автономных электросетей, причем система энергоснабжения содержит, по крайней мере, один генератор и, по крайней мере, две системы трехфазного тока.
Под системой энергоснабжения для автономных электросетей следует понимать комплексную энергосистему, а именно энергосистему, в которой электрическая энергия вырабатывается, передается и, наконец, снова превращается в другие формы энергии, причем система пространственно ограничена в своих размерах и не является сравнимой с общегосударственной системой энергоснабжения. Подобные системы можно, в частности, встретить на связанных с морем и/или подвижных сооружениях. Так, например, на судах и прочих морских транспортных средствах, буровых платформах или других изолированных, предпочтительно связанных с морем технических сооружениях с потребностью в энергии.
Соответствующие родовому понятию системы энергоснабжения часто содержат, по крайней мере, две электрически смещенные по фазе системы трехфазного тока, которые посредством параллельно включенных преобразователей снабжают электрической энергией приводы. За счет сдвига фаз систем трехфазного тока уменьшаются высшие гармоники тока и напряжения. В настоящее время подобные смещенные по фазе системы трехфазного тока получают с помощью преобразовательных трансформаторов, причем сдвиг фаз систем трехфазного тока вызывается с помощью соответствующих коммутационных групп.
В случае описанных ранее систем энергоснабжения для автономных электросетей и, в частности, на море высокий вес примененных компонентов системы представляет собой отягчающую проблему. Поэтому в настоящее время существуют различные подходы для решения, которые пытаются оптимировать принадлежащие к системе устройства, такие как преобразовательные трансформаторы и преобразователи относительно их веса.
Задачей изобретения является дальнейшее улучшение системы энергоснабжения для автономных сетей, которая содержит, по крайней мере, один генератор и, по крайней мере, две системы трехфазного тока, в частности, относительно выше описанной постановки проблемы.
Согласно изобретению это достигается за счет того, что генератор системы энергоснабжения содержит, по крайней мере, две трехфазные системы обмоток, которые приданы в соответствие системам трехфазного тока, причем в системах обмоток индуцируются напряжения и системы обмоток генератора пространственно расположены таким образом, что напряжения обеих систем трехфазного тока соответственно электрически смещены по фазе относительно друг друга.
За счет того что согласно изобретению для получения обеих систем трехфазного тока отказываются полностью или, по крайней мере, в преобладающей степени от преобразовательных трансформаторов, достигается значительное преимущество относительно веса и расходов и к тому же экономится место.
Предпочтительно электрический фазовый сдвиг между системами трехфазного тока составляет 30°. Этот фазовый сдвиг является особенно выгодным относительно уменьшения высших гармоник тока и напряжения в подключенной при известных обстоятельствах, питаемой энергией посредством параллельно включенных преобразователей последующей системе трехфазного тока.
Предпочтительным образом системы обмоток генератора размещены в пазах таким образом, что устанавливается минимальный ток короткого замыкания. Таким образом, нежелаемый подвод энергии через индуктивную связь на стороне статора систем обмоток в генераторе заметно уменьшается.
Является целесообразным, чтобы нагрузка была связана с более чем одной из систем трехфазного тока. Как раз при наличии более чем двух или, соответственно, кратного от двух систем трехфазного тока таким образом можно избежать потери избыточности в системе.
Предпочтительно система энергоснабжения содержит, по крайней мере, одну первичную систему и, по крайней мере, одну вторичную систему трехфазного тока, причем, по крайней мере, две системы трехфазного тока образуют первичную систему, которая связана, по крайней мере, с одной из вторичных систем трехфазного тока. Таким образом в первичной и вторичной системе могут применяться различные устройства для коммутации и/или преобразования, которые рассчитаны на различные диапазоны напряжения. Расчет на диапазоны напряжения при этом предпочтительно определяется снабжаемой нагрузкой. В целом при этом получается преимущество расходов, поскольку при известных обстоятельствах могут применяться более выгодные устройства для более низких диапазонов напряжения.
Предпочтительным образом вторичная система трехфазного тока связана с генератором. Таким образом достигается, что нагрузки на вторичной или первичной системе должны снабжаться энергией также тогда, когда при производстве энергии в другой системе возникают неполадки.
Предпочтительным образом связь между, по крайней мере, одной первичной системой и, по крайней мере, одной вторичной системой трехфазного тока выполнена так, что энергия, выработанная посредством связанного со вторичной системой трехфазного тока генератора, может подаваться к первичной системе. Таким образом связанный со вторичной системой генератор в аварийных случаях может снабжать энергией также нагрузки, соединенные с первичной системой.
Примеры выполнения и дальнейшие преимущества изобретения поясняются на основе приложенных чертежей. При этом на фигурах показано:
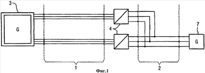
Фиг.1 примерная схема соответствующей изобретению системы энергоснабжения для автономных электросетей;
Фиг.2 примерная схема соответствующей изобретению системы энергоснабжения с нагрузками на первичной системе;
Фиг.3 пример для трансформаторного устройства для связи первичной и вторичной системы;
Фиг.4 пример для трансформаторного устройства для связи первичной и вторичной системы.
Фиг.1 показывает примерную схему соответствующей изобретению системы энергоснабжения для автономных электросетей. При этом генератор 3, который связан с обоими системами трехфазного тока 1a, 1b, вырабатывает энергию, например, путем сжигания дизельного топлива. Генератор 3 при этом содержит две трехфазные системы обмоток, которые приданы в соответствие системам трехфазного тока 1а или, соответственно, 1b, причем в системах обмоток индуцируются напряжения и системы обмоток внутри генератора 3 пространственно расположены таким образом, что напряжения обеих систем трехфазного тока 1a, 1b электрически смещены по фазе относительно друг друга. Так можно полностью или, по крайней мере, в преобладающей степени отказаться от преобразовательных трансформаторов для создания обеих систем трехфазного тока.
Обе системы трехфазного тока 1а, 1b образуют совместно первичную систему 1. Предпочтительным образом системы трехфазного тока 1а, 1b электрически смещены по фазе относительно друг друга на 30° и посредством по крайней мере, одного трансформаторного устройства 4 питают энергией вторичную систему трехфазного тока 2. Таким образом уменьшаются высшие гармоники тока и напряжения во вторичной системе 2. В показанном на Фиг.1 примере выполнения трансформаторное устройство 4 содержит два параллельно включенных трансформатора.
Как к первичной системе 1, так и к вторичной системе 2 могут подключаться не представленные на чертеже нагрузки, например, двигатели или другие приводные устройства. Связанный со вторичной системой 2 генератор 7 может служить в качестве аварийного генератора и обеспечивать энергоснабжение как во вторичной системе 2, так и в первичной системе 1 в случае, если главный генератор 3 не работает.
Фиг.2 показывает другую примерную схему соответствующей изобретению системы энергоснабжения, причем с первичной системой 1 связаны нагрузки 6а, 6b. Генератор 3 связан с обеими системами трехфазного тока 1a, 1b, которые предпочтительно электрически смещены по фазе относительно друг друга на 30°. Обе системы трехфазного тока 1а, 1b образуют первичную систему 1. Через оба статических преобразователя 5а, 5b питаются энергией двигатели 6а, 6b.
Первичная система 1 связана со вторичной системой трехфазного тока 2 посредством двух транформаторов 4. На чертеже не представлены другие нагрузки, которые дополнительно к двигателям 6а, 6b могут быть соединены с первичной системой 1. Со вторичной системой трехфазного тока 2 через контактные выводы 8а, 8b, 8с соединены другие не показанные более подробно на чертеже нагрузки и, по крайней мере, один не представленный более подробно генератор.
В примере выполнения согласно Фиг.2 за счет конструкции генератора 3 обеспечивается, что прежде всего при использовании нагрузок, пригодных бурения для нефтяных скважин, как двигатели 6а, 6b на стороне связанных с системами трехфазного тока 1a, 1b статорных обмоток обеспечено равномерное распределение нагрузки. При этом в первичной системе 1 является целесообразным режим работы при максимально возможном уровне напряжения.
Связь вторичной системы трехфазного тока 2 с первичной системой 1 происходит через трансформаторы 4 симметричным образом. Например, оба трансформатора 4 при этом имеют на первичной стороне соединение по схеме треугольника, на вторичной стороне, однако, соединение по схеме треугольника или, соответственно, звездой.
Фиг.3 и Фиг.4 показывают дальнейшие формы выполнения трансформаторного устройства 4 для связи первичной системы 1 со вторичной системой трехфазного тока 2. Отдельные системы обмоток трансформаторного устройства 4 при этом приданы в соответствие обеим первичным системам трехфазного тока 1а, 1b или, соответственно, вторичной системе трехфазного тока 2 с контактными выводами 8а, 8b, 8с. Показанные на Фиг.3 и Фиг.4 трансформаторные устройства 4 могут выполняться в виде встроенного трансформаторного устройства, то есть они содержат на вторичной стороне для каждого из контактных выводов 8а, 8b, 8с, как схематически представлено на чертежах, соответственно только одну систему обмоток.
В случае показанного на Фиг.3 трансформаторного устройства 4 системы обмоток расположены на стороне вторичной системы трехфазного тока 2 по схеме звезды.
В случае показанного на Фиг.4 трансформаторного устройства 4 системы обмоток расположены на стороне вторичной системы трехфазного тока 2 по схеме треугольника.
Фиг.1 и Фиг.2 показывают соответствующие изобретению элементарные системы энергоснабжения для автономных электросетей. По крайней мере, две подобные системы энергоснабжения могут связываться друг с другом. Возможно также связывать, по крайней мере, одну соответствующую изобретению систему энергоснабжения с уже существующими системами энергоснабжения для автономной электросети.
Система энергоснабжения, которая состоит из нескольких таких, как показаны на Фиг.1 или соответственно Фиг.2, элементарных систем энергоснабжения, для покрытия соответственно более высокой потребности в энергии может также быть выполнена таким образом, что дополнительно к главному генератору 3 предусмотрены еще следующие главные генераторы 3. Система энергоснабжения может быть также сконструирована таким образом, что она содержит несколько первичных систем 1, которые питают энергией одну или несколько вторичных систем 2. Система энергоснабжения может быть также сконструирована таким образом, что одна первичная система 1 питает энергией одну или несколько вторичных систем трехфазного тока 2 и/или одна вторичная система трехфазного тока 2 питается энергией посредством одной или нескольких первичных систем 1.
Соответствующая изобретению система энергоснабжения является в целом более дешевой при остающихся, по крайней мере, неизменными мощности, гибкости и емкости и имеет значительно меньший вес, чем существующие до сих пор системы, и требует, кроме этого, вследствие экономии иначе необходимых для создания двух сдвинутых по фазе систем трехфазного тока 1a, 1b преобразователей тока значительно меньше места, чем существующие в настоящее время системы.
Формула изобретения
1. Система энергоснабжения для автономных электросетей, которая содержит, по крайней мере, один генератор (3) и, по крайней мере, две системы трехфазного тока (1a, 1b), отличающаяся тем, что генератор (3) содержит, по крайней мере, две трехфазные системы обмоток, которые приданы в соответствие системам трехфазного тока (1а, 1b), причем в системах обмоток индуцируются напряжения и системы обмоток генератора (3) расположены пространственно таким образом, что напряжения обеих систем трехфазного тока (1а, 1b) электрически смещены по фазе относительно друг друга, при этом система энергоснабжения содержит, по крайней мере, одну первичную систему (1) и по крайней мере, одну вторичную систему трехфазного тока (2), причем, по крайней мере, две системы трехфазного тока (1а, 1b) образуют первичную систему (1), которая связана, по крайней мере, с одной из вторичных систем трехфазного тока (2), и с первичной системой (1) связаны нагрузки.
2. Система энергоснабжения по п.1, отличающаяся тем, что электрический сдвиг фаз между системами трехфазного тока (1а, 1b) составляет 30°.
3. Система энергоснабжения по п.1 или 2, отличающаяся тем, что системы обмоток генератора (3) размещены в пазах генератора (3) таким образом, что устанавливается минимальный ток короткого замыкания.
4. Система энергоснабжения по п.3, отличающаяся тем, что нагрузка (6а, 6b) соединена больше, чем с одной из систем трехфазного тока (1а, 1b).
5. Система энергоснабжения по п.4, отличающаяся тем, что вторичная система трехфазного тока (2) связана с генератором.
6. Система энергоснабжения по п.5, отличающаяся тем, что связь между, по крайней мере, одной первичной системой (1) и, по крайней мере, одной вторичной системой трехфазного тока (2) выполнена таким образом, что энергия, выработанная посредством генератора, связанного со вторичной системой трехфазного тока (2), может подводиться к первичной системе (1).
РИСУНКИ
|
|