|
|
(21), (22) Заявка: 2006133177/28, 18.09.2006
(24) Дата начала отсчета срока действия патента:
18.09.2006
(46) Опубликовано: 27.02.2008
(56) Список документов, цитированных в отчете о поиске:
SU 724037 А, 10.08.1981. SU 1163784 A1, 30.05.1991. RU 2054773 C1, 20.02.1996. RU 2266595 C1, 20.12.2005. JP 3259587 A, 19.11.1991.
Адрес для переписки:
119991, Москва, В-333, ГСП-1, Ленинский пр-кт, 53, Физический институт им. П.Н. Лебедева РАН, патентный отдел
|
(72) Автор(ы):
Губин Михаил Александрович (RU), Крылова Дарья Дмитриевна (RU), Тюриков Дмитрий Алексеевич (RU), Шелковников Александр Сергеевич (RU)
(73) Патентообладатель(и):
Физический институт имени П.Н. Лебедева Российской академии наук (RU)
|
(54) СПОСОБ СТАБИЛИЗАЦИИ ЧАСТОТЫ ЛАЗЕРА И УСТРОЙСТВО ДЛЯ ЕГО ОСУЩЕСТВЛЕНИЯ
(57) Реферат:
Изобретение относится к области оптических лазерных стандартов частоты. В режиме стабилизации частоты по положению центра нелинейного реперного резонанса поглощения или дисперсии дополнительно поддерживается постоянной еще одна (отличная от используемой при первой стабилизации) производная нелинейного резонанса поглощения или дисперсии. При этом асимметрия формы резонансов сохраняется постоянной, что приводит к увеличению средне- и долговременной стабильности частоты лазеров с внутренней поглощающей ячейкой в 10-100 раз. Устройство стабилизации частоты содержит две петли обратной связи: первая – для стабилизации частоты (по положению центра реперного резонанса), вторая – для стабилизации формы реперного резонанса (т.е. положения самого центра резонанса). 2 н. и 4 з.п. ф-лы, 4 ил.
Изобретение относится к области оптических стандартов частоты (ОСЧ), в частности – лазерных стандартов частоты с внутренней поглощающей ячейкой, использующих для стабилизации частоты узкие нелинейные резонансы поглощения или дисперсии. Стабилизированные по частоте лазеры такого типа широко используются в прецизионной метрологии и спектроскопии сверхвысокого разрешения в качестве задающих генераторов с узким спектром или вторичных стандартов с уровнем стабильности 10-13-10-14 [1, 2].
Известен одномодовый оптический стандарт частоты с высокой кратковременной стабильностью частоты, содержащий газовый лазер, с внутренней поглощающей ячейкой, и использующий для стабилизации частоты узкий резонанс насыщенного поглощения [1]. Недостатком данного стандарта являются большие габариты (около 5 метров), поскольку основной возможностью увеличения отношения сигнал/шум в петле обратной связи является увеличение длины поглощающей ячейки. Другим недостатком является трудность получения высокой долговременной стабильности частоты, также связанная в значительной степени с габаритами системы, не позволяющими с необходимой точностью обеспечить постоянство внешних условий, воздействующих на резонатор лазера.
Известен оптический стандарт частоты с высокой кратковременной стабильностью частоты, содержащий двухмодовый газовый лазер, с внутренней поглощающей ячейкой и использующий для стабилизации частоты одновременно узкие резонансы насыщенного поглощения и насыщенной дисперсии [3]. В данном аналоге благодаря введению широкополосной петли обратной связи, использующей в качестве дискриминатора резонанс насыщенной дисперсии, была существенно повышена кратковременная стабильность частоты без увеличения габаритов системы. Недостатком данного способа является недостаточная долговременная стабильность частоты, определяемая дрейфами параметров самого реперного резонанса.
Известны оптические стандарты частоты, использующие газовый лазер с внутренней поглощающей ячейкой, в котором для повышения долговременной стабильности и воспроизводимости частоты излучения используются на два порядка более узкие резонансы насыщенного поглощения или насыщенной дисперсии за счет введения в резонатор лазера телескопического расширителя лазерного луча и снижения давления поглощающего газа в ячейке [1, 2]. Недостаток данного способа заключается в сложности структуры всего стандарта, требующего для реализации объединения трех лазеров: опорного, лазера-гетеродина и лазера с телескопом.
В качестве прототипа выбран способ стабилизации частоты, реализованный в двухмодовом He-Ne/CH4 лазере (ДМЛ). Лазер содержит усиливающую (He-Ne) среду и поглощающую (метановую) среду, последовательно расположенные внутри оптического резонатора Фабри-Перо, излучает на двух модах с линейными ортогональными поляризациями и частотным расстоянием, задаваемым фазовой анизотропией резонатора [3]. Стабилизация частоты в ДМЛ осуществляется по узким резонансам нелинейной дисперсии (НД) и/или нелинейного поглощения (НП) метана, наблюдаемых в частоте межмодовых биений или интенсивностях мод при перестройке частоты резонатора, например, смещением одного из зеркал резонатора, укрепленного на пьезоэлементе. Сигнал обратной связи, стабилизирующий частоту излучения лазера на центре резонанса, подается на пьезоэлемент системой автоподстройки частоты (АПЧ), включающей в себя: фотодетектор, генератор вспомогательной модуляции длины резонатора на частоте fm, синхронный детектор, выделяющий сигнал огибающей выбранной гармоники, усилитель выпрямленного сигнала.
Недостаток известной схемы заключается в том, что в ней отсутствует контроль за медленными (десятки минут, часы) изменениями параметров режима генерации лазера, приводящими к сдвигам положения центра реперного резонанса (НД или НП) во времени.
Задачей изобретения является значительное (в 10-100 раз) повышение средне- и долговременной стабильности частоты излучения лазера с помощью дополнительного (непосредственно в режиме стабилизации частоты лазера) контроля за изменениями формы реперных резонансов, вызванными случайными дрейфами параметров лазера и внешних условий (температуры, давления окружающей среды и т.д.)
Способ основан на том, что дополнительно к стабилизации частоты лазера методом обратной связи по положению центра реперного спектрального резонанса НП или НД, или одной из его производных по частоте в поглощающем газе низкого давления, осуществляют стабилизацию асимметрии формы самого реперного резонанса в области его центра по величине другой, отличной от используемой при первой стабилизации производной реперного резонанса по частоте. Для этого величина асимметрии резонанса непрерывно измеряется (в процессе стабилизации частоты лазера) по сигналу соответствующих, не используемых для сигнала обратной связи в основной петле стабилизации частоты, производных (гармоник модуляции) резонанса НП или НД. При отличии величины асимметрии резонанса (величины гармоники модуляции) от первоначального значения сигнал рассогласования подается на дополнительное отражающее часть излучения лазера обратно в резонатор устройство. Излучение, возвращаемое отражающим устройством в резонатор лазера, воздействуя на режим генерации лазера, вызывает изменение формы реперных резонансов НП и НД, компенсирующее возникшее рассогласование. Тем самым достигается поддержание величины асимметрии резонанса вблизи его центра постоянной.
Предложено осуществлять стабилизацию асимметрии формы реперного резонанса по производной той же четности, что и при первой стабилизации.
Предложено устройство для реализации предлагаемого способа, включающее в себя лазер с внутренней поглощающей ячейкой низкого давления, одно из зеркал которого укреплено на пьезоэлементе, систему регистрации реперных резонансов НП или НД, содержащую фотоприемник, генератор модуляции частоты лазера, анализатор гармоник модуляции, выход которого соединен со входом пьезоэлемента лазера, отличающееся тем, что в него введено дополнительное управляемое отражающее устройство, расположенное вне оптического резонатора лазера и отражающее часть излучения лазера обратно в резонатор, причем вход отражающего устройства соединен с выходом анализатора гармоник модуляции, выполненного с возможностью выделения амплитуды сигнала любой гармоники модуляции.
Предложено также выполнить управляемое отражающее устройство в различных вариантах – изменяющим под воздействием входного сигнала либо фазу возвращаемого в резонатор излучения, либо амплитуду, либо амплитуду и фазу одновременно.
Суть изобретения сводится к следующему.
Хотя существует несколько различных физических и технических механизмов медленных сдвигов центра реперного резонанса (см. например [4, 5]), их влияние в основном сводится к небольшой (0,01-0,001 части от величины самого резонанса) резонансной добавке другой, по отношению к форме основного резонанса, четности.
Например, в ударном режиме резонансы НП и НД имеют вид лоренцевской L(x)=1/(1+х2) и дисперсионной D(x)=x/(1+х2) функций, где x – отстройка частоты, x=( – 0)/ , ( – частота излучения, 0 – центр реперной линии метана, – ширина резонанса), а асимметричные добавки к функциям L(x) и D(x) будут иметь вид D(x) и L(x) соответственно. Или, как в случае сдвигов из-за линейного изменения коэффициента усиления от частоты (а также сдвигов из-за влияния паразитных обратных отражений, с ним связанным) [5], такие добавки будут соответственно x(К-1+L(x)) и xD(x), К – контрастность нелинейного резонанса.
В результате форма резонанса НД может быть представлена в зависимости от отстройки как:

где функции Li(x) – функции, зависящие от механизма, искажающего форму резонанса, но все они противоположной по отношению к D(x) четности;
кi – контрастность соответствующей резонансной добавки.
Идея изобретения состоит в том, что при контроле за определенными двумя производными резонанса(-ов), суммарную контрастность этих асимметричных добавок можно поддерживать постоянной.
Для стабилизации частоты лазера, как правило, используется сигнал той из гармоник резонанса, которая представляет собой нечетную функцию расстройки. Например, при стабилизации по резонансу НД используется 2-я гармоника и для малых “х” (х<<1) функция, служащая дискриминатором системы АПЧ записывается в виде:

где bi – коэффициент разложения в ряд по “х” функции L”i(x),
и точка стабилизации (определяемая из условия F”(x)=0) равна:

Основным фактором долговременной нестабильности частоты является величина отражающая асимметрию резонанса вблизи центра.
Для обеспечения ее постоянства предлагается регистрировать в режиме стабилизации частоты лазера сигнал другой гармоники(-ник), сравнивать с первоначальным значением, а возникающий со временем сигнал рассогласования подавать на устройство управления величиной асимметрии (ее стабилизации). Наиболее удобно в качестве сигнала асимметрии использовать гармоники той же четности, что и основная (в случае резонанса НД – 4-й, 6-й, …; в случае резонанса НП – 3-й, 5-й; 7-й, …).
Из-за асимметрии резонанса такие сигналы отличны от “0” на всех гармониках той же четности, а их величина определяется значениями гармоник при х=xстаб, где xстаб – установившаяся частота оптического генератора в режиме стабилизации.
Например, “сигнал асимметрии” на 4-й гармонике резонанса НД записывается как

где qi – коэффициент разложения в ряд по “х” функции L””i(x).
Теперь, если один из таких коэффициентов (к0) приписать асимметрии, вносимой дополнительным отражающим устройством (асимметричная добавка xD(x)), то поддерживая его изменениями постоянной величину F””(xстаб), можно скомпенсировать спонтанные изменения других компонент в (4) и, тем самым, стабилизировать форму реперного резонанса, т.е. подавить (резко уменьшить) влияние на стабилизированную частоту целого ряда сдвигов.
Поскольку относительная стабильность величин bi, qi на практике обеспечивается на уровне (10-3-10-4), то изменения сигнала (4) на уровне (10-1-10-2) отражают дрейф коэффициентов кi(t). Таким образом, данный сигнал является с указанной точностью индикатором асимметрии в области центра резонанса. Его изменения используются для автоматического поддержания величины асимметрии постоянной посредством введения дополнительного сдвига, например, за счет влияния на режимы генерации лазера обратного отражения от внешнего дополнительного отражающего устройства, которым можно управлять [5]. В результате средне- и долговременная стабильность частоты увеличится в 10-100 раз.
Возможно использование различных устройств управления коэффициентом к0, но при экспериментальной реализации способа наиболее простым и удобным устройством является дополнительное внешнее зеркало, установленное на пьезоэлементе за одним из основных зеркал резонатора. При плоскопараллельном смещении на /2 такое дополнительное зеркало производит периодическое изменение к0 [5]. Необходимый диапазон изменения коэффициента асимметрии ( к0) подбирается коэффициентом пропускания основного зеркала резонатора и отражением от дополнительного.
Для экспериментальной проверки предлагаемого способа в двухмодовом He-Ne/CH4 оптическом стандарте частоты было установлено дополнительное внешнее зеркало на пьезоэлементе и введена вторая система АПЧ, которая использовала сигнал 4-й гармоники резонанса НД для управления положением дополнительного внешнего зеркала, поддерживая постоянным сигнал этой гармоники.
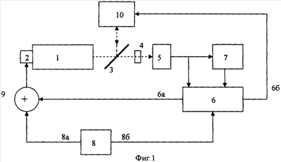
На Фиг.1 изображена принципиальная схема устройства, реализующего предложенный способ.
Устройство содержит двухмодовый лазер (1), одно из зеркал которого укреплено на пьезоэлементе (2), расщепитель луча (3), поляризатор (4), фотодетектор (5), анализатор сигналов гармоник (6), частотный детектор (7), генератор модуляции (8), сумматор сигналов (9), управляемое отражающее устройство (10).
Устройство работает следующим образом. Излучение двухмодового лазера (1), одно из зеркал которого укреплено на пьезоэлементе (2), проходит через расщепитель луча (3), поляризатор (4) и падает на фотодетектор (5). Сигнал после фотодетектора поступает на анализатор сигналов гармоник (6) для регистрации гармоник резонанса НП, и на частотный детектор (7), и далее также на анализатор сигналов гармоник (6) для регистрации гармоник резонанса НД. Сигнал модуляции длины резонатора лазера на частоте fm подается от генератора модуляции (8) с выхода (8а) через сумматор сигналов (9) на пьезоэлемент (2); опорный сигнал с другого выхода (8б) генератора модуляции поступает на анализатор гармоник (6). Сигнал 2-й гармоники резонанса НД (или 3-й гармоники резонанса НП) с выхода (6а) анализатора гармоник поступает через сумматор сигналов (9) на пьезоэлемент (2), что замыкает основную петлю обратной связи и стабилизирует частоту лазера по центру резонанса НД или НП.
Сигнал для стабилизации асимметрии формы реперного резонанса берется со второго выхода (6б) анализатора гармоник и поступает на управляемое отражающее устройство (10). Управляемое отражающее устройство (10), совместно с зеркалом-расщепителем (3), возвращает часть интенсивности (примерно 0,1%) лазерного излучения обратно в резонатор, воздействуя на режим генерации лазера, причем амплитуда и фаза возвращаемого лазерного поля подобраны таким образом, чтобы это воздействие стабилизировало асимметрию формы реперного резонанса.
В результате стабилизации асимметрии формы реперного резонанса, по фиксированной величине сигнала 4-й гармоники резонанса НД, происходила стабилизация положения центра самого резонанса, увеличившая стабильность частоты двухмодового He-Ne/CH4 оптического стандарта более чем на порядок для времен усреднения (100-1000) сек.
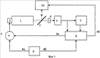
Возможны различные варианты реализации управляемого отражающего устройства.
Первый вариант отражающего устройства (Фиг.2). Устройство состоит из зеркала (11), установленного на пьезоэлементе (12), поляризатора (13), установленного перед зеркалом (11) в фиксированном положении, второй выход (6б) анализатора гармоник соединен со входом пьезоэлемента (12).
Под действием сигнала анализатора гармоник изменяется фаза отраженного в резонатор излучения.
Второй вариант отражающего устройства (Фиг.3). Устройство состоит из зеркала (11), поляризатора (13), находящегося в фиксированном положении, поляризатора (14), второй выход (6б) анализатора гармоник соединен со входом поляризатора (14).
Под действием сигнала анализатора гармоник происходит поворот направления оси пропускания поляризатора (14), т.е. осуществляется управление амплитудой отраженного в резонатор излучения.
Третий вариант отражающего устройства (Фиг.4). Устройство состоит из зеркала (11), поляризатора (13), находящегося в фиксированном положении, фазового оптического элемента (15), вход которого соединен со вторым выходом (6б) анализатора гармоник.
Под действием сигнала анализатора гармоник изменяется разность фаз компонент поляризации поля и происходит поворот вектора поляризации, т.е. осуществляется управление амплитудой и фазой отраженного в резонатор излучения.
Литература
1. Летохов B.C., Чеботаев В.П. Нелинейная лазерная спектроскопия сверхвысокого разрешения. Наука, 1990, стр.411.
2. Губин М.А., Проценко Е.Д. Квантовая электроника, 24, 1080 (1997).
3. АС СССР №724037, кл. H01S 3/13, опубл. в 1981 г.
4. Tyurikov D.A., Gubin М.А., Shelkovnikov A,S., Kovalchuk E.V. «Accuracy of the computer-controlled laser frequency standard based on resolved hyperfine structure of methane line», IEEE Trans. on Instrum. and Measurement, 44, 166 (1995).
5. Крылова Д.Д., Шелковников А.С., Петрухин Е.А., Губин М.А. Квантовая электроника, 34, 554 (2004).
Формула изобретения
1. Способ стабилизации частоты лазера методом обратной связи по положению центра реперного спектрального резонанса нелинейного поглощения или дисперсии, или одной из его производных по частоте в поглощающем газе низкого давления, отличающийся тем, что дополнительно осуществляют стабилизацию асимметрии формы самого реперного резонанса в области его центра по величине другой, отличной от используемой при первой стабилизации производной реперного резонанса по частоте.
2. Способ по п.1, отличающийся тем, что стабилизацию асимметрии формы реперного резонанса осуществляют по производной той же четности, что и при первой стабилизации.
3. Устройство для осуществления способа по п.1 или 2, включающее лазер с внутренней поглощающей ячейкой низкого давления, одно из зеркал которого укреплено на пьезоэлементе, систему регистрации реперных резонансов нелинейного поглощения или дисперсии, содержащую фотоприемник, генератор модуляции частоты лазера, анализатор гармоник модуляции, выход которого соединен со входом пьезоэлемента лазера, отличающееся тем, что в него введено дополнительное управляемое отражающее устройство, расположенное вне оптического резонатора и отражающее излучение лазера обратно в резонатор, вход устройства соединен с выходом анализатора гармоник модуляции, выполненного с возможностью выделения амплитуды сигнала любой гармоники модуляции.
4. Устройство по п.3, отличающееся тем, что отражающее устройство выполнено изменяющим фазу отраженной волны.
5. Устройство по п.3, отличающееся тем, что отражающее устройство выполнено изменяющим амплитуду отраженной волны.
6. Устройство по п.3, отличающееся тем, что отражающее устройство выполнено изменяющим амплитуду и фазу отраженной волны.
РИСУНКИ
|
|