|
|
(21), (22) Заявка: 2006140544/09, 16.11.2006
(24) Дата начала отсчета срока действия патента:
16.11.2006
(46) Опубликовано: 27.02.2008
(56) Список документов, цитированных в отчете о поиске:
RU 2224326 С2, 26.03.2001. RU 2224325 С2, 26.03.2001. DE 1194960 А, 16.06.1965. US 4617540 А, 14.10.1986.
Адрес для переписки:
663094, Красноярский край, г. Дивногорск, ул. Заводская, 1 а/б (для В.В. Юрченко)
|
(72) Автор(ы):
Перфильев Евгений Константинович (RU), Крикунов Александр Викторович (RU)
(73) Патентообладатель(и):
Открытое акционерное общество “Дивногорский завод низковольтных автоматов” (ОАО “Дивногорский завод низковольтных автоматов”) (RU)
|
(54) ВЫКЛЮЧАТЕЛЬ АВТОМАТИЧЕСКИЙ
(57) Реферат:
Изобретение относится к области электротехники, в частности к автоматическим выключателям. Выключатель автоматический включает корпус с крышкой, механизм свободного расцепления с рейкой и рычагом, который дополнительно содержит скобу, имеющую зацепление с рычагом, при этом зацепление рычага со скобой осуществляется через валик, с возможностью его перемещения. В каждом полюсе установлены тепловой и электромагнитный расцепители максимального тока. Электромагнитный расцепитель содержит подпружиненный якорь с регулировочным винтом и соединен с подвижным контактом контактной системы гибким токопроводом. По обе стороны закрепленного на оси вращения подвижного контакта зафиксированы пружины растяжения, оси фиксации которых расположены с возможностью перехода в момент отбрасывания контакта через мертвую точку, располагаемую на оси вращения контакта. Технический результат – повышение быстродействия и надежности в работе, а также упрощение сборки. 2 з.п. ф-лы, 1 ил.
Изобретение относится к области электротехники, в частности к автоматическим выключателям.
Известен автоматический выключатель, содержащий корпус с крышкой, механизм свободного расцепления с рейкой, контактную систему с дугогасительными камерами, тепловой и электромагнитный расцепители максимального тока в каждом полюсе, кроме того, тепловой расцелитель электрически соединен с электромагнитным, а электромагнитный – с подвижным контактом контактной системы гибким токопроводом, в дугогасительную камеру каждого полюса встроена шора из дугостойкого материала, причем контактная стойка контактной системы в каждом полюсе расположена внутри шоры, а перед контакт-деталью на контактной стойке каждого полюса встык наклепана стальная пластина (RU 2224325 С2, Н01Н 73/48, 2004.02.20).
Недостатком данного выключателя является то, что время срабатывания выключателя определяется временем срабатывания электромагнитного расцепителя, при этом токи короткого замыкания достигают предельных значений, что приводит к излишним нагрузкам на сети.
Известен автоматический выключатель, содержащий корпус с крышкой, механизм свободного расцепления с рейкой, контактную систему с дугогасительными камерами, тепловой и электромагнитный расцепители максимального тока в каждом полюсе, соединенные электрически, кроме того, электромагнитный расцепитель электрически соединен с подвижным контактом контактной системы гибким токопроводом, при этом токопровод электромагнитного расцепителя выполнен в виде плоской шины из немагнитного материала и расположен внутри магнитопровода, выполненного в виде П-образной скобы из магнитомягкого материала, причем на токопроводе крепятся магнитопровод и стойка с якорем, пружиной и регулировочным винтом (RU 2224326 С2, Н01Н 73/48, 2004.02.20).
Данный выключатель также не обеспечивает достаточно быстрого срабатывания при протекании больших токов короткого замыкания, в несколько раз превышающих заданную величину тока, кроме того, электромагнитный расцепитель, состоящий из магнитопровода и якоря, представляет собой один узел, что затрудняет процесс сборки и требует для каждого номинального тока наличие своего определенного расцепителя.
Задачей изобретения является повышение быстродействия выключателя автоматического, обеспечение стабильности и надежности работы механизма свободного расцепления выключателя, а также упрощение сборки автоматического выключателя, унификация его деталей.
Поставленная задача достигается тем, что в выключателе автоматическом, включающем корпус с крышкой, механизм свободного расцепления с рейкой и рычагом, контактную систему с подвижным и неподвижным контактами и дугогасительными камерами, тепловой и электромагнитный расцепители максимального тока в каждом полюсе, соединенные электрически и соединением электромагнитного расцепителя, содержащего подпружиненный якорь с регулировочным винтом, с подвижным контактом контактной системы гибким токопроводом, по обе стороны закрепленного на оси вращения подвижного контакта зафиксированы пружины растяжения, оси фиксации которых расположены с возможностью перехода в момент отбрасывания контакта через мертвую точку, располагаемую на оси вращения контакта, механизм свободного расцепления дополнительно содержит скобу, имеющую зацепление с рычагом механизма свободного расцепления, при этом зацепление рычага со скобой осуществляется через валик с возможностью его перемещения, подпружиненный якорь с регулировочным винтом закреплен в пазах корпуса выключателя.
Скоба механизма свободного расцепления может быть выполнена с пазом с возможностью перемещения в ней валика.
Валик механизма свободного расцепления выполнен подпружиненным.
Отличительными от ближайшего прототипа признаками являются:
– расположение осей фиксации пружин растяжения, зафиксированных с обеих сторон закрепленного на оси вращения подвижного контакта с возможностью перехода в момент отбрасывания контакта через мертвую точку, располагаемую на оси вращения контакта, что при протекании токов короткого замыкания обеспечивает устойчивое состояние подвижного контакта и нахождение его в разомкнутом положении;
– наличие в механизме свободного расцепления скобы, имеющей зацепление с рычагом механизма свободного расцепления через валик с возможностью его перемещения, исключает при протекании токов перегрузки разрыв зацепления с рейкой и обеспечивает постоянную точку приложения силы и стабильное усилие на рейке;
– закрепление подпружиненного якоря с регулировочным винтом в пазах корпуса выключателя позволяет упростить сборку автоматического выключателя, сократить число типов деталей для выключателей с разным номинальным током.
Технический результат при использовании предлагаемого изобретения выражается в:
– повышении быстродействия выключателя автоматического при протекании больших токов короткого замыкания, в несколько раз превышающих заданную величину тока, за счет конструктивных особенностей крепления пружин на подвижном контакте и места расположения оси вращения контакта, и таким образом, снижении аварийности в цепях;
– повышении стабильности работы выключателя за счет повышения надежности работы механизма свободного расцепления выключателя;
– упрощении сборки выключателя автоматического за счет сокращения числа типов деталей для выключателей с разным номинальным током вследствие того, что подпружиненный якорь с регулировочным винтом, входящий в состав электромагнитного расцепителя, имеет независимое закрепление в пазах корпуса выключателя.
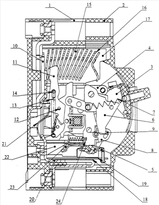
Изобретение поясняется чертежом, где изображен выключатель автоматический в разрезе. Выключатель автоматический содержит корпус 1 с крышкой 2, механизм свободного расцепления 3, состоящий из двух боковин 4, рейки 5, рычага 6, пружин механизма свободного расцепления 7, скобы 8, валика 9, контактную систему, состоящую из неподвижного контакта 10, подвижного контакта 11 с осью вращения 12 и пружин растяжения подвижного контакта 13, с осями фиксации 14, дугогасительной камеры 15, в каждом полюсе со стальными пластинами 16 и боковыми щеками 17, тепловой расцепитель 18, состоящий из биметаллической пластины 19, которая соединяется с токопроводящей шиной 20, образуя параллельную цепь, электромагнитный расцепитель, состоящий из токопроводящей шины 20, соединенной гибким токопроводом 21 с подвижным контактом 11, П-образного сердечника 22 и подпружиненного якоря 23 с регулировочным винтом 24. Якорь закреплен в пазах корпуса 1 выключателя.
Устройство работает следующим образом.
При протекании токов короткого замыкания, достигших заданной величины тока, якорь 23 притягивается к сердечнику 22 и поворачивает рейку 5. Заданную величину тока регулируют регулировочным винтом 24. Рейка 5 выходит из зацепления со скобой 8 механизма свободного расцепления 3, скоба 8 поворачивается по часовой стрелке и освобождается рычаг 6 механизма свободного расцепления 3. Механизм свободного расцепления 3 размыкает подвижный контакт 11 и неподвижный контакт 10 выключателя. Возникающая в процессе размыкания электрическая дуга втягивается за счет электродинамических сил и магнитных полей в узкий промежуток между стальными пластинами 16 дугогасительной камеры 15 и за счет охлаждения и разбивки на отдельные маленькие дуги между стальными пластинами 16 гаснет.
При протекании больших токов короткого замыкания, в несколько раз превышающих заданную величину тока, под действием электродинамических сил подвижный контакт 11 отбрасывается от неподвижного контакта 10 и поворачивается на оси 12. Оси фиксации 14 пружин 13 в момент отбрасывания контакта переходят через мертвую точку, располагаемую на оси вращения 12 подвижного контакта 11, благодаря чему подвижный контакт 11 принимает другое устойчивое состояние и остается в разомкнутом положении. Возникающая в процессе размыкания электрическая дуга втягивается за счет электродинамических сил и магнитных полей в узкий промежуток между стальными пластинами 16 дугогасительной камеры 15 и за счет охлаждения и разбивки на отдельные маленькие дуги между стальными пластинами 16 гаснет. При быстром размыкании контактов 10 и 11 токи коротких замыканий не успевают достигнуть предельных значений, и тепловое воздействие тока уменьшается.
При протекании токов перегрузки, меньших заданных токов короткого замыкания, биметаллическая пластина 19 нагревается под действием протекающего тока и изгибается в сторону рейки 5, поворачивая ее. Рейка 5 выходит из зацепления со скобой механизма свободного расцепления 3, скоба 8 поворачивается по часовой стрелке и освобождает рычаг 6 механизма свободного расцепления 3. Механизм свободного расцепления 3 размыкает контакты 10 и 11 выключателя. Зацепление рычага 6 со скобой 8 происходит через валик 9, который может быть выполнен подпружиненным и перемещаться в пазах скобы 8. Данное зацепление, благодаря которому подпружиненный валик 9 свободно перемещается в пазах скобы 8, исключает разрыв зацепления с рейкой и обеспечивает постоянную точку приложения силы и стабильное усилие на рейке.
Предлагаемая конструкция выключателя автоматического надежна и стабильна в работе, наличие унифицированных деталей упрощает технологию сборки выключателя.
Формула изобретения
1. Выключатель автоматический, включающий корпус с крышкой, механизм свободного расцепления с рейкой и рычагом, контактную систему с подвижным и неподвижным контактами и дугогасительными камерами, тепловой и электромагнитный расцепители максимального тока в каждом полюсе, соединенные электрически, и соединение электромагнитного расцепителя, содержащего подпружиненный якорь с регулировочным винтом, с подвижным контактом контактной системы гибким токопроводом, отличающийся тем, что по обе стороны закрепленного на оси вращения подвижного контакта зафиксированы пружины растяжения, оси фиксации которых расположены с возможностью перехода в момент отбрасывания контакта через мертвую точку, располагаемую на оси вращения контакта, механизм свободного расцепления дополнительно содержит скобу, имеющую зацепление с рычагом механизма свободного расцепления, при этом зацепление рычага со скобой осуществляется через валик, с возможностью его перемещения, подпружиненный якорь с регулировочным винтом закреплен в пазах корпуса выключателя.
2. Выключатель автоматический по п.1, отличающийся тем, что скоба механизма свободного расцепления выполнена с пазом, с возможностью перемещения в ней валика.
3. Выключатель автоматический по п.1, отличающийся тем, что валик механизма свободного расцепления выполнен подпружиненным.
РИСУНКИ
QB4A – Регистрация лицензионного договора на использование изобретения
Лицензиар(ы): Открытое акционерное общество “Дивногорский завод низковольтных автоматов”
Вид лицензии*: НИЛ
Лицензиат(ы): Открытое акционерное общество “Электроаппарат”
Договор № РД0068549 зарегистрирован 18.08.2010
Извещение опубликовано: 10.10.2010 БИ: 28/2010
* ИЛ – исключительная лицензия НИЛ – неисключительная лицензия
|
|