|
|
(21), (22) Заявка: 2006137378/09, 23.10.2006
(24) Дата начала отсчета срока действия патента:
23.10.2006
(46) Опубликовано: 27.02.2008
(56) Список документов, цитированных в отчете о поиске:
RU 2109345 C1, 20.04.1998. RU 2003116116 A1, 20.09.2002. RU 2000116586 A1, 20.09.2002. RU 2250991 C1, 27.04.2005. US 5339070 А, 16.08.1994. DE 2108296 A1, 31.08.1972. DE 2051640 A1, 31.05.1972.
Адрес для переписки:
659305, Алтайский край, г. Бийск, ул. Трофимова, 27, БТИ АлтГТУ
|
(72) Автор(ы):
Сыпин Евгений Викторович (RU), Терентьев Сергей Александрович (RU), Павлов Андрей Николаевич (RU), Леонов Геннадий Валентинович (RU), Повернов Евгений Сергеевич (RU)
(73) Патентообладатель(и):
Государственное образовательное учреждение высшего профессионального образования “Алтайский государственный технический университет им. И.И. Ползунова” (АлтГТУ) (RU)
|
(54) ПИРОМЕТРИЧЕСКИЙ ДАТЧИК КООРДИНАТ ОЧАГА ВОЗГОРАНИЯ
(57) Реферат:
Изобретение относится к области систем предупреждения об опасности, в частности к устройствам пожарной сигнализации, и предназначено для обнаружения очага возгорания в газодисперсных средах. Техническим результатом изобретения является возможность определения двумерных координат очага возгорания при высоких быстродействии и помехозащищенности, что позволяет повысить эффективность системы пожаротушения или взрывоподавления. Эти результаты достигаются благодаря использованию пирометрического датчика, состоящего из оптической системы, разделителя светового потока, светофильтров с разными спектрами пропускания и однокоординатных приемников излучения, выходы которых соединены со входом исполнительной схемы. 1 ил.
Изобретение предназначено для обнаружения очага возгорания в газодисперсных средах и определения его двумерных координат по тепловому излучению.
Изобретение относится к области систем предупреждения об опасности, в частности к устройствам пожарной сигнализации и взрывоподавления, и предназначено для обнаружения очага возгорания по излучению источника повышенной температуры. Изобретение может быть использовано в автоматических системах пожарной сигнализации для обеспечения взрывобезопасности газодисперсных систем (сплошная фаза – газ) в производственных условиях и на угольных шахтах.
Известны пожарные извещатели фотоэлектрического типа, реагирующие на излучение в инфракрасной, видимой или ультрафиолетовой областях спектра и срабатывающие при превышении мощностью излучения определенного предела [1], [2], [3]. Недостатком таких пожарных извещателей является то, что они срабатывают после появления открытого пламени и не могут быть использованы для предотвращения его возникновения. На правильность принятия решения о возгорании для таких датчиков оказывают большое влияние оптические характеристики среды и излучательная способность источника излучения.
Известны фотоэлектронные сканирующие системы, осуществляющие сканирование изображений в пространстве. Объектив приемной оптической системы строит изображение всего поля обзора в плоскости чувствительного слоя приемника излучения фотоэлектронной сканирующей системы [4].
Недостатками таких сканирующих систем являются невысокое быстродействие, связанное с продолжительным временем считывания электрического сигнала с координатного фотоэлектрического приемника излучения, а также влияние оптических характеристик среды на правильность определения яркости (температуры) объекта. Это делает невозможным использование подобных датчиков в системах взрывоподавления в газодисперсных средах.
Известен пирометрический датчик пожарной сигнализации [5, прототип], содержащий объектив, диафрагму, линзу, разделитель светового потока, светофильтры, инфракрасные фотодетекторы, усилители, блок термостабилизации темновых токов фотодетекторов, блок вычисления отношения двух значений напряжения, блок усреднения, пороговый детектор, блок питания.
К существенному недостатку данного датчика относится отсутствие возможности определения координат очага возгорания, что приводит к нерациональному использованию взрывоподавляющих устройств (ВПУ) при срабатывании системы взрывоподавления и, как следствие, к снижению вероятности подавления очага возгорания на ранней стадии.
Предлагаемое техническое решение, как и прототип, использует метод спектральной пирометрии, что позволяет отслеживать изменение температуры охраняемой области в газодисперсной среде и исключать влияние оптических свойств промежуточной среды на достоверность принимаемого решения о начале возгорания и при этом дополнительно дает возможность определения координат очага возгорания без потери быстродействия, что позволяет повысить эффективность системы пожаротушения или взрывоподавления.
Сущность технического решения заключается в регистрации распределения мощности светового потока по вертикальной и горизонтальной осям с помощью приемников излучения, в качестве которых используются однокоординатные приемники излучения (ОПИ), например ПЗС-линейки, расположенные перпендикулярно друг другу и оптической оси датчика. Причем каждый ОПИ регистрирует излучение в своем выделенном участке спектра. Использование двух ОПИ дает существенное повышение быстродействия пирометрического датчика по сравнению со сканирующей системой на двухкоординатном (матричном) приемнике излучения в связи с меньшим временем опроса ОПИ при прочих равных условиях.
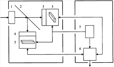
Принцип работы предлагаемого изобретения поясняется с помощью чертежа. Устройство содержит оптическую систему 1, разделитель светового потока 2, светофильтры 3 и 4, однокоординатные приемники излучения 5, блок микроконтроллера 6, блок питания 7.
Пирометрический датчик пожарной сигнализации координат очага возгорания работает следующим образом. Излучение контролируемой области фокусируется при помощи оптической системы 1 на ОПИ и разделяется светоделительной пластиной 2 на два потока. Каждый из этих потоков через светофильтры 3 и 4 с разными спектрами пропускания попадает на свой однокоординатный приемник излучения 5. Сигналы с ОПИ подаются в исполнительную схему, которая состоит из блока микроконтроллера 6 и блока питания 7. Блок микроконтроллера преобразует в цифровые значения распределения величин электрических сигналов по длине горизонтального и вертикального ОПИ, выполняет программную фильтрацию помех, определяет область чувствительного слоя с максимальной освещенностью по экстремуму электрического сигнала для каждого ОПИ и на основании этого вычисляет двумерные координаты очага возгорания, вычисляет отношение экстремумов электрических сигналов и сравнивает полученное отношение с заранее заданным значением для принятия решения о возникновении (или отсутствии) возгорания. В случае возникновения возгорания микроконтроллер формирует управляющий сигнал на соответствующее ВПУ.
Блок питания 7 служит для формирования и стабилизации напряжений, необходимых для работы электрической схемы.
В настоящее время пирометрический датчик прошел лабораторные испытания, которые показали соответствие изготовленного образца вышезаявленным свойствам.
Источники информации
1. Авторское свидетельство 637839, 1978 г.
2. Авторское свидетельство 667984, 1979 г.
3. Авторское свидетельство 1168992, 1985 г.
4. Якушенков Ю.Г. Теория и расчет оптико-электронных приборов: Учебник для студентов приборостроительных специальностей вузов. – 3-е изд., перераб. и доп. – М.: Машиностроение, 1989. – 360 с.: ил, с.186-188.
5. Патент 2109345, 1998 г, прототип.
Формула изобретения
Пирометрический датчик координат очага возгорания, содержащий последовательно установленные оптическую систему, разделитель светового потока, светофильтры с разными спектрами пропускания, приемники излучения, выходы которых соединены со входом исполнительной схемы, отличающийся тем, что в качестве приемников излучения использованы однокоординатные приемники излучения, расположенные перпендикулярно друг другу и оптической оси датчика.
РИСУНКИ
|
|