|
|
(21), (22) Заявка: 2006119813/28, 07.06.2006
(24) Дата начала отсчета срока действия патента:
07.06.2006
(46) Опубликовано: 27.02.2008
(56) Список документов, цитированных в отчете о поиске:
Миронов И.И., Осипов С.Н. Многоконтурные системы обработки информации и активного управления. Энергоатомиздат. – М., 1997, с.289-314. RU 2169837 С2, 27.06.2001. RU 2281614 C1, 10.08.2006. RU 2091820 С1, 27.09.1997.
Адрес для переписки:
121309, Москва, ул. Новозаводская, 18, РКЗ, ОНТ, начальнику отдела
|
(72) Автор(ы):
Пилипенко Таисия Даниловна (RU), Минияров Вячеслав Юрьевич (RU), Курнавин Игорь Васильевич (RU), Воронкович Владимир Зенонович (RU)
(73) Патентообладатель(и):
Федеральное Государственное унитарное предприятие “Государственный космический научно-производственный центр им. М.В. Хруничева” (RU)
|
(54) АВТОНОМНЫЙ ИЗМЕРИТЕЛЬНО-ВЫЧИСЛИТЕЛЬНЫЙ КОМПЛЕКС ДЛЯ КОНТРОЛЯ ПРЕДУПРЕЖДЕНИЯ НЕШТАТНЫХ СИТУАЦИЙ ОБЪЕКТОВ
(57) Реферат:
Изобретение относится к измерительной технике и может быть использовано для контроля состояния различных объектов. Устройство содержит набор датчиков, преобразователи, фильтры, усилители, аналогово-цифровой преобразователь (АЦП), оперативную электронно-вычислительную машину (ОЭВМ), оперативное запоминающее устройство (ОЗУ), запоминающее устройство (ПЗУ), таймер, интерфейс, источник питания и блок регистрации. Набор датчиков, преобразователи, фильтры, усилители соединены последовательно и подключены к аналогово-цифровому преобразователю (АЦП), вход которого соединен с таймером и блоком питания. Все перечисленные блоки подключены к блоку питания и оснащены приемником-передатчиком, вход которого соединен с выходом аналогово-цифрового преобразователя (АЦП), и объединены, по крайней мере, в один интеллектуальный датчик. Оперативная электронно-вычислительная машина (ОЭВМ) соединена с интерфейсом, оперативным запоминающим устройством (ОЗУ), запоминающим устройством (ПЗУ), с дополнительно установленным передатчиком-приемником, взаимодействующим с приемником-передатчиком интеллектуального датчика, блоками настройки, регистрации, сигнализации, передатчиком и источником питания, соединенным со всеми перечисленными блоками, объединенными в центральный контроллер-накопитель. Технический результат заключается в повышении надежности, расширении функциональных и технологических возможностей. 3 ил.
Изобретение относится к измерительной технике и телеметрии и может найти широкое применение при транспортировании объектов любым видом транспорта, особенно опасных и ценных грузов, контроль нагружений на высотных сооружениях, мостах, летательных аппаратах.
Известна многоканальная автономная система для анализа и регистрации динамических процессов, состоящая из комплекта датчиков с преобразователями, фильтрами и усилителями, а также блока анализа, содержащего аналогово-цифровой преобразователь (АЦП), выход которого соединен с однокристальной электронно-вычислительной машиной (ЭВМ), интерфейсом и персональной вычислительной машиной (ПЭВМ), содержит оперативное запоминающее устройство (ОЗУ), оперативное запоминающее устройство программ (ПЗУ), таймер, подключенные к источнику питания через преобразователь источника питания. Данная система анализирует замеренную датчиками информацию в темпе ее поступления, регистрирует сжатые данные и передает их в ПЭВМ затем по каналам связи на пункты приема, на Землю (И.И.Миронов и С.Н.Осипов. Многоконтурные системы обработки информации и активного управления. М., Энергоатомиздат, 1997 г., стр.289-314).
Недостаток представленной многоканальной системы для анализа заключается в ее большом весе, т.к. в системе используются датчики, которые подключены к блоку анализа с помощью кабелей длиною до 20 метров, что также влияет на надежность: в случае увеличения длины кабелей не обеспечивается работоспособность датчиков и системы.
Кроме того, вышеназванная многоканальная система анализа имеет ограниченные возможности, т.к. нет возможности ее установки в любые, даже труднодоступные места, а также выносные элементы конструкции контролируемого объекта.
Известна система измерения и контроля состояния конструкции на ракетах-носителях, космических станциях, самолетах, вертолетах.
Система измерения и контроля состояния конструкции содержит набор датчиков, например, перегрузок или ускорения, устанавливаемых в различных сечениях по длине корпуса объекта, датчиков давления в топливных магистралях, датчиков вибраций энергетических установок и конструкции вблизи зон их расположения и др.
Замеренная телеметрическая информация, полученная при эксплуатации летательных аппаратов, передается по каналам связи на Землю для проведения анализа всех потоков измерений, поступивших за весь период эксплуатации объекта.
В результате полученных на Земле потоков замеренной информации проводится первичная обработка замеренных данных с переводом и регистрацией измерений в физические величины и выявление зон сбоев телеметрических каналов и потери на этих интервалах результатов измерений.
В случае потери данных измерения на участках сбоя радиолиний, совпадающих с нарушениями в работе систем объекта невозможно выдать заключение о дальнейшей работе объекта, а на ракетах-носителях потеря данных измерения осложняет процедуры оценки работоспособности отдельных агрегатов и, как следствие, всего объекта.
Большие затраты времени на проведение анализа всех потоков информации в связи с тем, что информация передается без ограничения несущественных данных измерения с одинаковой частотой по всему рабочему диапазону датчика по всему периоду испытаний.
Кроме того, описанная телеметрическая система измерений имеет большой вес.
Передача больших потоков измерений и затем обработка и анализ данных измерения по методикам, на что требуются значительные затраты времени и средств для получения достоверных результатов о штатном или нештатном функционировании объекта без потерь можно сделать вывод о необходимости усовершенствования известных методов измерения и контроля параметров, характеризующих работу объекта.
Телеметрическая информация, поступающая от датчиков, не обеспечивает контроль состояния объекта в период эксплуатации в случае возникновения нештатного или аварийного состояния, поэтому при полете ракеты носителя или самолета требуются специальные средства контроля, обеспечивающие в процессе полета контроль состояния конструкции, целостность которой зависит от нагрузок со стороны энергетических установок, управляющих органов и внешних воздействий, а также возможных действий террористов.
Состояние конструкции летательного аппарата изменяется в зависимости от наработки ресурса при циклических нагружениях, определяющих остаточный ресурс эксплуатации.
Известно, что даже незначительные амплитуды циклических нагружений на конструкцию, действующие длительное время при отдельных обстоятельствах, могут привести к нештатной ситуации.
Учет циклических нагружений различного порядка при эксплуатации летательных аппаратов необходим для получения знаний о состоянии объекта и допуске к дальнейшей эксплуатации по имеющимся фактическим данным о накопленных сведениях о циклических нагружениях.
Известно устройство контроля состояния функционирования самолетов, которое можно принять за наиболее близкий аналог к предлагаемому изобретению.
Оно содержит приемники и передатчики записи информации, поступающей от пилотов при полете самолета, в виде “черного ящика”, регистрирующего сообщения на магнитную ленту при возникновении нештатной ситуации.
В указанном устройстве отсутствуют данные о состоянии конструкции при нештатных нагружениях и количестве их циклов за весь период эксплуатации и остаточном ресурсе, а также о величинах критических перегрузок, при которых возможна аварийная ситуация, что приводит к недостаточной надежности, и невозможности использовать его при более сложных случаях критических перегрузок.
Задача, на решение которой направлено предлагаемое изобретение, – повышение надежности, расширение функциональных и технологических возможностей, путем обеспечения измерения характеристик параметров испытуемого объекта, выполнения операции предварительной обработки и перевода их в физические величины в привязке к текущему времени, выполнения функций наземных комплексов приема и анализа информации по специальным методикам.
Поставленная задача решается тем, что в автономном измерительном комплексе для контроля и предупреждения нештатных ситуаций объектов, содержащем набор датчиков, преобразователи, фильтры, усилители, аналогово-цифровой преобразователь (АЦП), оперативную электронно-вычислительную машину (ОЭВМ), оперативное запоминающее устройство (ОЗУ), запоминающее устройство (ПЗУ), таймер, интерфейс, источник питания и блок регистрации, набор датчиков, преобразователи, фильтры, усилители, соединены последовательно, подключены к аналогово-цифровому преобразователю (АЦП), вход которого соединен с таймером и блоком питания, к которому также подключены все перечисленные блоки, оснащены приемником-передатчиком, вход которого соединен с выходом аналогово-цифрового преобразователя (АЦП), и объединены, по крайней мере, в один интеллектуальный датчик, а оперативная электронно-вычислительная машина (ОЭВМ) соединена с интерфейсом, оперативным запоминающим устройством (ОЗУ), запоминающим устройством (ПЗУ), с дополнительно установленными приемником – приемником, взаимодействующим с приемником-передатчиком интеллектуального датчика, блоками настройки, регистрации, сигнализации, передатчиком и источником питания, соединенным со всеми перечисленными блоками, объединенными в центральный контроллер накопитель.
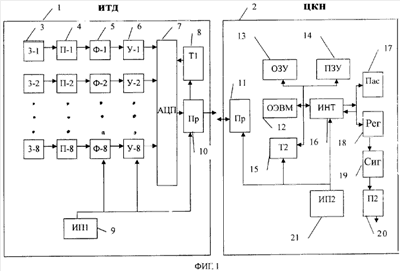
На фиг.1 показана схема автономного измерительного комплекса для контроля и предупреждения нештатных ситуаций объектов, а на фиг.2 – упрощенная блок-схема, на фиг.3 – результаты регистрируемой информации различного типа.
Автономный измерительный комплекс для контроля и предупреждения нештатных ситуаций объектов состоит, по крайней мере, из одного интеллектуального датчика (ИТД) 1 и центрального контроллера-накопителя (ЦКН) 2.
ИТД 1 содержит: набор датчиков 3, соединенных последовательно с преобразователями 4, фильтрами 5, усилителями 6 и с АЦП 7, таймер 8, источник питания 9, к которому подключены все перечисленные блоки, а также передатчик-приемник 10.
ЦКН 2 состоит из приемника-передатчика 11, соединенного выходом и входом с ОЭВМ 12, которая в сою очередь соединена выходом с ОЗУ 13 и ПЗУ 14, подключенными входами к таймеру 15, интерфейса 16, через который ОЭВМ 12 соединена с блоками настройки 17, регистрации 18, выход которого через блок сигнализации 19 подключен к дополнительному передатчику 20, и дополнительного источника питания 21, к которому подключены все блоки ЦКН 2.
ИТД 1 и ЦКН 2 соединены между собой передатчиком (приемником) 10 и приемником (передатчиком) 11.
При достаточно больших размерах измеряемого объекта количество ИТД 1 может быть увеличено, например, до восьми штук. В этом случае ИТД устанавливаются на расстоянии не более 80 метров друг от друга, т.к. они выполняют роль ретрансляторов.
Автономный измерительный комплекс для контроля и предупреждения нештатных ситуаций работает следующим образом.
ИТД 1 устанавливаются на заданном объекте в местах, подлежащих измерениям параметров функционирования на расстояниях, например, до 80 метров от ЦКН 2 (в случае расстояний до ЦКН 2 более 80 метров ИТД 1 устанавливают с шагом 80 метров, эти датчики выполняют роль ретрансляторов.
После включения в работу автономного измерительного комплекса для контроля и предупреждения нештатных ситуаций измерения от датчиков 3 поступают в преобразователи 4, фильтры 5 и усилители 6, где происходит предварительная обработка информации и оцифровка ее в блоке 7.
Одновременно происходит привязка к текущему времени таймером 8.
Блок 7 через передатчик 10 передает предварительно обработанную цифровую информацию приемнику 11 ЦКН 2, которая поступает в ОЭВМ 12, где результаты, предварительно обработанные в ИТД 1 анализируются по программе, введенной в ОЭВМ, и в соответствии с настройкой программы анализа блока 17.
ОЭВМ 12 использует при анализе данные от ОЗУ 13 и ПЗУ 14 соответственно и через интерфейс 16 направляет в блок регистрации 18, в котором вся анализируемая информация о всех экстремальных значениях, количестве циклов по уровням в привязке к текущему времени по программе регистрируется и накапливается, при этом несущественные данные измерений, которые не превысили заданный пороговый уровень блоком 17 не регистрируются, а информация, превысившая заданные блоком 17 предупредительный и предельные уровни, передается в блок сигнализации 19, а затем в блок 20. При этом все блоки ЦКН 2 питаются от блока 21.
Так как между ИТД и ЦКН может происходить обмен информацией как в прямом, так и в обратном направлении, приемник 10 может служить передатчиком, а передатчик 11 – приемником.
На фиг.3 представлена информация о результатах измерения:
участок T1 – результаты, не превысившие пороговый уровень,
участок Т2 – результаты, достигшие и превысившие пороговый уровень,
участок Т3 – результаты, достигшие предупредительного уровня,
участок Т4 – результаты, превысившие предельный уровень.
При достижении заданных предупредительного и предельного уровней формируются и передаются сигналы в соответствующие органы исследуемого объекта для принятия решения о дальнейшем его функционировании.
Использование предлагаемого изобретения позволит обеспечить:
– автономность работы измерительного комплекса длительное время без вмешательства оператора;
– малые габариты и вес, т.к. измерительный комплекс выполнен с беспроводной связью;
– возможность настройки измерительного комплекса на заданные режимы для контроля состояния объекта;
– адаптивность в решении задач анализа и обеспечение мониторинга безопасности;
– накопление анализированной информации и возможность ее передачи в любое удобное для потребителя время;
– изменение программы анализа и возможность ее ввода до проведения испытаний.
Предлагаемый автономный измерительный комплекс для контроля и предупреждения нештатных ситуаций может найти применение в следующих ситуациях:
– контроль состояния объектов при их транспортировании любым видом транспорта, особенно опасных и ценных грузов, самолетов, космических станций и. т.п.;
– измерение параметров сотрясений Земли, зданий, сооружений, нефте- и газопроводов с организацией протяженных линий связи;
– определение качества путей, характеристик медицинского оборудования;
– определение состояния искусственных клапанов сердца;
– в качестве “черного ящика” на самолетах и информатора о перегрузках на табло, если он исполнен в ударопрочном корпусе.
Формула изобретения
Автономный измерительный комплекс для контроля и предупреждения нештатных ситуаций объектов, содержащий набор датчиков, преобразователи, фильтры, усилители, аналогово-цифровой преобразователь (АЦП), оперативную электронно-вычислительную машину (ОЭВМ), оперативное запоминающее устройство (ОЗУ), запоминающее устройство (ПЗУ), таймер, интерфейс, источник питания и блок регистрации, отличающийся тем, что набор датчиков, преобразователи, фильтры, усилители соединены последовательно, подключены к аналогово-цифровому преобразователю (АЦП), вход которого соединен с таймером и блоком питания, к которому также подключены все перечисленные блоки, оснащены передатчиком (приемником), вход которого соединен с выходом аналогово-цифрового преобразователя (АЦП) и объединены, по крайней мере, в один интеллектуальный датчик, а оперативная электронно-вычислительная машина (ОЭВМ) соединена с интерфейсом, оперативным запоминающим устройством (ОЗУ), запоминающим устройством (ПЗУ), таймером, с дополнительно установленными (передатчиком) приемником, взаимодействующим с передатчиком интеллектуального датчика, блоками настройки, регистрации, сигнализации, передатчиком и источником питания, соединенным со всеми перечисленными блоками, объединенными в центральный контроллер-накопитель.
РИСУНКИ
|
|