Изобретение относится к радионавигации. Техническим результатом является обеспечение передачи и приема информационных сообщений в двух режимах – основном режиме с использованием пятиуровневой временной (фазовой) манипуляции, и дополнительном режиме – в формате системы «EUROFIX» – c использованием трехуровневой временной (фазовой) манипуляции. Система содержит передатчик и приемник, при этом передатчик содержит формирователь опорных сигналов, антенно-передающее устройство, блок сравнения, счетчик, регистр кода управления, блок промежуточного хранения, блок кодирования, блок управления кодированием, формирователь корректирующих кодов, блок записи сообщений, блок управления формированием корректирующих кодов и блок записи числа строк сообщения, а приемник содержит приемно-преобразовательное устройство, формирователь тактовых сигналов, счетчик, блок формирования отсчета, блок хранения отсчетов пачки, блок управления декодированием, блок декодирования, блок хранения принятого сообщения, блок корректировки сообщений, блок управления коррекцией сообщений и выходной блок хранения, при этом в передатчике формирователь корректирующих кодов содержит коммутатор и субблоки формирования циклических корректирующих кодов и групповых корректирующих кодов Рида-Соломона, а в приемнике блок корректировки сообщений содержит коммутатор и субблоки коррекции сообщений с корректирующими кодами Рида-Соломона и циклическими корректирующими кодами. 5 ил.
Изобретение относится к радионавигации и может быть использовано для передачи и приема служебной информации по радионавигационному каналу импульсно-фазовой радионавигационной системы (ИФРНС), в частности, для передачи и приема контрольно-корректирующей информации при реализации дифференциальных подсистем спутниковых радионавигационных систем.
Известны различные системы передачи информации по радионавигационному каналу ИФРНС.
Например, в работах: [1] – Loran-C User Handbook, USCG COMDTINST M16562.3, May 1980, Washington, DC 20402; [2] – Specification of the Transmitted Loran-C signal, USCG COMDTINST M16562.4, July 1981, Washington, DC 20593, описана система передачи информации в ИФРНС «Лоран-С», использующая амплитудную манипуляцию (0/1) двух первых импульсов в пачке импульсов навигационного сигнала для передачи сообщений о выходе параметров передающей станции ИФРНС за пределы технологических допусков. Для данной системы характерны ограниченность типов сообщений, которые могут быть переданы, и относительно невысокая помехоустойчивость передачи, обусловленная выбранным типом модуляции – простой амплитудной манипуляцией.
В системе «EUROFIX» передача информации осуществляется с использованием трехуровневой (-1; 0; +1 мкс) временной (фазовой) манипуляции с уровнем манипуляции ±1 мкс шести последних импульсов в пачке импульсов навигационного сигнала ИФРНС «Лоран-С». Основное назначение системы «EUROFIX» – передача потребителям сообщений с контрольно-корректирующей информацией, используемой при реализации дифференциальной подсистемы спутниковой радионавигационной системы. При этом для снижения потерь в реализации навигационной функции используются комбинации с нулевой суммой индексов модуляции в пределах каждой группы из шести импульсов. Для повышения помехоустойчивости передачи информации предусматривается сопровождение каждого сообщения корректирующими кодами, в частности, кодами Рида-Соломона, обеспечивающими при приеме информации обнаружение и исправление ошибочно принятых элементов сообщения. Для системы «EUROFIX», как и для рассмотренных выше систем, использующих для передачи информации временную (фазовую) манипуляцию части импульсов в пачке импульсов навигационного сигнала ИФРНС, характерна низкая эффективная скорость передачи информации Vэфф<50 Бод, что не соответствует рекомендациям, изложенным в [7] – RTCM Recommended Standards for Differential NAVSTAR GPS Service. Version 2.2, January 3, 1996.
nd
Согласно [11] испытания экспериментального образца системы передачи данных с использованием внутриимпульсной модуляции пачки импульсов навигационного сигнала ИФРНС «Лоран-С», проведенные в 2001 году, подтвердили возможность передачи информации с технической скоростью до 250 бит в секунду. Однако использование внутриимпульсной модуляции приводит к расширению сверх допустимого спектра навигационного сигнала и необходимы специальные меры для ограничения этого эффекта, кроме того требуется разработка и введение в состав твердотельного передатчика и антенного контура наземных станций ИФРНС быстродействующего коммутатора с коммутацией токов на уровне 0,5 кА и выше, что приводит к снижению надежности станций. По этой причине внутриимпульсная модуляция навигационных сигналов ИФРНС не нашла промышленного применения и в 2004 году исследования в этом направлении были прекращены, уступив таким образом системе «EUROFIX», которая была рекомендована к использованию Международным Телекоммуникационным Союзом, см. [12] – International Telecommunication Union Recommendation ITU-R M.589-3, March, 2005.
Известна система передачи и приема информационных сообщений по радионавигационному каналу ИФРНС, описанная в патенте [13] – RU №2158933 (C1), G01S 1/02, G01S 1/20, G01S 5/00, 10.11.2000, использующая как и система «EUROFIX» временную (фазовую) манипуляцию шести последних импульсов в пачке импульсов навигационного сигнала ИФРНС, но обладающая при этом более высокой, по сравнению с системой «EUROFIX», эффективной скоростью передачи информации. Система, описанная в [13], принята в качестве прототипа.
Структурная схема системы-прототипа (см. фиг.1) содержит передатчик 1 и приемник 2, связанные радионавигационным каналом ИФРНС.
В состав передатчика 1 системы-прототипа входят (фиг.1): антенно-передающее устройство (АПУ) 3, формирователь опорных сигналов (ФОС) 4, счетчик (Сч) 5, регистр кода управления (РКУ) 6, блок сравнения (БС) 7, блок промежуточного хранения (БПХ) 8, блок кодирования (БК) 9, блок управления кодированием (БУК) 10, формирователь корректирующих кодов (ФКК) 11, блок записи сообщений (БЗС) 12, блок управления формированием корректирующих кодов (БУФК) 13 и блок записи числа строк сообщений (БЗЧС) 14. Информационные входы-выходы БПХ 8, БК 9, БУК 10, ФКК 11, БЗС 12, БУФК 13 и БЗСЧ 14 соединены между собой шиной информационного обмена, которая при практической реализации системы подключается к информационному входу-выходу передатчика 1, служащему для присоединения к передатчику 1 периферийных устройств (на фиг.1 не показаны). Вход сообщений БЗЧС 14 соединен с входом сообщений БЗС 12, который в системе-прототипе подключен к отдельному информационному входу передатчика 1, используемому для ввода передаваемых информационных сообщений. Выход навигационных сигналов АПУ 3 является выходом радиосигналов передатчика 1. Вход задающих импульсов АПУ 3 соединен с выходом БС 7, первый вход которого соединен с выходом Сч 5, а второй – с выходом РКУ 6. Вход тактовых импульсов Сч 5 подключен к первому выходу ФОС 4, второй выход которого соединен с входом импульсов записи РКУ 6, а третий – с управляющим входом БУК 10. Выход управляющего кода БПХ 8 соединен с соответствующим входом РКУ 6.
В состав приемника 2 системы-прототипа входят (фиг.1): приемно-преобразовательное устройство (ППУ) 15, формирователь тактовых сигналов (ФТС) 16, блок формирования отсчета (БФО) 17, счетчик (Сч) 18, блок хранения отсчетов пачки (БХОП) 19, блок управления декодированием (БУД) 20, блок декодирования (БД) 21, блок хранения принятого сообщения (БХПС) 22, блок корректировки сообщения (БКС) 23, блок управления коррекцией сообщения (БУКС) 24, выходной блок хранения (ВБХ) 25, блок хранения отсчетов строки (БХОС) 26 и блок выделения начала сообщения (БВН) 27. Информационные входы-выходы БХОП 19, БУД 20, БД 21, БХПС 22, БКС 23, БУКС 24, ВБХ 25, БХОС 26 и БВН 27 соединены между собой шиной информационного обмена, которая при практической реализации системы подключается к информационному входу-выходу приемника 2, служащему для присоединения к приемнику 2 периферийных устройств (на фиг.1 не показаны). Выход сообщений ВБХ 25 в системе-прототипе подключен к отдельному информационному выходу приемника 2, используемому для вывода принятых информационных сообщений. Кодовый вход БХОП 19 соединен с выходом БФО 17, управляющий вход которого соединен с выходом сигнального строба ППУ 15, а информационный вход соединен с выходом Сч 18. Тактовый вход Сч 18 подключен к тактовому выходу ФТС 16, вход сигнала синхронизации которого соединен с выходом синхроимпульсов ППУ 15, а синхронизирующий выход ФТС 16 соединен с управляющим входом БУД 20. Вход навигационных сигналов ППУ 15 является входом радиосигналов приемника 2, который соединен радионавигационным каналом с выходом радиосигналов передатчика 1.
Система-прототип работает следующим образом.
0(5,24)
3,409×1015, что позволяет передать с помощью одной строки из четырех пачек навигационных импульсов пятьдесят один двоичный бит информации (251<3,409×1015). В связи с этим в системе-прототипе принято, что каждое информационное сообщение (Р) состоит из
инф слов по пятьдесят одному двоичных бит в каждом, всего из
инф×51 бит. При этом число слов
инф=var, а каждое передаваемое по радионавигационному каналу полное сообщение (М) содержит информационное сообщение (Р) и корректирующие коды (К).
Подлежащее передаче информационное сообщение Р поступает на информационный вход передатчика 1 и записывается (при наличии разрешения на запись) в БЗС 12 в виде блока из
инф 51-битных слов. Одновременно число информационных слов в сообщении
инф записывается в БЗЧС 14. Записанное в БЗЧС 14 значение
инф передается в БУК 10 и в БУФК 13. В БУК 10 в соответствии с этим значением устанавливается априори заданное число слов полного передаваемого сообщения (М)
р, включающее информационные слова (
инф) и корректирующие коды (
к). В БУФК 13 в соответствии с величиной
р устанавливается априори определенная команда управления структурой ФКК 11. Эта команда передается в ФКК 11, где в соответствии с ней перекоммутируются элементы ФКК 11 для генерации корректирующих кодов в объеме
к=
р–
инф, соответствующем числу слов корректирующих кодов в передаваемом сообщении. Затем по управляющим командам от БУК 10 производится модуляция задержки (фазы) последних шести импульсов в пачках импульсов навигационного сигнала передатчика 1 последовательно каждым из слов передаваемого сообщения, например, следующим образом.
С третьего выхода ФОС 4 на управляющий вход БУК 10 поступает импульс, соответствующий моменту окончания второго импульса из пачки импульсов навигационного сигнала. В БУК 10 устанавливается число символов, подлежащих передаче (
=n=24), и формируется команда на передачу первого из
инф
В БК 9 каждому слову из l=51 двоичных бит ставится в соответствие априори установленная комбинация из n×q=72 двоичных бит, где n=24 – число символов (импульсов, модулированных по задержке информацией), модулируемых кодом по основанию m=5; q=3 – три бита, описывающих состояние каждого из n символов в пятеричной системе (-1,4; -0,7; 0; +0,7; +1,4). Из БК 9 комбинация из n×q символов записывается в БПХ 8.
Со второго и третьего выходов ФОС 4 на вход импульса записи РКУ 6 и управляющий вход БУК 10 поступают следующие импульсы, по которым с выхода управляющего кода БПХ 8 первые три бита из n троек переписываются в РКУ 6. В БУК 10 при этом уменьшается на единицу число символов
, подлежащих передаче, и производится проверка условия
i=0.
При
i>0 БУК 10 вырабатывает команду на сдвиг в БПХ 8 записанной в нем комбинации на три бита, подготавливая модуляцию следующего импульса навигационного сигнала. Одновременно записанный в РКУ 6 управляющий код поступает на второй вход БС 7, где он сравнивается с текущим состоянием соответствующих разрядов Сч 5, на вход тактовых импульсов которого поступают импульсы с первого выхода ФОС 4, обеспечивая период пересчета Сч 5, равный интервалу следования импульсов в пачке импульсов навигационного сигнала передатчика 1. При совпадении состояний соответствующих разрядов Сч 5 и РКУ 6 на выходе БС 7 формируются импульсы, поступающие на вход задающих импульсов АПУ 3, который формирует на своем выходе навигационных сигналов очередной импульс из пачки импульсов навигационного сигнала передатчика 1. При этом изменение состояния q разрядов РКУ 6 обеспечивает сдвиг момента формирования очередного импульса в АПУ 3 с шагом 0,7 мкс в пределах ±1,4 мкс.
Таким образом осуществляется передача одного символа.
Затем описанная выше процедура передачи символа повторяется, обеспечивая последовательную передачу в радионавигационный канал посылки из шести модулированных импульсов.
При выполнении условия
i=18,12,6,0 БУК 10 передает в БПХ 8 команду на установку на его выходе управляющего кода начального кода, соответствующего несмещенному состоянию импульса в пачке импульсов навигационного сигнала, которое по очередному импульсу от ФОС 4 переписывается в РКУ 6, после чего ФОС 4 прекращает выдачу импульсов на вход тактовых импульсов Сч 5 – до начала формирования следующей пачки импульсов навигационного сигнала, а также на вход импульса записи РКУ 6 и управляющий вход БУК 10 – до окончания формирования второго импульса следующей пачки. При выполнении условия
i=0, что соответствует окончанию передачи строки из двадцати четырех символов (двоичного слова из пятидесяти одного бита), БУК 10 увеличивает на единицу устанавливаемое в нем число переданных слов (
i). Затем в БУК 10 последовательно проводятся проверки выполнения условий
i
инф и
i
р, где
р – полное число передаваемых слов, включающее собственно информационное сообщение (Р) и корректирующие коды (К).
Если
i<
инф, то при возобновлении поступления импульсов от ФОС 4 на управляющий вход БУК 10 вся описанная выше процедура передачи слова повторяется, причем из БЗС 12 в ФКК 11 и в БК 9 передается каждый раз слово из сообщения Р, номер которого задается величиной Ni=
i-1+1.
Если
i=
инф, что соответствует окончанию передачи информационного сообщения Р в общем сообщении М, то при возобновлении поступления импульсов из ФОС 4 в БУК 10 процедура передачи слова повторяется, но передача слов из БЗС 12 в ФКК 11 и в БК 9 прекращается и ФКК 11 по команде из БУК 10 переводится из режима формирования корректирующих кодов в режим пословной передачи этих кодов в БК 9.
Если
i=
р, то БУК 10 дает команду на обнуление ФКК 11, БЗЧС 14 и БУФК 13, устанавливает значение
=0 и передает в БЗС 12 разрешение на запись следующего сообщения, после чего вся описанная выше процедура передачи очередного сообщения повторяется.
Пачки импульсов навигационного сигнала, в каждой из которых шесть последних импульсов модулированы по задержке (фазе) указанным образом передаваемым сообщением, с выхода радиосигналов передатчика 1 по радионавигационному каналу поступают через вход радиосигналов приемника 2 на вход навигационного сигнала ППУ 15, который в соответствии с алгоритмами, описанными, например, в [16, с.121-142], производит обнаружение и слежение за принятым сигналом. При этом на выходе сигнального строба ППУ 15 формируются видеоимпульсы, соответствующие моментам приема в приемнике 2 маркерной позиции каждого отдельного импульса из состава пачки импульсов навигационного сигнала передатчика 1, а на выходе синхроимпульсов ППУ 15 формируются видеоимпульсы, отслеживающие осредненное на интервале слежения значение моментов приема маркерных позиций импульсов навигационного сигнала передатчика 1 и, следовательно, синхронизированных с периодом и моментами начала приема в приемнике 2 пачек импульсов навигационного сигнала передатчика 1. Под маркерной позицией понимается априори определенная позиция в каждом импульсе навигационного сигнала передатчика 1, на которой в приемнике 2 производится отсчет радионавигационного параметра.
Видеоимпульсы с выхода синхроимпульсов ППУ 15 подаются на вход сигнала синхроимпульсов ФТС 16, который формирует на тактовом выходе синхронизированные с этими видеоимпульсами тактовые импульсы, которые поступают на тактовый вход Сч 18 и обеспечивают формирование периода пересчета Сч 18, синхронного и синфазного с усредненными моментами приема в приемнике 2 маркерных позиций импульсов навигационного сигнала передатчика 1. Циклически изменяющийся код с выхода Сч 18 подается на информационный вход БФО 17, в котором при поступлении на его управляющий вход видеоимпульса с выхода сигнального строба ППУ 15 фиксируется текущее состояние соответствующих разрядов Сч 18. При этом на выходе БФО 17 формируется отсчет, пропорциональный задержке (-1,4; -0,7; 0; +0,7; +1,4 мкс) конкретного импульса из пачки относительно осредненных на интервале слежения моментов приема импульсов пачек навигационного сигнала передатчика 1.
Затем по управляющим командам от БУД 20 производится декодирование принятого сообщения, выделение и исправление ошибок в принятом сообщении и запись информационного сообщения, например, следующим образом.
По окончании третьего импульса из пачки импульсов навигационного сигнала с синхронизирующего выхода ФТС 16 на управляющий вход БУД 20 поступает импульс, под воздействием которого БУД 20 формирует команду на запись первого кода задержки импульса навигационного сигнала из БФО 17 в БХОП 19 и увеличивает на единицу число принятых кодов задержки
i. Затем в БУД 20 производится проверка условия
i
n=24, где n – длина строки сообщения.
Если
i<6, 12, 18, 24, то описанная выше процедура повторяется, обеспечивая последовательную запись в БХОП 19 кодов задержки шести последних импульсов из пачки импульсов навигационного сигнала.
Если
i=6, 12, 18, 24, то БУД 20 дает команду на передачу комбинаций из шести кодов задержки из БХОП 19 в БХОС 26, где при этом последовательно формируется комбинация из кодов задержек навигационных импульсов в пределах одной строки, состоящей из четырех посылок (пачек) по шесть импульсов в каждой.
Если
i=24, то БУД 20 дает команду на передачу комбинации кодов задержки из БХОС 26 в БД 21, где каждой такой строке ставится в соответствие априори установленная комбинация (слово) из l=51 двоичных бит. Полученное слово передается в БВН 27, где производится его анализ с целью обнаружения в начале слова преамбулы – специальной кодовой посылки, с которой в соответствии с [7] начинается информационное сообщение.
Если преамбула не обнаружена, то признак этого передается из БВН 27 в БУД 20, где в этом случае устанавливается значение
i=18 и формируется команда в БХОС 26, по которой в БХОС 26 стираются шесть кодов задержек, принятых первыми, остальные коды сдвигаются соответственно на шесть позиций вправо, после чего повторяются описанные выше процедуры приема кодов задержки последних шести импульсов из следующей пачки импульсов навигационного сигнала, формирования слова в БХОС 26 и обнаружения преамбулы.
Если преамбула обнаружена, то в БВН 27 выполняется процедура выделения числа информационных слов сообщения
инф, которое в соответствии с [7] передается в первом слове каждого сообщения, после чего признак обнаружения преамбулы и значение
инф передаются из БВН 27 в БУД 20 и в БУКС 24. В БУД 20 в соответствии с этим значением устанавливается априори заданное число слов полного передаваемого сообщения
р=
инф+
к, включающее информационные слова и корректирующие коды. В БУКС 24 в соответствии с величиной
инф устанавливается априори определенная команда управления структурой БКС 23. Эта команда передается в БКС 23, где в соответствии с ней перекоммутируются элементы БКС 23 для обеспечения обнаружения и исправления ошибок в передаваемом сообщении объемом
р слов. Затем БУД 20 увеличивает на единицу число принятых слов сообщения
i и дает команду на передачу слова принятого сообщения из БХОС 26 в БХПС 22, после чего БУД 20 устанавливает исходное значение числа принятых символов
i=0 и производит проверку условия
i
р.
Если
i<
р, то с началом приема в приемнике 2 следующей пачки импульсов навигационного сигнала от передатчика 1 описанная выше процедура приема слова и записи его в БХПС 22, исключая алгоритм поиска и обнаружения преамбулы, повторяется, причем номер записываемого в БХПС 22 слова задается величиной Ni=
i-1+1.
Если
i=
р, что соответствует окончанию приема полного сообщения М, то БУД 20 вырабатывает команду на передачу всего принятого сообщения из БХПС 22 в БКС 23, где в соответствии с алгоритмами, описанными, например, в [18, с.185-209], [19, с.315-337, 399-407], производится обнаружение и исправление ошибок в принятом сообщении. После окончания процедуры корректировки сообщения из БКС 23 в БУД 20 передается признак результата корректировки (РК).
Если РК=1, что обозначает либо отсутствие ошибок, либо исправление всех обнаруженных ошибок в принятом сообщении, то БУД 20 формирует команду, по которой информационная часть принятого сообщения (первые
инф слов) записываются из БКС 23 в ВБХ 25. Эта команда сопровождается записью в ВБХ 25 признака готовности сообщения, после чего в БУД 20 устанавливается исходное значение
i=0 и обнуляются БХОП 19, БХПС 22, БКС 23 и БХОС 26.
Если РК=-1, это означает, что число ошибок в принятом сообщении больше, чем позволяют исправить переданные в нем корректирующие коды. Тогда все описанные в предыдущем абзаце процедуры повторяются, но БУД 20 записывает в ВБХ 25 признак ошибочного приема сообщения.
Затем описанные выше процедуры приема очередного сообщения повторяются.
Таким образом, в системе-прототипе, описанной в [13], обеспечивается передача и прием информационных сообщений по радионавигационному каналу ИФРНС, при этом, в отличие от системы «EUROFIX», в результате использования предложенной пятиуровневой манипуляции обеспечивается эффективная скорость передачи информации Vэфф>50 бод, что соответствует рекомендациям [7].
Однако указанное повышение Vэфф обеспечивается в системе-прототипе при относительно невысокой помехоустойчивости. Этот недостаток системы-прототипа обуславливается несколькими факторами.
В первую очередь, следует отметить, что в системе-прототипе предусматривается работа с сообщениями переменной длины (
р=var). Это обуславливает необходимость реализации в приемнике 2 процедуры обнаружения начала сообщения (блок БВН 27) и, соответственно, включения в состав сообщений системы-прототипа преамбулы, обеспечивающей такое обнаружение. Процедура обнаружения в любом случае выполняется с вероятностью Робн<1, что приводит к снижению итоговой помехоустойчивости приема сообщений в системе-прототипе. Данный фактор является неотъемлемым атрибутом системы-прототипа. В то же время, в системах передачи информации, использующих сообщения постоянной (заданной) длины (например, в системе EUROFIX), использование процедуры обнаружения начала сообщения не является обязательным. В таких системах время начала очередного сообщения может быть определено расчетным путем с использованием момента передачи первого сообщения, которое может быть оговорено в интерфейсном протоколе системы.
В системе-прототипе предлагается использовать относительно небольшой шаг фазовой (временной) манипуляции 0,7 мкс, что так же отрицательно сказывается на помехоустойчивости системы-прототипа.
2,25×1015, что требует существенного увеличения затрат вычислительных ресурсов и приводит к увеличению времени декодирования.
Другим недостатком системы-прототипа является отсутствие возможности передачи сообщений в формате системы «EUROFIX».
Техническим результатом, на достижение которого направлено заявляемое изобретение, является устранение указанных недостатков системы-прототипа, а именно, обеспечение возможности работы в двух режимах – основном режиме с использованием пятиуровневой временной (фазовой) манипуляции и дополнительном режиме – в формате системы «EUROFIX» – с использованием трехуровневой временной (фазовой) манипуляции, с повышением помехоустойчивости передачи информации при работе в основном режиме при снижении затрат вычислительных ресурсов по отношению к прототипу.
Сущность заявляемого изобретения заключается в том, что в системе передачи и приема информационных сообщений по радионавигационному каналу ИФРНС, содержащей передатчик и приемник, причем передатчик содержит антенно-передающее устройство, вход задающих импульсов которого соединен с выходом блока сравнения, первый вход которого соединен с выходом счетчика, вход тактовых импульсов которого подключен к первому выходу формирователя опорных сигналов, второй выход которого соединен с входом импульсов записи регистра кода управления, выход которого подключен к второму входу блока сравнения, блок управления кодированием, информационный вход-выход которого шиной информационного обмена соединен с информационными входами-выходами передатчика, блока кодирования, формирователя корректирующих кодов, блока записи сообщений, блока записи числа строк сообщения, блока управления формированием корректирующих кодов и блока промежуточного хранения, выход управляющего кода которого соединен с соответствующим входом регистра кода управления, при этом выход навигационных сигналов антенно-передающего устройства является выходом радиосигналов передатчика, который радионавигационным каналом соединен с входом радиосигналов приемника, который содержит формирователь тактовых сигналов, вход сигнала синхронизации которого соединен с выходом синхроимпульсов приемно-преобразовательного устройства, выход сигнального строба которого подключен к управляющему входу блока формирования отсчета, информационный вход которого соединен с выходом счетчика, тактовый вход которого подключен к тактовому выходу формирователя тактовых сигналов, блок управления декодированием, информационный вход-выход которого шиной информационного обмена соединен с информационными входами-выходами приемника, блока декодирования, блока хранения принятого сообщения, блока корректировки сообщений, блока управления коррекцией сообщений, выходного блока хранения и блока хранения отсчетов пачки, кодовый вход которого подключен к выходу блока формирования отсчета, причем вход навигационных сигналов приемно-преобразовательного устройства является входом радиосигналов приемника, в отличие от прототипа, в передатчике управляющий вход блока управления кодированием и вход сообщений блока записи сообщений подключены к шине информационного обмена передатчика, а в приемнике управляющий вход блока управления декодированием и выход сообщений выходного блока хранения подключены к шине информационного обмена приемника, причем в передатчике формирователь корректирующих кодов выполнен в виде, обеспечивающем возможность формирования как циклических корректирующих кодов, так и групповых корректирующих кодов Рида-Соломона, и содержит коммутатор, первый выход которого соединен с информационным входом субблока формирования циклических корректирующих кодов, а второй выход – с информационным входом субблока формирования групповых корректирующих кодов Рида-Соломона, причем информационный и управляющий входы этого коммутатора, управляющие входы и информационные выходы этих субблоков соединены соответствующей шиной с информационным входом-выходом формирователя корректирующих кодов, а в приемнике блок корректировки сообщений выполнен в виде, обеспечивающем возможность обнаружения и исправления ошибок как с использованием групповых корректирующих кодов Рида-Соломона, так и с использованием циклических корректирующих кодов, и содержит коммутатор, первый выход которого соединен с информационным входом субблока коррекции сообщений с корректирующими кодами Рида-Соломона, а второй выход – с информационным входом субблока коррекции сообщений с циклическими корректирующими кодами, причем информационный и управляющий входы данного коммутатора, управляющие входы и информационные выходы данных субблоков соединены соответствующей шиной с информационным входом-выходом блока корректировки сообщений.
Сущность изобретения и возможность его осуществления поясняются чертежами и таблицей, представленными на фиг.1-5, где:
на фиг.1 представлена структурная схема системы-прототипа;
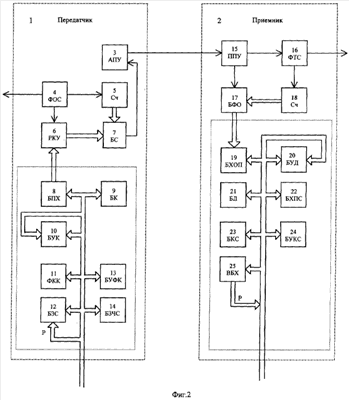
на фиг.2 – структурная схема заявляемой системы;
на фиг.3 – структурная схема формирователя корректирующих кодов заявляемой системы;
на фиг.4 – структурная схема блока корректировки сообщений заявляемой системы;
на фиг.5 – таблица, содержащая данные сравнительной оценки заявляемой системы и системы-прототипа.
Заявляемая система передачи и приема информационных сообщений по радионавигационному каналу ИФРНС содержит, см. фиг.2, передатчик 1 и приемник 2, связанные радионавигационным каналом.
В состав передатчика 1 (фиг.2) входят антенно-передающее устройство (АПУ) 3, формирователь опорных сигналов (ФОС) 4, счетчик (Сч) 5, регистр кода управления (РКУ) 6, блок сравнения (БС) 7, блок промежуточного хранения (БПХ) 8, блок кодирования (БК) 9, блок управления кодированием (БУК) 10, формирователь корректирующих кодов (ФКК) 11, блок записи сообщений (БЗС) 12, блок управления формированием корректирующих кодов (БУФК) 13 и блок записи числа строк сообщений (БЗЧС) 14. Информационные входы-выходы БПХ 8, БК 9, БУК 10, ФКК 11, БЗС 12, БУФК 13 и БЗЧС 14 соединены между собой шиной информационного обмена, которая подключена к информационному входу-выходу передатчика 1, служащему для присоединения к передатчику 1 периферийных устройств (на фиг.2 не показаны). С шиной информационного обмена передатчика 1 соединены также управляющий вход БУК 10 и вход сообщений БЗС 12. Выход навигационных сигналов АПУ 3 является выходом радиосигналов передатчика 1. Вход задающих импульсов АПУ 3 соединен с выходом БС 7, первый вход которого соединен с выходом Сч 5, а второй – с выходом РКУ 6. Вход тактовых импульсов Сч 5 подключен к первому выходу ФОС 4, второй выход которого соединен с входом импульсов записи РКУ 6. Вход управляющего кода РКУ 6 соединен с выходом управляющего кода БПХ 8. Третий выход ФОС 4, образующий выход синхронизирующих сигналов передатчика 1, при реализации системы подключается к управляющему входу периферийного устройства синхронизации передатчика, которое обеспечивает синхронизацию выполнения алгоритмов программно-математического обеспечения (ПМО) с временной диаграммой работы аппаратного обеспечения передатчика и формирует соответствующие команды управления блоками ПМО передатчика (на фиг.2 не показано).
В состав приемника 2 (фиг.2) входят приемно-преобразовательное устройство (ППУ) 15, формирователь тактовых сигналов (ФТС) 16, блок формирования отсчета (БФО) 17, счетчик (Сч) 18, блок хранения отсчетов пачки (БХОП) 19, блок управления декодированием (БУД) 20, блок декодирования (БД) 21, блок хранения принятого сообщения (БХПС) 22, блок корректировки сообщения (БКС) 23, блок управления коррекцией сообщения (БУКС) 24 и выходной блок хранения (ВБХ) 25. В отличие от системы-прототипа в состав приемника 2 заявляемой системы не входят показанные на фиг.1 блоки БХОС 26 и БВН 27, что обусловлено использованием в заявляемой системе сообщений постоянной (заданной) длины, характеристика которых дана ниже при описании работы заявляемой системы. Информационные входы-выходы БХОП 19, БУД 20, БД 21, БПХС 22, БКС 23, БУКС 24 и ВБХ 25 соединены между собой шиной информационного обмена, которая подключена к информационному входу-выходу приемника 2, служащему для присоединения к приемнику 2 периферийных устройств (на фиг.2 не показаны). С шиной информационного обмена приемника 2 соединены также управляющий вход БУД 20 и выход сообщений ВБХ 25. Кодовый вход БХОП 19 соединен с выходом БФО 17, управляющий вход которого соединен с выходом сигнального строба ППУ 15, а информационный вход – с выходом Сч 18. Тактовый вход Сч 18 подключен к первому тактовому выходу ФТС 16, вход сигнала синхронизации которого соединен с выходом синхроимпульсов ППУ 15. Вход навигационных сигналов ППУ 15 является входом радиосигналов приемника 2, который соединен радионавигационным каналом с выходом радиосигналов передатчика 1. Синхронизирующий выход ФТС 16, образующий выход синхронизирующих сигналов приемника 2, при реализации системы подключается к управляющему входу периферийного устройства синхронизации приемника, которое обеспечивает синхронизацию выполнения алгоритмов программно-математического обеспечения (ПМО) с временной диаграммой работы аппаратного обеспечения приемника и формирует соответствующие команды управления блоками ПМО приемника (на фиг.2 не показано).
В заявляемой системе ФКК 11, входящий в состав передатчика 1, выполнен в виде, обеспечивающем возможность формирования как циклических корректирующих кодов, так и групповых корректирующих кодов Рида-Соломона, и содержит (см. фиг.3) коммутатор 28, первый выход которого соединен с информационным входом субблока формирования циклических корректирующих кодов (ФЦК) 29, а второй выход – с информационным входом субблока формирования групповых корректирующих кодов Рида-Соломона (ФКРС) 30. Информационный и управляющий входы коммутатора 28, управляющие входы и информационные выходы ФЦК 29 и ФКРС 30 соединены соответствующей шиной с информационным входом-выходом ФКК 11.
В заявляемой системе БКС 23, входящий в состав приемника 2, выполнен в виде, обеспечивающем возможность обнаружения и исправления ошибок как с использованием групповых корректирующих кодов Рида-Соломона, так и с использованием циклических корректирующих кодов, и содержит (см. фиг.4) коммутатор 31, первый выход которого соединен с информационным входом субблока коррекции сообщений с корректирующими кодами Рида-Соломона (ККРС) 32, а второй выход – с информационным входом субблока коррекции сообщений с циклическими корректирующими кодами (КЦК) 33. Информационный и управляющий входы коммутатора 31, управляющие входы и информационные выходы КЦК 33 и ККРС 32 соединены соответствующей шиной с информационным входом-выходом БКС 23.
Все элементы заявляемой системы могут быть реализованы с использованием стандартных или известных блоков, устройств, систем.
В качестве АПУ 3, ФОС 4, Сч 5, РКУ 6 и БС 7 передатчика 1 могут быть использованы соответствующие блоки модульной передающей станции «Чайка-УМ», описанной в [14]. Остальные функциональные блоки передатчика 1 – БПХ 8, БК 9, БУК 10, ФКК 11, БЗС 12, БУФК 13 и БЗЧС 14 могут быть реализованы средствами вычислителя центрального пульта управления [14] с использованием соответствующих пользовательских программ в составе его программно-математического обеспечения. Алгоритмы, реализующие функции соответствующих блоков, рассмотрены ниже при описании работы заявляемой системы.
Шины информационного обмена и соответствующие входы-выходы функциональных блоков передатчика 1 и приемника 2 могут быть реализованы в виде системной шины ЭВМ типа класса ISA или PSA.
Вход управляющего кода РКУ 6 и соответствующий ему выход БПХ 8, а также выход БФО 17 и соответствующий ему кодовый вход БХОП 19 могут быть выполнены с использованием интерфейса типа S-232, или по ГОСТ 18977-79, или по ГОСТ 26765.52-87. Информационные входы-выходы передатчика 1 и приемника 2 могут быть реализованы с использованием стандартных СОМ-портов типа RS-232.
Заявляемая система работает следующим образом.
В соответствии со стандартными процедурами, описанными, например, в [14], [15, с.311-319], [16, разд. 2.4, 3.2, 3.3, гл.4], передатчик 1 формирует на своем выходе радиосигналов периодически следующие пачки импульсов навигационного сигнала, которые по радионавигационному каналу поступают на вход радиосигналов приемника 2. При этом передача информационных сообщений осуществляется путем модуляции задержки (фазы) последних шести импульсов в пачках импульсов навигационного сигнала последовательно каждым из слов передаваемого сообщения.
В заявляемой системе используются комбинации с нулевой суммой индексов модуляции в пределах слова (символа), передаваемого шестью последними импульсами в каждой пачке навигационного сигнала (n=6) при основании кода модуляции m=5 (-2; -1; 0; +1; +2 мкс) в основном режиме или m=3 (-1; 0; +1 мкс) в режиме «EUROFIX». Величина временного сдвига между соседними позициями в алфавите сигнала (минимальное энергетическое расстояние) d=1,0 мкс. Полное число допустимых комбинаций: при трехуровневом кодировании в режиме «EUROFIX» – Ao(3,6)
141, что позволяет передать с помощью одного слова (символа) семь бит информации (27<141); при пятиуровневом кодировании в основном режиме – Ао(5,6)
1751, что позволяет передать с помощью одного слова (символа) десять бит информации (210=1024<1751). При этом эффективная скорость передачи информации в основном режиме, как и в прототипе, соответствует рекомендациям [7], т.е. Vэфф>50 бод.
В заявляемой системе каждое передаваемое по радионавигационному каналу полное сообщение (M) имеет фиксированный объем и содержит информационную часть (Р) и корректирующие коды (К).
При работе в режиме «EUROFIX» М=Р+К=Р+CRC+RC=30 слов=210 бит, где Р – полезная информация (Р=8 слов=56 бит); К=CRC+RC – корректирующие коды (К=22 слова=154 бит); CRC – циклический корректирующий код (CRC=2 слова=14 бит); RC – корректирующий код Рида-Соломона (RC=20 слов=140 бит).
При работе в основном режиме М=Р+К=Р+RC=42 слова=420 бит, где Р – полезная информация (Р=22 слова=220 бит); К=RC – корректирующий код Рида-Соломона (RC=20 слов=200 бит).
Передача информационного сообщения начинается с того, что в БУК 10 по шине информационного обмена с информационного входа-выхода передатчика 1 поступает команда, определяющая режим работы системы – основной с пятиуровневым кодированием или дополнительный («EUROFIX») с трехуровневым кодированием. В соответствии с этой командой в БУК 10 устанавливается априори заданное число слов полного передаваемого сообщения (M)
р, включающее информационные слова (
инф) и корректирующие коды (К)
к, а также производятся начальные установки в БК 9, ФКК 11 и БУФК 13. В частности, в БУФК 13 устанавливается априори определенная команда управления структурой ФКК 11. Эта команда передается в ФКК 11, где в соответствии с ней перекоммутируются элементы ФКК 11 для генерации соответствующих корректирующих кодов. Так, в режиме «EUROFIX» в ФКК 11 (фиг.3) информационный вход коммутатора 28 соединяется одновременно с его первым и вторым выходами, которые подключены к информационным входам ФЦК 29 и ФКРС 30. При работе в основном режиме информационный вход коммутатора 28 соединяется только с его вторым выходом, подключенным к информационному входу ФКРС 30.
Подлежащая передаче полезная информация, поступающая с информационного входа-выхода передатчика 1, записывается (при наличии разрешения на запись) в БЗС 12 в виде блока из
инф слов. В соответствии с заданным режимом работы каждое слово содержит семь (режим «EUROFIX») или десять (основной режим) бит. Одновременно общее число подлежащих передаче информационных слов (
сооб) записывается в БЗЧС 14. Затем по управляющим командам, формируемым БУК 10, производится модуляция задержки (фазы) последних шести импульсов в пачках импульсов навигационного сигнала передатчика 1 последовательно каждым из слов передаваемого сообщения, например, следующим образом.
На управляющий вход БУК 10 по шине информационного обмена поступает команда, соответствующая окончанию второго импульса из пачки импульсов навигационного сигнала, сформированная периферийным устройством синхронизации передатчика 1 (на фиг.2 не показано) по сигналу, поступающему с третьего выхода ФОС 4. По этой команде в БУК 10 устанавливается число импульсов, подлежащих модуляции (
=n=6), и формируется команда на передачу первого из
инф слов из БЗС 12 в ФКК 11 и БК 9. В ФКК 11 начинается формирование корректирующих кодов в соответствии с алгоритмами, описанными, например, в [12] (в режиме «EUROFIX») или [18, с.128-133, 224-231, 435-446], [19, с.304-310, 391-398] (в основном режиме).
В БК 9 каждому слову из l=10 (основной режим) или l=7 (режим «EUROFIX») двоичных бит ставится в соответствие априори установленная комбинация из n×q=18 двоичных бит, где n=6 – число импульсов, модулируемых кодом по основанию m=5 (основной режим) или m=3 (режим «EUROFIX»); q=3 – три бита, описывающих состояние каждого из n импульсов в пятеричной (-2; -1; 0; +1; +2) (основной режим) или троичной (-1; 0; +1) (режим «EUROFIX») системе. Из БК 9 комбинация из n×q кодов записывается в БПХ 8.
Со второго выхода ФОС 4 на вход импульсов записи РКУ 6 поступают импульсы, по которым с выхода управляющего кода БПХ 8 первые три бита из n троек переписываются в РКУ 6. В БУК 10 при этом уменьшается на единицу число подлежащих модуляции импульсов
и производится проверка условия
i=0.
При
i>0 БУК 10 вырабатывает команду на сдвиг в БПХ 8 записанной в нем комбинации на три бита, подготавливая модуляцию следующего импульса навигационного сигнала. Одновременно, записанный в РКУ 6 управляющий код поступает на второй вход БС 7, где он сравнивается с текущим состоянием соответствующих разрядов Сч 5, на вход тактовых импульсов которого поступают импульсы с ФОС 4, обеспечивая период пересчета Сч 5, равный интервалу следования импульсов в пачке импульсов навигационного сигнала передатчика 1. При совпадении состояний соответствующих разрядов Сч 5 и РКУ 6 БС 7 формирует импульсы, поступающие на вход задающих импульсов АПУ 3, который формирует на своем выходе навигационных сигналов очередной импульс из пачки импульсов навигационного сигнала передатчика 1. При этом изменение состояния q разрядов РКУ 6 обеспечивает сдвиг момента формирования очередного импульса в АПУ 3 с шагом 1,0 мкс в пределах ±2,0 мкс в основном режиме при пятиуровневой манипуляции и в пределах ±1,0 мкс в режиме «EUROFIX» при трехуровневой манипуляции.
Таким образом осуществляется модуляция одного импульса.
Затем описанная выше процедура повторяется, обеспечивая последовательную передачу в радионавигационный канал посылки из шести модулированных импульсов.
При выполнении условия
i=0 БУК 10 передает в БПХ 8 команду на установку на его выходе управляющего кода начального кода, соответствующего несмещенному состоянию импульса в пачке импульсов навигационного сигнала, которое по очередному импульсу от ФОС 4 переписывается в РКУ 6, после чего ФОС 4 прекращает выдачу импульсов на вход тактовых импульсов Сч 5 – до момента начала формирования следующей пачки импульсов навигационного сигнала, а на вход импульсов записи РКУ 6 – до момента окончания формирования второго импульса следующей пачки. Кроме того, при выполнении условия
i=0, что соответствует окончанию передачи посылки из шести элементов (слова из l=10 (или 7) двоичных бит), БУК 10 увеличивает на единицу устанавливаемое в нем число переданных слов (
i) и уменьшает на единицу число слов
сооб, которое хранится в БЗЧС 14. Затем в БУК 10 последовательно проводятся проверки выполнения условий
i
инф и
i
р, где
р – полное число передаваемых слов в заявляемой системе, включающее собственно информационное сообщение (Р) и корректирующие коды (К), а для случая работы в режиме «EUROFIX» дополнительно проверяется условие
i
инф+2.
Если
i<
инф, то по окончании второго импульса из очередной пачки импульсов навигационного сигнала вся описанная выше процедура передачи слова повторяется, причем из БЗС 12 в ФКК 11 и в БК 9 передается каждый раз слово с номером Ni=
i-1+1 из сообщения Р.
Если
i=
инф, что соответствует окончанию передачи информационной части Р полного сообщения М, то при возобновлении поступления импульсов из ФОС 4 в БУК 10 процедура передачи слова повторяется, но передача слов из БЗС 12 в ФКК 11 и БК 9 прекращается.
При работе в режиме «EUROFIX» в ФКК 11 (фиг.3) по команде из БУК 10 коммутатор 28 отключает свой первый выход от информационного входа, при этом ФЦК 29 переводится из режима формирования корректирующих кодов в режим пословной передачи этих кодов в БК 9. При этом каждое из слов с выхода ФЦК 29 через коммутатор 28 поступает на информационный вход ФКРС 30, который продолжает формирование семиразрядных слов (символов) корректирующего кода Рида-Соломона (CRC). После передачи двух слов (14 бит) циклического кода CRC в БУК 10 обеспечивается выполнение условия
i=
инф+2 и формируется команда на передачу в БК 9 слов корректирующего кода с выхода ФКРС 30.
При работе в основном режиме после выполнения условия
i=
инф на вход БК 9 подаются десятиразрядные слова (символы) корректирующего кода Рида-Соломона.
Если
i=
р, то БУК 10 дает команду на обнуление ФКК 11, БЗЧС 14 и БУФК 13, устанавливает значение
=0 и проверяет в БЗЧС 14 выполнение условия
сооб
0.
Если
сооб>0, то процедура передачи очередного полного сообщения М повторяется с использованием не переданных ранее слов из числа слов, записанных в БЗС 12.
Если
сооб=0, то БУК 10 передает в БЗС 12 разрешение на запись следующего сообщения, после чего вся описанная выше процедура передачи очередного полного сообщения М повторяется с новыми данными.
Пачки импульсов навигационного сигнала, в каждой из которых шесть последних импульсов модулированы по задержке (фазе) указанным образом информационным сообщением, с выхода радиосигналов передатчика 1 по радионавигационному каналу поступают через вход радиосигналов приемника 2 на вход навигационного сигнала ППУ 15, который в соответствии с алгоритмами, описанными, например, в [16, с.121-142], производит обнаружение и слежение за принятым сигналом. При этом на выходе сигнального строба ППУ 15 формируются видеоимпульсы, соответствующие моментам приема в приемнике 2 маркерной позиции каждого отдельного импульса из состава пачки импульсов навигационного сигнала передатчика 1, а на выходе синхроимпульсов ППУ 15 формируются видеоимпульсы, отслеживающие осредненное на интервале слежения значение моментов приема маркерных позиций импульсов навигационного сигнала передатчика 1 и, следовательно, синхронизированных с периодом и моментами начала приема в приемнике 2 пачек импульсов навигационного сигнала передатчика 1. Под маркерной позицией понимается априори определенная позиция в каждом импульсе навигационного сигнала передатчика 1, на которой в приемнике 2 производится отсчет радионавигационного параметра.
Видеоимпульсы с выхода синхроимпульсов ППУ 15 подаются на вход сигнала синхронизации ФТС 16, который формирует на своем тактовом выходе синхронизированные с этими видеоимпульсами тактовые импульсы, которые поступают на тактовый вход Сч 18 и обеспечивают формирование периода пересчета Сч 18, синхронного и синфазного с усредненными моментами приема в приемнике 2 маркерных позиций импульсов навигационного сигнала передатчика 1. Циклически изменяющийся код с выхода Сч 18 подается на информационный вход БФО 17, в котором при поступлении на его управляющий вход видеоимпульса с выхода сигнального строба ППУ 15 фиксируется текущее состояние соответствующих разрядов Сч 18.
При этом на выходе БФО 17 формируется отсчет, пропорциональный задержке (-2; -1; 0; +1; +2 мкс) конкретного импульса из пачки относительно осредненных на интервале слежения моментов приема импульсов пачек навигационного сигнала передатчика 1.
Затем по управляющим командам от БУД 20 производится декодирование принятого сообщения, выделение и исправление ошибок в принятом сообщении и запись информационной части сообщения, например, следующим образом.
Перед началом приема информационных сообщений в БУД 20 по шине информационного обмена с информационного входа-выхода приемника 2 поступает команда, характеризующая режим работы системы – основной с пятиуровневым кодированием или дополнительный («EUROFIX») с трехуровневым кодированием. В соответствии с этой командой в БУД 20 устанавливается априори заданное число слов полного передаваемого сообщения (М)
р, включающее информационные слова (Р)
инф и корректирующие коды (К)
к. Кроме этого производятся начальные установки в БД 21, БКС 23 и БУКС 24. В частности, в БУКС 24 устанавливается априори определенная команда управления структурой БКС 23. Эта команда передается в БКС 23 (фиг.4), где в соответствии с ней информационный вход коммутатора 31 подключается к своему первому выходу, соединенному с информационным входом ККРС 32.
По окончании третьего импульса из пачки импульсов навигационного сигнала на управляющий вход БУД 20 по шине информационного обмена приемника 2 поступает команда, сформированная периферийным устройством синхронизации приемника 2 (на фиг.2 не показано) по сигналу, поступающему с синхронизирующего выхода ФТС 16. По этой команде БУД 20 формирует команду на запись первого кода задержки импульса навигационного сигнала из БФО 17 в БХОП 19 и увеличивает на единицу число принятых кодов задержки
i. Затем в БУД 20 производится проверка условия
i
n=6, где n – длина строки сообщения.
Если
i<6, то описанная выше процедура повторяется, обеспечивая запись в БХОП 19 кодов задержки шести последних импульсов из пачки импульсов навигационного сигнала.
Если
i=6, то БУД 20 дает команду на передачу комбинации кодов задержки из БХОП 19 на вход БД 21, где каждой такой комбинации ставится в соответствие априори слово (символ) из семи (в режиме «EUROFIX») или десяти (в основном режиме) бит. Полученное слово передается в БХПС 22, в БУД 20 увеличивается на единицу число принятых слов сообщения
i, после чего БУД 20 устанавливает исходное значение числа принятых символов
i=0 и производит проверку условия
i
р.
Если
i<
р, то с началом приема в приемнике 2 следующей пачки импульсов навигационного сигнала от передатчика 1 описанная выше процедура приема слова и записи его в БХПС 22 повторяется, а номер записываемого в БХПС 22 слова задается величиной Ni=
i-1+1.
Если
i=
р, что соответствует окончанию приема полного сообщения, то БУД 20 вырабатывает команду на передачу всего принятого сообщения из БХПС 22 в БКС 23, где в соответствии с алгоритмами, описанными, например, в [18, с.185-209], [19, с.315-337, 399-407] производится обнаружение и исправление ошибок в принятом сообщении. После окончания процедуры корректировки сообщения из БКС 23 в БУД 20 передается признак результата корректировки (РК).
Если РК=-1, это означает, что число ошибок в принятом сообщении больше, чем позволяют исправить переданные в нем корректирующие коды Рида-Соломона. Тогда БУД 20 записывает в ВБХ 25 признак ошибочного приема сообщения. Затем в БУД 20 устанавливается исходное значение
i=0 и обнуляются БХОП 19, БХПС 22 и БКС 23, после чего все описанные выше процедуры приема сообщения повторяются.
Если РК=1, что обозначает либо отсутствие ошибок, либо исправление всех обнаруженных ошибок в принятом сообщении, то, в случае работы в основном режиме, БУД 20 формирует команду, по которой информационная часть принятого сообщения (первые
инф=20 десятиразрядных слов) записываются из БКС 23 в ВБХ 25, в котором при этом устанавливается признак готовности сообщения. Затем в БУД 20 устанавливается исходное значение
i=0, обнуляются БХОП 19, БХПС 22, БКС 23 и проводятся процедуры приема следующего сообщения.
Если РК=1 и система работает в режиме «EUROFIX», то БУД 20 формирует команду, в соответствии с которой в БКС 23 под управлением БУКС 24 информационный вход коммутатора 31 подключается к своему второму выходу, соединенному с информационным входом КЦК 33 (фиг.4). Затем первые
инф
При отрицательном результате проверки БУД 20 записывает в ВБХ 25 признак ошибочного приема сообщения. Затем в БУД 20 устанавливается исходное значение
i=0 и обнуляются БХОП 19, БХПС 22 и БКС 23, после чего все описанные выше процедуры приема сообщения повторяются.
При положительном исходе дополнительной проверки информационная часть принятого сообщения (первые
инф=8 семиразрядных слов) записываются из БКС 23 в ВБХ 25, в котором при этом устанавливается признак готовности сообщения. Затем в БУД 20 устанавливается исходное значение
i=0, обнуляются БХОП 19, БХПС 22, БКС 23 и проводятся процедуры приема следующего сообщения.
Таким образом, в заявляемой системе обеспечивается возможность работы в двух режимах – основном режиме с использованием пятиуровневой временной (фазовой) манипуляции и дополнительном режиме – в формате системы «EUROFIX» – с использованием трехуровневой временной (фазовой) манипуляции. Как следует из представленного выше описания заявляемой системы, при ее работе используются, в отличие от системы-прототипа, сообщения постоянной (заданной) длины, что позволяет, по сравнению с системой-прототипом, исключить выполнение процедуры обнаружения начала сообщения. Данное обстоятельство, наряду с другими факторами (в частности, выборе большего шага временной манипуляции) приводит к тому, что работа в основном режиме заявляемой системы характеризуется повышением помехоустойчивости передачи информации по отношению к системе-прототипу.
Данные, характеризующие заявляемую систему и систему-прототип, в том числе по помехоустойчивости, приведены в таблице, представленной на фиг.5. В соответствии с методикой [21] помехоустойчивость оценивалась при одинаковом воздействии распределенных шумов (случайных шумов естественного и искусственного происхождения, мощность которых распределяется приблизительно равномерно как по времени, так и в рабочем частотном диапазоне), в условиях передачи одинаковых объемов информации (Wинф) с примерно равной эффективной скоростью (Vэфф). В качестве критерия оценки помехоустойчивости было принято минимальное значение отношения сигнал/шум (q), при котором выполняется условие Рпр(с)
0,9999, где Рпр(с) – вероятность правильной передачи информации. Из анализа данных таблицы видно, что заявляемая система, как и система-прототип, обеспечивает эффективную скорость передачи информации, удовлетворяющую рекомендациям [7] (Vэфф>50 бод), при этом, по отношению к системе-прототипу, помехоустойчивость заявляемой системы выше примерно в 1,6 раза.
По сравнению с системой-прототипом, заявляемая система требует меньших вычислительных затрат при снижении требований к быстродействию вычислительных средств. Объясняется это существенной разницей в объемах рабочих алфавитов этих систем.
Так, в системе-прототипе, как указано выше, при использовании поблочного декодирования объем рабочего алфавита составляет Апр
2,25×1015, что приводит к увеличению затрат вычислительных ресурсов и повышает требования к быстродействию вычислительных средств как в передатчике, так и, особенно, в приемнике системы-прототипа. В заявляемой системе, в отличие от системы-прототипа, объем рабочего алфавита Аз.с.=1024, что примерно в 2×1012 раз меньше. В результате, реализация заявляемой системы требует существенно меньших, чем в системе-прототипе, затрат вычислительных ресурсов, уменьшается время, необходимое для кодирования и декодирования передаваемых сообщений, снижаются требования к быстродействию вычислительных средств.
Из рассмотренного следует, что заявляемое изобретение при своем осуществлении обеспечивает достижение заявленного технического результата, а именно, обеспечивает возможность работы системы передачи и приема информационных сообщений по радионавигационному каналу ИФРНС в двух режимах – основном режиме с использованием пятиуровневой временной (фазовой) манипуляции, обеспечивающей выполнение рекомендаций [7] по эффективной скорости передачи информации, и дополнительном режиме – в формате системы «EUROFIX» – с использованием трехуровневой временной (фазовой) манипуляции. При этом, по отношению к системе-прототипу, повышается помехоустойчивость системы, сокращаются затраты вычислительных ресурсов и уменьшается время, необходимое для кодирования и декодирования передаваемых сообщений.
Следует также отметить, что заявляемая система обеспечивает реализацию и других вариантов передачи и приема информации по радионавигационному каналу ИФРНС с трехуровневой и пятиуровневой временной (фазовой) манипуляцией сигнала.
Источники информации
1. Loran-C User Handbook, USCG COMDTINST M16562.3, May 1980, Washington, DC 20402.
2. Specification of the Transmitted Loran-C signal, USCG COMDTINST M16562.4, July 1981, Washington, DC 20593.
7. RTCM Recommended Standards for Differential NAVSTAR GPS Service. Version 2.2, January 3, 1996.
8. Commanding Officer, EECEN, Project W0709-A4, Phase Modulation Evaluation (series), February 1974-February 1976.
nd International Symposium on Integration of Loran-C/Eurofix and EGNOS/GALILEO, Bonn, Germany, February 2001.
12. International Telecommunication Union Recommendation ITU-R M.589-3, March, 2005.
13. RU №2158933 (C1), G01S 1/02, G01S 1/20, G01S 5/00, опубл. 10.11.2000.
Система передачи и приема информационных сообщений по радионавигационному каналу импульсно-фазовой радионавигационной системы, содержащая передатчик и приемник, причем передатчик содержит антенно-передающее устройство, вход задающих импульсов которого соединен с выходом блока сравнения, первый вход которого соединен с выходом счетчика, вход тактовых импульсов которого подключен к первому выходу формирователя опорных сигналов, второй выход которого соединен с входом импульсов записи регистра кода управления, выход которого подключен к второму входу блока сравнения, блок управления кодированием, информационный вход-выход которого шиной информационного обмена соединен с информационными входами-выходами передатчика, блока кодирования, формирователя корректирующих кодов, блока записи сообщений, блока записи числа строк сообщения, блока управления формированием корректирующих кодов и блока промежуточного хранения, выход управляющего кода которого соединен с соответствующим входом регистра кода управления, при этом выход навигационных сигналов антенно-передающего устройства является выходом радиосигналов передатчика, который радионавигационным каналом соединен с входом радиосигналов приемника, который содержит формирователь тактовых сигналов, вход сигнала синхронизации которого соединен с выходом синхроимпульсов приемно-преобразовательного устройства, выход сигнального строба которого подключен к управляющему входу блока формирования отсчета, информационный вход которого соединен с выходом счетчика, тактовый вход которого подключен к тактовому выходу формирователя тактовых сигналов, блок управления декодированием, информационный вход-выход которого шиной информационного обмена соединен с информационными входами-выходами приемника, блока декодирования, блока хранения принятого сообщения, блока корректировки сообщений, блока управления коррекцией сообщений, выходного блока хранения и блока хранения отсчетов пачки, кодовый вход которого подключен к выходу блока формирования отсчета, причем вход навигационных сигналов приемно-преобразовательного устройства является входом радиосигналов приемника, отличающаяся тем, что в передатчике управляющий вход блока управления кодированием и вход сообщений блока записи сообщений подключены к шине информационного обмена передатчика, а в приемнике управляющий вход блока управления декодированием и выход сообщений выходного блока хранения подключены к шине информационного обмена приемника, причем в передатчике формирователь корректирующих кодов выполнен в виде, обеспечивающем возможность формирования как циклических корректирующих кодов, так и групповых корректирующих кодов Рида-Соломона; и содержит коммутатор, первый выход которого соединен с информационным входом субблока формирования циклических корректирующих кодов, а второй выход – с информационным входом субблока формирования групповых корректирующих кодов Рида-Соломона, причем информационный и управляющий входы этого коммутатора, управляющие входы и информационные выходы этих субблоков соединены соответствующей шиной с информационным входом-выходом формирователя корректирующих кодов, а в приемнике блок корректировки сообщений выполнен в виде, обеспечивающем возможность обнаружения и исправления ошибок как с использованием групповых корректирующих кодов Рида-Соломона, так и с использованием циклических корректирующих кодов, и содержит коммутатор, первый выход которого соединен с информационным входом субблока коррекции сообщений с корректирующими кодами Рида-Соломона, а второй выход – с информационным входом субблока коррекции сообщений с циклическими корректирующими кодами, причем информационный и управляющий входы данного коммутатора, управляющие входы и информационные выходы данных субблоков соединены соответствующей шиной с информационным входом-выходом блока корректировки сообщений.