Изобретение относится к области испытаний, преимущественно, к способам определения перемещения объекта под действием различных сил при одновременном воздействии на объект теплового потока. Сущность изобретения заключается в том, что в способе, основанном на соединении выбранной точки объекта механической связью с датчиком перемещений и определении перемещения по показаниям датчика, выбранную точку соединяют дополнительной связью еще с одним датчиком, который устанавливают вплотную к первому датчику. При этом механические связи выполняют из материалов с различными температурными коэффициентами линейного расширения, а перемещения определяют по показаниям обоих датчиков с учетом температурных коэффициентов линейного расширения указанных связей. Предлагаемый способ убирает паразитное влияние теплового удлинения механических связей на точность измерений. 2 з.п. ф-лы, 1 ил.
Изобретение относится к области испытаний, в частности к способам определения перемещения объектов под действием различных сил при одновременном воздействии на объект теплового потока, например, при теплопрочностных испытаниях объектов авиационной техники.
Известны способы бесконтактного определения перемещения объекта, основанные на использовании оптических или емкостных датчиков.
Известен также способ определения перемещения объекта, основанный на соединении выбранной точки объекта механической связью с датчиком перемещения и определении перемещений по показаниям этого датчика [1, стр.146].
Этот способ наиболее прост и дешев, поскольку в качестве датчиков можно использовать недорогие и компактные потенциометрические датчики, а в качестве механических связей – просто проволоку. Этот способ наиболее близок к предлагаемому способу и выбран в качестве прототипа.
Недостатком известного способа является невысокая точность в определении перемещения объекта в условиях воздействия на объект теплового потока.
Это обусловлено тем, что тепловой поток, нагревая до заданных температур объект, одновременно нагревает и механические связи датчиков и выбранных точек объекта. Вследствие этого нагрева механические связи будут удлиняться.
Действительно, измеренное датчиком перемещение
точек объекта равно сумме фактического перемещения
и величины температурного линейного расширения механической связи
=
+l·KT·
T,
где: l – длина механической связи в зоне нагрева;
КT – температурный коэффициент линейного расширения механической связи;
T – разность температур в конце и в начале теплового нагрева механической связи.
Расчет прироста длины связи вследствие ее нагрева сложен, поскольку требует температурных измерений, и характерен существенными ошибками в силу неравномерного в общем случае распределения температур вдоль связи.
При создании изобретения стояла задача повышения точности измерений путем исключения влияния температурного линейного расширения механической связи датчика и объекта.
Поставленная задача решается тем, что в способе определения перемещения объекта, основанном на соединении выбранной точки объекта механической связью с датчиком перемещений и определении перемещения по показаниям датчика, выбранную точку соединяют дополнительной связью еще с одним датчиком, который устанавливают вплотную к первому датчику, при этом механические связи выполняют из материалов с различными температурными коэффициентами линейного расширения, а перемещение определяют по показаниям обоих датчиков с учетом температурных коэффициентов линейного расширения указанных связей.
В качестве механических связей выбирают вольфрамовую и нихромовую проволоки.
При этом нихромовую проволоку выполняют из сплава 2Х13Н16Б, а перемещение определяют из соотношения
=1,35·
1-0,35·
2,
где
– фактическое перемещение выбранной точки объекта;
1 – показания первого датчика со связью из вольфрамовой проволоки;
2 – показания дополнительного датчика со связью из нихромового сплава 1Х13Н16Б.
Для подтверждения обоснованности предлагаемого способа запишем выше представленные зависимости для обоих датчиков
1=
+l·КT1·
T
2=
+l·КT2·
T.
Поскольку в предлагаемом способе связи располагают рядом, а длины их принимают равными, то исключая из этой системы уравнений произведение l·КT, получаем следующее выражение для искомой величины перемещения

Из этого выражения видно, что в качестве материалов механических связей необходимо брать материалы с различными, желательно существенно различными, температурными коэффициентами линейного расширения.
А кроме того, поскольку предлагаемый способ предназначен преимущественно для объектов авиационной техники, нагреваемых до 200…1000°С, то целесообразно выбирать механические связи из достаточно теплостойких материалов. В качестве таких материалов наиболее подходит вольфрам и нихром, температурные коэффициенты линейного расширения которых представлены в частности в [2, стр.239].
Температурные коэффициенты линейного расширения материалов несколько изменяются при изменении температуры. Оптимальным было бы обеспечение постоянства соотношения
во всем требуемом интервале температур. Анализ материалов по различным нихромовым сплавам [2, стр.239] показал, что наиболее подходящим с этой точки зрения является сплав 1Х13Н16Б. Для вольфрама и нихромового сплава 1Х13Н16Б соотношение
практически постоянно и равно 0,35 в диапазоне температур 200…1000°С.
Таким образом, для выбранных материалов перемещение точки объекта определится по показаниям двух датчиков следующим образом:
=1,35·
1-0,35·
2
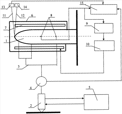
Сущность заявляемого способа поясняется схемой теплопрочностных испытаний носового обтекателя ракеты, в процессе проведения которых он был реализован (чертеж).
На силовой колонне закреплен объект испытаний 1.
К силовому полу прикреплен гидравлический силовозбудитель 2, передающий нагрузку на объект испытаний с помощью рычажной системы 3 через тензодинамометр 4. Силовозбудитель 2 управляется блоком статического нагружения 5.
Вокруг объекта испытаний установлен отражатель 6, внутри которого закреплены нагреватели в виде галогенных ламп накаливания 7. На наружной поверхности объекта испытаний 1 закреплены термопары 8. Управление нагревом осуществляется блоком нагрева 9 и тиристорным блоком 10.
На объекте испытаний 1 закреплены вольфрамовая и нихромовая проволоки 11, 12, проходящие через технологическое отверстие в отражателе 6 к датчикам 13 и 14 соответственно (крепление последних не показано).
Датчики 13, 14, термопары 8 и тензодинамометр 4 электрически соединены с блоком записи 15.
Предлагаемый способ реализуется следующим образом.
После размещения всего оборудования выбирают точку на объекте испытаний 1, перемещение которой необходимо определить. На этой точке закрепляют концы вольфрамовой и нихромовой (из сплава 1Х13Н16Б) проволок 11, 12 и пропускают их через технологическое отверстие в корпусе отражателя 6. Напротив этого отверстия вплотную друг к другу устанавливают потенциометрические датчики 13, 14 и соединяют их подвижные части с проволоками 11 и 12. Ходовые части датчиков подпружинены и держат проволоки 11, 12 постоянно натянутыми.
С помощью блоков 5, 9, 10 осуществляют нагружение заданной нагрузкой объекта испытаний 1 и необходимый уровень его нагрева. Показания датчиков перемещений 13 и 14 регистрируют в блоке записи 15 вместе с данными термопар 8 и тензодинамометра 4.
Истинное перемещение выбранной точки объекта испытаний определяют из равенства
=1,35·
13-0,35·
14,
где
13 – показания датчика перемещения 13;
14 – показания датчика перемещения 14.
Итак, введение дополнительной механической связи из материала с другим температурным коэффициентом линейного расширения, нежели у исходной первой механической связи, вместе с использованием второго датчика, вышеуказанным образом установленного, дает принципиальную возможность убрать влияние теплового удлинения механических связей объекта и датчиков.
Выбор конкретных вышепредставленных материалов для механических связей позволил резко упростить определение перемещений объекта и обойтись в итоге одним выражением для всего температурного диапазона.
Источники информации
1. Электрические измерения неэлектрических величин. Р.Тиль, – М; Энергоиздат, 1987-192 с.
2. Физические величины. Справочник. / А.П.Бабичев, А.А.Братковский и др. / Под редакцией И.С.Григорьева, Е.З.Мейлихова – М; Энергоиздат, 1991 – 1232 с.
1. Способ определения перемещения объекта, основанный на соединении выбранной точки объекта механической связью с датчиком перемещений и определении перемещения по показаниям датчика, отличающийся тем, что выбранную точку объекта соединяют дополнительной связью еще с одним датчиком, который устанавливают вплотную к первому датчику, при этом механические связи выполняют из материалов с различными температурными коэффициентами линейного расширения, а перемещение определяют по показаниям обоих датчиков с учетом температурных коэффициентов линейного расширения указанных связей.
2. Способ по п.1, отличающийся тем, что в качестве механических связей выбирают вольфрамовую и нихромовую проволоки.
3. Способ по п.2, отличающийся тем, что нихромовую проволоку выполняют из сплава 1Х13Н16Б, а перемещение определяют из соотношения