|
|
(21), (22) Заявка: 2006109196/06, 23.03.2006
(24) Дата начала отсчета срока действия патента:
23.03.2006
(43) Дата публикации заявки: 27.09.2007
(46) Опубликовано: 27.02.2008
(56) Список документов, цитированных в отчете о поиске:
Нефтегазовое строительство, Беляев В.Я. и др. под общей ред. проф. И.И.Мазура и В.Д.Шапиро, Москва, изд. ОМЕГА-Л, 2005 стр.211-225. RU 2200727 C2, 20.03.2003. SU 1816874 A1, 23.05.1993,. RU 2003133265, 05.10.2005. SU 477917 A, 25.07.1975. RU 2198285 C2, 10.02.2003. SU 799577 A, 23.11.1983. SU 896854 A, 30.11.1983.
Адрес для переписки:
117209, Москва, Новые Черемушки, кварт. 32а, корп.3, кв.268, П.В.Горюнову
|
(72) Автор(ы):
Ильюша Анатолий Васильевич (RU), Горюнов Павел Васильевич (RU), Горюнов Василий Павлович (RU), Горюнова Мария Павловна (RU), Ильюша Елена Анатольевна (RU)
(73) Патентообладатель(и):
Открытое акционерное общество “Научный центр прединвестиционных исследований” (ОАО НЦПИ) (RU)
|
(54) КОМПЛЕКС ОБОРУДОВАНИЯ ДЛЯ РЕГУЛИРОВАНИЯ РАБОТЫ ТРУБОПРОВОДНЫХ СИСТЕМ ГАЗОСНАБЖЕНИЯ
(57) Реферат:
Изобретение относится к топливно-энергетическому комплексу. Техническим результатом изобретения является повышение экономической эффективности и обеспечение устойчивого, равномерного и надежного производства и снабжения газом для всех участников газового рынка. В комплексе оборудования синтезаторы для синтеза твердых природных газов в форме водных кристаллогидратов метана, а также термобарические склады и камеры для их хранения, размещены на газораспределительных станциях, которые дополнительно снабжены, по меньшей мере, одной установкой регазификации кристаллогидратов метана, к одному из выходов которой подсоединены газораспределительные сети потребителей газа, причем подачу газа высокого давления на синтезаторы кристаллогидратов газа из магистрального газопровода осуществляют через турбодетандеры, к выходу которых подключены цепи питания синтезаторов кристаллогидратов, при этом другой выход установки регазификации кристаллогидратов через установку регенерации отработанной воды соединен с одним из входов синтезатора кристаллогидратов газа. 3 ил.
Предлагаемое изобретение относится к топливно-энергетическому комплексу и может быть использовано в системах энергогазоснабжения различных потребителей топливно-энергетических ресурсов, преимущественно в системах газоснабжения природным газом.
Известны различные системы (отрасли) производства и поставки топливно-энергетических ресурсов потребителям, включающие месторождения первичных органических топлив (энергоносителей), технологические комплексы по их добыче и первичной переработке, транспортно-доставочные и распределительные комплексы и оборудование, а также те или иные объекты-потребители топливно-энергетических ресурсов [1, 2].
Имеющиеся способы регулирования работы известных систем энергоснабжения зачастую не обеспечивают экономичной и безопасной эксплуатации транспортно-доставочной инфраструктуры систем энергоснабжения, являются жестко централизованными и не допускают возможностей гибкого реагирования самих потребителей энергоресурсов на весьма неустойчивую и иногда чрезвычайно изменчивую ситуацию на энергетических рынках.
Наиболее близким к предлагаемым изобретениям является способ регулирования работы трубопроводных систем газоснабжения с помощью газгольдеров низкого и высокого давления, а также с помощью подземных хранилищ газа (ПХГ), сооружаемых вблизи крупных регионов и центров потребления природного газа [3] (прототип).
Известный способ включает добычу газа метана (топлива) газовыми скважинами на месторождениях природного газа, сбор, очистку, предварительную переработку газа с помощью различного газопромыслового оборудования, подачу газа (закачку газа) в магистральные газовые трубопроводы, доставку газа с помощью компрессорных станций к местам (регионам) и центрам потребления, сооружение вблизи от них газгольдеров и подземных хранилищ газа (ПХГ), наполнение их определенными запасами газа под достаточно высоким давлением, отбор по мере необходимости запасов топлива из газгольдеров и подземных хранилищ, а также снижение высокого давления газа на газораспределительных станциях (ГРС) до необходимого потребителям относительно низкого уровня давления с последующей поставкой топлива (газа) потребителям по трубопроводным газораспределительным сетям низкого давления.
Однако регулирование работы трубопроводных систем газоснабжения с помощью системы газгольдеров и подземных хранилищ газа является достаточно дорогостоящим, связано с возможными потерями газа при его хранении и не обеспечивает возможностей какого-либо выбора самим потребителям газа для гибкого реагирования ими на все возрастающую волатильность газового рынка, прежде всего в краткосрочном масштабе времени (спотовый рынок при все развивающейся либерализации газовых рынков, в частности).
Техническим результатом изобретения является повышение экономической эффективности и обеспечение устойчивого, равномерного и надежного производства и снабжения газом для всех участников газового рынка путем снижения неравномерностей в процессе добычи, транспорта и потребления топлива, например, вследствие пиковых или сезонных колебаний потребления газа.
Это достигается тем, что в комплексе оборудования для регулирования работы трубопроводных систем газоснабжения, включающем газопромысловое оборудование для добычи, очистки, предварительной переработки и подготовки к дальнему магистральному транспорту природного газа метана, магистральный газовый трубопровод с компрессорными станциями и другим вспомогательным оборудованием, газораспределительные станции в местах аккумулирования, хранения и потребления природного газа, термобарические склады-камеры, например, в виде типовых промышленных зданий и сооружений холодильных комбинатов, а также оборудование (синтезаторы) для выработки-производства и регазификации кристаллогидратов природного газа метана, согласно изобретению оборудование (синтезаторы) для производства (синтеза) твердых природных газов в форме водных кристаллогидратов (гидратов) метана, а также термобарические склады и камеры для их хранения, размещены на газораспределительных станциях, которые дополнительно снабжены, по меньшей мере, одной установкой регазификации кристаллогидратов метана, к одному из выходов которой подсоединены газораспределительные сети потребителей газа, причем подачу газа высокого давления на синтезаторы кристаллогидратов газа из магистрального газопровода осуществляют через турбодетандеры, к выходу которых подключены цепи питания синтезаторов кристаллогидратов, при этом другой выход установки регазификации кристаллогидратов через установку регенерации отработанной воды соединен с одним из входов синтезатора кристаллогидратов газа.
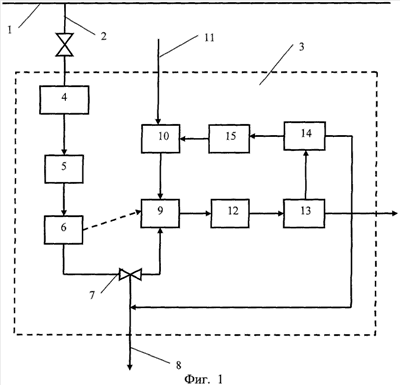
Предлагаемый комплекс оборудования поясняется чертежами, представленными на фиг.1-3. На фиг.1 показаны: 1 – магистральный газопровод; 2 – газопровод-отвод; 3 – газораспределительная станция (ГРС); 4 – блок очистки газа; 5 – подогреватели газа; 6 – турбодетандеры; 7 – вентильно-переключающее устройство; 8 – трубопровод подачи газа на газорегулирующий пункт (ГРП); 9 – синтезатор кристаллогидратов газа (метана); 10 – водяной питающий бак (резервуар); 11 – водяной подпиточный трубопровод; 12 – упаковочная машина; 13 – термобарический бункер (хранилище) гидратов газа; 14 – установка регазификации (разложения) газогидратов и 15 – установка регенерации (очистки) питательной воды.
На фиг.2 приведена схема работы синтезатора кристаллогидратов метана барабанного типа.
На фиг.3 приведена одна из известных диаграмм регазификации (разложения) кристаллогидратов метана.
Предлагаемый способ может быть реализован несколькими основными путями и осуществляется следующим образом.
Пример 1. Пусть требуется обеспечить компенсацию неравномерности потребления газа в данном месте (регионе) при одновременном максимальном исключении потерь газа в процессе хранения и при отсутствии свободных емкостей для хранения газа в газгольдерах на газораспределительной станции в месте потребления газа. Для этого природный газ, поступающий по магистральному газопроводу 1 через газопровод-отвод 2, подают на газораспределительную станцию (ГРС) 3, в которой имеется блок очистки газа 4 и подогреватели газа 5. После очистки и подогрева газ высокого давления подают на турбодетандеры 6, снижающие давление поступающего из магистрального трубопровода газа и вырабатывающие за счет этого электрическую энергию. Далее, с помощью вентильно-переключающего устройства 7 часть газа в объеме, необходимом для работы (для газоснабжения) потребителей в данный момент времени, как и ранее, подают трубопроводом 8 на газорегулирующий пункт (на ГРП), а невостребованное в данный момент времени количество газа с помощью того устройства 7 направляют на один из входов синтезатора кристаллогидратов газа (метана) 9, на другой из входов которого одновременно подают воду из водяного бака 10, подпитываемого по мере необходимости через подпиточный трубопровод 11. Полученные в синтезаторе 9 кристаллогидраты газа после той или иной подготовки, например путем простейшего брикетирования или упаковки в обычные герметичные пакеты в упаковочной машине 12, направляют (складируют) в термобарическое хранилище (бункер) 13, в котором давление и температуру поддерживают на уровнях, достаточных для устойчивого достаточно длительного хранения в твердом виде (без разложения) полученных кристаллогидратов метана.
При увеличении потребностей в газе в соответствии с тем или иным нагрузочным графиком твердый газ (гидраты) из бункера 13 направляют в установку регазификации (например в установку термохимического разложения) гидратов 14. Получаемый таким образом дополнительный газ из хранилища 13 направляют по трубопроводу 8 на газорегулирующий пункт (на ГРП) и далее в установленном порядке потребителям. При этом для производства (синтеза) кристаллогидратов частично или полностью используют электрическую энергию, вырабатываемую в турбодетандерах 6, что на фиг.1 показано специальной пунктирной линией от турбодетандеров 6 к синтезатору кристаллогидратов 9. Схема работы синтезатора гидратов природного газа показана на фиг.2 и сводится к следующему.
В резервуар с водой синтезатора помещают полый быстровращающийся цилиндр (барабан), имеющий систему радиальных перфорирующих отверстий (капилляров), соединяющих внутреннюю полость барабана и его внешнюю образующую поверхность. Кроме того, в барабане параллельно боковым поверхностям выполняют систему длинных отверстий (каналов), по которым непрерывно прокачивают низкокипящее рабочее тело (холодоноситель), обеспечивающее требуемое по условиям клатратообразования (гидратизации газа) охлаждение барабана, а во внутреннюю полость цилиндр-барабана под достаточно высоким давлением, исходя из тех же соображений, нагнетаю (подают) природный газ. Образующиеся на внешней поверхности вследствие этого кристаллогидраты газа с помощью специального скребка отводят с поверхности барабана и подают для последующего прессования или упаковки. Поскольку образование гидратов природных газов происходит при температурах, достаточно близких обычным отрицательным температурам окружающей среды (конкретно в диапазоне 0 до минус 24°С) и при относительно невысоких давлениях, то энергетические затраты на производство (синтез) гидратов природного газа будут вполне приемлемыми, тем более, что частично или даже полностью (при определенных условиях) эти затраты энергии могут быть компенсированы при прохождении турбодетандеров 6 (фиг.1) газа высокого давления, поступающего из магистрального газопровода 1. Что же касается затрат энергии на регазификацию (разложение) газогидратов (фиг.3), то по имеющимся данным на разложение гидрата метана требуется около 6% теплоты, выделяющейся при сгорании содержащегося в нем метана. Для сравнения можно указать, что также по имеющимся данным для сжижения природного газа (СПГ) необходимы затраты энергии, доходящие до 25% от энергии, получаемой при сгорании полученного сжиженного природного газа.
Пример 2. Пусть требуется обеспечить газом того или иного отдельно взятого потребителя (или их какой-то совокупности) при одновременном обеспечении его автономности в снабжении газом по аналогии с поставками газобаллонного сжатого (компримированного) или сжиженного природного газа (СПГ). В этом случае какую-то часть природного газа, поступающего из магистрального газопровода 1 (фиг.1), перерабатывают на ГРС в твердое состояние (в кристаллогидратную форму), как это было описано в примере 1, а отгрузку – поставку газа потребителям ведут непосредственно из бункера (хранилища) 13 именно в форме гидратов. При этом потребитель, разумеется, должен иметь соответствующее оборудование для промежуточного хранения (при необходимости), а также для разложения гидратов газа, и может использовать получающиеся после регазификации воду и природный газ по своему усмотрению, что является дополнительным преимуществом предлагаемого способа регулирования работы трубопроводных систем газоснабжения.
Предлагаемый комплекс оборудования для регулирования работы трубопроводных систем газоснабжения включает в себя газопромысловое оборудование для добычи газа, а также магистральный газопровод 1, к которому через газопроводы-отводы 2 подсоединены газораспределительные станции 3 (фиг.1). На газораспределительных станциях 3 имеются блоки очистки газа 4, к которым через подогреватели газа 6 подсоединены турбодетандеры 6, снижающие высокое давление газа из магистрального трубопровода 1 и вырабатывающие за счет этого электрическую энергию. К турбодетандерам 6 через вентильно-переключающее устройство 7 подсоединен трубопровод 8 для подачи газа на газорегулирующий пункт (на ГРП), а также один из входов синтезатора гидратов метана 9, другой вход которого подсоединен к питающему водяному баку 10 с подпиточным трубопроводом 11. На выходе синтезатора 9 установлена упаковочная машина 12, а на выходе последней имеется термобарическое хранилище (бункер) 13, один из выходов которого соединен со входом установки регазификации (разложения) газогидратов 14, а другой выход бункера 13 обеспечивает выдачу кристаллогидратов за пределы ГРС 3. Один из выходов установки регазификации 14 соединен через установку регенерации (очистки) воды 15 с питающим водяным баком 10, а другой (газовый) выход установки регазификации 14 подключен к трубопроводу 8, идущему на газорегулирующий пункт.
Работа предлагаемого комплекса оборудования для регулирования работы трубопроводных систем газоснабжения детально излагалась при описании путей реализации предлагаемого способа регулирования работы трубопроводных систем газоснабжения (примеры 1, 2) и дополнительных пояснений не требует.
В целом предлагаемые способ регулирования работы трубопроводных систем газоснабжения и комплекс оборудования обеспечивают повышение экономической эффективности производства и поставок природного газа для всех участников газового рынка (как для производителей-поставщиков природного газа, так и для его потребителей) при одновременном повышении и безопасности газоснабжения за счет более безопасного аккумулирования и хранения природного газа в твердом (водноклатратном) состоянии.
Источники информации
1. Коршак А.А., Шаймиев А.М. Основы нефтегазового дела. Изд-во “ДизайнПолиграфСервис”, Уфа, 2002, 543 с.
2. Энергетическая политика России на рубеже веков. Т.1, 2 /Под ред. В.В.Бушуева. – М.: Папирус ПРО, 2001.
3. Нефтегазовое строительство. Беляев В.Я. и др. /Под общ. ред. проф. И.И.Мазура и проф. В.Д. Шапиро. – М.: Омега – Л, 2005, 774 с. (с.211-225).
Формула изобретения
Комплекс оборудования для регулирования работы трубопроводных систем газоснабжения, включающий газопромысловое оборудование для добычи, очистки, предварительной переработки и подготовки к дальнему магистральному транспорту природного газа метана, магистральный газовый трубопровод с компрессорными станциями и другим вспомогательным оборудованием, газораспределительные станции в местах аккумулирования, хранения и потребления природного газа, термобарические склады-камеры, например, в виде типовых промышленных зданий и сооружений холодильных комбинатов, а также синтезаторы для выработки-производства и регазификации кристаллогидратов природного газа метана, отличающийся тем, что синтезаторы для синтеза твердых природных газов в форме водных кристаллогидратов метана, а также термобарические склады и камеры для их хранения размещены на газораспределительных станциях, которые дополнительно снабжены, по меньшей мере, одной установкой регазификации кристаллогидратов метана, к одному из выходов которой подсоединены газораспределительные сети потребителей газа, причем подачу газа высокого давления на синтезаторы кристаллогидратов газа из магистрального газопровода осуществляют через турбодетандеры, к выходу которых подключены цепи питания синтезаторов кристаллогидратов, при этом другой выход установки регазификации кристаллогидратов через установку регенерации отработанной воды соединен с одним из входов синтезатора кристаллогидратов газа.
РИСУНКИ
|
|