|
|
(21), (22) Заявка: 2006119604/06, 06.06.2006
(24) Дата начала отсчета срока действия патента:
06.06.2006
(46) Опубликовано: 27.02.2008
(56) Список документов, цитированных в отчете о поиске:
Струйные логические элементы и устройства автоматического управления технологическим оборудованием. Отраслевой каталог под ред. Чаплыгина Э.И. – М. : ВНИИТЭМР, 1989, с.59, рис.125. Мезин И.С. Шубин А.Н. Методика испытаний струйных элементов на надежность. М. : ИПУ РАН, 1970, стр.18. SU 381814 A, 22.05.1973. FR 2675215 А, 16.10.1992. US 3811474 A, 21.05.1974.
Адрес для переписки:
117997, Москва, В-342, ГСП-7, ул. Профсоюзная, 65, ИПУ РАН, патентный отдел
|
(72) Автор(ы):
Касимов Асим Мустафаевич (RU), Мамедли Эмин Мусаевич (RU), Попов Александр Иванович (RU), Чернявский Леонид Тимофеевич (RU), Коротков Андрей Васильевич (RU), Харитонов Павел Анатольевич (RU), Пустовалов Евгений Владимирович (RU)
(73) Патентообладатель(и):
Институт проблем управления им. В.А. Трапезникова РАН (RU)
|
(54) УСТРОЙСТВО УПРАВЛЕНИЯ
(57) Реферат:
Устройство предназначено для пневматических систем управления технологическими процессами. Устройство управления содержит побудитель расхода рабочей среды, заключенный в объем с входными разъемами для внешних сигналов, функциональные проточные элементы, при этом объем выполнен герметичным, входные разъемы выполнены герметичными электрическими и связаны через электропневматические преобразователи с входными каналами и через пневмоэлектрические преобразователи связаны с выходными каналами функциональных проточных элементов. Технический результат – повышение надежности работы системы управления. 1 ил.
Изобретение относится к электрическим системам управления с пневматическим резервированием и может использоваться для управления технологическими процессами, а также для работы систем управления летательных аппаратов.
Известны системы питания рабочей средой проточных элементов (см. И.С.Мезин, А.Н.Шубин. Методика испытаний струйных элементов на надежность. Изд. ИПУ РАН. М., 1970. С.18.)
Недостатком такой системы является связь с окружающей атмосферой, ухудшающая показатели надежности работы струйных элементов.
Известно устройство подготовки рабочей среды для работы систем управления технологическими процессами на станках с ЧПУ (см. Струйные логические элементы и устройства автоматического управления технологическим оборудованием. Отраслевой каталог под ред. Э.И.Чаплыгина. Изд. ВНИИТЭМР. М., 1989. с.59. рис.124. [2]).
Устройство содержит корпус, внутри которого размещены устройство управления и питание поступает от источника, расположенного снаружи корпуса. Недостатком известного устройства является наличие источника питания рабочей средой, находящегося за пределами объема с функциональными элементами системы управления. Рабочая среда постоянно обновляется, увеличивая загрязненность проточных функциональных струйных элементов и снижая тем самым ресурс работы устройства.
Наиболее близкой к предлагаемому техническому решению является известная, принятая за прототип схема устройства управления с системой питания рабочей средой [2] с.59. рис.125. Устройство управления содержит побудитель расхода рабочей среды, заключенный в объем с входными разъемами для внешних сигналов, и функциональные проточные (струйные) элементы. При повышении давления выше атмосферного открывается клапан и выравнивает внутреннее давление в объеме с внешним давлением.
Недостатками известного устройства являются:
1) негерметичность объема устройства управления, не позволяющая использовать одно и то же количество рабочей среды в цикле сжатия и разрешения с помощью побудителя расхода;
2) от дополнительного питания функциональных элементов, расположенных во внутренней части негерметичного объема, рабочей средой от окружающей (внешней) атмосферы засоряются каналы струйных элементов микрочастицами и возникают отказы в функциональной работе элементов;
3) в негерметичном объеме можно иметь только повышенное давление по сравнению с окружающей атмосферой;
4) в негерметичном объеме невозможно создать условия пониженного давления относительно окружающей атмосферы для увеличения быстродействия работы функциональных элементов.
Целью изобретения является повышение надежности работы устройства.
Для устранения перечисленных недостатков предлагается новое техническое решение в виде устройства управления, содержащего побудитель расхода рабочей среды, заключенного в объем с входными разъемами для внешних сигналов, функциональные проточные элементы, отличающееся тем, что объем выполнен герметичным, входные разъемы выполнены герметичными электрическими и соединены электропневматическими преобразователями с входными каналами функциональных проточных элементов, а пневмоэлектрическими преобразователями – с выходными каналами последних.
Выполнение объема герметичным позволяет значительно повысить надежность работы проточных элементов системы управления, в том числе струйных элементов. В замкнутый герметичный объем не добавляются новые порции рабочей среды, циркулирует постоянное ее количество, пропущенное через свой фильтр и таким образом очищенное от механических примесей. Рабочая среда со временем улучшается, что повышает надежность системы. Закрытая схема позволяет применить максимально малые размеры функциональных проточных (струйных) элементов, а в качестве рабочей среды – легкие газы, что также повышает быстродействие струйных элементов системы управления.
Входные разъемы в замкнутый герметичный объем выполнены электрическими и герметичными, что позволяет ввести внешние относительно замкнутого объема электрические управляющие сигналы и через электропневматические преобразователи подать их на входные функциональные струйные элементы системы управления, заключенной в этом объеме. Выработанные пневматические сигналы от функциональных струйных элементов через пневмоэлектрические преобразователи и входные электрические разъемы передаются во вне.
Создание пониженного абсолютного давления внутри замкнутого объема позволяет повысить скорость течения и быстродействие струйных элементов за счет уменьшения плотности рабочих сред.
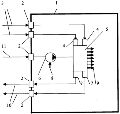
На чертеже представлено предлагаемое устройство управления, на котором обозначено:
1 – герметичный корпус для замкнутого объема, 2 – герметичный электрический входной разъем, 3 – внешний информационный сигнал, 4 – электропневматические преобразователи сигналов, 5 – набор (комплект) функциональных проточных элементов, составляющих, например, струйную систему управления, 6 – побудитель расхода, 7 – пневмоэлектрические преобразователи сигналов, 8 – поток всасывания рабочей среды в побудитель, 9 – каналы слива рабочей среды из проточных камер струйных элементов, 10 – информационный сигнал, исходящий от устройства управления, 11 – подвод электропитания к побудителю расхода.
Корпусом 1 обеспечивается герметичный объем с рабочей газовой средой, например гелиевой, в котором расположены функциональные проточные, например струйные, элементы 5 с электропневматическими 4 и пневмоэлектрическими 7 преобразователями, побудитель расхода 6. Внутри корпуса 1 может поддерживаться статическое давление выше, равное и ниже окружающей атмосферы, в которой расположены источники и приемники внешних сигналов соответственно 3 и 10.
Устройство работает следующим образом.
Побудитель расхода 6 питает рабочей средой непосредственно струйную систему управления 5 (СУ), выполняющую различные задачи, например счетно-решающие. Отработанная рабочая среда удаляется из проточных камер взаимодействия струйных элементов 5 обратно в герметичный объем через свои каналы 9 и засасывается побудителем расхода 6.
Внешние электрические информационные сигналы 3 проходят через входные герметичные разъемы 2 из внешней среды и попадают внутрь корпуса 1 с рабочей средой на электропневматические преобразователи 4 и превращаются в пневматические сигналы, управляющие по проточным входным каналам функциональных струйных элементов СУ 5. Выходные пневматические сигналы СУ через пневмоэлектрические преобразователи 7, герметичные разъемы 2 в виде электрических сигналов 10 приходят к внешним приемникам, например к электрическим исполнительным устройствам.
Таким образом, процедура обработки пневматических сигналов отделяется от влияния окружающей среды с повышением быстродействия струйных элементов СУ, понижением давления рабочей среды внутри корпуса 1 и использованием легких рабочих газов.
Одновременно полностью замкнутый объем рабочей среды повышает безотказность работы струйных элементов (фильтр не показан).
Предлагаемое техническое решение обеспечивает для пневматической струйной СУ повышение быстродействия, а для электрической СУ – повышение надежности, которая располагает пневматическим резервным каналом управления, работа которого отделена от влияния внешней среды.
Формула изобретения
Устройство управления, содержащее побудитель расхода рабочей среды, заключенный в объем с входными разъемами для внешних сигналов, функциональные проточные элементы, отличающееся тем, что объем выполнен герметичным, входные разъемы выполнены герметичными электрическими и соединены электропневматическими преобразователями с входными каналами функциональных проточных элементов, а пневмоэлектрическими преобразователями – с выходными каналами последних.
РИСУНКИ
|
|