|
|
(21), (22) Заявка: 2006127785/09, 31.07.2006
(24) Дата начала отсчета срока действия патента:
31.07.2006
(46) Опубликовано: 10.02.2008
(56) Список документов, цитированных в отчете о поиске:
RU 2138112 С1, 20.09.1999. RU 2007814 С1, 15.02.1994. SU 322836 A1, 01.01.1971. JP 58195434 B, 14.11.1983.
Адрес для переписки:
680021, г.Хабаровск, ул. Станционная, 20, корп.1, к.521, А.М. Константинову
|
(72) Автор(ы):
Климаш Владимир Степанович (RU), Власьевский Станислав Васильевич (RU), Константинов Андрей Михайлович (RU)
(73) Патентообладатель(и):
Климаш Владимир Степанович (RU), Власьевский Станислав Васильевич (RU), Константинов Андрей Михайлович (RU)
|
(54) УСТРОЙСТВО ДЛЯ КОМПЕНСАЦИИ ОТКЛОНЕНИЙ НАПРЯЖЕНИЯ И РЕАКТИВНОЙ МОЩНОСТИ ТРАНСФОРМАТОРНОЙ ПОДСТАНЦИИ
(57) Реферат:
Использование: для компенсации отклонений трехфазного напряжения нагрузки и реактивной мощности сети. Технический результат заключается в уменьшении в два раза установленной мощности трансформаторно-вентильного регулирующего устройства, улучшении гармонического состава выходного напряжения и быстродействия. Устройство содержит два преобразователя частоты, один из которых со звеном постоянного тока (трехфазно-однофазный), а другой – с непосредственной связью и естественной коммутацией (однофазно-трехфазный). Между ними включен однофазный высокочастотный понижающий трансформатор. Вход преобразователя частоты со звеном постоянного тока подключен к нагрузке, а выход преобразователя частоты с непосредственной связью включен в рассечку звезды вторичной обмотки трехфазного силового трансформатора подстанции. Кроме этого, в состав устройства входит фильтрокомпенсирующее устройство и батарея косинусных конденсаторов с общей генерируемой реактивной мощностью, равной 50% от реактивной мощности подстанции. 2 ил.
Изобретение относится к энергетической электронике и предназначено для компенсации отклонений трехфазного напряжения нагрузки и реактивной мощности сети.
Известно устройство для компенсации отклонений трехфазного напряжения [1], содержащее трехфазный силовой трехобмоточный трансформатор, три однофазных понижающих четырехобмоточных трансформатора, выпрямительный блок, в состав которого входят три однофазных или один трехфазный выпрямитель с синхронизированной с сетью системой управления, три однофазных инвертора с синхронизированными с сетью системами управления, а также блок датчиков отклонений фазных действующих напряжений нагрузки, выходы которых подключены к соответствующим фазным управляющим входам системы управления выпрямительного блока, при этом первичная обмотка трехфазного силового трансформатора подключена к сети, его вторичная обмотка включена в цепь нагрузки, а дополнительная вторичная обмотка через выпрямительный блок и три однофазных инвертора подключена к первичным обмоткам трех однофазных понижающих трансформаторов, вторичная обмотка каждого из которых включена в цепь нагрузки той же фазы, а две дополнительные вторичные обмотки – соответственно в цепи нагрузок предыдущей и последующей фазы. Пофазная стабилизация напряжения осуществляется изменением углов управления тиристорами фазных каналов выпрямительного блока в функции отклонений фазных напряжений нагрузки от заданного уровня.
Недостатками известного устройства являются большая установленная мощность трансформаторно-вентильного оборудования, отсутствие компенсации реактивной мощности сети, сравнительно невысокое быстродействие и низкие энергетические показатели.
Известное устройство для компенсации отклонений напряжения нагрузки и реактивной мощности сети [2], взятое за прототип, включая п.4 и п.5 формулы, содержит трехфазный силовой трансформатор, два преобразователя частоты, один из которых со звеном постоянного тока трехфазно-однофазный, содержащий трехфазный выпрямитель с синхронизированной с сетью системой управления и однофазный инвертор напряжения с системой управления, а другой – с непосредственной связью и естественной коммутацией (однофазно-трехфазный) с системой управления. Между ними включен однофазный понижающий высокочастотный трансформатор, средняя точка вторичной обмотки которого подключена к нулевому проводу нагрузки. Вход преобразователя частоты со звеном постоянного тока подключен к нагрузке, а выход преобразователя частоты с непосредственной связью включен в рассечку звезды вторичной обмотки трехфазного силового трансформатора подстанции. Процесс компенсации реактивной мощности сети осуществляется воздействием на выпрямитель, а стабилизация и симметрирование трехфазного напряжения нагрузки – воздействием на тиристоры фазных групп непосредственного преобразователя частоты.
К недостаткам устройства относится следующее:
Во-первых, компенсация реактивной мощности сети осуществляется только за счет опережающего регулирования фазы добавочного напряжения и в связи с этим установленная мощность трансформаторно-вентильного оборудования завышена в два раза, т.к. рассчитана на всю реактивную мощность трансформаторной подстанции.
Во-вторых, низкие энергетические показатели вследствие того, что искажения тока нагрузки снижает коэффициенты мощности и полезного действия силового трансформатора и сети, а искажения напряжения на нагрузке снижает КПД электропотребителей. Таким образом, в прототипе в плане энергетических показателей отсутствует комплексный подход, направленный для их улучшения и в сети и на подстанции, и в нагрузке.
В-третьих, низкое быстродействие, поскольку регулирование фазы осуществляется только трехфазным выпрямителем, а именно до инерционного звена – емкостного фильтра, включенного между трехфазным выпрямителем и однофазным инвертором напряжения.
Задачей изобретения является уменьшение в два раза установленной мощности трансформаторно-вентильного регулирующего устройства, улучшение энергетических показателей и повышение быстродействия устройства.
Решение поставленной задачи достигается за счет введения дополнительных элементов и новых связей, а именно за счет того, что к первичной обмотке трехфазного силового трансформатора подключена батарея косинусных конденсаторов, а к трехфазной нагрузке подключено фильтрокомпенсирующее устройство, причем суммарная реактивная мощность батареи косинусных конденсаторов и фильтрокомпенсирующего устройства равна половине реактивной мощности трансформаторной подстанции, а системы управления однофазным инвертором напряжения и однофазно-трехфазным непосредственным преобразователем частоты выполнены с возможностью одновременного регулирования фазы добавочного напряжения как в сторону опережения, так и в сторону отставания относительно напряжения сети за счет введения блока регулирования фазы, включенного между выходом формирователя синхроимпульсов и объединенным входом системы управления однофазно-трехфазного непосредственного преобразователя частоты и умножителя частоты, выход датчика среднего отклонения от действующих значений трехфазного напряжения нагрузки подключен к управляющему входу блока регулирования фазы, а управляющий вход системы управления однофазным инвертором напряжения, выполненной с возможностью широтно-импульсного регулирования, объединен с управляющим входом системы управления трехфазным выпрямителем.
Эффект от решения поставленной задачи заключается в комплексном подходе улучшения энергетических показателей сети, подстанции и нагрузки. При этом одновременно достигнуто уменьшение в два раза установленной мощности трансформаторно-вентильного регулирующего устройства и повышение быстродействия.
В устройство введена дискретная ступень компенсации реактивной мощности, в состав которой входит фильтрокомпенсирующее устройство и батарея косинусных конденсаторов.
Фильтрокомпенсирующее устройство устраняет гармонические составляющие, генерируемые нагрузкой через трехфазный силовой трансформатор в сеть и одновременно осуществляет компенсацию реактивной мощности подстанции по основной гармонике, а батарея косинусных конденсаторов дополнительно компенсирует реактивную мощность сети. Поскольку от совместного действия фильтрокомпенсирующего устройства и батареи косинусных конденсаторов компенсируется 50% реактивной мощности подстанции, то и трансформаторно-вентильное регулирующее устройство выполнено также на 50% от реактивной мощности подстанции. От совместного действия плавной и дискретной ступеней компенсации достигнуто улучшение коэффициента мощности и полезного действия трехфазного силового трансформатора и сети.
Одновременно с уменьшением в два раза установленной мощности плавной ступени регулирования уменьшена в два раза и величина вектора добавочного напряжения и, следовательно, улучшен гармонический состав выходного напряжения, что также относится к улучшению энергетических показателей.
Объединение управляющих входов системы управления трехфазным выпрямителем и системы управления однофазным инвертором напряжения позволяет повысить быстродействие за счет совместного действия амплитудного и широтно-импульсного способов регулирования величины добавочного напряжения.
Сущность предлагаемого изобретения поясняется нижеследующим описанием и прилагаемыми к нему чертежами, где на фиг.1 приведена функциональная схема устройства компенсации отклонений напряжения и реактивной мощности трансформаторной подстанции, а на фиг.2а, фиг.2б – векторные диаграммы устройства для двух режимов работы. Они поясняют принцип работы устройства.
На векторных диаграммах введены следующие обозначения: , – напряжения вторичной обмотки трехфазного силового трансформатора и нагрузки, – добавочное напряжение, – ток нагрузки, – ток на входе выпрямителя, – емкостные токи фильтрокомпенсирующего устройства и батареи косинусных конденсаторов, – ток вторичной обмотки трехфазного силового трансформатора, н – фаза тока нагрузки, – отклонение напряжения сети.
Векторная диаграмма (фиг.2а) показана, когда среднестатистический угол нагрузки н 30°, а напряжение в сети – пониженное.
В этом случае, как показано на векторной диаграмме (фиг.2а), добавочное напряжение увеличивает напряжение нагрузки за счет фазового поворота и смещает его в сторону опережения на половину угла нагрузки н, т.е. примерно на н 15°. Эти условия предопределяют величину добавочного напряжения и параметры трансформаторно-вентильного регулирующего устройства. На этой векторной диаграмме рассмотрен тот случай, когда фильтрокомпенсирующее устройство генерирует нагрузке недостаточное количество реактивной мощности подстанции (недокомпенсация). Эту оставшуюся реактивную мощность и реактивную мощность трехфазного силового трансформатора будет компенсировать батарея косинусных конденсаторов, при этом параметры фильтро-компенсирующего устройства выбираются из условия фильтрации тока и предопределяют параметры батареи косинусных конденсаторов.
При малоемкостной (малоиндуктивной) нагрузке, когда н 0 и фиксированных параметрах батареи косинусных конденсаторов и фильтрокомпенсирующего устройства будет наблюдаться режим перекомпенсации. Для совместной нейтрализации действия косинусных конденсаторов и фильтрокомпенсирующего устройства, трансформаторно-вентильное регулирующее устройство смещает фазу напряжения нагрузки в сторону отставания относительно напряжения сети . Этот случай при малоиндуктивной нагрузке и повышенном напряжении сети рассмотрен на векторной диаграмме, представленной на фиг.2б. Здесь видно, что вектор добавочного напряжения уменьшает напряжение на нагрузке и смещает его примерно на те же 15°, но только в другую сторону по сравнению с фиг.2а.
Из векторных диаграмм видно, что величину напряжения на нагрузке удобнее всего регулировать фазой добавочного напряжения , а регулировать емкостную или индуктивную реактивные мощности эффективней изменением величины добавочного напряжения .
Предлагаемое устройство, имеющее в два раза меньшую установленную мощность однофазного понижающего высокочастотного трансформатора и вентильных преобразователей – трехфазного выпрямителя, однофазного инвертора напряжения и однофазно-трехфазного непосредственного преобразователя частоты, а также улучшенные энергетические показатели и быстродействие, как более совершенное, может заменить известные устройства для компенсации отклонений напряжения на нагрузке и реактивной мощности трансформаторной подстанции.
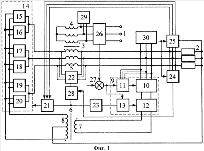
Устройство для компенсации отклонений напряжения и реактивной мощности трансформаторной подстанции, приведенное на фиг.1, содержит следующие элементы:
Входные 1 и выходные 2 зажимы, предназначенные для подключения соответственно к трехфазной сети и трехфазной нагрузке, трехфазный силовой трансформатор 3 с первичными и вторичными фазными обмотками 4 и 5, однофазный понижающий высокочастотный трансформатор 6 с первичной и вторичной обмотками 7 и 8, трехфазно-однофазный преобразователь частоты со звеном постоянного тока 9, в состав которого входит трехфазный выпрямитель 10 с системой управления 11 и однофазный инвертор напряжения 12 с системой управления 13. Кроме этого, устройство содержит однофазно-трехфазный непосредственный преобразователь частоты 14 с катодными 15, 17, 19 и анодными 16, 18, 20 тиристорными группами с естественной коммутацией и системой управления 21. К основным элементам устройства также относятся: формирователь синхроимпульсов 22, умножитель частоты 23, датчик среднего отклонения от действующих значений трехфазного напряжения нагрузки 24 и блок датчиков отклонения фазных действующих напряжений нагрузки 25, датчик реактивной мощности сети 26 в комплекте с измерительными трансформаторами тока и напряжения, элемент сравнения 27, блок регулирования фазы 28, а также батарея косинусных конденсаторов 29 и фильтрокомпенсирующее устройство 30.
Элементы устройства на фиг.1 соединены следующим образом:
Первичная обмотка 4 трехфазного силового трансформатора 3 присоединена через датчик реактивной мощности сети 26 к входным зажимам 1, предназначенным для подключения к трехфазной сети, вторичные фазные обмотки 5 трехфазного силового трансформатора 3 концами присоединены к выходным зажимам 2, предназначенным для подключения к трехфазной нагрузке и входу фильтрокомпенсирующего устройства 30, а началами – к выходу соответствующих фаз однофазно-трехфазного непосредственного преобразователя частоты 14 с естественной коммутацией, однофазный вход которого подключен к вторичной обмотке 8 однофазного понижающего высокочастотного трансформатора 6, в то время как его первичная обмотка 7 подключена к выходу однофазного инвертора напряжения 12, вход которого через трехфазный выпрямитель 10 подключен к выходным зажимам 2, вход блока регулирования фазы 28 соединен с выходом формирователя синхроимпульсов 22, а фазные входы формирователя синхроимпульсов 22 подключены к соответствующим фазным вторичным обмоткам 5 трехфазного силового трансформатора 3, кроме этого входы системы управления 21 однофазно-трехфазного непосредственного преобразователя частоты 14 и умножителя частоты 23 объединены и подключены к выходу блока регулирования фазы 28, причем выход умножителя частоты 23 подключен к входу системы управления 13 однофазным инвертором напряжения 12, кроме того, три фазных управляющих входа системы управления 21 однофазно-трехфазного непосредственного преобразователя частоты 14 пофазно подключены к соответствующим выходам блока датчиков отклонения фазных действующих напряжений нагрузки 25, а выход датчика среднего отклонения от действующих значений трехфазного напряжения нагрузки 24 соединен с управляющим входом блока регулирования фазы 28. Вместе с тем, синхронизирующие входы системы управления 11 трехфазным выпрямителем 10 подключены соответственно к его фазным входам, при этом выход элемента сравнения 27 соединен с управляющим входом системы управления 11 трехфазным выпрямителем 10 и управляющим входом системы управления 13 однофазным инвертором напряжения 12, а один из его входов подключен к выходу датчика реактивной мощности сети 26. Дополнением к вышеупомянутому является подключение фазных входов батареи косинусных конденсаторов 29 к соответствующим фазам первичной обмотки 4 трехфазного силового трансформатора 3.
В предлагаемом устройстве однофазно-трехфазный непосредственный преобразователь частоты 14 может быть выполнен как на двенадцати тиристорах попарно объединенных в катодные 15, 17, 19 и анодные 16, 18, 20 группы, так и в модульном исполнении на шести однофазных или двух трехфазных интеллектуальных силовых модулях. Трехфазно-однофазный преобразователь частоты со звеном постоянного тока 9 может быть выполнен на базе двухкомплектного реверсивного выпрямителя 10 и однофазного инвертора напряжения 12 по мостовой схеме или схеме со средней точкой.
Устройство (фиг.1) согласно предлагаемому изобретению работает следующим образом:
Трехфазно-однофазный преобразователь частоты со звеном постоянного тока 9 из трехфазного напряжения нагрузки 2 формирует однофазное регулируемое напряжение высокой частоты. Это высокочастотное напряжение понижается однофазным понижающим высокочастотным трансформатором 6 и подается на вход однофазно-трехфазного непосредственного преобразователя частоты 14. Однофазно-трехфазный непосредственный преобразователь частоты 14 с естественной коммутацией и ведомый сетью из однофазного регулируемого напряжения высокой частоты формирует три однофазных добавочных напряжения, которые, кроме общего регулирования при помощи трехфазного выпрямителя 10 с системой управления 11 и однофазного инвертора напряжения 12 с системой управления 13, могут дополнительно регулироваться независимо друг от друга, осуществляя симметрирование, за счет изменения угла управления тиристоров каждой группы в отдельности при помощи системы управления 21 однофазно-трехфазного непосредственного преобразователя частоты 14.
Выходные фазные напряжения однофазно-трехфазного непосредственного преобразователя частоты 14 вместе с соответствующими фазными напряжениями на вторичной обмотке 5 трехфазного силового трансформатора 3 в сумме составляют трехфазное напряжение нагрузки 2, которое стабилизируется на заданном, например номинальном, уровне за счет воздействия сигналом, снимаемым с выхода датчика среднего отклонения от действующих значений трехфазного напряжения нагрузки 24 на блок регулирования фазы 28 и суммируется за счет воздействия тремя фазными сигналами, снимаемыми с выходов блока датчиков отклонения фазных действующих напряжений нагрузки 25 на систему управления 21 однофазно-трехфазного непосредственного преобразователя частоты 14 через его соответствующие фазные управляющие входы для независимого импульсно-фазового управления фазными группами 15 и 16, 17 и 18, 19 и 20.
При этом независимо от режима работы устройства внутри вентильных групп 15-20 тиристоры коммутируются естественным путем как в выпрямительном, так и в инверторном режимах однофазно-трехфазного непосредственного преобразователя частоты 14. Указанные процессы протекают благодаря питанию вентильных групп 15-20 однофазно-трехфазного непосредственного преобразователя частоты 14 периодическим напряжением. Устройство (фиг.1) производит регулирование фазных, добавочных напряжений без сдвига их первых гармонических составляющих относительно соответствующих фазных напряжений вторичной обмотки 5 трехфазного силового трансформатора 3.
Перевод устройства (фиг.1) из режима вольтодобавки в режим вольтовычета производится при смене полярности сигнала, снимаемого с выхода датчика среднего отклонения от действующих значений трехфазного напряжения нагрузки 24.
Выполнение системы управления 13 однофазным инвертором напряжения 12 и системы управления 21 однофазно-трехфазного непосредственного преобразователя частоты 14 с возможностью одновременного регулирования фазы высокочастотного напряжения и синхронизированного с сетью добавочного напряжения как в сторону опережения, так и в сторону отставания относительно напряжения сети за счет воздействия сигнала управления, поступающего с выхода датчика среднего отклонения от действующих значений трехфазного напряжения нагрузки 24 на управляющий вход блока регулирования фазы 28, включенного между выходом формирователя синхроимпульсов 22 и объединенным входом системы управления 21 однофазно-трехфазным непосредственным преобразователем частоты 14 и умножителя частоты 23, позволяет либо дополнять действие подключенных к первичной обмотке 4 трехфазного силового трансформатора 3 батарей косинусных конденсаторов 29 и к трехфазной нагрузке фильтрокомпенсирующего устройства 30 при недокомпенсации реактивной мощности трехфазного силового трансформатора 3 либо нейтрализовывать их действие при перекомпенсации реактивной мощности трехфазного силового трансформатора 3, причем суммарная реактивная мощность батареи косинусных конденсаторов 29 и фильтрокомпенсирующего устройства 30 равна половине реактивной мощности трансформаторной подстанции.
Источники информации
1. А.с. СССР №322836, Н02Р 3/14, Н02М 5/45.
2. Пат. РФ №2138112, 6 Н02М 5/257, G05F 1/455, G05F 1/70 – Прототип.
Формула изобретения
Устройство для компенсации отклонений напряжения и реактивной мощности трансформаторной подстанции, содержащее трехфазный силовой трансформатор, однофазный понижающий высокочастотный трансформатор и трехфазно-однофазный преобразователь частоты со звеном постоянного тока, в составе которого имеются трехфазный выпрямитель с синхронизированной с напряжением на его входных зажимах системой управления и однофазный инвертор напряжения с системой управления, а также блок датчиков отклонения фазных действующих напряжений нагрузки и датчик среднего отклонения от действующих значений трехфазного напряжения нагрузки, формирователь синхроимпульсов, умножитель частоты, датчик реактивной мощности сети в комплекте с измерительными трансформаторами тока и напряжения, выход которого через элемент сравнения подключен к управляющему входу системы управления трехфазным выпрямителем, однофазно-трехфазный непосредственный преобразователь частоты, содержащий три анодные и три катодные тиристорные группы, каждая из которых выполнена на двух однооперационных тиристорах, а также система управления однофазно-трехфазным непосредственным преобразователем частоты, выполненная с возможностью регулирования угла задержки включения тиристоров каждой фазной анодной и катодной группы в выпрямительном и инверторном режимах и имеющая для этого три фазных управляющих входа, при этом первичная обмотка трехфазного силового трансформатора подключена к сети через датчик реактивной мощности сети, его фазные вторичные обмотки включены в цепь нагрузки, а выход трехфазно-однофазного преобразователя частоты со звеном постоянного тока подключен к первичной обмотке однофазного понижающего высокочастотного трансформатора, причем трехфазная нагрузка присоединена к входу трехфазно-однофазного преобразователя частоты и через фазные вторичные обмотки трехфазного силового трансформатора подключена к выходу однофазно-трехфазного непосредственного преобразователя частоты, вход которого подключен к вторичной обмотке однофазного понижающего высокочастотного трансформатора, фазные входы формирователя синхроимпульсов подключены к соответствующим фазным вторичным обмоткам трехфазного силового трансформатора, три фазных управляющих входа системы управления однофазно-трехфазным непосредственным преобразователем частоты пофазно подключены к соответствующим выходам блока датчиков отклонения фазных действующих напряжений нагрузки, отличающееся тем, что к первичной обмотке трехфазного силового трансформатора подключена батарея косинусных конденсаторов, а к трехфазной нагрузке подключено фильтрокомпенсирующее устройство, причем суммарная реактивная мощность батареи косинусных конденсаторов и фильтрокомпенсирующего устройства равна половине реактивной мощности трансформаторной подстанции, а системы управления однофазным инвертором напряжения и однофазно-трехфазным непосредственным преобразователем частоты выполнены с возможностью одновременного регулирования фазы добавочного напряжения как в сторону опережения, так и в сторону отставания относительно напряжения сети, за счет ведения блока регулирования фазы, включенного между выходом формирователя синхроимпульсов и объединенными входом системы управления однофазно-трехфазного непосредственного преобразователя частоты и входом умножителя частоты, выход датчика среднего отклонения от действующих значений трехфазного напряжения нагрузки подключен к управляющему входу блока регулирования фазы, а управляющий вход системы управления однофазным инвертором напряжения, выполненной с возможностью широтно-импульсного регулирования, объединен с управляющим входом системы управления трехфазным выпрямителем.
РИСУНКИ
MM4A – Досрочное прекращение действия патента СССР или патента Российской Федерации на изобретение из-за неуплаты в установленный срок пошлины за поддержание патента в силе
Дата прекращения действия патента: 01.08.2008
Извещение опубликовано: 10.07.2010 БИ: 19/2010
|
|