|
|
(21), (22) Заявка: 2006123893/09, 03.07.2006
(24) Дата начала отсчета срока действия патента:
03.07.2006
(46) Опубликовано: 10.02.2008
(56) Список документов, цитированных в отчете о поиске:
RU 2035815 C1, 20.05.1995. RU 2012971 C1, 15.05.1994. RU 2136011 C1, 27.08.1999. SU 1817153 A1, 23.05.1993. GB 2219665, 13.12.1989.
Адрес для переписки:
428020, г.Чебоксары, пр. И. Яковлева, 1/1, ООО Исследовательский центр “Бреслер”
|
(72) Автор(ы):
Лямец Юрий Яковлевич (RU), Зиновьев Денис Валерьевич (RU), Романов Юрий Вячеславович (RU)
(73) Патентообладатель(и):
Общество с ограниченной ответственностью “Исследовательский центр “Бреслер” (RU)
|
(54) СПОСОБ ОПРЕДЕЛЕНИЯ ИНТЕРВАЛОВ ОДНОРОДНОСТИ ЭЛЕКТРИЧЕСКОЙ ВЕЛИЧИНЫ
(57) Реферат:
Изобретение относится к релейной защите, затрагивает цифровую обработку входных величин, имеет приложение к пусковым органам, модулям восстановления нелинейно искаженного тока, селекторам режимов энергообъекта. Технический результат заключается в упрощении способа определения интервалов однородности электрической величины. Для этого в способе определение интервалов однородности (сегментация) осуществляется на базе цифрового фильтра ортогональных составляющих. Задействуются всего лишь по два отсчета каждой составляющей. Из совокупности этих четырех отсчетов формируются два сигнала, один в виде суммы квадратов всех отсчетов, другой – удвоенного произведения одноименных отсчетов. Характеристика срабатывания исполнительного реле располагается в узком секторе, примыкающем к биссектрисе первого квадранта плоскости двух сформированных сигналов. Способ апробирован на цифровых осциллограммах реальных процессов, записанных в электрических системах. Приведен пример обработки тока короткого замыкания, искаженного вследствие насыщения измерительного трансформатора. 5 ил.
Изобретение относится к области электротехники и электроэнергетики, а именно к релейной защите и автоматике. Задача определения интервалов однородности (сегментации) наблюдаемого процесса встречается в различных приложениях. Это пусковые органы релейной защиты, фильтры аварийной составляющей, устройства блокировки при качаниях в системе, корректоры тока, искаженного насыщением измерительного трансформатора, селекторы режима, отличающие короткое замыкание от броска тока намагничивания силового трансформатора.
Известны способы сегментации и реализующие их устройства (сегментаторы), связанные с применением цифровых заграждающих фильтров [1-4], которые призваны подавлять электрическую величину на интервалах однородности. В результате в структуре релейной защиты появляется дополнительный модуль, не связанный с выполнением каких-либо иных функций, кроме сегментации. Такое техническое решение связано с усложнением защиты, особенно в тех случаях, когда сегментация предусматривается для нескольких электрических величин.
В состав микропроцессорных защит входят в обязательном порядке фильтры ортогональных составляющих, притом для всех без исключения электрических величин. Выходной сигнал такого фильтра – комплексная величина (комплекс). Известно техническое решение, осуществляющее сегментацию контролируемого процесса не по входным электрическим величинам, а по комплексам [5]. Результатом могло бы стать двойное упрощение процедуры цифровой обработки входных величин: во-первых, используются имеющиеся модули защиты, а во-вторых, информация о процессе на интервале однородности предстает в удобной форме как вещественная и мнимая части комплекса синусоидальной составляющей или как ее амплитуда и фаза. Однако в [5] задача сегментации не доведена до логического завершения, так как комплексный сигнал без автономного анализа был подвергнут последующей обработке опять-таки в заграждающем фильтре, хотя и своеобразном, способном работать с комплексными сигналами. Тем самым решается задача фильтрации аварийной составляющей, но что касается сегментации, то здесь очевиден недостаток прототипа: о смене одного режима другим судят не по собственному комплексному сигналу фильтра ортогональных составляющих, а по сигналу последующего блока.
Цель изобретения состоит в упрощении способа определения интервалов однородности электрической величины.
Достижение поставленной цели оказалось возможным благодаря обнаружению простого критерия стабильности комплексного или, что то же, двух вещественных сигналов фильтра ортогональных составляющих. Критерий задается в форме характеристики срабатывания исполнительного реле. Всего в операциях задействуются четыре сигнала. Первый и второй – ортогональные составляющие входной электрической величины. Третий и четвертый – производные от двух первых, формируемые из каждой пары их отсчетов. Всего в преобразовании на каждом шаге участвуют четыре отсчета – два первого сигнала и два второго. Третий сигнал формируется как сумма квадратов всех четырех отсчетов. Четвертый – как удвоенная сумма произведений отсчетов одноименных сигналов. Исполнительное реле включается на третий и четвертый сигналы и его характеристика задается на плоскости, где эти два сигнала служат координатами. Срабатывание исполнительного реле указывает начало интервала однородности входной электрической величины, возврат – его окончание.
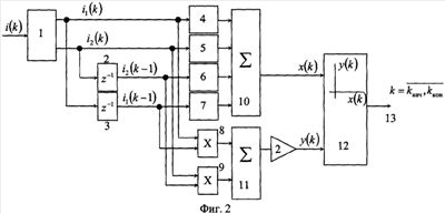
На фиг.1 приведена векторная диаграмма, поясняющая принятый критерий однородности процесса; на фиг.2 представлена структура сегментатора, реализующего предлагаемый способ; фиг.3 иллюстрирует процесс с подлежащим определению интервалом однородности; на фиг.4 приведен пример сегментации реального процесса короткого замыкания, искаженного вследствие насыщения измерительного трансформатора тока; на фиг.5 – характеристика срабатывания исполнительного реле.
Далее используются следующие обозначения:
k – дискретное время,
i(k) – входная электрическая величина,
– комплексный выходной сигнал фильтра ортогональных составляющих,
i1(k) и i2(k) – ортогональные составляющие,
– предшествующие отсчеты сигналов , i1, i2,
– приращение выходного сигнала,
Im(k) – модуль приращения,
– разность фаз соседних отсчетов сигнала.
Сегментатор, реализующий предлагаемый способ, состоит из фильтра ортогональных составляющих 1 с входным сигналом i(k) и выходными – первым и вторым сигналами i1(k), i2(k), элементов задержки 2 и 3, квадраторов 4-7, умножителей 8, 9, сумматоров 10, 11 и исполнительного реле 12, выходным сигналом которого служит моменты начала и окончания интервала однородности kнач и kкон.
Процесс короткого замыкания включает в себя продолжительный участок 14 предшествующего режима, короткий интервал правильной трансформации 15 и последующий участок 16 насыщения измерительного трансформатора тока.
Характеристика срабатывания исполнительного реле 12 представлена двумя лучами 17, 18 на плоскости третьего x(k) и четвертого y(k) сигналов. Лучи примыкают к биссектрисе 19 первого квадранта, причем верхний луч 18 практически совпадает с нею.
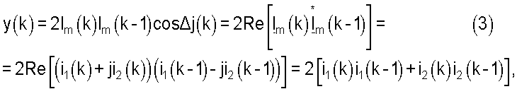
Критерий однородности электрической величины выводится из соотношения между модулями Im(k), Im(k-1), Im(k) комплексов , , (фиг.1)

Величины, входящие в (1), выражаются через ортогональные составляющие


где звездочкой отмечен сопряженный комплекс.
Критерий однородности заключается в предположении, что на плоскости x, y имеется возможность задать характеристику срабатывания исполнительного реле 12 таким образом, чтобы оно срабатывало только на интервале однородности входной величины. В самом деле, на этом интервале фильтр ортогональных составляющих выходит в стационарный режим и начинает выдавать почти постоянный сигнал . Равенство (1) принимает в таких условиях вид

где (k)=( Im(k))2 – положительная величина, малая в сравнении с x(k) и y(k). Следовательно, отображение однородного процесса на плоскости исполнительного реле будет располагаться чуть ниже биссектрисы координатного угла (фиг.5).
Реализация предлагаемого способа заключается в преобразовании входной величины i(k) в ортогональные составляющие i1(k), i2(k), совершаемом фильтром 1, в сохранении в памяти предыдущих отсчетов i1(k-1), i2(k-1) с помощью элементов задержки 2, 3, в квадратировании четырех отсчетов и суммировании четырех квадратированных величин, что делают квадраторы 4-7 и сумматор 10, в перемножении одноименных отсчетов элементами 8, 9 и суммировании произведений элементом 11, наконец, в проверке условия срабатывания исполнительного реле 12. Выходной сигнал 13 появляется с задержкой относительно момента kнач на время установления фильтра ортогональных составляющих 1.
Простейший фильтр ортогональных составляющих имеет первый порядок и действует по алгоритму


где 0 – частота сети;
– интервал дискретизации.
На фиг.4 приведен пример сегментации реального тока короткого замыкания по ортогональным составляющим, выделяемым фильтром (5). Характеристика срабатывания исполнительного реле 12 представляла собой узкий сектор с углом в 3°, образованным лучом 17 и биссектрисой 19. Реле выделило отсчеты тока, отмеченные на осциллограмме крупными точками. Сверху над каждым выделенным интервалом однородности указаны значения комплекса , выдаваемые более мощными фильтрами ортогональных составляющих, чем (5). Имеется в виду способность фильтров повышенных порядков уточнять результаты, даваемые простейшим фильтром. Так, на первом интервале однородности, состоящим из 4-х отсчетов, использовался фильтр третьего порядка, на втором интервале, где только 3 отсчета, – второго порядка, и т.д. Далее интервалы однородности объединялись в единый информационный массив, и порядок фильтра еще более повышался. Для семи отсчетов первого и второго интервалов применен фильтр 6-го порядка. Как видим, результаты фильтрации довольно близки, точность оценки комплекса на первом интервале однородности достаточна для работы релейной защиты. Следовательно, применение простого способа сегментации способствует ускорению защиты энергообъектов.
Источники информации
1. Патент РФ №1817153, кл. Н01Н 83/22, 1991.
2. Патент РФ №2012086, кл. Н01Н 83/22, 1991.
3. Патент РФ №2012971, кл. Н02Н 3/38, Н01Н 83/20, 1991.
4. Патент РФ №2082270, кл. Н02Н 3/38, Н02Н 7/045, 1994.
5. Патент РФ №2035815, кл. Н02Н 3/38, Н02Н 7/26, Н01Н 83/22, 1992.
Формула изобретения
Способ определения интервалов однородности электрической величины путем ее преобразования цифровым фильтром ортогональных составляющих в отсчеты первого и второго сигналов, отличающийся тем, что каждую пару соседних отсчетов первого и второго сигналов преобразуют в третий и четвертый сигналы, третий сигнал формируют как сумму квадратов четырех упомянутых отсчетов, четвертый сигнал формируют как удвоенную сумму произведений одноименных сигналов из числа четырех упомянутых отсчетов, подают третий и четвертый сигналы на исполнительное реле, характеристику срабатывания которого задают на плоскости этих двух сигналов, и судят о начале и окончании интервала однородности электрической величины по срабатыванию и возврату исполнительного реле.
РИСУНКИ
|
|