|
|
(21), (22) Заявка: 2006118226/28, 23.05.2006
(24) Дата начала отсчета срока действия патента:
23.05.2006
(46) Опубликовано: 10.02.2008
(56) Список документов, цитированных в отчете о поиске:
US 6553833 B1, 29.04.2003. US 6067858 А, 30.05.2000. ПЕШЕХОНОВ В.Г. и др. Результаты разработки микромеханического гироскопа. XII Санкт-Петербургская международная конференция по интегрированным навигационным системам 23-25 мая 2005, с.268-274. RU 2272994 С1, 27.03.2006. RU 2209394 С2, 27.07.2003. JP 2000105125 А, 11.04.2000. US 7032451 В2, 25.04.2006. WO 2005075939 A1, 18.08.2005.
Адрес для переписки:
197046, Санкт-Петербург, ул. М. Посадская, 30, ФГУП ЦНИИ “Электроприбор”, первому зам. директора В.М. Зиненко
|
(72) Автор(ы):
Некрасов Яков Анатольевич (RU)
(73) Патентообладатель(и):
Федеральное государственное унитарное предприятие “Центральный научно-исследовательский институт “Электроприбор” (RU)
|
(54) СПОСОБ ПОДСТРОЙКИ РЕЗОНАНСНОЙ ЧАСТОТЫ ПОДВЕСА ПОДВИЖНОЙ МАССЫ МИКРОМЕХАНИЧЕСКОГО ГИРОСКОПА С ГЛУБОКОЙ ОБРАТНОЙ СВЯЗЬЮ ПО СКОРОСТИ ПЕРЕМЕЩЕНИЯ ПОДВИЖНОЙ МАССЫ ПО ОСИ ВТОРИЧНЫХ КОЛЕБАНИЙ И МИКРОМЕХАНИЧЕСКИЙ ГИРОСКОП
(57) Реферат:
Изобретение относится к области микромеханики, в частности к микромеханическим гироскопам (ММГ) вибрационного типа. В способе подстройки резонансной частоты подвеса подвижной массы (ПМ) микромеханического гироскопа (ММГ) по оси вторичных колебаний с глубокой отрицательной связью по скорости перемещения ПМ по оси вторичных колебаний используют сигнал, пропорциональный силе, компенсирующей квадратурную помеху. Фаза этого сигнала при совпадении резонансных частот подвесов по осям первичных и вторичных колебаний сдвинута на 90° относительно сигнала емкостного датчика по оси первичных колебаний. Для подстройки частоты определяют среднюю составляющую произведения сигналов датчиков перемещения подвижной массы по оси первичных колебаний и сигнала, ортогонального сигналу обратной связки изменяют формируемое напряжение до тех пор, пока полученная средняя составляющая произведения не станет равной нулю. ММГ содержит ПМ на двухосном резонансном подвесе, два емкостных датчика перемещения ПМ, дополнительные электроды, расположенные по оси вторичных колебаний, дифференцирующее звено, демодулятор, суммирующее устройство, интегратор и делительное устройство. Техническим результатом является упрощение конструкции ММГ и увеличение точности подстройки резонансной частоты подвеса ПМ ММГ по оси вторичных колебаний. 2 с.п. ф-лы, 4 ил.
Изобретение относится к области микромеханики, в частности к микромеханическим гироскопам (ММГ) вибрационного типа и схемам подстройки параметров колебательных контуров подвеса в этих гироскопах.
В ММГ подвижная масса (ПМ) крепится к основанию с помощью, по крайней мере, двухосного резонансного подвеса. Резонансная частота подвеса по оси первичных колебаний выбирается ниже резонансной частоты подвеса по оси вторичных колебаний. Возможны режимы работы ММГ как с совпадением резонансных частот подвеса, так и работа с малым сдвигом резонансных частот этих подвесов. В обоих случаях подстройка резонансных частот осуществляется за счет использования так называемой отрицательной жесткости и достигается путем подачи напряжения определенной величины на электроды, которые располагаются на оси вторичных колебаний. Пример реализации такой подстройки приведен на стр.412-413 в книге Распопов В.Я. Микромеханические приборы, 2-ое издание. Тул. Гос. Университет. Тула, 2004 г. 475 стр. А пример работы ММГ с расстройкой резонансных частот подвесов приведен на стр.451 рис.5.5.3 этой книги.
В работе [Пешехонов и др. Результаты разработки микромеханического гироскопа. XII Санкт-Петербургская международная конференция по интегрированным навигационным системам 23-25 мая 2005 г., стр.268-274] описан ММГ RR-типа, в котором для управления используются электроды, расположенные на крышке. Эти же электроды могут использоваться для сведения резонансных частот подвесов, как это было предложено в пат. США №6067858. Возможность подстройки резонансной частоты постоянным напряжением, подаваемым на электроды, показана в статье (J.Kim et al., AnX-Axis Single – Crystalline Silicon Microgyroscope Fabricated by Exteded SBM Process. Journal of Micromechanical System vol/14N3 June 2005, pp.444-454, fig. 12).
ММГ, в котором осуществляется подстройка резонансной частоты подвеса по оси вторичных колебаний путем подачи напряжений на соответствующие электроды, описан в пат. США №6067858 (см. fig. 23, колонка 22 описания).
Способ подстройки резонансной частоты подвеса по оси вторичных колебаний в ММГ RR-типа и сам ММГ описаны в пат. США №6553833.
Этот способ заключается в формировании напряжений на электродах, расположенных по оси вторичных колебаний, причем для формирования указанного напряжения формируют два дополнительных сигнала, частоты которых отличаются на величины + f и – f от F1 частоты, с которой колеблется ПМ. Эти дополнительные сигналы подаются на электроды, расположенные по оси вторичных колебаний, и вызывают колебания ПМ по оси вторичных колебаний соответственно с частотами F1± f. Если резонансная частота подвеса по оси вторичных колебаний совпадает с частотой F1, то амплитуды колебаний ПМ на частотах F1± f равны, если же, например, резонансная частота подвеса по оси вторичных колебаний выше F1, то амплитуда колебаний ПМ на частоте F1+ f оказывается больше, чем F1- f. Как указано в абзацах 60-65 столбца 4 описания патента величина f может составлять 100 Гц. Далее в соответствии с описанным в патенте способом путем детектирования выделяют амплитуды сигналов этих частот, получаемых на выходе преобразователя емкость – напряжение 2 (см. фиг.3 описания), и в зависимости от разности выделенных амплитуд формируют напряжения. Для подстройки резонансной частоты изменяют величины формируемых напряжений до тех пор, пока амплитуды указанных сигналов не сравняются.
Устройство, в котором реализован описанный способ подстройки резонансной частоты подвеса по оси вторичных колебаний, приведено на фиг.3 описания к патенту США №6553833. Оно представляет собой микромеханический гироскоп, содержащий подвижную массу на двухосном резонансном подвесе, первый емкостной датчик перемещения ПМ, образованный электродами, расположенными на оси первичных колебаний, и первым преобразователем C/U 10 (на фиг.3), входы которого соединены с этими электродами, второй емкостной датчик перемещения ПМ, образованный электродами, расположенными на оси вторичных колебаний, и вторым преобразователем C/U 2 (на фиг.3), входы которого соединены с этими электродами, электроды, расположенные по оси вторичных колебаний, синхронный демодулятор (7), генератор тестовых сигналов (6), выход которого через схему формирования напряжения (9) соединен с электродами, расположенными на оси вторичных колебаний. ММГ содержит также адаптивный компенсатор квадратуры (8), обеспечивающий снижение или подавление квадратурной помехи. В этом ММГ отрицательная обратная связь по выходному сигналу датчика перемещений ПМ по оси вторичных колебаний не глубокая, она выполняет только функцию демпфирования, т.е. уменьшения добротности резонансного подвеса с величин более 40 дБ до величины, примерно равной 20 дБ. Таким образом, в этом ММГ съем информации об угловой скорости происходит фактически с выхода датчика перемещений ПМ по оси вторичных колебаний, при этом за счет сведения резонансных частот подвесов достигается работа ММГ на пике резонансной кривой (см. фиг.4 пат. США №6553833) и 10-кратное увеличение крутизны ММГ.
Известны ММГ с введенной глубокой обратной связью по скорости перемещения подвижной массы по оси вторичных колебаний (Woon-Tahk Sung и др. “H Controller Design of MEMS Gyroscope and Its Performance Test” (№0-7803-8416-4/04/$20.00©2004 IEEE), включающие в себя подвижный механический элемент, измерительные электроды, к которым подключен вход ПИД-регулятора, и силовые электроды, на которых формируется напряжение с выхода ПИД-регулятора. В случае, когда в ММГ отсутствует квадратурная помеха, то сформированное на силовых электродах напряжение пропорционально Кориолисову ускорению. При наличии квадратурной помехи в составе сформированного на силовых электродах напряжения будет присутствовать составляющая, пропорциональная этой помехе. В этих ММГ за счет глубокой обратной связи обеспечивается компенсация сил, обусловленных кориолисовыми ускорениями и сил, вызывающих перемещения ПМ в виде квадратурной помехи. Это позволяет снижать зазор между ПМ и электродами без уменьшения динамического диапазона работы ММГ из-за ограничений свободного хода ПМ по оси вторичных колебаний. Дополнительными преимуществами введения глубокой обратной связи является повышение линейности ММГ, т.к. компенсирующая сила линейно зависит от формируемого напряжения (правда, при наличии фиксированного постоянного напряжения) и на эту характеристику не оказывает влияние нелинейность емкостного датчика перемещения ПМ, т.к. само перемещение отсутствует или очень мало. Кроме того, возрастает и полоса пропускания ММГ, которая уже не определяется полосой пропускания резонансного подвеса.
Вариант ММГ с введенной глубокой обратной связью по скорости перемещения ПМ по оси вторичных колебаний приведен в работе X.Jiang et al. SD Capacitive Interface for a Vertically – Driven X&Y-Axis Rate Gyroscope, ESSCIRC 2002, pp.639-642. В этом ММГ дифференцирующее звено, включенное между выходом датчика перемещения ПМ и электродами, реализовано цифровыми методами (см. fig.3) и имеет передаточную функцию вида (2 – z-1). Как уже отмечалось, ММГ с введенной глубокой обратной связью по скорости перемещения подвижной массы имеют широкую полосу пропускания, т.е. их частотная характеристика остается плоской в достаточно широкой полосе частот. Поэтому известный способ подстройки резонансной частоты по пат. США №6553833 не может быть использован. Как будет показано ниже, настройка резонансной частоты подвеса по оси вторичных колебаний на частоту первичных колебаний позволяет в ММГ с глубокой обратной связью уменьшить ошибку в контуре при низких частотах измеряемой угловой скорости и тем самым увеличить точность ММГ на низких частотах.
Способ подстройки резонансной частоты подвеса по оси вторичных колебаний в ММГ, в котором используется способ, описанный в пат. США №6067858, принят в качестве прототипа.
В способе-прототипе подстройку резонансной частоты подвеса подвижной массы микромеханического гироскопа осуществляют путем формирования напряжения по крайней мере на одном из электродов, расположенных по оси вторичных колебаний (см. абзац 20 столбца 9 пат. США №6067858, где говорится о напряжении между ПМ 22 и электродом 62). Величина напряжения между указанными элементами может быть определена экспериментально, например, как описано в упомянутой выше статье J.Kim et al. Недостатком способа-прототипа является необходимость экспериментального определения необходимого для настройки в резонанс напряжения, что может быть связано с затратами, превосходящими стоимость изготовления ММГ.
В устройстве-прототипе, в качестве которого выбран ММГ по пат. США №6553833 (см. фиг.3), содержатся ПМ на двухосном резонансном подвесе, первый емкостный датчик перемещения ПМ, образованный электродами, расположенными на оси вторичных колебаний, и первым преобразователем C/U 2 (на фиг.3), входы которого соединены с этими электродами, второй емкостный датчик перемещения ПМ, образованный электродами, расположенными на оси первичных колебаний, и вторым преобразователем C/U 10 (на фиг.3), входы которого соединены с этими электродами, электроды, расположенные по оси вторичных колебаний, синхронный демодулятор (7), входы которого соединены с выходами преобразователей C/U, при этом выход первого преобразователя C/U через блок подстройки частоты (5) и схему формирования напряжения (9) соединен с электродами, расположенными на оси вторичных колебаний. В этом ММГ выходом является выход демодулятора (7). Отметим, что преобразователи C/U могут быть выполнены как преобразователи ток – напряжение на трансрезистивных усилителях в случае, если на ПМ есть постоянное или переменное напряжение. Хотя в устройстве-прототипе и используется обратная связь по сигналу датчика перемещения ПМ по оси вторичных колебаний, эта связь не глубокая, а демпфирующая, т.е. уменьшающая амплитуду колебаний ПМ, а не стабилизирующая положение ПМ в центральном положении, как это имеет место при глубокой отрицательной связи. Кроме того, примененная в нем подстройка резонансной частоты требует формирования на электродах дополнительных сигналов, что приводит к возникновению помех и ухудшению точности ММГ.
Задачей изобретения является увеличение точности подстройки резонансной частоты подвеса ПМ ММГ по оси вторичных колебаний и исключение операций индивидуальной подстройки или нахождения напряжений, необходимых для обеспечения совпадений резонансных частот. Кроме того, задачей изобретения является повышение точности ММГ и упрощение его конструкции.
Поставленная задача достигается тем, что для формирования напряжения на электродах, используемого при подстройке резонансной частоты в ММГ с глубокой обратной связью по скорости перемещения ПМ по оси вторичных колебаний, определяют среднюю составляющую произведения сигналов датчиков перемещения подвижной массы по оси первичных колебаний и сигнала, ортогонального сигналу обратной связи, и изменяют формируемое напряжение до тех пор, пока полученная средняя составляющая произведения не станет равной нулю.
Кроме того, поставленная задача достигается тем, что в ММГ, содержащем ПМ на двухосном резонансном подвесе, первый емкостный датчик перемещения ПМ, образованный первой парой электродов, расположенных на оси вторичных колебаний, и первым устройством преобразования тока в напряжение на основе трансрезистивного усилителя, входы которого соединены с первой парой электродов, второй емкостный датчик перемещения ПМ, образованный второй парой электродов, расположенных на оси первичных колебаний, и вторым устройством преобразования тока в напряжение на основе трансрезистивного усилителя, входы которого соединены со второй парой электродов, дополнительные электроды, расположенные по оси вторичных колебаний, демодулятор, входы которого соединены с выходами емкостных датчиков, устройство суммирования, первый вход которого соединен с выходом первого устройства преобразования тока в напряжение, а выход – с электродами, расположенными на оси вторичных колебаний, что в него введены интегратор и делительное устройство, при этом вход интегратора подключен входом к выходу демодулятора, выход интегратора соединен со вторым входом устройства суммирования, делительное устройство соединено одним входом с выходом демодулятора, а другим входом – с выходом интегратора.
По существу, в предложенном способе используется свойство резонансной цепи вносить равный 90° фазовый сдвиг в выходной сигнал на частоте резонанса по отношению к входному сигналу, которым является сигнал ошибки замкнутой системы стабилизации положения ПМ. Благодаря вносимому резонансным контуром сдвигу фазы на 90° на резонансной частоте квадратурная помеха при совпадении резонансных частот оказывается ортогональна к сигналу датчика перемещения ПМ по оси первичных колебаний. Поэтому нулевое значение произведения этих сигналов соответствует совпадению резонансных частот. Реализация предложенного способа подстройки резонансной частоты достигается введением двух элементов – интегратора и делителя, что, незначительно увеличивая сложность ММГ, обеспечивает повышение его точности и исключает индивидуальную настройку в ММГ. Дополнительным эффектом, обеспечивающим повышение точности ММГ, является и то, что за счет подстройки резонансной частоты обеспечивается подстройка фазы опорного сигнала по отношению к полезному (составляющая, обусловленная действием кориолисова ускорения). Это приводит к более точному выделению полезного сигнала и подавлению квадратурной помехи при демодуляции полезного сигнала.
Заявленные способ и устройство поясняются чертежами.
На фиг.1 приведена блок-схема системы стабилизации положения ПМ в канале вторичных колебаний ММГ.
На фиг.1 приняты следующие обозначения:
1 – ПМ, представленная в виде узла, суммирующего действующие на нее силы (или моменты в случае ММГ RR-типа),
2 – резонансный подвес, представленный в виде блока с передаточной функцией, соответствующей резонансному звену,
3 – датчик перемещения ПМ по оси вторичных колебаний,
4 – дифференцирующее звено,
5 – устройство суммирования.
На фиг.2 приведены в верхней части фиг.2 амплитудно-частотная характеристика (АЧХ) для ошибки системы, приведенной на фиг.1, и в нижней части – фазово-частотная характеристика (ФЧХ) сигнала Uc. Стрелкой вынесена часть АЧХ в большем масштабе.
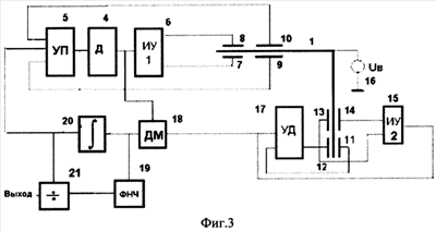
На фиг.3 приведена блок-схема ММГ, в котором реализован предложенный способ.
На фиг.3 приняты следующие обозначения:
1 – ПМ, представленная в виде проводящего тела, являющегося общим электродом,
4 – дифференцирующее звено,
5 – устройство суммирования,
6 – первое устройство преобразования тока в напряжение на основе трансрезистивного усилителя,
7, 8 – электроды датчика перемещения ПМ, расположенные по оси вторичных колебаний,
9, 10 – дополнительные электроды, расположенные по оси вторичных колебаний,
11, 12 – электроды датчика перемещения ПМ, расположенные по оси первичных колебаний,
13, 14 – электроды гребенчатого двигателя,
15 – второе устройство преобразования тока в напряжение на основе трансрезистивного усилителя,
16 – источник переменного напряжения,
17 – устройство управления гребенчатым двигателем,
18 – демодулятор,
19 – фНЧ,
20 – интегратор,
21 – делитель.
На фиг.4 приведена принципиальная схема интегратора 20 и устройства суммирования 5.
На фиг.4 приняты следующие обозначения:
5 – устройство суммирования (справа от пунктирной линии),
20 – интегратор (слева от пунктирной линии),
22, 23 – операционные усилители,
24-26 – резисторы,
27 – конденсатор,
28 – источник постоянного напряжения,
29-31 – операционные усилители,
32-39 – резисторы.
Предлагаемый способ заключается в следующем.
В системе стабилизации положения ПМ 1 по оси вторичных колебаний (см. фиг.1) датчик перемещения ПМ 1 по оси вторичных колебаний 3 преобразует перемещения ПМ (обозначены X) в напряжение Uc, которое дифференцируется звеном 4 и устройством суммирования 5 совместно с электродами преобразует выходной сигнал звена 4 в силу Fкомп, действующую на ПМ 1. Эта сила компенсирует возмущения, действующие на ПМ1. Одно из них – сила Fк, обусловленная кориолисовым ускорением, – является полезным, а другое, обусловленное технологическими погрешностями изготовления, называют квадратурной помехой. Квадратурная помеха проявляется в виде ненулевого сигнала на выходе датчика перемещения ПМ при нулевой угловой скорости. При резонансной частоте подвеса по оси вторичных колебаний значительно большей резонансной частоты подвеса по оси первичных колебаний фаза сигналов квадратурной помехи и сигнала на выходе датчика перемещений по оси первичных колебаний совпадают. Причины, вызывающие квадратурную помеху можно представить в виде силы Fкв, которая синфазна с перемещениями ПМ 1 по оси первичных колебаний сигналом. Точность работы системы характеризуется величиной ошибки .
Передаточная функция по ошибке системы на фиг.1 имеет вид (входным воздействием являются силы Fкв, Fk)

Передаточная функция для сигнала Uc имеет вид

Из приведенной на фиг.2 АЧХ для передаточной функции W (p) видно, что ошибка принимает минимальное значение на определенной частоте. Эта частота как раз и является резонансной частотой подвеса ПМ по оси вторичных колебаний, т.е. при тех значениях p=i , при которых величина (Тр2+1)=0.
После подстановки этого значения в выражение (2) получим, что WUc(p) величина мнимая, и вносимый фазовый сдвиг в сигнал, действующий на ПМ, равен 90°. Это (минимальное значение ошибки и 90° сдвиг на резонансной частоте) иллюстрируют построенные АЧХ и ФЧХ и приведенные числовые значения, соответствующие положению курсора, установленного в точку с минимальным значением модуля передаточной функции (1). При практически одинаковых положениях курсоров на верхней и нижней частях фиг.2 (значение Х2), сдвиг фазы равен 90° (значение Y2).
Таким образом, при сведении резонансных частот для низкочастотных составляющих измеряемой угловой частоты можно значительно снизить ошибку ММГ с контуром глубокой отрицательной обратной связи. Критерием совпадения резонансных частот подвесов может быть вносимый 90° сдвиг сигналов, действующих на ПМ. Для определения вносимого фазового сдвига необходимо иметь опорный сигнал, синфазный с сигналом на входе системы. Такими свойствами, как уже отмечалось, обладают сигнал датчика перемещения подвижной массы по оси первичных колебаний и сила Fкв, под действием которой возникает квадратурная помеха, которая при отсутствии угловой скорости проявляется в виде сигнала Uc. Эти два сигнала ортогональны при выполнении условия (3). Поэтому и при перемножении сигналов датчиков перемещения постоянная составляющая их произведения равна нулю при выполнении условия (3). Таким образом, изменение в соответствии с предлагаемым способом напряжения на электродах, расположенных по оси вторичных колебаний, обеспечивает подстройка резонансной частоты подвеса ПМ по оси вторичных колебаний.
На фиг.3 с разных сторон проводящей ПМ 1 расположены электроды датчика перемещения ПМ 1 по оси вторичных колебаний 7, 8, образующие первую пару электродов, и электроды датчика перемещения ПМ 1 по оси первичных колебаний 11, 12, образующие вторую пару электродов. Эти пары электродов соединены соответственно с входами первого устройства преобразования тока в напряжение на основе трансрезистивного усилителя 6 и второго устройства преобразования тока в напряжение на основе трансрезистивного усилителя 15.
Первое устройство преобразования тока в напряжение на основе трансрезистивного усилителя 6 с конденсаторами, образованными ПМ 1 и электродами 7, 8, формирует датчик перемещения ПМ 1 по оси вторичных колебаний, а второе устройство преобразования тока в напряжение на основе трансрезистивного усилителя 15 с конденсаторами, образованными ПМ 1 и электродами 11, 12, формирует датчик перемещения ПМ 1 по оси первичных колебаний. Выход устройства 6 соединен с входом дифференцирующего звена 4, выход которого соединен с входом устройства суммирования 5 и входом демодулятора 18. Выходы устройства суммирования 5 соединены с дополнительными электродами 9, 10. Источник переменного напряжения 16 соединен с проводящей ПМ 1. Выход устройства 15 соединен с одним из входов демодулятора 18 и входом устройства управления гребенчатым двигателем 17, выходы которого соединены с электродами 13, 14 гребенчатого двигателя. Выход демодулятора 18 соединен с входами ФНЧ 19 и интегратора 20, выход которого соединен с дополнительным входом устройства суммирования 5 и входом делителя 21, к другому входу которого подключен выход ФНЧ 19.
ММГ на фиг.3 работает следующим образом. Источник 16 является источником возбуждения датчиков перемещения ПМ 1, он создает токи, протекающие через конденсаторы, образованные ПМ 1 и электродами 7, 8 и 11, 12. Частота напряжения источника 16 может находиться в пределах 0,1-5 мГц. Эти токи устройствами 6, 15 преобразуются в напряжения, величины которых зависят от смещения ПМ 1 от центрального положения по соответствующим осям. Выходные сигналы устройств 6, 15 представляют собой амплитудно-модулированные сигналы на несущей частоте, которая равна, как правило, резонансной частоте подвеса ПМ 1 по оси первичных колебаний. Эти сигналы на несущей поступают от устройства 6 через устройства 4, 5 к электродам 9, 10, формируя отрицательную обратную связь по сигналу перемещения ПМ 1 по оси вторичных колебаний, и от устройства 15 через устройство 17, формируя положительную обратную связь по сигналу перемещения ПМ 1 по оси первичных колебаний, вызывающую автоколебания ПМ 1 за счет действия сил, создаваемых гребенчатым двигателем. Работа гребенчатого двигателя, устройств преобразования тока в напряжение на основе трансрезистивного усилителя достаточно подробно описаны в литературе.
Для того чтобы при поступлении на электроды переменного напряжения, например угловой частоты , возникала сила (или момент), действующая на ПМ 1, необходимо наряду с переменным напряжением подавать на электроды постоянное напряжение.
Например, если переменная составляющая напряжения U1, поступающая в противофазе к электродам, равна U1=ASin t, то при постоянной составляющей Е результирующая сила, создаваемая электродами, будет пропорциональна А

Выходным сигналом ММГ с глубокой обратной связью является амплитуда переменной составляющей на дополнительных электродах. Поскольку звенья 4, 5 имеют постоянные коэффициенты передачи, выходной сигнал ММГ может быть сформирован не только преобразованием выходного напряжения звена 5, но и сигналов от элементов 4 и 6, как показано на фиг.3. На фиг.3 приведен вариант ММГ с минимальным числом дополнительных электродов и фазосдвигающих цепей. В этом варианте ММГ подстройка резонансной частоты ведется за счет изменения величины Е. Изменение величины Е при сохранении равенства (3), которое обеспечивается за счет наличия глубокой обратной связи, приводит к тому, что даже при постоянной величине Fk величина А может изменяться. Фактически, величина Е определяет масштабный коэффициент ММГ. Для исключения влияния напряжения Е на масштабный коэффициент ММГ в него введен делитель 21. Делитель выполняет операцию деления сигнала, который пропорционален величине ЕА, на величину, пропорциональную Е. Таким образом, зависимость масштабного коэффициента ММГ от регулируемой величины Е исключается.
В ММГ с большим числом электродов по оси вторичных колебаний можно одну пару электродов использовать для измерения перемещений ПМ 1, другую пару – для введения обратной связи, а остальные для подстройки резонансной частоты в соответствии с предложенным способом. В этом случае постоянная составляющая напряжения на электродах, используемых для введения обратной связи, не будет меняться. Поэтому делитель может быть исключен из состава блоков ММГ.
При настройке резонансной частоты подвеса по оси вторичных колебаний на частоту первичных колебаний полезный сигнал, пропорциональный величине Fk, на выходе устройства 6 оказывается синфазен опорному сигналу демодулятора 18, поступающему от интерфейсного устройства 15, а квадратурная помеха – ортогональна. Поэтому полезный сигнал в ММГ выделяется, а квадратурная помеха подавляется.
На фиг.4 интегратор 20 выполнен на ОУ 22, 23. В ОУ 22 конденсатор 27 включен между входом и выходом, а резистор 24 соединен с входом ОУ 22. Резистор 26 включен между входом и выходом ОУ 23, а резистор 25 включен между выходом ОУ 22 и инвертирующим входом ОУ 23. К неинвертирующему входу ОУ 23 подключен источник постоянного напряжения 28.
Устройство суммирования 5 включает в себя три ОУ 29-31, у которых между входом и выходом включены соответственно резисторы 33, 38, 39. Между входами ОУ 29, 31 и выходом устройства 4 включены резисторы 32, 37 соответственно. Между входами ОУ 30, 31 и выходом ОУ 23 включены резисторы 35, 36 соответственно. Между входом ОУ 30 и выходом ОУ 29 включен резистор 34.
Схема на элементах 22, 24, 27 – типичная схема интегратора, поэтому при одинаковых сопротивлениях резисторов 25, 26 напряжение U19 равно

где U28, U17 – напряжения на выходе устройства 28 и входе устройства 17 соответственно, к – коэффициент.
При одинаковых величинах резисторов 32-39, напряжения


т.е. имеют вид напряжений в выражении (3).
Таким образом, на фиг.3, 4 приведены схемы, реализующие предложенный способ подстройки резонансной частоты.
Формула изобретения
1. Способ подстройки резонансной частоты подвеса подвижной массы микромеханического гироскопа с глубокой обратной связью по скорости перемещения подвижной массы по оси вторичных колебаний, заключающийся в формировании напряжения по крайней мере на одном из электродов, расположенных по оси вторичных колебаний, отличающийся тем, что для формирования указанного напряжения определяют среднюю составляющую произведения сигналов датчика перемещения подвижной массы по оси первичных колебаний и сигнала обратной связи и изменяют формируемое напряжение до тех пор, пока полученная средняя составляющая произведения не станет равной нулю.
2. Микромеханический гироскоп, содержащий подвижную массу на двухосном резонансном подвесе, первый емкостный датчик перемещения подвижной массы, образованный первой парой электродов, расположенных на оси вторичных колебаний, и первым устройством преобразования тока в напряжение на основе трансрезистивного усилителя, входы которого соединены с первой парой электродов, второй емкостный датчик перемещения подвижной массы, образованный второй парой электродов, расположенных на оси первичных колебаний, и вторым устройством преобразования тока в напряжение на основе трансрезистивного усилителя, входы которого соединены со второй парой электродов, дополнительные электроды, расположенные по оси вторичных колебаний, дифференцирующее звено, вход которого соединен с выходом первого емкостного датчика, а выход – с входом устройства суммирования и входом демодулятора, выходы устройства суммирования соединены с дополнительными электродами, расположенными на оси вторичных колебаний, отличающийся тем, что в него введены интегратор и делительное устройство, при этом выход демодулятора соединен с входами фильтра низкой частоты и интегратора, выход которого соединен с дополнительным входом устройства суммирования и входом делительного устройства, к другому входу которого подключен выход фильтра низкой частоты.
РИСУНКИ
Другие изменения, связанные с зарегистрированными изобретениями
Изменения:
Зарегистрирован переход исключительного права без заключения договора Дата и номер государственной регистрации перехода исключительного права: 08.02.2010/РП0000532 Патентообладатель: Открытое акционерное общество «Концерн “Центральный научно-исследовательский институт «Электроприбор» Прежний патентообладатель: Федеральное государственное унитарное предприятие “Центральный научно-исследовательский институт “Электроприбор”
Номер и год публикации бюллетеня: 4-2008
Извещение опубликовано: 27.04.2010 БИ: 12/2010
|
|