|
|
(21), (22) Заявка: 2006130245/02, 21.08.2006
(24) Дата начала отсчета срока действия патента:
21.08.2006
(46) Опубликовано: 10.02.2008
(56) Список документов, цитированных в отчете о поиске:
RU 2246095 C1, 10.02.2005. GB 2221521 А, 30.05.1989. RU 2161293 C1, 27.12.2000. ЕР 0093804 А1, 16.11.1983. DE 3835627 A1, 03.05.1989.
Адрес для переписки:
300001, г.Тула, ул. Щегловская засека, ГУП “Конструкторское бюро приборостроения”
|
(72) Автор(ы):
Захаров Лев Григорьевич (RU), Копылов Юрий Дмитриевич (RU), Кострицин Андрей Владимирович (RU), Кузнецов Юрий Матвеевич (RU), Степаничев Игорь Вениаминович (RU)
(73) Патентообладатель(и):
Государственное унитарное предприятие “Конструкторское бюро приборостроения” (RU)
|
(54) СПОСОБ УПРАВЛЕНИЯ ПОДРЫВОМ ТАНДЕМНОЙ БОЕВОЙ ЧАСТИ И СИСТЕМА ДЛЯ ЕГО ОСУЩЕСТВЛЕНИЯ
(57) Реферат:
Изобретение относится к способу и системам управления подрывом тандемных боевых частей (БЧ), применяемых в системах артиллерийского и ракетного вооружения. Технический результат – повышение безопасности при функционировании системы подрыва тандемной БЧ, повышение надежности ее функционирования и снижение энергопотребления от бортового источника питания. Согласно изобретению осуществляют предварительный заряд первого и второго аккумулирующих конденсаторов от бортового источника питания через защитное устройство. Подают энергию с первого аккумулирующего конденсатора на первое взрывное устройство после замыкания контактов датчика подрыва. В момент замыкания контактов датчика подрыва подают питание на схему формирования задержанного импульса с предварительно заряженного от бортового источника питания третьего аккумулирующего конденсатора. Формируют задержанный импульс для подключения второго взрывного устройства ко второму аккумулирующему конденсатору. Описана система, содержащая источник энергии, в качестве которого используется бортовой двуполярный источник питания, к первому выводу которого подключен вход предохранительного устройства, первый токоограничивающий элемент, последовательно соединенный с первым аккумулирующим конденсатором. Выводы первого аккумулирующего конденсатора шунтированы цепью, состоящей из последовательно соединенных датчика подрыва и первого взрывного устройства. Система содержит второй токоограничивающий элемент, последовательно соединенный со вторым аккумулирующим конденсатором, выводы которого шунтированы цепью, состоящей из последовательно соединенных второго взрывного устройства и электронного ключа, управляющий вход которого подключен к выходу схемы задержки. Система содержит защитное устройство, вход которого подключен к выходу предохранительного устройства, а выходы – к первому и второму токоограничивающим элементам. Система содержит цепь из последовательно включенных третьего токоограничивающего элемента и третьего аккумулирующего конденсатора, подключенную ко второму выводу источника энергии. Система содержит устройство включения питания, выходы которого подключены к входам схемы задержки, а входы подключены: первый – к выводу датчика подрыва, соединенному с первым взрывным устройством, второй – к выводу третьего аккумулирующего конденсатора, соединенного с третьим токоограничивающим элементом. 2 н.п. ф-лы, 3 ил.
Предлагаемое изобретение относится к способу и системам управления подрывом тандемных боевых частей (БЧ), применяемых в системах артиллерийского и ракетного вооружения.
Тандемная БЧ содержит два пиротехнических заряда, первый из которых подрывается для разрушения защиты цели. С задержкой по времени, необходимой для срабатывания первого заряда и разрушения защиты, подрывается второй заряд, служащий для уничтожения самой цели.
Известен способ управления подрывом тандемной боевой части, выбранный в качестве прототипа – патент России №2246095 от 10.02.05 г. МПК 7 F42C 11/06. Этот способ заключается в том, что осуществляют предварительный заряд первого и второго аккумулирующих конденсаторов от бортового источника питания, подают энергию с первого аккумулирующего конденсатора на первое взрывное устройство после замыкания контактов датчика подрыва, в момент замыкания контактов датчика подрыва формируют импульс запуска, передним фронтом которого формируют задержанный импульс для подключения второго взрывного устройства ко второму аккумулирующему конденсатору.
Известна система управления подрывом тандемной боевой части, выбранная в качестве прототипа – патент России №2246095 от 10.02.05 г. МПК 7 F42C 11/06, реализующая этот способ, содержащая источник энергии, предохранительное устройство, датчик подрыва, первый аккумулирующий конденсатор, первое взрывное устройство и второй аккумулирующий конденсатор, выводы которого шунтированы цепочкой, состоящей из последовательно соединенных второго взрывного устройства и электронного ключа, управляющий вход которого подключен к выходу схемы задержки, два токоограничивающих элемента и формирователь импульса запуска, причем в качестве источника энергии использован бортовой источник питания, который подключен через предохранительное устройство к первым выводам первого и второго токоограничивающего элемента, вторые выводы которых соответственно с первым и вторым аккумулирующим конденсатором, при этом первый аккумулирующий конденсатор шунтирован цепочкой, состоящей из последовательно включенных первого взрывного устройства и датчика подрыва, вывод датчика подрыва, соединенный с первым взрывным устройством, подключен ко входу формирователя импульса запуска, выход которого соединен с входом схемы задержки, запитываемой от второго аккумулирующего конденсатора.
Известные способ и система имеют ряд недостатков (нумерация устройств и фиг. повторяет принятую в патенте России №2246095 от 10.02.05 г. МПК 7 F42C 11/06):
– питание схемы задержки от аккумулирующего конденсатора
а) питание схемы задержки от второго аккумулирующего конденсатора приводит к дополнительному падению напряжения на токоограничивающем элементе и недозарядке аккумулирующего конденсатора, а во время формирования задержки источник питания 1 может быть выведен из строя возникающей при ударе о цель перегрузкой и подрывом первой БЧ, и напряжение на аккумулирующем конденсаторе может снизиться ниже минимального напряжения питания схемы задержки или энергии заряда будет недостаточно для срабатывания второго взрывного устройства 12; при возникновении неисправности в схеме задержки, приводящей к увеличению потребляемого тока, происходит разряд аккумулирующего конденсатора и становится невозможной самоликвидация БЧ, предусмотренная на случай несрабатывания датчика цели или возникновения неисправности в системе подрыва второй БЧ;
б) необходимо обеспечить закрытое состояние ключа 13 при напряжении питания схемы задержки в диапазоне от 0 В до максимального напряжения на аккумулирующем конденсаторе, иначе заряд аккумулирующего конденсатора при срабатывании предохранительного устройства станет невозможным, а в худшем случае произойдет несанкционированное срабатывание второго взрывного устройства 12, при этом необходимо обеспечить открытое состояние ключа 13 при напряжении питания схемы задержки в диапазоне от максимального напряжения на аккумулирующем конденсаторе до 0 В при срабатывании схемы задержки для гарантированного срабатывания второго взрывного устройства 12 (реализация этих противоречивых требований без дополнительного источника или аккумулятора энергии невозможна);
в) в случае двуполярного бортового источника питания (схема, приведенная на фиг.2), сразу после подачи питания произойдет заряд аккумулирующих конденсаторов по цепи: первый вывод первого аккумулирующего конденсатора – первый токоограничительный элемент – второй токоограничительный элемент – второй аккумулирующий конденсатор – нижнее (по схеме) плечо источника питания – второй вывод первого аккумулирующего конденсатора, это снижает безопасность известной системы, так как в этом случае часть ступеней предохранения от несанкционированного срабатывания второго взрывного устройства 12 исключается, заряд первого аккумулирующего конденсатора происходит в обратной полярности, что может привести к запуску формирователя импульса запуска, что приведет к несанкционированному срабатыванию второго взрывного устройства 12;
– формирователь импульса запуска 11 по схеме, приведенной на фиг.3, формирует ложный импульс запуска схемы задержки при пропадании контакта между корпусным проводом батареи и корпусным проводом формирователя импульса запуска (при выполнении системы подрыва второй БЧ 8 и бортового источника питания 1 в некотором конструктивном удалении возникает необходимость в наличии разъемного соединения цепей, их связывающих, а при наличии вибрации, например при работе маршевого двигателя ракеты, в разъемах может возникать дребезг контактов, приводящий к кратковременному разрыву электрических цепей);
– схема задержки 14 начинает потреблять энергию от бортового источника питания сразу после срабатывания предохранительного устройства 2, тогда как по своему функциональному назначению она используется только после замыкания контактов датчика цели при попадании ракеты в цель.
Задачей настоящего изобретения является существенное повышение безопасности при функционировании системы подрыва тандемной БЧ, повышение надежности ее функционирования и снижение энергопотребления от бортового источника питания.
Поставленная задача решаются за счет того, что в способе управления подрывом тандемной боевой части, включающем предварительный заряд первого и второго аккумулирующих конденсаторов от бортового источника питания, подачу энергии с первого аккумулирующего конденсатора на первое взрывное устройство после замыкания контактов датчика подрыва, формирование задержанного импульса для подключения второго взрывного устройства ко второму аккумулирующему конденсатору, осуществляют предварительный заряд первого и второго аккумулирующих конденсаторов через защитное устройство, в момент замыкания контактов датчика подрыва подают питание на схему формирования задержанного импульса с предварительно заряженного от бортового источника питания третьего аккумулирующего конденсатора.
Система, реализующая этот способ, содержит источник энергии, в качестве которого используется бортовой двуполярный источник питания, к первому выводу которого подключен вход предохранительного устройства, первый токоограничивающий элемент, последовательно соединенный с первым аккумулирующим конденсатором, выводы которого шунтированы цепью, состоящей из последовательно соединенных датчика подрыва и первого взрывного устройства, второй токоограничивающий элемент, последовательно соединенный с вторым аккумулирующим конденсатором, выводы которого шунтированы цепью, состоящей из последовательно соединенных второго взрывного устройства и электронного ключа, управляющий вход которого подключен к выходу схемы задержки. Новым в системе является то, что введено защитное устройство, вход которого подключен к выходу предохранительного устройства, а выходы – к первому и второму токоограничивающим элементам, введена цепь из последовательно включенных третьего токоограничивающего элемента и третьего аккумулирующего конденсатора, подключенная ко второму выводу источника энергии, введено устройство включения питания, выходы которого подключены к входам схемы задержки, а входы подключены: первый – к выводу датчика подрыва, соединенному с первым взрывным устройством, второй – к выводу третьего аккумулирующего конденсатора, соединенного с третьим токоограничивающим элементом.
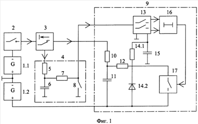
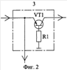
Предлагаемое изобретение поясняется фиг.1, 2 и 3. На фиг.1 приведен пример электрической схемы системы управления подрывом тандемной БЧ, на фиг.2 приведен пример выполнения защитного устройства, на фиг.3 приведена система управления подрывом второй БЧ и пример выполнения устройства включения питания, схемы задержки и электронного ключа.
На фиг.1 представлены: 1 – бортовой источник питания, 2 – предохранительное устройство, 3 – защитное устройство, 4 – система управления подрывом первой БЧ, 5 – первый токоограничивающий элемент, 6 – первый аккумулирующий конденсатор, 7 – первое взрывное устройство, 8 – датчик подрыва, 9 – система управления подрывом второй БЧ, 10 – второй токоограничивающий элемент, 11 – второй аккумулирующий конденсатор, 12 – второе взрывное устройство, 13 – устройство включения питания, 14 – третий токоограничивающий элемент, 15 – третий аккумулирующий конденсатор, 16 – схема задержки, 17 – электронный ключ. На фиг.2 приведен пример выполнения защитного устройства 3, где R1 – обычный резистор, VT1 – транзистор с малым обратным током коллектора, например типа 2Т312. На фиг.3 приведена система управления подрывом второй БЧ 9 и пример выполнения устройства включения питания 13, схемы задержки 16 и электронного ключа 17, где C1, C2, R1-R17, VD1, VT1-VT6 – обычные электрорадиоэлементы.
К отрицательному выводу бортового двуполярного источника питания 1 подключены через предохранительное устройство 2, защитное устройство 3, через первый токоограничивающий элемент 5 и второй токоограничивающий элемент 10 соответственно первый аккумулирующий конденсатор 6 и второй аккумулирующий конденсатор 11. К выводам первого аккумулирующего конденсатора 6 подключена цепь, состоящая из последовательно соединенных датчика подрыва 8 и первого взрывного устройства 7. К выводам второго аккумулирующего конденсатора 11 подключена цепь, состоящая из последовательно соединенных второго взрывного устройства 12 и электронного ключа 17, управляющий вход которого подключен к выходу схемы задержки 16. К плюсовому выводу бортового двуполярного источника питания 1 через третий токоограничивающий элемент 14 подключен третий аккумулирующий конденсатор 15. Питание на устройство включения питания 13 подается с третьего аккумулирующего конденсатора 15. Выводы питания схемы задержки 16 подключены к выходам устройства включения питания 13, вход которого подключен к первому выводу датчика подрыва 8 относительно корпусного провода питания.
Бортовой источник питания 1 может быть выполнен в виде батареи, например электрохимической, активируемой путем расплавления электролита. Предохранительное устройство 2, например устройство, описанное в патенте России №2199715 от 27.02.2003 г. МПК 7 F42B 15/01, токоограничивающие элементы 5 и 10, например, резисторы типа С2-33Н, аккумулирующие конденсаторы 6, 11 и 15, например конденсаторы типа К53-20, датчик подрыва 8, например контактный датчик цели, взрывные устройства 7 и 12, например электродетонаторы. Токоограничивающий элемент 14 может быть выполнен в виде последовательно соединенных резистора и диода.
Заявленный способ реализуется следующим образом. На ракете, после активации бортового источника питания, защитное устройство препятствует заряду первого и второго аккумулирующих конденсаторов. Это повышает безопасность системы, так как позволяет предохранительному устройству выполнять свою функцию – осуществлять заряд первого и второго аккумулирующих конденсаторов только тогда, когда подрыв БЧ безопасен для пускового устройства и его оператора. При этом третий аккумулирующий конденсатор беспрепятственно заряжается. Предохранительное устройство при срабатывании, например после старта ракеты и удаления ее на безопасное расстояние, подает напряжение с первого вывода источника питания на вход защитного устройства. С входа защитного устройства это напряжение подается на его выходы и заряжает первый и второй аккумулирующие конденсаторы. Электронный ключ выполнен таким образом, что открывается только при подаче на его управляющий вход тока или напряжения, а поскольку схема формирования задержанного импульса обесточена, с ее выхода не подается сигнал на электронный ключ и поэтому заряду второго аккумулирующего конденсатора ничто не препятствует.
В момент замыкания контактов датчика подрыва, например при касании ракетой цели, подключают цепи питания схемы формирования задержанного импульса к третьему аккумулирующему конденсатору. Одновременно в момент замыкания контактов датчика подрыва подается через них энергия с первого аккумулирующего конденсатора на первое взрывное устройство. При его срабатывании происходит подрыв первой БЧ, при этом возможно разрушение бортового источника питания и короткое замыкание цепей питания, поэтому питание схемы формирования задержанного импульса производится от третьего аккумулирующего конденсатора.
Задержанный импульс подается на управляющий вход электронного ключа, который подает энергию со второго аккумулирующего конденсатора на второе взрывное устройство, подрывающее вторую БЧ. Емкость третьего аккумулирующего конденсатора выбирают таким образом, чтобы обеспечить работу схемы формирования задержанного импульса и открытое состояние электронного ключа в течение времени полного разряда второго аккумулирующего конденсатора для максимального использования его энергии.
Система управления подрывом тандемной БЧ работает следующим образом. В исходном состоянии контакты датчика подрыва 8 и предохранительного устройства 2 разомкнуты. После активации бортового источника питания 1 происходит заряд третьего аккумулирующего конденсатора 15 через токоограничивающий элемент 14. Диод 14.2 предотвращает быстрый разряд конденсатора 15 в случае возможного короткого замыкания цепей питания после срабатывания первой БЧ и разрушения источника питания 1. Транзисторы VT1 и VT2 устройства включения питания 13 (фиг.3) закрыты, напряжение с третьего аккумулирующего конденсатора 15 не поступает на схему задержки 16. Резисторы R4 и R5 служат для того, чтобы транзистор VT1 не открылся обратным током коллектора VT2 и наоборот. Сопротивление резистора R4 выбирается таким образом, чтобы при наибольшем обратном токе коллектора VT1 падение напряжения на нем не превысило пороговое напряжение база – эмиттер транзистора VT2. Аналогично выбирается сопротивление резистора R5. Напряжение перехода база – эмиттер транзистора VT1 защитного устройства 3 (фиг.2) равно нулю, так как аккумулирующий конденсатор 6, подключенный к этому переходу через резистор R1 и первый токоограничивающий элемент 5, разряжен, поэтому транзистор VT1 (фиг.2) закрыт и заряд первого и второго аккумулирующих конденсаторов не происходит. Диод VD2 (фиг.3) предотвращает заряд второго аккумулирующего конденсатора 11 через ключ 17 и схему задержки 16.
После старта ракеты и удаления ее на безопасное расстояние контакты предохранительного устройства 2 замыкаются. При этом отрицательный потенциал от источника питания 1 подается на вход защитного устройства 3. Первый аккумулирующий конденсатор 6 заряжается через первый токоограничивающий элемент 5. Через эмиттерный переход транзистора VT1 (фиг.2) начинает протекать ток, ограниченный резистором R1, и транзистор VT1 открывается и заряжает второй аккумулирующий конденсатор 11 через второй токоограничивающий элемент 10. При этом от первого аккумулирующего конденсатора 6 заряжается конденсатор С1 (фиг.3) по цепи: первое взрывное устройство 7, резистор R1, конденсатор С1, резистор R2 (фиг.3), корпусной провод питания. Резистор R2 ограничивает ток заряда на уровне, безопасном для первого взрывного устройства 7. После заряда всех вышеперечисленных конденсаторов единственной цепью системы управления подрывом тандемной БЧ, потребляющей энергию от отрицательного плеча бортового источника питания, является базовая цепь транзистора VT1 защитного устройства 3 (фиг.2). На практике система, реализующая заявленный способ, потребляет ток, не превышающий одного миллиампера.
При касании ракетой, например цели, замыкаются контакты датчика подрыва 8 и первое взрывное устройство 7 подключается к первому аккумулирующему конденсатору 6. Одновременно происходит разряд конденсатора С1 (фиг.3) по цепи: диод VD1, эмиттерный переход транзистора VT2, замкнутые контакты датчика подрыва 8, резистор R1, который ограничивает базовый ток VT2. Транзистор VT2 открывается, его коллекторный ток открывает транзистор VT1, коллекторный ток которого поддерживает в открытом состоянии транзистор VT2. После этого происходит подрыв первой БЧ. Резисторы R3, R6 ограничивают потребляемый устройством включения питания 13 ток от третьего аккумулирующего конденсатора 15. Диод VD1 предотвращает закрывание транзистора VT2 при размыкании контактов датчика подрыва 8.
Через открытый транзистор VT1 напряжение питания со второго аккумулирующего конденсатора 15 подается на схему задержки 16. Представленная на фиг.3 схема задержки 16 отвечает следующим требованиям:
– переходные процессы при подаче питания не приводят к преждевременному открыванию электронного ключа 17;
– обеспечивается управление электронным ключом 17 при разрушении бортового источника питания и коротком замыкании цепей питания.
Время задержки определяется параметрами интегрирующей цепочки R8C2, при условии что сопротивление резистора R9 намного меньше сопротивления R8. После подачи питания на схему задержки конденсатор С2 начинает заряжаться. Напряжение на конденсаторе С2 сравнивается компаратором, выполненным на дифференциальном каскаде VT3 VT4, с опорным напряжением, которое формируется делителем R12 R13. В начале процесса зарядки конденсатора С2 транзистор VT3 закрыт, а VT4 – открыт. Через заданное время задержки напряжение на конденсаторе С2 достигает значения опорного и происходит переключение транзисторов. Положительная обратная связь, выполненная на резисторах R7, R9, R11, сокращает время переключения. Ток коллектора транзистора VT3 открывает каскад, выполненный на VT5, и электронный ключ на VT6. Введение промежуточного каскада на транзисторе VT5 и использование в качестве электронного ключа транзистора проводимости n-р-n существенно повышает надежность функционирования системы подрыва второй БЧ, так как обеспечивается управление электронным ключом 17 при коротком замыкании цепей питания после подрыва первой БЧ. Ключ 17 открывается втекающим током, а открытый транзистор VT5 совместно с резистором R16 обеспечивает наличие такого тока как при функционировании бортового источника питания, так и при коротком замыкании плюсовой и корпусной цепей питания. Таким образом второе взрывное устройство 12 подключается ко второму аккумулирующему конденсатору 11. Происходит подрыв второй БЧ.
Таким образом, в способе управления подрывом тандемной БЧ за счет того, что первый и второй аккумулирующие конденсаторы заряжают через защитное устройство, повышается безопасность за счет того, что введен третий аккумулирующий конденсатор для питания схемы задержки, повышена надежность за счет того, что питание на схему задержки подают после срабатывания датчика подрыва, снижено энергопотребление от бортового источника питания.
Надежность и безопасность предложенной системы управления подрывом тандемной БЧ подтверждена лабораторно-стендовыми испытаниями и пусками ракет.
Формула изобретения
1. Способ управления подрывом тандемной боевой части ракеты, включающий предварительный заряд первого и второго аккумулирующих конденсаторов от бортового источника питания, подачу энергии с первого аккумулирующего конденсатора на первое взрывное устройство после замыкания контактов датчика подрыва, формирование задержанного импульса для подключения второго взрывного устройства ко второму аккумулирующему конденсатору, отличающийся тем, что предварительный заряд первого и второго аккумулирующих конденсаторов осуществляют через защитное устройство, а в момент замыкания контактов датчика подрыва подают питание на схему формирования задержанного импульса с предварительно заряженного от бортового источника питания третьего аккумулирующего конденсатора.
2. Система управления подрывом тандемной боевой части ракеты, содержащая источник энергии, в качестве которого используется бортовой двуполярный источник питания, к первому выводу которого подключен вход предохранительного устройства, первый токоограничивающий элемент, последовательно соединенный с первым аккумулирующим конденсатором, выводы которого шунтированы цепью, состоящей из последовательно соединенных датчика подрыва и первого взрывного устройства, второй токоограничивающий элемент, последовательно соединенный с вторым аккумулирующим конденсатором, выводы которого шунтированы цепью, состоящей из последовательно соединенных второго взрывного устройства и электронного ключа, управляющий вход которого подключен к выходу схемы задержки, отличающаяся тем, что введены защитное устройство, вход которого подключен к выходу предохранительного устройства, а выходы – к первому и второму токоограничивающим элементам, цепь из последовательно включенных третьего токоограничивающего элемента и третьего аккумулирующего конденсатора, подключенная ко второму выводу источника энергии, устройство включения питания, выходы которого подключены к входам схемы задержки, первый вход устройства включения питания подключен к выводу датчика подрыва, соединенному с первым взрывным устройством, второй вход устройства включения питания подключен к выводу третьего аккумулирующего конденсатора, соединенного с третьим токоограничивающим элементом.
РИСУНКИ
|
|