|
|
(21), (22) Заявка: 2006120267/02, 08.06.2006
(24) Дата начала отсчета срока действия патента:
08.06.2006
(46) Опубликовано: 10.02.2008
(56) Список документов, цитированных в отчете о поиске:
RU 2147112 C1, 27.03.2000. RU 2151361 C1, 20.06.2000. US 4299393 А, 10.11.1981. ЕР 0287964 А2, 26.10.1988. DE 3413372 A1, 17.10.1985.
Адрес для переписки:
420075, г.Казань, ул. Липатова, 2, ЗАО НПП “Мифотекс”, В.П. Коннову
|
(72) Автор(ы):
Коннов Владимир Петрович (RU), Польский Юрий Ехилеевич (RU)
(73) Патентообладатель(и):
Закрытое акционерное общество “Научно-производственное предприятие “Мифотекс” (RU)
|
(54) УСТРОЙСТВО ОПРЕДЕЛЕНИЯ КООРДИНАТ И ИНДИКАЦИИ ТОЧЕК ПОРАЖЕНИЯ ЛАЗЕРНЫХ ИМИТАТОРОВ СТРЕЛЬБЫ
(57) Реферат:
Изобретение относится к лазерным системам имитации стрельбы и поражения личного состава и бронетехники. Технический результат – расширение области применения и упрощение устройства. Устройство согласно изобретению фиксирует и отображает координаты точки поражения цели лазерным имитатором стрельбы. Устройство содержит несущую основу мишенного поля с введенными в нее световолокнами, выходные концы которых объединены, выполнены геометрически подобными объекту поражения и оптически через цветоразделитель и входной объектив сопряжены с двухмерным матричным фотоприемником. К выходу фотоприемника подключен блок обработки информации. Для индикации точек поражения в устройство введены блок управления индикацией, двухмерная светоизлучающая матрица, таймер и блок управления светоизлучающей матрицей. Светоизлучающая матрица с помощью выходного объектива и цветоразделителя оптически сопряжена с выходными концами световолокон. 1 ил.
Изобретение относится к лазерным системам имитации стрельбы и поражения личного состава и бронетехники на полигонах и в учебных центрах.
Известны устройства (системы «Бесстрашие», «Зоркий» Россия, «MILS» США) для определения факта поражения личного состава и бронетехники на полигонах, в которых используются механические, световые и звуковые индикаторы поражения цели.
Недостатками этих видов устройств является только интегральная оценка поражения цели, не дающая возможности стрелку (наводчику) в ходе имитационного боя определить конкретную точку попадания на цели.
Известны также устройства для определения координат точек поражения стрелковых тренажеров в условиях тира: RU 2046272, RU 2083944, RU 2151361, RU 2556827, RU 2147112 C1.
Наиболее близким является изобретение RU 2147112 С1, в котором для определения координат цели использован «…экран тренажера, на котором лазерным излучателем формируется световое пятно, установленный напротив оптико-электронный приемник, содержащий две пары полосовых диафрагм, фоконов и фотоприемников, расположенных под углом 90° друг к другу, а также усилители фототока, схемы фиксации максимального уровня сигнала, аналого-цифровые преобразователи, вычислитель (ЭВМ) и устройство отображения результатов выстрела (монитор)…», выбранное в качестве прототипа. Недостатками прототипа являются: возможность применения только в условиях тира при наличии специализированной мишени, использование проецирующей оптики, сложность обработки информации, обусловленная организацией вывода изображения на фоторегистрирующие элементы.
Целью изобретения является создание устройства определения координат точек поражения лазерных имитаторов стрельбы и поражения (ЛИСП) с системой световой индикации точек поражения непосредственно на объекте (мишени).
Цель изобретения достигается тем, что в устройстве определения координат точек поражения ЛИСП, содержащем мишенное поле с несущей основой, фотоприемное устройство, блок обработки информации, световолокна, несущая основа размещена на объекте поражения, входные концы световолокон введены в несущую основу, выходные же концы световолокон объединены с образованием модели, геометрически подобной цели, и оптически, через цветоразделитель и входной объектив, сопряжены с двухмерной фотоприемной матрицей, соединенной с блоком обработки информации. К выходу блока обработки информации подключен блок управления индикацией, который через блок управления светоизлучающей матрицей и таймер соединен с двухмерной светоизлучающей матрицей, оптически сопряженной через выходной объектив и цветоразделитель с выходными концами световолокон.
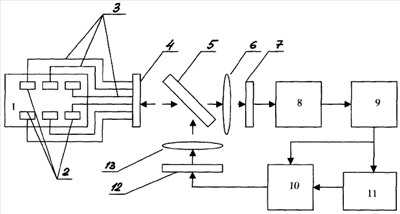
Изобретение поясняется чертежом.
На чертеже изображено: несущая основа мишенного поля 1, входные концы световолокон 2, световолокна 3, объединенные выходные концы световолокон 4, цветоразделитель 5, входной объектив 6, двухмерная фотоприемная матрица 7, блок обработки информации 8, блок управления индикацией 9, блок управления двухмерной светоизлучающей матрицей 10, таймер 11, двухмерная светоизлучающая матрица 12 и выходной объектив 13.
Устройство определения координат и индикации точек поражения работает следующим образом.
При попадании излучения лазерного имитатора стрельбы на входной конец световолокна 2, который расположен на несущей основе мишенного поля 1, оно через световолокно 3 поступает на выходной конец световолокна 4 и через цветоразделитель 5 и входной объектив 6 попадает на двухмерную фотоприемную матрицу 7. С выхода фотоприемной матрицы сигнал поступает в блок обработки информации 8, а затем в блок управления индикацией 9, который через блок управления двухмерной светоизлучающей матрицей 10 включает соответствующий элемент двухмерной излучающей матрицы 12, работающей в видимом диапазоне. Излучение элемента двухмерной светоизлучающей матрицы 12 через выходной объектив 13 и цветоразделитель 5 вводится в то же световолокно, по которому поступил сигнал поражения от лазерного имитатора стрельбы. Это обеспечивает появление видимого излучения из той точки мишенного поля, в которую попало излучение лазера. Время индикации точки поражения задается таймером 11.
Формула изобретения
Устройство определения координат и индикации точек поражения лазерных имитаторов стрельбы, содержащее мишенное поле с несущей основой, фотоприемное устройство, блок обработки информации, световолокна, отличающееся тем, что оно снабжено цветоразделителем, входным объективом, блоком управления индикацией, светоизлучающей матрицей, блоком управления светоизлучающей матрицы, выходным объективом и таймером, при этом в качестве фотоприемного устройства использован двухмерный матричный фотоприемник, входные концы световолокон введены в несущую основу мишенного поля, а выходные концы световолокон объединены с образованием модели, геометрически подобной объекту поражения, и оптически через цветоразделитель и входной объектив сопряжены с двухмерным матричным фотоприемником, который через блок обработки информации соединен с блоком управления индикацией, выход блока управления индикацией подключен одновременно к первому входу блока управления двухмерной светоизлучающей матрицей и через таймер к его второму входу, выход блока управления двухмерной светоизлучающей матрицей подключен к входу этой матрицы, которая через выходной объектив и цветоразделитель сопряжена с объединенными выходными концами световолокон.
РИСУНКИ
|
|