|
|
(21), (22) Заявка: 2006117608/11, 22.05.2006
(24) Дата начала отсчета срока действия патента:
22.05.2006
(46) Опубликовано: 10.02.2008
(56) Список документов, цитированных в отчете о поиске:
SU 976161 A1, 23.11.1982. SU 970020 A1, 30.10.1982. SU 950989 A1, 15.08.1982. GB 1259338 A, 05.01.1972. US 3807472 A, 30.04.1974.
Адрес для переписки:
660074, г.Красноярск, ул. Киренского, 26, СФУ, ПИО
|
(72) Автор(ы):
Лунев Александр Сергеевич (RU), Никитин Александр Анатольевич (RU)
(73) Патентообладатель(и):
Федеральное государственное образовательное учреждение высшего профессионального образования “Сибирский федеральный университет” (СФУ) (RU)
|
(54) ГИДРОПРИВОД СРЕЗАЮЩЕГО ОРГАНА
(57) Реферат:
Изобретение относится к гидроприводам срезающих устройств и может быть использовано в лесной промышленности. Гидропривод срезающего органа содержит гидравлический насос с всасывающей и напорной гидролиниями, бак, гидравлический распределитель, управляющий потоком рабочей жидкости, гидромотор, гидроцилиндр подачи срезающего органа. В гидроприводе дополнительно установлены второй гидроцилиндр подачи срезающего органа, кинематически соединенный штоком со штоком первого гидроцилиндра подачи срезающего органа, причем оба гидроцилиндра подачи срезающего органа выполнены одностороннего действия, реверсивный гидравлический насос, соединенный гидролиниями с гидроцилиндрами подачи срезающего органа и с блоком обратных и предохранительных клапанов. Гидромотор выполнен реверсивным и кинематически соединен с валом реверсивного насоса, а гидролиниями – с блоком предохранительных клапанов. Во всасывающей гидролинии, соединяющей блок предохранительных и обратных клапанов с баком, установлен фильтр очистки рабочей жидкости. В сливной гидролинии, соединяющей гидравлический распределитель и бак, установлен фильтр с предохранительным клапаном. Технический результат заключается в возможности обеспечения реверсивной подачи срезающего органа, возможности его подвода с удобной для пиления стороны, повышении вероятности вывода пильной цепи из запила при заклинивании. 1 ил.
Изобретение относится к гидроприводам срезающих устройств и может быть использовано в лесной промышленности.
Известен гидропривод механизма срезания лесозаготовительной машины, содержащий напорную и сливную гидролинии, подключенные к входам распределителя, гидроцилиндр подачи пильной шины со штоковой и поршневой полостями, гидромотор пильной цепи (Патент РФ №2014529, МПК F16Н 39/00, опубл. 1994 г.).
Наиболее близким к заявляемому является гидропривод срезающего устройства, содержащий гидромотор привода пильной цепи с входными и выходными гидролиниями, гидравлический насос с всасывающей и напорной гидролиниями, гидравлический распределитель, управляющий потоком рабочей жидкости, гидроцилиндр подачи со сливной гидролинией, управляющий срезающим органом. (Авт. св. СССР №976161, МПК F16Н 39/00, опубл. 1982 г.).
Недостатком известных гидроприводов является нереверсивная подача пильной цепи, невозможность подвода срезающего органа с удобной для пиления стороны, недостаточное обеспечение вывода пильной цепи из запила при заклинивании, в результате чего снижается надежность системы и производительность труда.
В основу изобретения положена задача, позволяющая обеспечить реверсивную подачу срезающего органа и возможность его подвода с удобной для пиления стороны, повышение вероятности вывода пильной цепи из запила при заклинивании, что ведет к повышению надежности устройства и производительности труда.
Поставленная задача достигается тем, что в гидроприводе срезающего устройства, содержащем гидравлический насос с всасывающей и напорной гидролиниями, бак, гидравлический распределитель, управляющий потоком рабочей жидкости, гидромотор, гидроцилиндр подачи срезающего органа, согласно изобретению дополнительно установлены гидроцилиндр подачи срезающего органа, кинематически соединенный штоком со штоком другого гидроцилиндра, причем оба гидроцилиндра выполнены одностороннего действия, реверсивный гидравлический насос, соединенный гидролиниями с гидроцилиндрами и с блоком обратных и предохранительных клапанов, а гидромотор выполнен реверсивным и кинематически соединен с валом реверсивного насоса, а гидролиниями – с блоком предохранительных клапанов, во всасывающей гидролинии, соединяющей блок предохранительных и обратных клапанов с баком, установлен фильтр очистки рабочей жидкости, в сливной гидролинии, соединяющей гидравлический распределитель и бак, установлен фильтр с предохранительным клапаном.
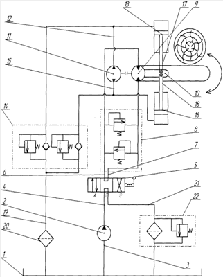
На чертеже представлена принципиальная гидравлическая схема срезающего органа.
Гидропривод содержит гидравлический бак 1 для рабочей жидкости, насос 2, соединенный всасывающей гидролинией 3 с баком 1, а напорной гидролинией 4 с гидравлическим распределителем 5, управляющий потоком рабочей жидкости, который соединен выходными гидролиниями 6 и 7 с блоком 8 предохранительных клапанов, который в свою очередь соединен с реверсивным нерегулируемым гидромотором 9, вращающим пильную цепь (не показана) срезающего органа 10, кинематически соединенным с реверсивным нерегулируемым гидронасосом 11, соединенным гидролинией 12 с гидроцилиндром 13 и блоком 14 предохранительных и обратных клапанов, а гидролинией 15 с гидроцилиндром 16 и блоком 14 предохранительных и обратных клапанов, гидроцилиндры 13 и 16 выполнены одностороннего действия и кинематически соединены штоками 17 и 18. Во всасывающей гидролинии 19, соединяющей блок 14 предохранительных и обратных клапанов с баком 1, установлен фильтр 20 очистки рабочей жидкости. В сливной гидролинии 21, соединяющей распределитель 5 и бак установлен фильтр 22 с предохранительным клапаном.
Гидропривод работает следующим образом.
Перед пилением включается позиция «Б» распределителя 5. Насос 2 по всасывающей гидролинии 3 подает рабочую жидкость из бака 1 в напорную гидролинию 4, далее жидкость течет из распределителя 5, по сливной гидролинии 21 через фильтр 22 в гидравлический бак 1. Гидромотор 9, гидронасос 11 и гидроцилиндры 13 и 16 не работают, что соответствует положению срезающего устройства перед пилением.
Для начала пиления либо для отвода срезающего устройства включается позиция «А» распределителя 5, рабочая жидкость из гидролинии 4 через распределитель 5 поступает по гидролинии 6 в блок 8 предохранительных клапанов, далее через гидромотор 9, блок 8 предохранительных клапанов, гидролинию 7, распределитель 5 в сливную гидролинию 21, по которой через фильтр 22 с предохранительным клапаном сливается в бак 1. Гидромотор 9 начинает вращать пильную цепь (не показана) срезающего органа 10 и вал гидронасоса 11, который начинает подавать рабочую жидкость по гидролинии 12 (ставшей напорной) в гидроцилиндр 13. Шток 17 гидроцилиндра 13 начинает выдвигаться, подавая срезающий орган. При выдвижении штока 17 происходит втягивание штока 18, за счет этого рабочая жидкость из поршневой полости гидроцилиндра 16 подается по гидролинии 15 (ставшей всасывающей), в насос 11. Для предотвращения слива рабочей жидкости из гидролинии 12 в бак 1, установлен блок 14 предохранительных и обратных клапанов.
Для отвода срезающего устройства, либо для начала пиления включается позиция «В» распределителя 5, рабочая жидкость из гидролинии 4 через распределитель 5 поступает по гидролинии 7 в блок 8 предохранительных клапанов, далее через гидромотор 9, блок 8 предохранительных клапанов, гидролинию 6, распределитель 5 в сливную гидролинию 21, по которой через фильтр 22 с предохранительным клапаном сливается в бак 1. Гидромотор 9 начинает вращать пильную цепь (не показана) срезающего органа 10 и вал гидронасоса 11, который начинает подавать рабочую жидкость по гидролинии 15 (ставшей напорной) в гидроцилиндр 16. Шток 18 гидроцилиндра 16 начинает выдвигаться, подавая срезающий орган. При выдвижении штока 18 происходит втягивание штока 17, за счет этого рабочая жидкость из поршневой полости гидроцилиндра 13 подается по гидролинии 12 (ставшей всасывающей), в насос 11. Для предотвращения слива рабочей жидкости из гидролинии 12 в бак 1, установлен блок 14 предохранительных и обратных клапанов.
Таким образом, гидропривод срезающего устройства позволяет осуществить реверсивную подачу и повысить вероятность вывода срезающего устройства из запила при заклинивании.
Формула изобретения
Гидропривод срезающего органа, содержащий гидравлический насос с всасывающей и напорной гидролиниями, бак, гидравлический распределитель, управляющий потоком рабочей жидкости, гидромотор, гидроцилиндр подачи срезающего органа, отличающийся тем, что в гидроприводе дополнительно установлены второй гидроцилиндр подачи срезающего органа, кинематически соединенный штоком со штоком первого гидроцилиндра подачи срезающего органа, причем оба гидроцилиндра подачи срезающего органа выполнены одностороннего действия, реверсивный гидравлический насос, соединенный гидролиниями с гидроцилиндрами подачи срезающего органа и с блоком обратных и предохранительных клапанов, а гидромотор выполнен реверсивным и кинематически соединен с валом реверсивного насоса, а гидролиниями – с блоком предохранительных клапанов, во всасывающей гидролинии, соединяющей блок предохранительных и обратных клапанов с баком, установлен фильтр очистки рабочей жидкости, в сливной гидролинии, соединяющей гидравлический распределитель и бак, установлен фильтр с предохранительным клапаном.
РИСУНКИ
|
|