|
|
(21), (22) Заявка: 2006112375/06, 13.04.2006
(24) Дата начала отсчета срока действия патента:
13.04.2006
(46) Опубликовано: 10.02.2008
(56) Список документов, цитированных в отчете о поиске:
Автоматический контроль и диагностика систем управления силовыми установками летательных аппаратов. – М.: Машиностроение, 1989, с.102. US 5402632 А, 04.04.1995. RU 2098668 C1, 10.12.1997. RU 2187711C1, 20.08.2002. RU 2255247 C1, 27.06.2005. DE 4202226 A1, 08.04.1993. US 5379583 A, 10.01.1995.
Адрес для переписки:
614990, г.Пермь, ГСП, Комсомольский пр-кт, 93, ОАО “Авиадвигатель”, отдел защиты интеллектуальной собственности
|
(72) Автор(ы):
Ипполитов Валерий Георгиевич (RU), Полулях Антон Иванович (RU), Савенков Юрий Семенович (RU), Саженков Алексей Николаевич (RU), Трубников Юрий Абрамович (RU)
(73) Патентообладатель(и):
Открытое акционерное общество “АВИАДВИГАТЕЛЬ” (RU)
|
(54) СПОСОБ ДИАГНОСТИКИ НЕУСТОЙЧИВОЙ РАБОТЫ КОМПРЕССОРА ГАЗОТУРБИННОГО ДВИГАТЕЛЯ НА ЗАПУСКЕ
(57) Реферат:
Изобретение относится к области раннего обнаружения неустойчивой работы компрессора газотурбинного двигателя на запуске и позволяет повысить быстродействие диагностики неустойчивой работы компрессора на основе информации о динамике изменения отношения первых производных контролируемых параметров Ттнд и nвд. Способ диагностики заключается в измерении температуры газов за турбиной низкого давления Ттнд, частоты вращения ротора высокого давления nвд, в определении первой производной по времени параметра и параметра Согласно изобретению дополнительно определяют отношение первой производной параметра Ттнд к первой производной параметра nвд, т.е. на основе заранее установленных запасов газодинамической устойчивости компрессора на запуске формируют предельно допустимое значение сравнивают с и при формируют логический сигнал I о срыве компрессора. Сравнение с осуществляют при изменении частоты вращения nвд от 20% до 38%. Измерение температуры газов за турбиной низкого давления Ттнд осуществляют малоинерционной хромель-алюмелевой термопарой с открытым горячим спаем. В качестве предельно допустимого значения используют числовое значение 50 [°С/%]. 3 з.п. ф-лы, 1 ил.
Изобретение относится к области раннего обнаружения неустойчивой работы компрессора газотурбинного двигателя (ГТД), в частности срыва потока воздуха на запуске.
Известны способы диагностики неустойчивой работы компрессора ГТД, в которых контролируемыми параметрами служат: полное давление воздуха за компрессором Рк, частота вращения роторов высокого и/или низкого давлений nвд, nнд, температура воздуха за компрессором Тк, температура излучения лопаток турбины Тл. В известных способах используется принцип измерения контролируемых параметров и/или их производных по времени, последующее сравнение контролируемых величин с соответствующими предельно-допустимыми (пороговыми) величинами. При превышении контролируемых (фактических) величин над предельно допустимыми формируется сигнал, свидетельствующий о потере газодинамической устойчивости компрессора ГТД (патент РФ №2187711, патент РФ №2098668, патент РФ №2041399, патент РФ №2255247, патент US №5379583 А, патент US №5375412 А).
Недостатком известных способов является их недостаточная надежность выявления потери устойчивости компрессора на низких частотах вращения, которая может проявиться в виде срыва потока воздуха (ввиду малой амплитуды и высокой частоты пульсаций давления воздуха и, следовательно, проблем в аппаратурной реализации идентификации срыва на основе существующих серийно-эксплуатируемых устройств измерения двигательных параметров). Кроме того, при использовании однопараметрического критерия выявления срыва, например, на основе измерений давления Рк, могут наблюдаться случаи ложного формирования сигнала о срыве, например, при переменном отказе электропроводки датчика или блока обработки параметра Рк. Последствием такого ложного сигнала может стать необоснованное включение циклограммы устранения неустойчивой работы компрессора (например, выключение подачи топлива в двигатель), что в свою очередь вызовет падение тяги двигателя, что недопустимо.
Известен способ определения предсрывных явлений с помощью малоинерционных датчиков давления, расположенных на входе или на выходе из компрессора. В первом случае срывные явления идентифицируются по пикам повышения давления, а во втором – по “провалам” давления. При этом в качестве критерия срыва используется энергетический уровень (спектральная мощность) постоянно присутствующих возмущений волнового или “пикового” вида. При приближении к границе устойчивости, демпфирование этих возмущений уменьшается и, соответственно, увеличивается их продолжительность и энергетический уровень (“Нестационарные явления в турбомашинах”, под редакцией В.Г.Августиновича, Пермь, 1999 г., стр.242-245; патент US №5402634 А; патент US №6231306 ВА; патент US №5448881).
Недостатком известных способов является сложность в реализации. Ввиду локального характера появления срывных зон, возможности их постепенного развития, оперативное выявление предсрывных явлений возможно при установке достаточно большого количества малоинерционных датчиков давления как в радиальном, так и в меридиональном сечении компрессора ГТД, что снижает надежность метода, загромождает газовоздушный тракт, увеличивает вес и стоимость двигателя, что практически неприемлемо для промышленного применения в авиации. Поэтому данный способ обычно используется при научно-исследовательских работах или наземных испытаниях газотурбинных двигателей.
Известен способ обнаружения помпажа в компрессоре двухвального газотурбинного двигателя, который предусматривает измерение частоты вращения газогенераторного вала nгг, вычисление второй производной частоты nгг, измерение мощности N на силовом турбинном вале, вычисление первой производной мощности N, формирование положительных и отрицательных предельных значений производных параметров nгг и N. При этом помпаж считается обнаруженным при превышении фактических производных соответствующих предельных значений (патент US №5402632 А).
Недостатком известного способа является то, что реализация выявления помпажа на запуске двигателя крайне затруднена аппаратурно ввиду низких абсолютных значений параметров nгг, N и их производных (особую сложность представляет вычисление второй производной параметра nгг), а также из-за влияния работы пускового устройства, обеспечивающего избыточный положительный момент турбины газогенератора.
Наиболее близким к заявляемому является способ диагностики помпажа ТРДД, в котором предусматривается измерение частоты вращения ротора высокого давления nвд, вычисление первой производной по времени параметра при этом сигнал, свидетельствующий о потере газодинамической устойчивости двигателя, формируют при одновременном снижении параметра и увеличении параметра Ттнд (Автоматический контроль и диагностика систем управления силовыми установками летательных аппаратов, М.: Машиностроение, 1989 г., стр.102).
Известный способ, принятый за прототип, не обладает достаточной достоверностью по обнаружению срыва компрессора на начальной стадии запуска газотурбинного двигателя, так как первая производная по времени параметра nвд при работе пускового устройства (например, воздушного стартера) в начальной стадии срыва может оставаться положительной 
Техническая задача, на решение которой направлено заявляемое изобретение, заключается в повышении достоверности обнаружения неустойчивой работы газотурбинного двигателя на начальной стадии запуска на основе параметрического определения срыва потока по динамике изменения отношения первых производных контролируемых параметров Ттнд и nвд.
Сущность технического решения заключается в том, что в способе диагностики неустойчивой работы компрессора газотурбинного двигателя на запуске, включающем измерение температуры газов за турбиной низкого давления Ттнд, частоты вращения ротора высокого давления nвд, определение первой производной по времени параметра и параметра согласно изобретению дополнительно определяют отношение первой производной параметра Ттнд к первой производной параметра nвд, т.е. на основе заранее установленных запасов газодинамической устойчивости компрессора на запуске формируют предельно допустимое значение сравнивают и при формируют логический сигнал I о срыве компрессора.
Для обеспечения разрешения на формирование сигнала “срыв потока”, т.е. сигнал на выходе I2=1, осуществляют сравнение при изменении частоты вращения nвд от 20% до 38%. При 20%>nвд>38% получается запрет на выдачу сигнала “срыв потока”, т.е. I2=0, что не обеспечивает определение неустойчивой работы компрессора.
Измерение температуры газов за турбиной низкого давления Ттнд осуществляют малоинерционной хромель-алюмелевой термопарой с открытым горячим спаем, что повышает надежность (достоверность) определения начала срыва запуска.
При обеспечивается достаточный запас на исключение формирования ложного сигнала “срыв потока”, вызванного “шумами” при вычислениях и Ттнд.
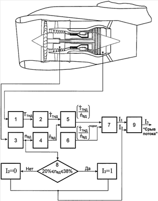
На чертеже представлена структурная схема устройства для реализации способа.
Блок 1 представляет собой датчик измерения температуры газов за турбиной низкого давления Ттнд, выход блока 1 соединен с входом блока 2.
Блок 2 представляет собой дифференцирующий блок, на вход которого поступает сигнал о величине Ттнд. В блоке 2 осуществляется вычисление первой производной Ттнд по времени Выход блока 2 соединен с первым входом блока 5.
Блок 3 представляет собой датчик измерения параметра nвд, выход блока 3 соединен с входом блока 4 и блока 8. В качестве датчика измерения параметра nвд могут использоваться индукционные датчики типа ДЧВ – 2500 А или любого другого типа, обеспечивающие точность измерения nвд на уровне ±0,1%.
Блок 4 представляет собой дифференцирующий блок, на вход которого поступает сигнал о величине nвд. В блоке 4 осуществляется вычисление первой производной nвд по времени Выход блока 4 соединен со вторым входом блока 5.
Блок 5 представляет собой арифметический блок. На его два входа поступают сигналы и и в этом блоке определяется отношение 
В блоке 6 формируется предельно допустимое значение отношения Величина формируется на основе заранее установленных запасов газодинамической устойчивости компрессора Ку и с учетом статистики изменения во всех ожидаемых условиях эксплуатации. В общем случае величина может быть функцией или константой.
В блоке 7 осуществляется сравнение текущего значения с предельно допустимым (пороговым) значением При на выходе блока 7 сигнал отсутствует, I1=0. В случае, если на выходе блока 7 формируется логический сигнал I1=1, свидетельствующий об одном из условий срыва компрессора на запуске. Выход блока 7 поступает на первый вход блока 9.
В блоке 8 осуществляется проверка условия: входит ли текущая величина nвд в диапазон 20%…38%. Если 20% nвд 38%, то на выходе сигнал I2=1 (разрешение на формирование сигнала “срыв потока”), иначе I2=0 (запрет на выдачу сигнала “срыв потока”). Выход блока 8 поступает на второй вход блока 9.
Блок 9 представляет собой логическое устройство “и”. Если на входе в блок 9 состояние входных сигналов I1=1 и I2=1, то на выходе блока формируется сигнал I3=1 – “срыв потока”, в остальных сочетаниях сигнал “срыв потока” не формируется.
Способ осуществляется следующим образом. В процессе запуска газотурбинного двигателя блоками 1 и 3 осуществляется постоянное измерение параметров, соответственно Ттнд и nвд. В блоках 2 и 4 осуществляется вычисление и Величины и поступают на вход блока 5, где определяется их отношение В блоке 7 осуществляется сравнение с предельно допустимым значением При нормальном запуске газотурбинного двигателя срыв потока отсутствует, отношение логический сигнал на выходе блока 7 отсутствует, I1=0. При возникновении срыва потока в компрессоре газотурбинного двигателя одновременно происходит увеличение градиента роста температуры Ттнд и уменьшение темпа набора оборотов nвд, при этом отношение возрастет. При превышении над на выходе блока 7 формируется логический сигнал I1=1. Если в блоке 8 текущее значение величины nвд находится в диапазоне 20%…38%, и при наличии логического сигнала I1=1 на выходе блока 9 формируется сигнал I3=1 – “срыв потока”.
Устройство, реализующее заявленный способ диагностики, было проверено моделированием и стендовыми испытаниями в составе ТРДД ПС-90А, применяемого на самолетах Ил-96-300 и Ту-204. Установлено, что в процессе нормального запуска двигателя и изменении частоты вращения nвд от 20% до 38%, численное значение критерия не превышает 35 [°С/%]. Вместе с этим, при потере газодинамической устойчивости, как правило, после розжига КС (nвд>20%), критерий монотонно возрастает, и к моменту достижения предельных температур газов Ттнд, выше которой эксплуатация ГТД недопустима, критерий достигает численных значений 100 [°С/%] и более.
Исследование процессов запуска применительно к двигателю ПС-90А и другим типам ГТД дополнительно показало, что для повышения надежности (достоверности) определения начала срыва целесообразно в качестве датчика измерения параметра Ттнд использовать малоинерционную термопару с открытым горячим спаем, например хромель-алюмелевую термопару типа Т-116.
Таким образом, предлагаемый способ позволяет оперативно и надежно фиксировать начало срыва компрессора в различных условиях эксплуатации, в том числе в области высоких температур и пониженного давления воздуха на входе (в условиях высокогорья) на основе параметрического определения срыва потока по динамике изменения отношения первых производных контролируемых параметров Ттнд и nвд.
Формула изобретения
1. Способ диагностики неустойчивой работы компрессора газотурбинного двигателя на запуске, включающий измерение температуры газов за турбиной низкого давления Ттнд, частоты вращения ротора высокого давления nвд, определение первой производной по времени параметра и параметра отличающийся тем, что дополнительно определяют отношение первой производной параметра Ттнд к первой производной параметра nвд, т.е. на основе заранее установленных запасов газодинамической устойчивости компрессора на запуске формируют предельно допустимое значение сравнивают c и при формируют логический сигнал I о срыве компрессора.
2. Способ по п.1, отличающийся тем, что сравнение с осуществляют при изменении частоты вращения nвд от 20 до 38%.
3. Способ по п.1, отличающийся тем, что измерение температуры газов за турбиной низкого давления Ттнд осуществляют малоинерционной хромель-алюмелевой термопарой с открытым горячим спаем.
4. Способ по п.1, отличающийся тем, что в качестве предельно допустимого значения используют числовое значение 50 [°С/%].
РИСУНКИ
|
|