|
|
(21), (22) Заявка: 2006114528/06, 27.04.2006
(24) Дата начала отсчета срока действия патента:
27.04.2006
(46) Опубликовано: 10.02.2008
(56) Список документов, цитированных в отчете о поиске:
RU 2225945 C2, 20.03.2004. US 6321525 A, 27.11.2001. US 5609465 А, 11.03.1997. SU 1520946 А, 27.06.1999. SU 1815370 A1, 15.05.1993. US 5142860 A, 01.09.1992.
Адрес для переписки:
614990, г.Пермь, ГСП, Комсомольский пр-кт, 93, ОАО “Авиадвигатель”, отдел защиты интеллектуальной собственности
|
(72) Автор(ы):
Кучевасов Константин Петрович (RU), Саженков Алексей Николаевич (RU), Тимкин Юрий Иванович (RU), Трубников Юрий Абрамович (RU)
(73) Патентообладатель(и):
Открытое акционерное общество “АВИАДВИГАТЕЛЬ” (RU)
|
(54) СПОСОБ ЗАЩИТЫ ГАЗОТУРБИННОЙ УСТАНОВКИ ОТ РАСКРУТКИ СИЛОВОЙ ТУРБИНЫ
(57) Реферат:
Изобретение относится к системам управления газотурбинных установок, а именно к системам защиты газотурбинных установок для механического привода и привода электрогенератора от опасных забросов частоты вращения (раскрутки) свободной силовой турбины. Техническая задача, решаемая изобретением, заключается в повышении надежности, ресурса и эксплуатационной безопасности газотурбинной установки. Сущность изобретения заключается в том, что в способе защиты газотурбинной установки от раскрутки силовой турбины при внезапном сбросе нагрузки, включающем измерение частоты вращения силовой турбины nст, определение ее первой производной по времени и приведенной по температуре воздуха на входе установки Твх частоты вращения газогенератора nггпр, формирование предельных значений nггпр пред, nст пред, и сравнение их с nггпр, nст, соответственно, согласно изобретению при nггпр>nггпр пред, nст>nст пред и осуществляют перепуск газа за турбиной газогенератора в атмосферу. При выполнении условия nггпр>nггпр пред, nст>nст пред и осуществляют перепуск газа за турбиной газогенератора в атмосферу, минуя силовую турбину с помощью клапанов перепуска газов. Тем самым обеспечивается уменьшение подвода энергии к силовой турбине и парирование «заброса» nст. Кроме того, величину nст пред определяют по формуле nст пред=nст уст+ , где nст уст – уставочное значение частоты вращения силовой турбины, а  (5-7) nст, где nст – статическая погрешность регулирования частоты вращения силовой турбины газотурбинной установки. Величина nст пред получена опытным путем при переключениях сравнимых с мощностью ГТУ нагрузок в электрических сетях при работе в параллель с сетью «бесконечной» мощности. Уставочное значение частоты вращения силовой турбины ГТУ nст уст необходимо поддерживать для обеспечения требуемой мощности. Константа , обеспечивающая требуемый запас на исключение ложного срабатывания, должна не менее чем в 5…7 раз превышать статическую погрешность регулирования частоты вращения силовой турбины ГТУ nст ( nст), и составлять 60…100 об/мин. 2 з.п. ф-лы, 1 ил.
Изобретение относится к системам управления газотурбинных установок, а именно к системам защиты газотурбинных установок для механического привода и привода электрогенератора от опасных забросов частоты вращения (раскрутки) свободной силовой турбины.
Известен однопараметрический способ защиты газотурбинной установки (ГТУ) от раскрутки силовой турбины по физическому значению частоты вращения силовой турбины nст, заключающийся в измерении величины nст, формировании первого и второго предельных значений частот nст, сравнении nст с первым предельным значением и при превышении nст первого предельного значения выдаче оператору информационно-предупредительного сигнала для принятия мер по устранению заброса. Затем осуществляли сравнение nст с вторым предельным значением и полностью прекращали подачу топлива в камеру сгорания ГТУ (аварийный останов, Gт=0) при превышении nст второго предельного значения частоты nст [«Функциональный модуль управления расходом топлива Series 5 центробежных и осевых компрессоров», Документ UM5421 (0.2.0), компания «Compressor Control Corporation», США, 2000, с.95…96].
Недостатком известного способа является возможность необоснованного выключения ГТУ, например, при сбросе нагрузки и кратковременном забросе nст, что приводит к перебоям в выработке электроэнергии, необходимости переключения ГТУ на другие источники энергии.
Известны также способы предотвращения раскрутки силовой турбины ГТУ, которые предусматривают измерение частоты вращения силовой турбины nст и определение первой производной по времени , уменьшение расхода топлива Gт в камеру сгорания ГТУ или кратковременный останов подачи топлива в зависимости от мощности, снимаемой с вала силовой турбины, или по наличию упреждающего сигнала о внезапном сбросе нагрузки [Патент США №5609465, F01D 17/06, 1997 г. Патент РФ №2225945, 7 F02С 9/46, 2002].
Однако указанные способы защиты при неблагоприятном сочетании эксплуатационных факторов и конструктивных особенностей ГТУ могут не обеспечить своевременную и надежную защиту силовой турбины от раскрутки в ситуации, когда частоты вращения силовой турбины nст и турбины газогенератора ГТУ nгг имеют максимальные значения и используется относительно «быстроходная» конструкция свободной силовой турбины (nст 5000…7000 об/мин и более, вместо типовых 3000 об/мин). При этом происходит внезапное полное отключение нагрузки с вала силовой турбины, а упреждающий сигнал о сбросе нагрузки отсутствует.
Негативными последствиями возможных забросов nст может стать автоматическое отключение электрогенератора от потребителя или механическое разрушение силовой турбины и нелокализованная поломка ГТУ, и как следствие, повреждение дорогостоящего оборудования.
Другой известный способ управления газотурбинного двигателя учитывает режим работы и динамическое состояние его параметров и предусматривает измерение частоты вращения вращающегося узла двигателя (частоты вращения ротора газогенератора), формирование первого порогового значения, которое изменяется в зависимости от первой производной частоты вращения узла в определенном диапазоне. При этом, если фактическая частота вращения превышает не только первое, но и второе пороговое значение, которое больше первого, делают вывод о наличии «заброса» частоты вращения ротора газогенератора. После обнаружения заброса частоты расход топлива Gт в двигатель уменьшают путем изменения электрического тока в приводе топливного клапана по аналоговой схеме [Патент США №6321525 В1, F02C 9/28, 2001].
Однако при полном сбросе нагрузки указанный способ защиты также может не обеспечить надежную и своевременную защиту силовой турбины от раскрутки из-за недостаточного быстродействия, характерного для аналоговой схемы управления топливным краном. Так, в схемах регулирования подобного типа время полного перемещения дозатора топлива от максимального до минимального положения составляет т=1…1,5 секунды, что может оказаться недостаточным для парирования заброса nст в ситуации, когда темп увеличения nст до предельных значений nст существенно превышает возможный темп снижения подвода энергии (режима газогенератора).
Наиболее близким к заявляемому является способ предотвращения раскрутки силовой турбины, заключающийся в измерении частоты вращения силовой турбины nст и первой производной частоты nст , приведенной частоты вращения ротора газогенератора ГТУ nггпр, а также сигнала о сбросе нагрузки, формировании соответствующих пороговых значений параметров nст, и nггпр, сравнении параметров nст, и nггпр с их соответствующими пороговыми значениями, а при одновременном поступлении сигнала о превышении величины параметра nггпр над его пороговым значением (признак «высокого» режима работы) и сигнала о сбросе нагрузки, подают команду на отключение (полную отсечку) расхода топлива Gт в двигатель и включение агрегата зажигания на заданное время. После снижения частотных параметров ГТУ ниже соответствующих пороговых значений подают сигнал на включение подачи топлива в камеру сгорания [Патент РФ №2225945, F 02 С 9/46, 2004].
Однако в процессе работы ГТУ возможно несанкционированное отключение подачи топлива при внутренних и (или) внешних случайных воздействиях на устройство защиты, например, при штатном наличии признака «высокого» режима работы и ложном появлении сигнала сброса нагрузки (из-за наведенных электромагнитных помех или отказа входного узла, регистрирующего команду о сбросе нагрузки).
При кратковременной отсечке топлива и последующем восстановлении режима работы ГТУ наблюдаются значительные градиенты измерения термогазодинамических нагрузок на камеру сгорания и турбину газогенератора, следствием чего является ускоренная выработка ресурса ГТУ.
Последствиями упомянутых выше недостатков являются перебои в выработке электроэнергии, повышенная теплопередача на силовой турбине и, как следствие, низкая надежность, ресурс и эксплуатационная безопасность ГТУ.
Техническая задача, решаемая изобретением, заключается в повышении надежности, ресурса и эксплуатационной безопасности газотурбинной установки путем уменьшения теплоперепада на силовой турбине и устранения ее раскрутки за счет своевременного перепуска части газов, выходящих из турбины газогенератора, в атмосферу, минуя силовую турбину, с помощью клапанов перепуска газов.
Сущность изобретения заключается в том, что в способе защиты газотурбинной установки от раскрутки силовой турбины при внезапном сбросе нагрузки, включающем измерение частоты вращения силовой турбины nст, определение ее первой производной по времени и приведенной по температуре воздуха на входе установки Твх частоты вращения газогенератора nггпр, формирование предельных значений nггпр пред, nст пред, и сравнение их с nггпр, nст, соответственно, согласно изобретению при nггпр>nггпр пред, nст>nст пред и > осуществляют перепуск газа за турбиной газогенератора в атмосферу.
При выполнении условия nггпр>nггпр пред, nст>nст пред и > осуществляют перепуск газа за турбиной газогенератора в атмосферу, минуя силовую турбину с помощью клапанов перепуска газов. Тем самым обеспечивается уменьшение подвода энергии к силовой турбине и парирование «заброса» nст.
Кроме того, величину nст пред определяют по формуле nст пред=nст уст+ , где nст уст – уставочное значение частоты вращения силовой турбины, а  (5-7) nст, где nст – статическая погрешность регулирования частоты вращения силовой турбины газотурбинной установки. Величина nст пред получена опытным путем при переключениях сравнимых с мощностью ГТУ нагрузок в электрических сетях при работе в параллель с сетью «бесконечной» мощности.
Уставочное значение частоты вращения силовой турбины ГТУ nст уст необходимо поддерживать для обеспечения требуемой мощности. Константа , обеспечивающая требуемый запас на исключение ложного срабатывания, должна не менее чем в 5…7 раз превышать статическую погрешность регулирования частоты вращения силовой турбины ГТУ nст ( nст) и составлять 60…100 об/мин.
В случае, если <(5-7) nст может наблюдаться колебательный процесс из-за снижения nст ниже nст уст и последующего восстановления величины nст до nст уст с целью поддержания заданной мощности.
Повышение надежности и эксплуатационной безопасности ГТУ обеспечивается за счет исключения несанкционированной раскрутки силовой турбины и осуществления режима плавного снижения теплоперепада на силовой турбине без «термошока», характерного для способа-прототипа.
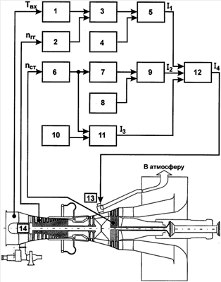
На фигуре показан продольный разрез ГТУ с блок-схемой, иллюстрирующей порядок осуществления заявляемого способа.
Блок 1 – датчик измерения температуры воздуха Твх на входе в ГТУ.
Блок 2 – датчик измерения частоты вращения ротора газогенератора nгг.
В качестве датчика измерения nгг могут использоваться индукционные датчики типа ДЧВ-2500А или любого другого типа, обеспечивающие точность измерения на уровне 0,01…0,1%.
Блок 3 – арифметическое устройство, на вход которого поступают сигналы о величине nгг и Твх. На основе информации о величинах nгг и Твх в блоке 3 вычисляется приведенная частота вращения ротора газогенератора ГТУ:

Блок 4 – блок формирования предельного значения приведенной частоты вращения ротора газогенератора ГТУ nггпр пред.
Блок 5 – компаратор, в котором выполняется сравнение nггпр с nггпр пред.
Функциональное назначение блока заключается в том, чтобы исключить открытие клапана перепуска газов на «низких» режимах работы газогенератора ГТУ, когда в этом нет необходимости, т.к. парирование заброса nст удовлетворительно обеспечивается известным способом путем уменьшения подачи топлива в камеру сгорания газогенератора. Величину nггпр пред устанавливают ниже nггпр для номинального режима работы ГТУ. При nггпр>nггпр пред на выходе компаратора 5 формируется первый логический сигнал высокого уровня I1=1.
Блок 6 – датчик измерения частоты вращения nст силовой турбины ГТУ. В качестве датчика измерения nст могут использоваться индукционные датчики типа ДЧВ-2500А или любого другого типа, обеспечивающие точность измерения на уровне ±0,1%.
Блок 7 – дифференциатор, в котором осуществляется вычисление первой производной по времени параметра nст (nст).
Блок 8 – блок формирования предельного значения первой производной по времени ( ). Величина задается с учетом быстродействия открытия клапанов перепуска газов для газодинамического парирования «заброса» nст. В общем случае величина может быть константой, например =600…700 об/мин за 1 секунду и более, или функцией режима работы ГТУ, т.е. может зависеть от частоты вращения газогенератора nгг или величины снижения потребляемой мощности Р.
Блок 9 – компаратор, в котором выполняется сравнение с . При > на выходе компаратора формируется второй логический сигнал высокого уровня I2=1.
Блок 10 – блок формирования предельного значения частоты вращения nст (nст пред). Функциональное назначение блока состоит в том, чтобы исключить ложные срабатывания при кратковременных «забросах» первой производной частоты турбины, вызванных типовыми сбросами нагрузки (штатной перекоммутацией в электрических сетях), при которых величина может кратковременно (на т=0,01…0,05 с) достигать значений 600…700 об/мин за 1 секунду.
Блок 11 – компаратор, в котором выполняется сравнение nст с nст пред. При nст>nст пред на выходе компаратора формируется третий логический сигнал высокого уровня I3=1.
Блок 12 – логическое устройство И, имеет три входа и один выход. На первый вход блока 12 поступает логический сигнал I1, на второй вход – логический сигнал I2, на третий – логический сигнал I3. При одновременном наличии на трех входах блока 12 сигналов I1=1, I2=1 и I3=1 на выходе блока 12 формируется логический сигнал I4=1, который подается на вход блока 13 и обеспечивает открытие клапанов перепуска газа за турбиной газогенератора ГТУ.
Блок 13 – клапана перепуска газа за турбиной газогенератора ГТУ (на разрезе показан один клапан). Каждый клапан перепуска газов 13 соединен на входе с проточной частью кольцевого канала между турбиной газогенератора и свободной турбиной, а на выходе – с атмосферой.
При наличии сигнала I4=0 клапана перепуска 13 газотурбинной установки 14 находятся в закрытом состоянии. При формировании I4=1 клапана перепуска газов 13 открываются и обеспечивают частичный перепуск газа с выхода турбины газогенератора через соответствующие трубопроводы в атмосферу, минуя силовую турбину, обеспечивая уменьшение подвода энергии к силовой турбине и парирование заброса nст.
Способ осуществляется следующим образом.
До и в процессе запуска ГТУ клапана перепуска газа 13 за турбиной газогенератора находятся в открытом положении. После запуска газогенератора клапана перепуска газа 13 в ручном или автоматическом режиме закрывают.
При работе газогенератора ГТУ на «низких» режимах (nггпрггпр пред) на выходе блока 5 формируется логический сигнал низкого уровня I1=0. Поэтому при nст>600…700 об/мин за 1 секунду и nст>nст пред клапана перепуска газа 13 за турбиной газогенератора остаются в закрытом положении.
В случае внезапного сброса всей нагрузки при работе газогенератора ГТУ на «высоком» режиме (nггпр>nггпр пред, I1=1), параметры nст и существенно возрастают. При превышении величины предельного значения  600…700 об/мин за 1 секунду, а также при nст>nст пред на всех трех входах блока 12 формируются логические сигналы Ii=1. На выходе блока 12, работающего по логике И, также формируется логический сигнал высокого уровня I4=1. Сигнал I4=1 поступает на вход блока 13 и клапана перепуска газов открываются, обеспечивая перепуск газов газогенератора в атмосферу через трубопроводы и выходное устройство, минуя силовую турбину. Исходя из термодинамической схемы ГТУ, теплоперепад на силовой турбине уменьшается и частота вращения силовой турбины nст снижается.
Заявляемое изобретение было реализовано в цифровой электронной системе автоматического управления и проверено испытаниями в составе энергетической ГТУ мощностью 12 МВт, выполненной на базе авиационного двигателя ПС-90А и включающей свободную силовую турбину с номинальной частотой вращения nст 5000 об/мин (ГТУ-12П). Результаты стендовых испытаний полностью подтвердили своевременную и надежную защиту силовой турбины от раскрутки, в том числе, необходимую динамическую точность измерения параметра nст. По результатам испытаний, дополненных математическим моделированием работы ГТУ, также установлено, что для эффективного парирования забросов частоты nст целесообразно, чтобы общее время с момента формирования сигнала I4=1 и до открытия всех клапанов перепуска газов не превышало 0,1…0,3 с.
Формула изобретения
1. Способ защиты газотурбинной установки от раскрутки силовой турбины при внезапном сбросе нагрузки, включающий измерение частоты вращения силовой турбины nст, определение ее первой производной по времени и приведенной по температуре воздуха на входе установки Твх частоты вращения газогенератора nггпр, формирование предельных значений nггпр пред, nст пред, и сравнение их с nггпр, nст, , соответственно, отличающийся тем, что при nггпр>nггпр пред, nст>nст пред и осуществляют перепуск газа за турбиной газогенератора в атмосферу.
2. Способ защиты газотурбинной установки по п.1, отличающийся тем, что величину nст пред определяют по формуле nст пред=nст уст+ , где nст уст – уставочное значение частоты вращения силовой турбины, а  (5-7) nст, где nст – статическая погрешность регулирования частоты вращения силовой турбины газотурбинной установки.
3. Способ защиты газотурбинной установки по п.2, отличающийся тем, что величина составляет 60…100 об/мин.
РИСУНКИ
|
|