|
|
(21), (22) Заявка: 2003112057/11, 24.04.2003
(24) Дата начала отсчета срока действия патента:
24.04.2003
(30) Конвенционный приоритет:
25.04.2002 (пп.1-9) FR 02.05234
(43) Дата публикации заявки: 20.10.2004
(46) Опубликовано: 10.02.2008
(56) Список документов, цитированных в отчете о поиске:
FR 2565950 А, 20.12.1985. WO 9104220 А, 04.04.1991. FR 2639339 A, 25.05.1990. RU 2175946 C2, 20.11.2001. SU 1539163 A1, 30.01.1990.
Адрес для переписки:
103735, Москва, ул. Ильинка, 5/2, ООО “Союзпатент”, пат.пов. О.Ф.Ивановой
|
(72) Автор(ы):
ЛИССАНДР Мишель (FR)
(73) Патентообладатель(и):
ПОТЭН (FR)
|
(54) СКЛАДЫВАЕМЫЙ БЛОК ДЛЯ БАШЕННОГО КРАНА
(57) Реферат:
Изобретение относится к башенным кранам. Складываемый блок включает верхний элемент мачты, соединенный с цапфой, платформу, расположенную горизонтально с одной стороны элемента мачты, и кабину управления краном, установленную с возможностью поворота вокруг вертикальной оси, расположенную сбоку от элемента мачты и соединенную с этим элементом. Кабина, ориентируемая вручную примерно на 90°, между рабочим положением, в котором эта кабина расположена в продолжение платформы, перед элементом мачты, и положением для транспортировки, в котором эта кабина сложена над платформой, прилегая к элементу мачты. Достигается быстрота и легкость приведения кабины в рабочее положение с возможностью складывания с минимальными габаритными размерами. 2 н. и 7 з.п. ф-лы, 6 ил.
Изобретение относится, в целом, к башенным кранам, таким, которые используют при возведении зданий. Более точно, это изобретение относится к башенным кранам с кабинами управления, называемыми «подвесными» и, еще точнее, к складываемому блоку крепления кабины на элементе мачты (далее блок кабина-цапфа) для башенного крана.
У башенного крана так называемая «подвесная» кабина может быть соединена с цапфой, расположенной на вершине мачты и служащей для ориентации стрелы крана, образуя узел, называемый «блок кабина-цапфа». Пример блока кабина-цапфа может быть найден в документе FR 2565950A; в этом случае кабина занимает фиксированное положение относительно стрелы крана и не предусмотрена возможность складывания блока «кабина-цапфа».
Учитывая размеры такого блока «кабина-цапфа» и из-за неудобств, связанных с транспортировкой крана, например, с одной стройки на другую, создание такого блока «кабина-цапфа», который был бы, по меньшей мере, частично складываемый, дало бы определенные преимущества.
В известных способах реализации, уже используемых кампанией POTAIN TECHNIK и описанных, в частности, в техническом описании ее крана MDT 132, стр.3.17, предусмотрено складывание блока «кабина-цапфа» путем поворота кабины вокруг горизонтальной оси. Такой принцип складывания и конструкция узла блока «кабина-цапфа», которая является следствием этого принципа, обладает различными неудобствами, как-то:
– использование вспомогательных средств, которые необходимы для складывания и раскладывания блока «кабина-цапфа»,
– положение кабины «лежа» в сложенном для транспортировки положении требует обездвиживания элементов внутри кабины,
– система складывания не пригодна для больших кабин управления потому, что габариты блока «кабина-цапфа», даже в сложенном для транспортировки положении превышают размеры контейнера,
– должны быть приняты специальные меры для защиты незащищенных поверхностей кабины в сложенном для транспортировки положении,
– при раскладывании блока «кабина-цапфа» для приведения кабины в рабочее положение необходимо к тому же собрать элементы, обеспечивающие доступ в кабину, что усложняет и удлиняет операцию приведения блока в рабочее положение,
– кроме того, доступ в кабину, с одной стороны, и доступ для обслуживания и регулировки, с другой стороны, различны, что представляет собой малоэкономичное решение,
– наконец, в рабочем положении, кабина управления расположена на высоте стрелы крана, что не обеспечивает крановщику оптимальной видимости для управления краном.
Настоящее изобретение имеет целью устранение этих недостатков и создание более совершенного складываемого блока для башенного крана, который, сохраняя простую и экономичную конструкцию, позволяет осуществить быстро и легко приведение кабины в рабочее положение с возможностью складывания с минимальными габаритными размерами без добавления элементов защиты.
Для этой цели объектом изобретения является складываемый блок для башенного крана, который включает, в основном, в комбинации:
– верхний элемент мачты, соединенный с цапфой,
– платформу для доступа в кабину, расположенную с одной стороны элемента мачты,
– кабину управления краном, установленную с возможностью поворота вокруг вертикальной оси, расположенную сбоку от элемента мачты и соединенную с этим элементом мачты;
кабину, ориентируемую, именно вручную, вокруг вышеупомянутой вертикальной оси примерно на 90°, между рабочим положением, в котором эта кабина расположена в продолжение платформы, перед элементом мачты, и в положении при транспортировке, в котором эта кабина сложена над платформой, прилегая к элементу мачты.
Согласно одной предпочтительной форме выполнения этого складываемого блока кабина управления шарнирно соединена с элементом мачты при помощи вертикального двойного цилиндрического шарнирного узла, содержащего со стороны элемента мачты верхнюю опору и нижнюю опору, закрепленные соответственно на вершине и на основании элемента мачты, и со стороны кабины верхнюю опору и нижнюю опору, закрепленные соответственно на вершине и на основании несущей конструкции кабины, причем верхние опоры и нижние опоры соединены вертикальными осями, соответственно верхней осью и нижней осью.
Преимущественно, складываемый блок включает также средства блокировки кабины управления в ее рабочем положении и в ее сложенном для транспортировки положении. Эти средства блокировки могут быть образованы следующим образом:
– для блокировки кабины управления в рабочем положении: эти средства образованы пластинами, закрепленными соответственно на основании кабины и на платформе для доступа в эту кабину, для которых предусмотрена возможность болтового соединения между собой с целью придания жесткости платформе, первоначально консольной;
– для блокировки кабины управления в сложенном для транспортировки положении: эти средства образованы стяжными приспособлениями, установленными между вершиной элемента мачты и вершиной несущей конструкции кабины в сочетании с упругим упором, закрепленным на платформе, что позволяет амортизировать удары во время транспортировки.
Согласно другому предпочтительному варианту выполнения платформа имеет откидываемое или наклоняемое боковое ограждение: которое
– в рабочем положении кабины управления закреплено в вертикальном положении и расположено в продолжение одной из боковых сторон этой кабины, и
– в сложенном для транспортировки положении кабины управления закреплено в вертикальном положении или наклонном положении, выступая наружу от платформы таким образом, чтобы защитить переднюю сторону кабины, в частности, ее нижнюю застекленную часть этой передней стороны. Средства крепления бокового ограждения на платформе для доступа в кабину могут включать на наружном крае вышеупомянутой платформы два клиновых гнезда для приема и фиксации стоек бокового ограждения, ориентируя эти стойки, следовательно ограждение, вертикально или наклонно.
Преимущественно, на платформе для доступа в кабину устанавливают перпендикулярно боковому ограждению электрический шкаф, доступ к которому возможен с этой платформы, причем при приведении кабины управления в положение транспортировки ее располагают около вышеупомянутого электрического шкафа таким образом, что боковое остекление кабины оказывается также защищенным.
В целом, складываемый блок для башенного крана, объект изобретения, обладает следующими преимуществами:
– благодаря своему принципу складывания кабины относительно вертикальной оси, она может быть разложена и сложена вручную быстро и без применения специального вспомогательного оборудования, что обеспечивает ее быстрое и не требующее усилий приведение в рабочее состояние на стройке;
– кабина, даже в сложенном состоянии, остается в положении «стоя», благодаря чему не существует риска падения элементов внутри кабины, и нет необходимости в иммобилизации этих элементов перед складыванием кабины;
– даже в случае очень объемной кабины способ ее складывания дает возможность свести к минимуму габаритные размеры складываемого блока «кабина-цапфа», делая возможным ее транспортировку в контейнере;
– платформа для доступа в кабину остается соединенной с элементом мачты и непосредственно после раскладывания кабины она занимает положение, обеспечивающее доступ в эту кабину, что исключает все операции установки и сборки элементов доступа;
– кроме того, эта платформа дает достаточно места как для доступа в кабину, так и к электрическому шкафу, что делает устройство компактным и экономичным, облегчая операции по обслуживанию и регулировки крана;
– боковое ограждение платформы и электрический шкаф, находящийся на этой платформе, образуют элементы защиты кабины в сложенном для транспортировки положении, делая, таким образом, не нужными любые дополнительные элементы защиты окрашенных и остекленных поверхностей кабины. В частности, боковое ограждение обеспечивает защиту переднего стекла кабины, причем наклонное положение бокового ограждения обеспечивает адаптацию к обычно округлой или выступающей форме передней стороны кабины. Что касается электрического шкафа, то он обеспечивает защиту бокового стекла кабины. Таким образом, кабина оказывается надлежащим образом защищена от ударов, которые могут иметь место при транспортировке и погрузочно-разгрузочных операциях. Кроме того, размещение кабины вплотную к электрическому шкафу в сложенном для транспортировки положении исключает доступ одновременно в кабину и к шкафу, предохраняя, таким образом, от краж и актов вандализма;
– наконец, в рабочем положении кабина управления занимает место под стрелой крана, что обеспечивает крановщику оптимальную видимость при управлении краном.
Изобретение имеет также целью, защитить башенный кран в целом, содержащий складываемый блок, в том виде, как он описан выше.
Изобретение будет более понятно с помощью описания, которое следует далее, со ссылками на прилагаемые схематические чертежи, представляющие в качестве нелимитирующего примера вариант выполнения этого складываемого блока для башенного крана:
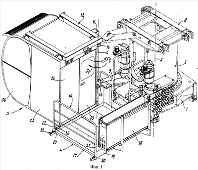
фиг.1 – аксонометрическое изображение в целом складываемого блока, согласно изобретению, при рабочем положении кабины управления;
фиг.2 – другое аксонометрическое изображение с более высокой точки обзора складываемого блока при рабочем положении кабины управления;
фиг.3 – другое аксонометрическое изображение этого складываемого блока в сложенном для транспортировки положении кабины управления;
фиг.4 – первое частичное аксонометрическое изображение, показывающее средства крепления бокового ограждения платформы;
фиг.5 – другое частичное аксонометрическое изображение, показывающее средства фиксации кабины в рабочем положении;
фиг.6 – другое частичное изображение, вид сверху, показывающее средства фиксации кабины в сложенном для транспортировки положении.
Фиг.1-3 показывают в целом складываемый блок башенного крана, который включает в качестве основных деталей:
цапфу 1, соединенную с верхним элементом 2 мачты, далее просто с элементом мачты, ориентированную вокруг вертикальной оси 3;
горизонтальную платформу 4, простирающуюся горизонтально со стороны элемента 2 мачты и жестко соединенную с этим элементом 2 мачты;
кабину 5 управления краном, смонтированную с возможностью поворота вокруг вертикальной оси 6, расположенную сбоку от элемента 2 мачты и соединенную с возможностью поворота относительно этого элемента 2 мачты, следовательно, также относительно платформы 4.
Предусмотрена возможность крепления цапфы 1 на вершине мачты (не показана) башенного крана. Верхний элемент 2 мачты, имеющий возможность ориентирования на цапфе 1, предусматривает крепление на нем стрелы крана (не показана).
Монтаж кабины 5 управления с возможностью поворота вокруг вертикальной оси 6 относительно верхнего элемента 2 мачты осуществлен при помощи вертикального двойного цилиндрического шарнирного узла. Каждый вертикальный цилиндрический шарнирный узел содержит со стороны элемента 2 мачты верхнюю треугольную опору 7, приваренную к верхней раме 8 элемента 2 мачты и нижнюю треугольную опору 9, приваренную у основания элемента 2 мачты. Вертикальный цилиндрический шарнирный узел содержит также со стороны кабины 5 верхнюю опору опору 10, приваренную к вертикальной балке 11 несущей конструкции 12 кабины 5, и нижнюю опору 13, приваренную к вертикальной балке 11 несущей конструкции 12 кабины 5 у основания этой несущей конструкции 12. Наконец, вертикальный цилиндрический шарнирный узел включает две вертикальных оси, т.е. верхнюю ось 14, соединяющую шарнирно две верхних опоры 7 и 10, и нижнюю ось 15, соединяющую шарнирно две нижних опоры 9 и 13.
Платформа 4, которая обеспечивает доступ в кабину 5 управления, имеет боковое ограждение 16, которое распложено вдоль одного из ее наружных бортов 17. На этой платформе 4 закреплен также электрический шкаф 18, который распложен вдоль ее наружного борта перпендикулярно боковому ограждению.
В деталях, как это показано также на фиг.4, платформа 4 содержит на своем наружном борту 17 по два клиновых гнезда 20, 21 для приема с возможностью вдвижения оснований обеих стоек 22 бокового ограждения 16, которое может быть зафиксировано в двух положениях. Клиновые гнезда 20 дают возможность зафиксировать ограждение 16 в вертикальном положении. Другие клиновые гнезда 21 дают возможность зафиксировать то же ограждение 16 в наклонном положении, с выступанием наружу по отношению к борту 17 платформы 4. Разводные шплинты обеспечивают безопасную фиксацию ограждения 16 для предотвращения случайного освобождения стойки из клиновых гнезд 20 или 21.
Благодаря установке кабины 5 управления с возможностью поворота вокруг вертикальной оси 6, она (кабина) может быть приведена в рабочее положение (фиг.1 и 2) или в сложенное для транспортировки положение (фиг.3), причем перевод из одного положения в другое осуществляют вручную путем поворота на 90° вокруг вертикальной оси 6 в том или ином направлении – см. стрелки F1 и F2 на фиг.1.
В рабочем положении (фиг.1, 2 и 5) кабина 5 управления расположено в продолжение платформы 4 впереди верхнего элемента 2 мачты. Боковое ограждение 16, закрепленное в вертикальном положении на наружном борту 17 платформы 4, продолжает одну из боковых сторон 23 кабины 5. Таким образом, платформа 4 обеспечивает доступ в кабину 5, причем задняя сторона 24 этой кабины оборудована дверью 25, которая открывается в сторону платформы 4.
Как показано, в частности, на фиг.5 кабина 5 управления заблокирована в ее рабочем положении при помощи устройства, которое включает:
в основании кабины 5, сзади ее (около боковой стороны 23): согнутую пластину 26, прикрепленную болтами к кабине 5, с выступающей частью, в которой сделана прорезь 27;
на платформе: пластина 28 со скошенной кромкой 29, приваренная к платформе;
между двумя пластинами: соединение при помощи болта 30, устанавливаемого на место тогда, когда кабина 5 приведена в рабочее положение.
В транспортировочном положении (фиг.3) кабина 5 управления повернута на 90° по отношению к ее рабочему положению и в этом случае она оказывается прижатой:
– с одной стороны, к верхнему элементу 2 мачты, при этом задняя сторона 24 кабины 5 повернута к этому элементу 2 мачты;
– с другой стороны, к электрическому шкафу 18, при этом боковая сторона 23 кабины 5 занимает место перед этим шкафом 18.
Кабина 5 оказывается над платформой 4, что существенно снижает габариты складываемого блока «кабина-цапфа».
Как показано на фиг.6, кабина 5 управления заблокирована в сложенном транспортном положении посредством стяжного устройства 31, установленного между верхом элемента 2 мачты, с одной стороны, и верхней частью несущей конструкции 12 кабины 5, с другой стороны. Стяжное устройство 31 прижимает основание кабины 5 к резиновому упору 35 (фиг.6), закрепленному на платформе 4. При рабочем положении кабины 5 стяжное устройство 31 для сохранности закрепляют на элементе 2 мачты в положении, показанном штрихпунктирной линией.
Снова рассмотрим кабину 5 управления в сложенном для транспортирования положении (фиг.3). Боковое ограждение 16 при этом закреплено в наклонном положении по отношению к наружному борту 17 платформы 4 таким образом, что оказывается перед передней стороной 32 кабины 5, принимая во внимание закругленную форму этой передней стороны 32. Благодаря этому ограждение 16 обеспечивает также защиту передней стороны 32 кабины 5, в частности, ее нижней застекленной части 33, тогда как электрический шкаф 18 защищает боковую сторону 23 кабины 5, в частности, ее боковую остекленную часть 34.
Чтобы перейти из сложенного для транспортировки положения (фиг.3 и 6) в рабочее положение (фиг.1, 2 и 5) необходимо ослабить стяжное устройство 31, закрепленное на элементе 2 мачты, для чего нужно повернуть кабину 5 вручную на угол 90° (стрелка F1 на фиг.1). Приведя таким образом кабину 5 в рабочее положение, ее блокируют посредством болтового соединения пластин 26 и 28, наложенных одна на другую. Наконец, закрепляют боковое ограждение в вертикальном положении.
Складываемый блок, согласно изобретению, полностью подключен электрически, так что не требуется осуществлять никаких операций электрического подключения в момент его подготовки к эксплуатации, что еще раз говорит о простоте и быстроте приведения его в рабочее состояние.
Естественно для перехода из рабочего состояния в положение транспортировки операции, описанные ранее, осуществляют в обратном порядке: отделяют стянутые болтом пластины 26 и 28, затем вручную поворачивают кабину 5 на угол 90° (стрелка F2 на фиг.1), наконец, устанавливают на место стяжное устройство 31 и закрепляют ограждение 16 в его наклонном положении.
Складываемый блок, описанный выше, применим для башенных кранов с «подвешенной» кабиной управления любой конфигурации.
Не выходят за рамки изобретения в том виде, как это описано в прилагаемой формуле изобретения:
изменения конструктивных деталей, таких как шарнирные соединения между кабиной и элементом мачты;
использование других средств блокировки кабины в рабочем положении и ее сложенном для транспортировки положении;
приспосабливание изобретения к кранам с кабинами управления другой конфигурации и других размеров.
Формула изобретения
1. Складываемый блок для башенного крана, отличающийся тем, что он содержит в комбинации верхний элемент (2) мачты, соединенный с цапфой (1), платформу (4) для доступа в кабину, расположенную горизонтально с одной стороны элемента (2) мачты, и кабину (5) управления краном, установленную с возможностью поворота вокруг вертикальной оси (6), расположенную сбоку от элемента (2) мачты и соединенную с этим элементом (2) мачты, ориентируемую именно вручную вокруг упомянутой вертикальной оси (6) примерно на 90°, между рабочим положением, в котором эта кабина (5) расположена в продолжение платформы (4), перед элементом (2) мачты, и положением при транспортировке, в котором эта кабина (5) расположена над платформой (4), прилегая к элементу (2) мачты.
2. Складываемый блок по п.1, отличающийся тем, что кабина (5) управления шарнирно соединена с элементом (2) мачты посредством вертикального двойного цилиндрического шарнирного узла, содержащего со стороны элемента (2) мачты верхнюю опору (7) и нижнюю опору (9), закрепленные соответственно на верху и на основании элемента (2) мачты, и со стороны кабины (5) верхнюю опору (10) и нижнюю опору (13), закрепленные соответственно на верху и на основании несущей конструкции (12) кабины (5), причем верхние опоры (7, 10) и нижние опоры (9, 13) соединены вертикальными осями, соответственно верхней осью (14) и нижней осью(15).
3. Складываемый блок по п.1 или 2, отличающийся тем, что он включает средства (26-31) блокировки кабины (5) управления в ее рабочем положении и в ее сложенном для транспортировки положении.
4. Складываемый блок по п.3, отличающийся тем, что средства блокировки кабины (5) управления в рабочем положении образованы пластинами (26, 28), скрепленными соответственно с основанием кабины (5) и платформой (4) для доступа в эту кабину (5), для которых предусмотрена возможность болтового соединения между собой.
5. Складываемый блок по п.3 или 4, отличающийся тем, что средства блокировки кабины управления (5) в сложенном для транспортировки положении образованы стяжными устройствами (31), установленными между верхом (8) элемента (2) мачты и вершиной несущей конструкции (12) кабины (5) в сочетании с упругим упором (35), закрепленным на платформе (4).
6. Складываемый блок по любому из пп.1-5, отличающийся тем, что платформа (4) имеет откидываемое или наклоняемое боковое ограждение (16), которое в рабочем положении кабины (5) управления закреплено в вертикальном положении и расположено в продолжение одной из боковых сторон (23) этой кабины (5) и в сложенном для транспортировки положении кабины (5) управления закреплено в вертикальном положении или наклонном положении, выступая наружу от платформы (4) таким образом, что защищена передняя сторона (32) кабины (5), в частности ее нижняя застекленная часть (33) этой передней стороны (32).
7. Складываемый блок по п.6, отличающийся тем, что средства крепления бокового ограждения (16) на платформе (4) для доступа в кабину (5) включают на наружном борту (17) упомянутой платформы (4) два клиновых гнезда (20, 21) для приема и фиксации стоек (22) бокового ограждения (16), при этом в зависимости от выбираемого гнезда (20 или 21) обеспечивается вертикальная или наклонная ориентация этих стоек (22), следовательно ограждения (16).
8. Складываемый блок по п.6 или 7, отличающийся тем, что на платформе (4) для доступа в кабину (5) устанавливают перпендикулярно боковому ограждению (16) электрический шкаф (18), доступ к которому возможен с этой платформы (4), причем при приведении кабины (5) управления в сложенное для транспортировки положение она расположена около упомянутого электрического шкафа (18) таким образом, что боковое остекление (34) кабины (5) оказывается также защищенным.
9. Башенный кран, отличающийся тем, что он включает складываемый блок согласно любому из пп.1-8 формулы изобретения.
РИСУНКИ
|
|