|
|
(21), (22) Заявка: 2006118667/15, 30.05.2006
(24) Дата начала отсчета срока действия патента:
30.05.2006
(46) Опубликовано: 10.02.2008
(56) Список документов, цитированных в отчете о поиске:
RU 2155631 С2, 10.09.2000. RU 2106903 C1, 20.03.1998. RU 2261140 C1, 27.09.2005. GB 2289054 A, 08.11.1995. US 6015451 А, 18.01.2000.
Адрес для переписки:
109377, Москва, ул. Зеленодольская, 11, кв.93, В.Г. Цегельскому
|
(72) Автор(ы):
Цегельский Валерий Григорьевич (RU)
(73) Патентообладатель(и):
Цегельский Валерий Григорьевич (RU)
|
(54) СПОСОБ ОЧИСТКИ ОТ УГЛЕВОДОРОДОВ ПАРОГАЗОВОЙ СРЕДЫ, ОБРАЗУЮЩЕЙСЯ ПРИ ХРАНЕНИИ НЕФТИ ИЛИ ПРИ НАПОЛНЕНИИ ЕМКОСТИ НЕФТЬЮ (ВАРИАНТЫ), И УСТАНОВКА ДЛЯ ЕГО ОСУЩЕСТВЛЕНИЯ (ВАРИАНТЫ)
(57) Реферат:
Изобретение относится к области струйной техники и может служить для очистки от углеводородов выбрасываемой в атмосферу парогазовой среды, образующейся при хранении нефти или бензина. Парогазовую среду сжимают компрессором (1) и подают в абсорбер (4) для абсорбции части углеводородов нефтью, которая используется в качестве абсорбента. Далее нефть направляют в емкость (3) или резервуар для хранения (2). Газообразную фазу из абсорбера (4) сжимают компрессором (8), затем цикл повторяют во втором абсорбере (5), где в качестве абсорбента используют нефть, и в третьем абсорбере (6), где в качестве абсорбента применяют углеводородную жидкость. Из абсорбера (6) выводят очищенную от углеводородов газовую среду и насыщенную углеводородную жидкость, которую направляют в десорбер (7), где создают давление ниже, чем в третьем абсорбере (6). По второму варианту вместо третьего абсорбера для процесса поглощения углеводородов из газовой среды применяют жидкостно-газовый струйный аппарат с дальнейшим разделением насыщенной углеводородной жидкости и очищенной газовой среды в сепараторе. Изобретение позволяет сократить потери нефти, уменьшить энергетические затраты, повысить степень очистки от углеводородов выбрасываемой в атмосферу газовой среды. 4 н. и 13 з.п. ф-лы, 2 ил.
Настоящее изобретение относится к области струйной техники, преимущественно к способам, использующим насосно-эжекторные установки в системах очистки от углеводородов выбрасываемой в атмосферу парогазовой среды, образующейся при хранении нефти или бензина или при наполнении ими емкости.
Известен способ очистки от углеводородов парогазовой среды, образующейся при хранении нефти или при наполнении емкости нефтью, включающий подачу насосом жидкой среды в жидкостно-газовый струйный аппарат, откачку последним парогазовой среды из наполняемой нефтью емкости или резервуара для ее хранения и ее сжатие в жидкостно-газовом струйном аппарате за счет энергии жидкой среды, подачу образованной в жидкостно-газовом струйном аппарате смеси парогазовой и жидкой сред в сепаратор, разделение в сепараторе смеси на газообразную фазу и жидкую среду, отвод из сепаратора жидкой среды в наполняемую нефтью емкость или в резервуар для хранения нефти, подачу нефти на вход насоса или в сепаратор (см. патент RU №2261140, кл. В01D 53/14, 27.09.2005).
Из этого же патента известна установка для очистки от углеводородов парогазовой среды, образующейся при хранении нефти или при наполнении емкости нефтью, содержащая насос, жидкостно-газовый струйный аппарат, сепаратор, второй насос, второй жидкостно-газовый струйный аппарат, абсорбер и десорбер, при этом жидкостно-газовый струйный аппарат входом жидкой среды подключен к выходу насоса, входом газа подключен к источнику парогазовой среды – емкости, наполняемой нефтью, или резервуару для хранения нефти, выходом смеси жидкостно-газовый струйный аппарат подключен к сепаратору, который имеет выход газообразной фазы и выход жидкой среды, подключенный к резервуару для хранения нефти или емкости, наполняемой нефтью, вход насоса или сепаратор подключен к трубопроводу для перекачки нефти или к резервуару для хранения нефти, абсорбер выходом жидкости подключен к входу в десорбер, выход газа из десорбера подключен к входу газа в жидкостно-газовый струйный аппарат.
Данные способ и установка для его реализации обеспечивают сжатие и конденсацию углеводородных паров нефти и снижение концентрации вредных для окружающей среды углеводородных паров в выбрасываемой в атмосферу парогазовой среде. Использование нефти в качестве рабочей жидкости жидкостно-газового струйного аппарата позволяет одновременно со сжатием парогазовой среды проводить процесс абсорбции нефтью части углеводородов из сжимаемой среды. Однако при этом расходуется большое количество электроэнергии на привод насоса, так как сжимается весь расход парогазовой среды до больших давлений в одном жидкостно-газовом струйном аппарате. Кроме того, процесс десорбции углеводородной жидкости проводится в двух десорберах с использованием для этого второго насоса и второго жидкостно-газового струйного аппарата, что усложняет установку.
Наиболее близким к изобретению по технической сущности и достигаемому результату является способ очистки от углеводородов парогазовой среды, образующейся при хранении углеводородной жидкой среды, который включает сжатие компрессором парогазовой среды и ее подачу в абсорбер, проведение в последнем процесса абсорбции поступающим в него абсорбентом части углеводородов из парогазовой среды и вывод из абсорбера газообразной фазы и абсорбента с растворенными в нем углеводородами парогазовой среды (см. патент RU №2155631, кл. В01D 53/14, 10.09.2000).
Из этого же патента известна установка для очистки от углеводородов парогазовой среды, образующейся при хранении углеводородной жидкой среды, – бензина, содержащая компрессор, абсорбер и десорбер, при этом компрессор подключен входом к источнику парогазовой среды – резервуару для хранения углеводородной жидкой среды и выходом подключен к абсорберу.
Однако одноступенчатая абсорбция паров бензина углеводородной жидкостью, отличной от бензина, не позволяет в полной мере очистить парогазовую среду от паров бензина, причем подобная одноступенчатая схема абсорбции углеводородной жидкостью требует значительных затрат на регенерацию углеводородной жидкости для ее повторного использования.
Задачей, на решение которой направлено настоящее изобретение, является очистка от углеводородов парогазовой среды, образующейся при хранении нефти или при наполнении ею емкости.
Техническим результатом, на достижение которого направлено настоящее изобретение, является сокращение потерь нефти, уменьшение энергетических затрат и повышение степени очистки от углеводородов выбрасываемой в атмосферу газовой среды, полученной в результате очистки парогазовой среды, образующейся при хранении нефти или при наполнении ею емкости.
Указанный технический результат в части способа, как объекта изобретения, достигается за счет того, что способ очистки от углеводородов парогазовой среды, образующейся при хранении нефти или при наполнении емкости нефтью, включает сжатие компрессором парогазовой среды и ее подачу в абсорбер, проведение в последнем процесса абсорбции поступающим в него абсорбентом части углеводородов из парогазовой среды и вывод из абсорбера газообразной фазы и абсорбента с растворенными в нем углеводородами парогазовой среды, при этом в качестве абсорбента в абсорбер подают нефть и выводят из абсорбера нефть с растворенными в ней углеводородами парогазовой среды в наполняемую нефтью емкость или резервуар для ее хранения, газообразную фазу, выходящую из абсорбера, сжимают вторым компрессором и подают во второй абсорбер, в который в качестве абсорбента подают нефть, и проводят процесс абсорбции нефтью части углеводородов газообразной фазы, полученную во втором абсорбере газовую среду отводят в третий абсорбер, а нефть с растворенными в ней углеводородами газообразной фазы направляют в наполняемую нефтью емкость или в резервуар для ее хранения, в третий абсорбер подают углеводородную жидкость и проводят процесс абсорбции углеводородной жидкостью углеводородов из газовой среды, из третьего абсорбера выводят очищенную от углеводородов газовую среду и углеводородную жидкость с растворенными в ней углеводородами газовой среды, последнюю направляют в десорбер, в котором создают давление ниже давления в третьем абсорбере, и выделяют из поступившей углеводородной жидкости растворенные в ней углеводороды газовой среды, после этого углеводородную жидкость из десорбера подают в третий абсорбер.
В десорбере создают давление ниже давления в третьем абсорбере предпочтительно путем откачки выделившихся в нем углеводородов газовой среды компрессором.
В третьем абсорбере поддерживают давление предпочтительно в диапазоне от 0,80 МПа до 3,0 МПа.
Углеводородная жидкость предпочтительно содержит не менее 50% по массе дизельных фракций с пределами выкипания, лежащими в диапазоне от 180°С до 340°С, причем углеводородную жидкость подают в третий абсорбер при ее температуре, находящейся в диапазоне от минус 30°С до плюс 40°С.
Углеводородную жидкость с растворенными в ней углеводородами газовой среды после выхода из третьего абсорбера предпочтительно подогревать.
По второму варианту выполнения способ очистки от углеводородов парогазовой среды, образующейся при хранении нефти или при наполнении емкости нефтью, включает сжатие компрессором парогазовой среды и ее подачу в абсорбер, проведение в последнем процесса абсорбции поступающим в него абсорбентом части углеводородов из парогазовой среды и вывод из абсорбера газообразной фазы и абсорбента с растворенными в нем углеводородами парогазовой среды, при этом в качестве абсорбента в абсорбер подают нефть и выводят из абсорбера нефть с растворенными в ней углеводородами парогазовой среды в наполняемую нефтью емкость или резервуар для ее хранения, газообразную фазу, выходящую из абсорбера, сжимают вторым компрессором и подают во второй абсорбер, в который в качестве абсорбента подают нефть, и проводят процесс абсорбции нефтью части углеводородов газообразной фазы, нефть с растворенными в ней углеводородами газообразной фазы направляют из второго абсорбера в наполняемую нефтью емкость или в резервуар для ее хранения, а полученную во втором абсорбере газовую среду откачивают жидкостно-газовым струйным аппаратом, в который насосом подают углеводородную жидкость, и проводят процесс поглощения углеводородной жидкостью углеводородов из газовой среды, образованную в жидкостно-газовом струйном аппарате смесь газовой среды и углеводородной жидкости подают в сепаратор, где ее разделяют на очищенную от углеводородов газовую среду, которую выводят из сепаратора, и углеводородную жидкость с растворенными в ней углеводородами газовой среды, последнюю направляют в десорбер, в котором создают давление ниже давления в сепараторе, и выделяют из поступившей углеводородной жидкости растворенные в ней углеводороды газовой среды, после чего углеводородную жидкость подают из десорбера на вход насоса.
В десорбере создают давление ниже давления в сепараторе предпочтительно путем откачки выделившихся в нем углеводородов газовой среды компрессором.
В сепараторе поддерживают давление предпочтительно в диапазоне от 0,90 МПа до 3,5 МПа.
Углеводородная жидкость предпочтительно содержит не менее 50% по массе дизельных фракций с пределами выкипания, лежащими в диапазоне от 180°С до 340°С, причем углеводородную жидкость подают в жидкостно-газовый струйный аппарат при ее температуре, находящейся в диапазоне от минус 30°С до плюс 40°С.
Углеводородную жидкость с растворенными в ней углеводородами газовой среды после выхода из сепаратора предпочтительно подогревать.
В части устройства, как объекта изобретения, технический результат достигается за счет того, что установка для очистки от углеводородов парогазовой среды, образующейся при хранении нефти или при наполнении емкости нефтью, содержит компрессор, абсорбер и десорбер, причем компрессор выходом подключен к абсорберу, а установка снабжена вторым компрессором, вторым и третьим абсорберами, при этом компрессор подключен входом к источнику парогазовой среды – резервуару для хранения нефти или емкости, наполняемой нефтью, абсорбер входом жидкой среды подключен к трубопроводу для перекачки нефти и/или к резервуару для хранения нефти, выходом жидкой среды подключен к резервуару для хранения нефти или к емкости, наполняемой нефтью, и выходом газообразной фазы подключен к входу второго компрессора, который выходом подключен ко второму абсорберу, последний входом жидкой среды подключен к трубопроводу для перекачки нефти и/или к резервуару для хранения нефти, выходом жидкой среды подключен к резервуару для хранения нефти или к емкости, наполняемой нефтью, и выходом газовой среды подключен к третьему абсорберу, имеющему выход очищенной от углеводородов газовой среды и выход жидкости, подключенный к входу в десорбер, выход газа из десорбера подключен к входу газа в компрессор и выход жидкости из десорбера подключен к входу жидкости в третий абсорбер.
Установка может быть снабжена теплообменником, установленным между выходом жидкости из третьего абсорбера и ее входом в десорбер.
Установка может быть снабжена теплообменником, установленным между выходом жидкости из десорбера и ее входом в третий абсорбер.
По второму варианту выполнения установка для очистки от углеводородов парогазовой среды, образующейся при хранении нефти или при наполнении емкости нефтью, содержит компрессор, абсорбер и десорбер, при этом компрессор выходом подключен к абсорберу, а установка снабжена вторым абсорбером, вторым компрессором, насосом, жидкостно-газовым струйным аппаратом и сепаратором, при этом компрессор подключен входом к источнику парогазовой среды – резервуару для хранения нефти или емкости, наполняемой нефтью, абсорбер входом жидкой среды подключен к трубопроводу для перекачки нефти и/или к резервуару для хранения нефти, выходом жидкой среды подключен к резервуару для хранения нефти или к емкости, наполняемой нефтью, и выходом газообразной фазы подключен к входу второго компрессора, который выходом подключен ко второму абсорберу, последний входом жидкой среды подключен к трубопроводу для перекачки нефти и/или к резервуару для хранения нефти, выходом жидкой среды подключен к резервуару для хранения нефти или к емкости, наполняемой нефтью, и выходом газовой среды подключен к входу газа в жидкостно-газовый струйный аппарат, последний входом жидкости подключен к выходу насоса и выходом смеси подключен к сепаратору, выполненному с выходом из него очищенной от углеводородов газовой среды, при этом сепаратор выходом жидкости подключен к десорберу, который выходом газа подключен к входу в компрессор и выходом жидкости подключен к входу в насос.
Установка может быть снабжена теплообменником, установленным между выходом жидкости из сепаратора и ее входом в десорбер.
Установка может быть снабжена теплообменником, установленным между выходом жидкости из десорбера и ее входом в насос.
Сепаратор выходом жидкости может быть подключен к входу в насос.
Парогазовая среда, которая образуется в резервуарах хранения нефти, а также в ходе операций наполнения-опорожнения различного рода емкостей, состоит в основном из паров углеводородов и воздуха или азота, если последний подают в резервуар. Содержание углеводородов в парогазовой среде при выходе ее в атмосферу приводит как к загрязнению окружающей среды, так и к потере товарного продукта, в данном случае легких фракций нефти. Поэтому очистка парогазовой среды от углеводородов является актуальной задачей. Необходимо предотвратить попадание углеводородов в атмосферу и сократить потери товарной нефти.
Описываемые способы и установки для их реализации позволяют снижать концентрацию углеводородов в парогазовой среде до концентрации ниже уровня предельно допустимых выбросов этих паров в окружающую среду путем откачки и сжатия парогазовой среды с помощью компрессоров, например, роторных, жидкостно-кольцевых или винтовых и последующей ее очистки.
С точки зрения упрощения реализации способов и установок для очистки от углеводородов парогазовой среды наиболее целесообразно использовать нефть, хранящуюся в резервуаре или транспортируемую по трубопроводу в качестве исходного абсорбента, который используется на первых ступенях очистки. Использование нефти позволяет исключить из состава установок устройства для регенерации жидкости-абсорбента, поскольку сама нефть при определенных условиях способна извлекать из парогазовой среды свои собственные пары углеводородов. Проведенный анализ подтвердил возможность использования нефти в качестве абсорбента. В этом случае нефть может подаваться на вход абсорберов для поглощения части углеводородов из парогазовой среды.
Для окончательной глубокой очистки откачиваемой парогазовой среды от вредных для окружающей среды углеводородов в качестве абсорбента целесообразно использовать специально подобранную жидкость, отличную от нефти. В качестве такой жидкости наиболее целесообразно использовать дизельную или газойлевую фракции нефти. Возможно также использовать более легкие фракции нефти, например смесь керосиновой и дизельной фракций. Для этого необходимо организовать абсорбционно-десорбционный контур циркуляции такой углеводородной жидкости-абсорбента.
При этом надо иметь ввиду, что речь идет о исходных жидкостях, которые подают в качестве абсорбента. В основном это касается состава жидкости-абсорбента, которую подают в третий абсорбер (один из вариантов окончательной очистки парогазовой среды) или подают насосом в жидкостно-газовый струйный аппарат (другой вариант окончательной очистки парогазовой среды). Что касается жидкости, которая находится в десорбере, в сепараторе и в третьем абсорбере в процессе работы установки, то кроме исходной углеводородной жидкости в ней находится некоторое количество конденсата углеводородов из откачиваемой парогазовой среды. Поэтому можно говорить только о том, что углеводородная жидкость в десорбере, в третьем абсорбере и на выходе из сепаратора близка по составу к дизельной, газойлевой, керосиновой или смеси керосиновой и дизельной фракций в зависимости от того, какую из них используют в процессе работы.
В ходе исследования было установлено, что наиболее привлекательной с экономической точки зрения является двухступенчатая абсорбция углеводородов нефтью из откачиваемой компрессором парогазовой среды. На первом этапе абсорбцию углеводородов из сжатой компрессором до давления от 0,3 до 2,0 МПа парогазовой среды организуют в абсорбере, где в качестве исходной жидкости-абсорбента углеводородов из парогазовой среды используют нефть, которой наполняют емкость из резервуара для ее хранения. Поэтому в газообразной фазе, которую отводят из абсорбера, содержится меньше углеводородов, чем в парогазовой среде.
Второй этап абсорбции углеводородов нефтью организован во втором абсорбере, где из газообразной фазы продолжают выделять оставшиеся в ней углеводороды. Однако для организации эффективного процесса абсорбции углеводородов из газообразной фазы необходимо создать условия, при которых используемая в качестве абсорбента нефть имела бы при температуре ее подачи во второй абсорбер давление насыщенных паров значительно ниже, чем давление насыщенных паров углеводородов в газообразной фазе. Кроме того, необходимо добиться значительного снижения собственного испарения нефти в ходе процесса абсорбции. Таким образом, требуется правильная предварительная подготовка газообразной фазы, чтобы из нее можно было абсорбировать углеводороды. Для этого газообразную фазу сжимают перед подачей в абсорбер вторым компрессором. Следует отметить, что двухступенчатая схема абсорбции нефтью углеводородов из парогазовой среды оказалась энергетически более привлекательной, чем одноступенчатая или трехступенчатая, поскольку при двухступенчатой схеме абсорбции требуются менее мощные компрессоры и реализуется более эффективная работа абсорберов.
Для более глубокой очистки парогазовой среды от углеводородов организована третья ступень абсорбции с использованием в качестве абсорбента углеводородной жидкости, отличной от нефти. При этом предложенная схема работы описываемых установок позволяет возвращать в резервуар для хранения нефти углеводороды, которые выделили из парогазовой среды. При этом возможны два варианта реализации установки. При относительно невысоких требованиях к степени очистки от углеводородов парогазовой среды возможно использовать технологически более простую схему работы с третьим абсорбером. Для повышения степени очистки от углеводородов парогазовой среды целесообразно интенсифицировать процесс взаимодействия углеводородной жидкости и газовой среды с одновременным сжатием газовой среды и проведением разделения сред в зоне максимального сжатия газовой среды. В этом случае целесообразно использовать жидкостно-газовый струйный аппарат для сжатия газовой среды и проведения в нем процесса абсорбции, а завершение процесса абсорбции и разделение сред проводить в сепараторе. В тоже время в десорбере, например, с помощью компрессора создают давление более низкое, чем в третьем абсорбере или в сепараторе, в который подают сжатую газовую среду из жидкостно-газового струйного аппарата. По второму варианту выполнения установки жидкостно-газовый струйный аппарат откачивает газовую среду из второго абсорбера и в процессе сжатия газовой среды абсорбирует из нее большее количество оставшихся в ней углеводородов, чем в случае выполнения установки по первому варианту с третьим абсорбером. Созданное в десорбере компрессором низкое давление позволяет выделить из углеводородной жидкости растворенные в ней углеводороды газовой среды, что позволяет использовать ее в дальнейшем в качестве эффективного абсорбента, подаваемого в третий абсорбер или в жидкостно-газовый струйный аппарат.
В результате удалось добиться эффективной работы всей установки и обеспечить высокую степень очистки от углеводородов парогазовой среды, выводимой в атмосферу.
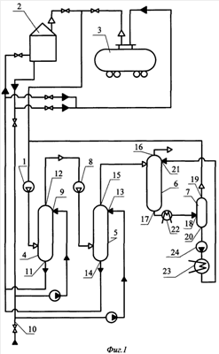
На фиг.1 представлена принципиальная схема первого варианта выполнения установки, в которой осуществляется первый описываемый способ очистки от углеводородов парогазовой среды. На фиг.2 представлен второй вариант выполнения такой установки, реализующей второй вариант способа очистки от углеводородов парогазовой среды.
Установка для очистки от углеводородов парогазовой среды, образующейся при хранении нефти или при наполнении емкости нефтью, по первому варианту ее выполнения (см. фиг.1) содержит компрессор 1, подключенный входом к источнику парогазовой среды – резервуару 2 для хранения нефти или емкости 3, наполняемой нефтью, и выходом подключенный к абсорберу 4. Установка, кроме того, снабжена вторым 5 и третьим 6 абсорберами, десорбером 7 и вторым компрессором 8. Абсорбер 4 входом 9 жидкой среды подключен к трубопроводу 10 для перекачки нефти и/или к резервуару 2 для хранения нефти, выходом 11 жидкой среды подключен к резервуару 2 для хранения нефти или к емкости 3, наполняемой нефтью, и выходом 12 газообразной фазы подключен к входу второго компрессора 8, который выходом подключен ко второму абсорберу 5, последний входом 13 жидкой среды подключен к трубопроводу 10 для перекачки нефти и/или к резервуару 2 для хранения нефти, выходом 14 жидкой среды подключен к резервуару 2 для хранения нефти или к емкости 3, наполняемой нефтью, и выходом 15 газовой среды подключен к третьему абсорберу 6, имеющему выход 16 очищенной от углеводородов газовой среды и выход 17 жидкости, подключенный к входу 18 в десорбер 7, выход 19 газа из десорбера 7 подключен к входу газа в компрессор 1 и выход 20 из десорбера 7 подключен через насос 24 к входу 21 жидкости в третий абсорбер 6.
Установка может быть снабжена теплообменником 22, установленным между выходом 17 жидкости из третьего абсорбера 6 и ее входом 18 в десорбер 7.
Установка может быть снабжена теплообменником 23, установленным между выходом 20 жидкости из десорбера 7 и ее входом 21 в третий абсорбер 6.
По второму варианту выполнения (см. фиг.2) установка для очистки от углеводородов парогазовой среды, образующейся при хранении нефти или при наполнении емкости нефтью, отличается от установки по первому варианту ее выполнения тем, что второй абсорбер 5 выходом 15 газовой среды подключен к входу газа в жидкостно-газовый струйный аппарат 25, последний входом 26 жидкости подключен к выходу насоса 27 и выходом 28 смеси подключен к сепаратору 29, выполненному с выходом 30 из него очищенной от углеводородов газовой среды. Сепаратор 29 выходом 31 жидкости подключен к десорберу 7, который выходом 20 жидкости подключен к входу в насос 27 и выходом 19 газа подключен к входу в компрессор 1.
Установка может быть снабжена теплообменником 22, установленным между выходом 31 жидкости из сепаратора 29 и ее входом в десорбер 7.
Установка может быть снабжена теплообменником 23, установленным между выходом 20 жидкости из десорбера 7 и ее входом в насос 27.
Сепаратор 29 выходом 32 жидкости может быть подключен к входу в насос 27.
Перед началом работы установки по первому варианту ее реализации (см. фиг.1) абсорбционно-десорбционный контур, включающий третий абсорбер и десорбер, заполняют углеводородной жидкостью, например дизельной фракцией.
При хранении нефти в резервуаре 2 или при наполнении ею емкости 3 образуется парогазовая среда. Для организации процесса очистки от углеводородов парогазовой среды насосами подают нефть из резервуара 2 для ее хранения или из трубопровода 10 в качестве жидкости-абсорбента в абсорбер 4 и во второй абсорбер 5. Компрессором 1 производят откачку парогазовой среды из резервуара 2 и/или из наполняемой емкости 3, ее сжатие и подачу в абсорбер 4. В последнем, в процессе взаимодействия парогазовой среды с нефтью, проводят абсорбцию нефтью части углеводородов из парогазовой среды. Образовавшуюся газообразную фазу с меньшим, чем в парогазовой среде, содержанием углеводородов выводят из абсорбера 4, а нефть с растворенными в ней углеводородами парогазовой среды направляют из абсорбера в наполняемую нефтью емкость 3 или резервуар 2 для ее хранения. Газообразную фазу, выходящую из абсорбера 4 через выход 12, сжимают вторым компрессором 8 и подают во второй абсорбер 5, в который в качестве абсорбента также подают нефть из трубопровода 10 и/или резервуара 2. Во втором абсорбере 5 в процессе взаимодействия нефти с газообразной фазой проводят процесс абсорбции нефтью части углеводородов газообразной фазы. Полученную во втором абсорбере 5 газовую среду отводят через выход 15 в третий абсорбер 6, а нефть с растворенными в ней углеводородами газообразной фазы направляют через выход 14 в наполняемую нефтью емкость 3 или в резервуар 2 для ее хранения.
В третий абсорбер 6 подают углеводородную жидкость и проводят процесс абсорбции углеводородной жидкостью углеводородов из газовой среды, например, путем организации противоточного их движения. В качестве углеводородной жидкости используют, как указывалось выше, дизельную, газойлевую, керосиновую фракции нефти или смесь дизельной и керосиновой фракций. Из третьего абсорбера 6 выводят через выход 16 очищенную от углеводородов газовую среду, например, в окружающую среду, а углеводородную жидкость с растворенными в ней углеводородами газовой среды через выход 17 направляют в десорбер 7, в котором создают давление ниже давления в третьем абсорбере 6. За счет этого выделяют из поступившей в десорбер 7 углеводородной жидкости растворенные в ней углеводороды газовой среды. После этого углеводородную жидкость из десорбера 7 подают через вход 21 в третий абсорбер 6 для проведения в нем процесса абсорбции.
В десорбере 7 давление ниже давления в третьем абсорбере 6 может быть создано путем откачки компрессором 1 через выход 19 выделившихся в нем углеводородов газовой среды.
Наиболее предпочтительно, чтобы углеводородная жидкость содержала не менее 50% по массе дизельных фракций с пределами выкипания, лежащими в диапазоне от 180°С до 340°С, причем углеводородную жидкость целесообразно подавать в третий абсорбер 6 при ее температуре, лежащей в диапазоне от минус 30°С до плюс 40°С. Для получения такой температуры углеводородной жидкости используют теплообменник 23, в который подается хладоноситель, в том числе охлажденный при помощи холодильной машины. Для интенсификации процесса выделения углеводородов газовой среды из углеводородной жидкости последняя может быть подогрета в теплообменнике 22 перед поступлением в десорбер 7. Для этого может быть использовано тепло жидкой среды, например тепло нефти, которую отводят из абсорберов 4 и 5. Возможно использование тепла другого теплоносителя, имеющего более высокую температуру по сравнению с температурой жидкости, выходящей из третьего абсорбера 6.
Выше отмечалось, что одним из основных условий эффективной абсорбции из газовой среды углеводородов является давление, которое поддерживают в третьем абсорбере 6. Было выявлено, что целесообразно сжимать газовую среду до давления в третьем абсорбере в диапазоне от 0,80 МПа до 3,0 МПа. Сжатие газовой среды до давления ниже 0,80 МПа снижает эффективность процесса абсорбции настолько, что не достигается требуемая экологическими нормами степень очистки от углеводородов выбрасываемой в атмосферу газовой среды. Сжатие газовой среды до давления выше 3,0 МПа не приводит к ощутимому увеличению степени очистки, но значительно увеличивает затраты электроэнергии на привод второго компрессора 8.
Способ работы установки в соответствии со вторым вариантом ее исполнения отличается от описанного выше тем, что полученную во втором абсорбере 5 газовую среду откачивают и сжимают жидкостно-газовым струйным аппаратом 25, в который насосом 27 подают углеводородную жидкость, и проводят процесс поглощения углеводородной жидкостью углеводородов из газовой среды. Образованную в жидкостно-газовом струйном аппарате 25 смесь газовой среды и углеводородной жидкости подают в сепаратор 29, где из нее выделяют очищенную от углеводородов газовую среду, которую выводят через выход 30 из сепаратора 29, например, в окружающее пространство, а углеводородную жидкость с растворенными в ней углеводородами газовой среды направляют в десорбер 7, в котором создают давление ниже давления в сепараторе 29, предпочтительно, компрессором 1. В десорбере 7, за счет создания более низкого давления чем в сепараторе 29, выделяют из поступившей углеводородной жидкости растворенные в ней углеводороды газовой среды. Выделившиеся из углеводородной жидкости углеводороды компрессором 1 возвращаются в абсорбер 4 и из последнего в растворенном в нефти виде в резервуар 2 или емкость 3. Очищенную в десорбере 7 углеводородную жидкость подают на вход насоса 27, который направляет ее в жидкостно-газовый струйный аппарат 25.
Выше уже отмечалось, что одним из основных условий эффективной абсорбции из газовой среды углеводородов является давление, которое создают жидкостно-газовым струйным аппаратом 25 и поддерживают в сепараторе 29. Было выявлено, что целесообразно сжимать газовую среду жидкостно-газовым струйным аппаратом 25 до давления в сепараторе 29, лежащего в диапазоне от 0,90 МПа до 3,5 МПа. Сжатие газовой среды жидкостно-газовым струйным аппаратом до давления ниже 0,90 МПа снижает эффективность процесса абсорбции настолько, что не достигается требуемая экологическими нормами степень очистки от углеводородов выбрасываемой в атмосферу газовой среды. Сжатие газовой среды до давления выше 3,5 МПа увеличивает затраты электроэнергии на привод насоса 27 при практически неизменной степени очистки.
Данный способ очистки от углеводородов парогазовой среды, образующейся при хранении нефти или бензина или при наполнении ими емкости, и установка для его реализации могут быть использованы на эстакадах и терминалах налива нефти или бензина, на нефтебазах, заводах нефтеперерабатывающей, нефтехимической и других отраслях промышленности.
Формула изобретения
1. Способ очистки от углеводородов парогазовой среды, образующейся при хранении нефти или при наполнении емкости нефтью, включающий сжатие компрессором парогазовой среды и ее подачу в абсорбер, проведение в последнем процесса абсорбции поступающим в него абсорбентом части углеводородов из парогазовой среды и вывод из абсорбера газообразной фазы и абсорбента с растворенными в нем углеводородами парогазовой среды, отличающийся тем, что в качестве абсорбента в абсорбер подают нефть и выводят из абсорбера нефть с растворенными в ней углеводородами парогазовой среды в наполняемую нефтью емкость или резервуар для ее хранения, газообразную фазу, выходящую из абсорбера, сжимают вторым компрессором и подают во второй абсорбер, в который в качестве абсорбента подают нефть, и проводят процесс абсорбции нефтью части углеводородов газообразной фазы, полученную во втором абсорбере газовую среду отводят в третий абсорбер, а нефть с растворенными в ней углеводородами газообразной фазы направляют в наполняемую нефтью емкость или в резервуар для ее хранения, в третий абсорбер подают углеводородную жидкость и проводят процесс абсорбции углеводородной жидкостью углеводородов из газовой среды, из третьего абсорбера выводят очищенную от углеводородов газовую среду и углеводородную жидкость с растворенными в ней углеводородами газовой среды, последнюю направляют в десорбер, в котором создают давление ниже давления в третьем абсорбере и выделяют из поступившей углеводородной жидкости растворенные в ней углеводороды газовой среды, после этого углеводородную жидкость из десорбера подают в третий абсорбер.
2. Способ по п.1, отличающийся тем, что в десорбере создают давление ниже давления в третьем абсорбере путем откачки выделившихся в нем углеводородов газовой среды компрессором.
3. Способ по п.1, отличающийся тем, что в третьем абсорбере поддерживают давление от 0,80 до 3,0 МПа.
4. Способ по п.1, отличающийся тем, что углеводородная жидкость содержит не менее 50% по массе дизельных фракций с пределами выкипания, лежащими от 180 до 340°С, причем углеводородную жидкость подают в третий абсорбер при ее температуре от минус 30 до плюс 40°С.
5. Способ по п.1, отличающийся тем, что углеводородную жидкость с растворенными в ней углеводородами газовой среды после выхода из третьего абсорбера подогревают.
6. Способ очистки от углеводородов парогазовой среды, образующейся при хранении нефти или при наполнении емкости нефтью, включающий сжатие компрессором парогазовой среды и ее подачу в абсорбер, проведение в последнем процесса абсорбции поступающим в него абсорбентом части углеводородов из парогазовой среды и вывод из абсорбера газообразной фазы и абсорбента с растворенными в нем углеводородами парогазовой среды, отличающийся тем, что в качестве абсорбента в абсорбер подают нефть и выводят из абсорбера нефть с растворенными в ней углеводородами парогазовой среды в наполняемую нефтью емкость или резервуар для ее хранения, газообразную фазу, выходящую из абсорбера, сжимают вторым компрессором и подают во второй абсорбер, в который в качестве абсорбента подают нефть, и проводят процесс абсорбции нефтью части углеводородов газообразной фазы, нефть с растворенными в ней углеводородами газообразной фазы направляют из второго абсорбера в наполняемую нефтью емкость или в резервуар для ее хранения, а полученную во втором абсорбере газовую среду откачивают жидкостно-газовым струйным аппаратом, в который насосом подают углеводородную жидкость и проводят процесс поглощения углеводородной жидкостью углеводородов из газовой среды, образованную в жидкостно-газовом струйном аппарате смесь газовой среды и углеводородной жидкости подают в сепаратор, где ее разделяют на очищенную от углеводородов газовую среду, которую выводят из сепаратора, и углеводородную жидкость с растворенными в ней углеводородами газовой среды, последнюю направляют в десорбер, в котором создают давление ниже давления в сепараторе и выделяют из поступившей углеводородной жидкости растворенные в ней углеводороды газовой среды, после чего углеводородную жидкость подают из десорбера на вход насоса.
7. Способ по п.6, отличающийся тем, что в десорбере создают давление ниже давления в сепараторе путем откачки выделившихся в нем углеводородов газовой среды компрессором.
8. Способ по п.6, отличающийся тем, что в сепараторе поддерживают давление от 0,90 до 3,5 МПа.
9. Способ по п.6, отличающийся тем, что углеводородная жидкость содержит не менее 50% по массе дизельных фракций с пределами выкипания от 180 до 340°С, причем углеводородную жидкость подают в жидкостно-газовый струйный аппарат при ее температуре от минус 30 до плюс 40°С.
10. Способ по п.6, отличающийся тем, что углеводородную жидкость с растворенными в ней углеводородами газовой среды после выхода из сепаратора подогревают.
11. Установка для очистки от углеводородов парогазовой среды, образующейся при хранении нефти или при наполнении емкости нефтью, содержащая компрессор, абсорбер и десорбер, при этом компрессор выходом подключен к абсорберу, отличающаяся тем, что установка снабжена вторым компрессором, вторым и третьим абсорберами, при этом компрессор подключен входом к источнику парогазовой среды – резервуару для хранения нефти или емкости, наполняемой нефтью, абсорбер входом жидкой среды подключен к трубопроводу для перекачки нефти и/или к резервуару для хранения нефти, выходом жидкой среды подключен к резервуару для хранения нефти или к емкости, наполняемой нефтью, и выходом газообразной фазы подключен к входу второго компрессора, который выходом подключен ко второму абсорберу, последний входом жидкой среды подключен к трубопроводу для перекачки нефти и/или к резервуару для хранения нефти, выходом жидкой среды подключен к резервуару для хранения нефти или к емкости, наполняемой нефтью, и выходом газовой среды подключен к третьему абсорберу, имеющему выход очищенной от углеводородов газовой среды и выход жидкости, подключенный к входу в десорбер, выход газа из десорбера подключен к входу газа в компрессор и выход жидкости из десорбера подключен к входу жидкости в третий абсорбер.
12. Установка по п.11, отличающаяся тем, что она снабжена теплообменником, установленным между выходом жидкости из третьего абсорбера и ее входом в десорбер.
13. Установка по п.11, отличающаяся тем, что она снабжена теплообменником, установленным между выходом жидкости из десорбера и ее входом в третий абсорбер.
14. Установка для очистки от углеводородов парогазовой среды, образующейся при хранении нефти или при наполнении емкости нефтью, содержащая компрессор, абсорбер и десорбер, при этом компрессор выходом подключен к абсорберу, отличающаяся тем, что установка снабжена вторым абсорбером, вторым компрессором, насосом, жидкостно-газовым струйным аппаратом и сепаратором, при этом компрессор подключен входом к источнику парогазовой среды – резервуару для хранения нефти или емкости, наполняемой нефтью, абсорбер входом жидкой среды подключен к трубопроводу для перекачки нефти и/или к резервуару для хранения нефти, выходом жидкой среды подключен к резервуару для хранения нефти или к емкости, наполняемой нефтью, и выходом газообразной фазы подключен к входу второго компрессора, который выходом подключен ко второму абсорберу, последний входом жидкой среды подключен к трубопроводу для перекачки нефти и/или к резервуару для хранения нефти, выходом жидкой среды подключен к резервуару для хранения нефти или к емкости, наполняемой нефтью, и выходом газовой среды подключен к входу газа в жидкостно-газовый струйный аппарат, последний входом жидкости подключен к выходу насоса и выходом смеси подключен к сепаратору, выполненному с выходом из него очищенной от углеводородов газовой среды, при этом сепаратор выходом жидкости подключен к десорберу, который выходом газа подключен к входу в компрессор и выходом жидкости подключен к входу в насос.
15. Установка по п.14, отличающаяся тем, что она снабжена теплообменником, установленным между выходом жидкости из сепаратора и ее входом в десорбер.
16. Установка по п.14, отличающаяся тем, что она снабжена теплообменником, установленным между выходом жидкости из десорбера и ее входом в насос.
17. Установка по п.14, отличающаяся тем, что сепаратор выходом жидкости подключен к входу в насос.
РИСУНКИ
|
|