|
| На основании пункта 3 статьи 13 Патентного закона Российской Федерации от 23 сентября 1992 г. № 3517-I патентообладатель обязуется передать исключительное право на изобретение (уступить патент) на условиях, соответствующих установившейся практике, лицу, первому изъявившему такое желание и уведомившему об этом патентообладателя и федеральный орган исполнительной власти по интеллектуальной собственности, – гражданину РФ или российскому юридическому лицу. |
|
(21), (22) Заявка: 2006116690/09, 15.05.2006
(24) Дата начала отсчета срока действия патента:
15.05.2006
(46) Опубликовано: 27.01.2008
(56) Список документов, цитированных в отчете о поиске:
RU 2246801 C1, 20.02.2005. RU 2029369 C1, 20.04.1995. SU 1396 296 A1, 15.05.1986. SU 964665, 07.11.1982. RU 2191407 С2, 20.10.2002. SU 995377, 07.02.1983. SU 1251342 А1, 15.08.1986. JP 7027513, 27.01.1995. JP 4177410, 24.06.1992. DE 10237952, 11.03.2004.
Адрес для переписки:
215116, Смоленская обл., г. Вязьма, ул. Пушкина, 22, кв.38, Б.И. Волкову
|
(72) Автор(ы):
Волков Борис Иванович (RU)
(73) Патентообладатель(и):
Волков Борис Иванович (RU)
|
(54) СИСТЕМА СТЕРЕОТЕЛЕВИДЕНИЯ
(57) Реферат:
Изобретение относится к технике радиосвязи и может быть использовано для телевещания в формате высокого разрешения HDTV. Технический результат – получение разрешения формата HDTV, увеличение яркости изображения и раздельное наблюдение кадров стереопар зрителем достигается тем, что в систему на передающей стороне вводят дополнительно четыре ключа, на приемной стороне вводят дополнительно с первого по шестой накопители кодов кадра, с первого по шестой блоки формирователей импульсов, светодиодный плоскопанельный экран с разрешением 1920×1080, ИК-передатчик и 3Д-очки с ИК-приемником на их оправе. 23 ил., 2 табл.
Изобретение относится к технике радиосвязи и может использоваться для телевещания в формате высокого разрешения НDTV.
Аналогами являются системы телевидения высокого разрешения, претендующие на формат НDTV [1 с.26-28], содержащие передающую и приемную стороны. Недостатками этих систем являются: недостаточная разрешающая способность из-за развертки строк и кадров с наличием обратных ходов, снижающих число активных строк в кадре, необходимость в широкополосных каналах для передачи сигнала, передача НDTV исключительно в сжатом виде, приводящем к потерям сжатия [1 c.27, 23], к настоящему времени отсутствуют матрицы формата 1920×1080 для видеокамер и получить картинку 16:9 пока невозможно [1 с.32], системы не в состоянии осуществить стереоэффект при разрешении 1920×1080. Реально существующее разрешение 1440×750 без стереоизображения. Кроме того, телевизоров, позволяющих отобразить все 1920 столбцов картинки вообще нет [1 с.33]. За прототип принята цифровая система стереотелевидения [3], содержащая на передающей стороне фотоэлектрический преобразователь, формирующий шесть аналоговых цветовых сигналов в стереопаре из правого и левого кадров, шесть АЦП видеосигналов, синтезатор частот, три формирователя кодов, триггер, два ключа и передатчик радиосигналов из трех каналов, на приемной стороне содержащая блок управления, три тракта приема и обработки кодов видеосигналов, канал формирования управляющих сигналов, шесть блоков импульсных усилителей, блок модуляции излучений, блок строчной развертки, усилитель и первый пьезодефлектор с отражателем на торце, блок кадровой развертки, второй усилитель и второй пьезодефлектор с отражателем на торце, проекционный объектив, матовый экран и блок раздельного наблюдения кадров стереопар. Частота стереопар 25 Гц, частота кадров 50 Гц. Информация кодов правого и левого кадров предается тремя радиоканалами, двумя несущими частотами. На приемной стороне принимаются параллельно три радиосигнала, усиливаются, детектируются, коды видеосигналов R, G, B распределяются по своим каналам, в которых производится удвоение отсчетов в строках и удвоение строк в кадре. Блок модуляции выполняет преобразование «код – яркость излучения». Развертка кадра выполняется двумя пьезодефлекторами, проекционный объектив проецирует изображение с соответствующим увеличением на матовый экран. Правый и левый кадры наблюдаются зрителем раздельно правым и левы глазом, поочередное перекрытие поля зрения которых выполняется блоком раздельного наблюдения механическим поворотом нейтральных светофильтров. Недостатки прототипа: недостаточное разрешение в кадре /1200×800/, недостаточная яркость изображения на экране при развертке кадра двумя строками на экране, не имеющем послесвечения, механически вращающиеся светофильтры в блоке раздельного наблюдения кадров представляют опасность для глаз зрителя.
Цель изобретения – выполнение разрешения в кадре соответственно формата НDTV, увеличение яркости изображения и полная безопасность наблюдения кадров стереопар.
Техническим результатом являются: получение разрешения, соответствующее формату НDTV, значительное увеличение яркости изображения и безопасность в получении объемного восприятия изображения зрителем. Результат достигается получение картинки кадра с разрешением 1020×1080, увеличения яркости изображения применением светодиодного плоскопанельного экрана с числом светодиодных ячеек по числу пикселов разрешения в кадре /2073600/, излучающих всю длительность кадра /20 мс/, применением для раздельного наблюдения кадров 3Д-очков, выполненных по технологии ЖК-ячеек [4 с.558-565]. На передающей стороне формируется видеорежим 960×540×50 Гц /960 – число кодируемых отсчетов в строке, 540 – число кодируемых строк в кадре, 50 Гц – частота правых и левых кадров в сумме/. Частота стереопар 25 Гц. Стереопара включает правый и левый кадры, следующие поочередно друг за другом. Информация стереопар передается тремя радиоканалами /боковыми частотами двух несущих частот, как в прототипе/. На передающей стороне кодируются 540 строк в кадре с 960 отсчетами в каждой. Коды 8-разрядные. Развертка строк на передающей стороне прогрессивная без обратных ходов и по строкам и по кадрам. Тактовая частота на передающей стороне составляет:

где: 50 Гц – частота кадров /25 Гц + 25 Гц/,
540 – число строк в кадре,
960 – число кодируемых отсчетов в строке,
2 – кодирование отсчетов двухполярным сигналом: положительными и отрицательными полусигналами,
8 – число разрядов в коде.
Частота дискретизации кодов:

Частота строк:
fc=540×50 Гц=27 кГц.
Длительность строки:

длительность кадра:

Частота колебания пьезодефлектора при строчной развертке на передающей стороне

период следования параллельных кодов

период следования разрядов в последовательном коде: 
Видеорежим на приемной стороне 1920×1080×50 Гц. Число отсчетов в строке 1920, строк в кадре 1080, частота кадров 50 Гц, частота стереопар 25 Гц. Приемная сторона обеспечивает восприятие зрителем объемного изображения с разрешением 2073600 пикселов на светодиодном экране /СД-экране/ при размере СД-ячейки 0,6×0,6 мм:
по горизонтали 1920×0,6 мм=1152 мм,
по вертикали 1080×0,6 мм=648 мм, по диагонали 1321 мм,
или 52 дюйма и соотношении сторон экрана 16:9.
Объемное восприятие зритель получает через 3Д-очки [4 с.558-565], в которых синхронно со сменой кадров поочередно перекрывается поле зрения тому из глаз, кадр которого отсутствует на СД-экране. Сущность изобретения в том, что в систему стереотелевидения, содержащую передающую сторону, включающую фотоэлектрический преобразователь, три АЦП видеосигнала, три формирователя кодов, триггер и два ключа, счетчик импульсов, два самоходных распределителя импульсов, синтезатор частот и передатчик радиосигналов, и приемную сторону, включающую блок управления, три тракта приема и обработки кодов видеосигналов, канал формирования управляющих сигналов и устройство отображения видеоинформации, на передающей стороне введены с третьего по шестой ключи, на приемной стороне введены с первого по шестой ключи, на приемной стороне введены с первого по шестой накопители кодов кадра, с первого по шестой блоки формирователей импульсов, устройство отображения видеоинформации представлено плоскопанельным светодиодным экраном /СД-экраном/ с ИК-передатчиком на корпусе экрана и введены 3Д-очки с ИК-приемником на их оправе.
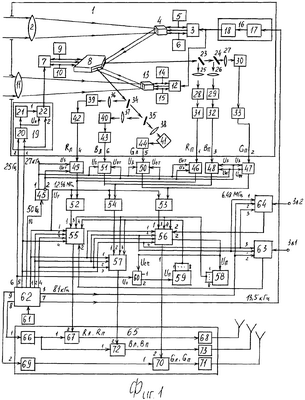
Передающая сторона на фиг.1, растр кадра на фиг.2, формы управляющих напряжений на фиг.3, структура цифровых потоков на фиг.4, АЦП видеосигнала на фиг.5, конструкция пьезодефлектора на фиг.6, АЦП сигнала звука на фиг.7, формирователи кодов сигналов R и G на фиг.8, формирователь кодов сигнала В на фиг.9, приемная сторона на фиг.10, двухполярный амплитудный детектор на фиг.11, суммирующий усилитель на фиг.12, накопитель кодов кадра на фиг.13, блок регистров на фиг.14 и 15, блок обработки кодов на фиг.16, первый блок задержек на фиг.17, СД-ячейка на фиг.18, матрица светодиодов и расположение на них светофильтров на фиг.19, блок выделения строчных синхроимпульсов ССИ на фиг.20, блок выделения синхроимпульсов стереопар СИС на фиг.21, спектры частот сигналов передатчика на фиг.22, временные диаграммы работы системы на фиг.23.
Передающая сторона включает /фиг.1/ фотоэлектрический преобразователь 1, являющийся датчиком видеосигналов двух изображений одного пространства, формирует три видеосигнала правого кадра Rп, Gп, Вп и три видеосигнала левого кадра Rл, Gл, Вл и содержит первый /правый/ объектив 2, последовательно соединенные первый усилитель 3 и первый пьезодефлектор 4 с отражателем на торце, расположенным на задней фокальной плоскости объектива 2, первый источник 5 положительного опорного напряжения, второй источник 6 отрицательного опорного напряжения, последовательно соединенные второй усилитель 7 и второй пьезодефлектор 8, передний торец которого имеет две грани, расположенные под соответствующим углом друг к другу и с отражателем на каждой грани, третий источник 9 положительного опорного напряжения, четвертый источник 10 отрицательного опорного напряжения, второй объектив 11 левый, последовательно соединенные третий усилитель 12 и третий пьезодефлектор 13 с отражателем на торце, расположенный в задней фокальной плоскости второго объектива 11, пятый источник 14 положительного опорного напряжения, шестой источник 15 отрицательного опорного напряжения, блок 16 строчной развертки из задающего генератора 17 и выходного каскада 18, блок 19 кадровой развертки, включающий последовательно соединенные элемент И 20, задающий генератор 21 и суммирующий усилитель 22, первое 23 и второе 24 дихроичные зеркала, расположенные друг за другом и против первого отражателя пьезодефлектора 8, первый 25, второй 27, третий 26 микрообъективы, первый 28, второй 30, третий 29 фотоприемники, первый 31, второй 33, третий 32 предварительные усилители, третье 34 и четвертое 35 дихроичные зеркала, расположенные последовательно друг за другом и против второго отражателя пьезодефлектора 8, четвертый 36, пятый 38, шестой 37 микрообъективы, четвертый 39, пятый 41, шестой 40 фотоприемники, четвертый 42, пятый 44 и шестой 43 предварительные усилители. Второй объектив 11 расположен слева от объектива 2, оптическая ось объектива 11 параллельна оптической оси объектива 2, расстояние между осями объективов соответствует оптимальному получению стереоскопического эффекта для зрения человека. Передающая сторона включает триггер 45, первый 46, третий 47, пятый 48 ключи, второй 49, четвертый 50, шестой 51 ключи, первый АЦП 52 /видеосигналы Rп и Rл/, второй АЦП 53 /видеосигналы Gп и Gл/, третий АЦП 54 /видеосигналы Bп и Bл/, первый формирователь 55 кодов, второй формирователь 56 кодов, третий формирователь 57 кодов, первый 58 и второй 59 самоходные распределители импульсов, счетчик 60 импульсов, задающий генератор 61 синусоидальных колебаний и синтезатор 62 частот, первый 63 и второй 64 АЦП сигнала звука, на входы которых поданы звуковые сигналы Зв1, Зв2 и передатчик радиосигналов 65 из трех каналов. Первый канал включает последовательно соединенные усилитель 66 первой несущей частоты, амплитудный модулятор 67 и выходной усилитель 68, второй канал включает амплитудный модулятор 72 и выходной усилитель 73, третий канал включает усилитель 69 второй несущей частоты, амплитудный модулятор 70 и выходной усилитель 71. Каждый из амплитудных модуляторов 67, 72, 70, включает последовательно соединенные кольцевой модулятор и полосовой фильтр [5 с.234], отфильтровывающий ненужную боковую частоту в спектре амплитудно-модулированной несущей, кольцевой модулятор подавляет несущую частоту. АЦП 52, 53, 54 идентичны /фиг.5/, каждый содержит усилитель 74 и пьезодефлектор 75 с отражателем на торце, источник 76 положительного опорного напряжения, источник 77 отрицательного опорного напряжения, излучатель из импульсного светодиода 78, щелевой диафрагмы 79 и микрообъектива 80, линейку 81 многоэлементного фотоприемника и шифратор 82. Все пьезодефлекторы 4, 8, 13, 75, 94 являются торцевыми биморфными пьезоэлементами со световым отражателем на торце, конструктивно выполнены /фиг.6/ одинаково [6 с.118] из первой 83 и второй 84 пьезопластин, внутреннего электрода 85, первого 86 и второго 87 внешних электродов. Один конец пьезопластин закреплен в держателе 88, на свободном торце расположен световой отражатель 89. Свободный торец пьезодефлектора 8 выполнен из двух граней под соответствующим углом друг к другу, каждая грань имеет свой отражатель, они разводят лучи правого и левого объективов по отдельным направлениям. АЦП 63 и 64 идентичны /фиг.7/, каждый включает последовательно соединенные делитель 90 напряжения, блок 91 ключей, согласующий усилитель 92, усилитель 93 и пьезодефлектор 94 с отражателем на торце, источник 95 положительного опорного напряжения, источник 96 отрицательного опорного напряжения, излучатель из импульсного светодиода 97, щелевой диафрагмы 98 и микрообъектива 99, линейку 100 многоэлементного фотоприемника, первый дешифратор 101, шифратор 102 и второй дешифратор 103, последовательно соединенные счетчик 104 импульсов, третий дешифратор 105 и блок 106 регистров. Первый 55 и второй 56 формирователи кодов выполнены одинаково /фиг.8/, каждый включает триггер 107 и блок 108 коммутации и три канала. Первый и второй каналы идентичны. Первый включает последовательно соединенные блок 109 элементов И, первый 110, второй 111 элементы ИЛИ и выходной ключ 112, и самоходный распределитель 113 импульсов, второй канал включает второй блок 114 элементов И, третий 115, четвертый 116 элементы ИЛИ и выходной ключ 117, и самоходный распределитель 118 импульсов, третий канал включает два блока 119 и 122 элементов И, пятый 120 и шестой 123 элементы ИЛИ и два самоходных распределителя 121, 124 импульсов, включает первый 125 и второй 126 ключи, счетчик 127 импульсов и дешифратор 128. В первом формирователе 55 кодов дешифратор 128 имеет первый и второй выходы, подключенные к соответствующим входам ключей 125, 126. Во втором формирователе 56 кодов дешифратор 128 имеет и третий выход, являющийся вторым выходом блока 56, подключенный к входу первого самоходного распределителя 58 импульсов и к счетному входу счетчика 60 импульсов. Первым и вторым информационными входами блоков 55, 56 являются входы блока 108 коммутации и входы блоков 119, 122 элементов И, третьим и четвертым информационными входами являются третьи входы второго и четвертого элементов ИЛИ 111, 116. Управляющими входами являются: первым – вход триггера 107 /12,96 МГц/, вторым – объединенные входы счетчика 127 и ключей 125, 126 /6,48 МГц/, третьим – сигнальные входы выходных ключей 112, 117 /103,68 МГц/, четвертым – управляющий вход счетчика 127 импульсов /27 кГц/. Выходом в блоке 55 являются объединенные выходы выходных ключей 112, 117. В блоке 56 два выхода: первый – выход выходных ключей 112, 117, второй – третий выход дешифратора 128. Третий формирователь 57 кодов содержит /фиг.9/ триггер 107, блок 108 коммутации и два идентичных канала. Первый включает блок 109 элементов И, первый 110, второй 111 элементы ИЛИ и выходной ключ 112, и самоходный распределитель 113 импульсов. Второй канал включает блок 114 элементов И, третий 115, четвертый 116 элементы ИЛИ и выходной ключ 117, и самоходный распределитель 118 импульсов. Первым информационным входом являются входы блока 108 коммутации, вторым и третьим информационными входами являются вторые входы блоков 111 и 116 элементов ИЛИ. Первым управляющим входом является вход триггера 107 /12,96 МГц/, вторым – объединенные входы блоков 113, 118 /6,48 МГц/, третьим – сигнальные входы выходных ключей 112,117 /103,68 МГц/.
Приемная сторона включает /фиг.10/ антенну, блок 129 управления /выбора каналов/, первый, второй и третий тракты приема и обработки кодов видеосигналов, канал формирования управляющих сигналов, устройство отображения видеоинформации /СД-экран/ и два канала воспроизведения звука. Первый тракт приема и обработки кодов видеосигналов производит прием и обработку кодов сигналов Rп и Rл и включает последовательно соединенные блок приема 130 радиосигнала, усилитель 131 радиочастоты и двухполярный амплитудный детектор 132, первый 133 и второй 134 формирователи импульсов, и канал сигнала R, включающий первый 135 и второй 136 регистры сигнала R, блок 137 обработки кодов, первый блок 138 задержек, сумматор 139 и второй блок 140 задержек. Второй тракт приема и обработки кодов видеосигналов производит прием и обработку кодов сигналов Вп и Вл и включает последовательно соединенные блок 141 приема радиосигнала, усилитель 142 радиочастоты и двухполярный амплитудный детектор 143, первый 144 и второй 145 формирователи импульсов, и канал сигналов В, включающий первый 146 и второй 147 регистры сигнала В, блок 148 обработки кодов, первый блок 149 задержек, сумматор 150 и второй блок 151 задержек. Третий тракт приема и обработки кодов видеосигналов производит прием и обработку кодов сигналов Gп и Gл и включает последовательно соединенные блок 152 приема радиосигнала, усилитель 153 радиочастоты и двухполярный амплитудный детектор 154, первый 155 и второй 156 формирователи импульсов, и канал сигнала G, включающий первый 157, второй 158 регистры сигнала G, блок 159 обработки кодов, первый блок 160 задержек, сумматор 161 и второй блок 162 задержек. Приемная сторона включает с первого по шестой 163-168 накопители кодов кадра, с первого по шестой 169-174 блоки формирователей импульсов, светодиодный плоскопанельный экран 175 /СД-экран/, ИК-передатчик 176 на корпусе СД-экрана, 3Д-очки 177 с ИК-приемником 178 на оправе 3Д-очков. Порядок работы приемной стороны обеспечивает канал формирования управляющих сигналов, включающий блок 179 выделения строчных синхроимпульсов /ССИ/, синтезатор 180 частот, последовательно соединенные ключ 181, счетчик 182 импульсов и дешифратор 183, и блок 184 выделения синхроимпульсов стереопар /СИС/. Также приемная сторона включает идентичные первый 185 и второй 186 каналы воспроизведения звука. Изображение с экрана 175 зрителем воспринимается объемным через 3Д-очки 177. При воспроизведении на экране правого и левого кадров стекла 3Д-очков поочередно теряют прозрачность, каждый глаз видит только свой кадр, что дает стереоэффект. Стекла очков выполнены по технологии ЖК-ячеек просветного типа, используемые как электронно-управляемые фильтры /затворы/. С приходом синхроимпульса стереопары СИС 25 Гц в ИК-передатчик 176 он изучает ИК-импульс, принимаемый ИК-приемником 178 /фиг.10/, который выдает управляющий сигнал в ЖК-ячейку левого стекла, затемняя его на 20 мс, затем выдает второй управляющий сигнал в ЖК-ячейку правого стекла, затемняя его на 20 мс. Каждый глаз видит свой кадр. Накопители кодов 163-168 кадра идентичны /фиг.13/, каждый включает блоки 187 регистров по числу половины строк в кадре: 1871-540. Информационным входом накопителя кодов являются поразрядно объединенные 1-8 входы блоков 1871-187540 регистров. Информационные входы накопителей кодов подключены: 163 и 164 соответственно к выходам блоков 139 и 140, 165 и 166 к выходам блоков 161 и 162, 167 и 168 к выходам блоков соответственно 150 и 151. Управляющими входами накопителей кодов кадра являются: первым – первый управляющий вход первого блока 1871 регистров, вторым – объединенные вторые управляющие входы /54 кГц/ блоков 187 регистров, третьим – объединенные третьи управляющие входы /Uд 25,92 МГц/ блоков 1871-540 регистров. Каждый управляющий выход предыдущего блока 187 регистров является первым управляющим входом последующего блока 187 регистров. Управляющий выход последнего блока 187540 регистров подключен параллельно к четвертым управляющим входам всех блоков 187 регистров. Блоки 187 регистров идентичны /фиг.14 и 15/, каждый включает первый 188 и второй 189 ключи, распределитель 190 импульсов и восемь регистров 1911-8. Информационным входом блока регистров являются поразрядно объединенные третьи входы разрядов восьми регистров 191. Выходами блока 187 являются параллельные выходы всех разрядов восьми регистров 191, всего 15360 выходов /1920×8/. Выходы 540 блоков 187 регистров являются выходами каждого накопителя кодов кадра, которых 8294400 выходов /1920×8×540/. Управляющими входами являются: первым – первый управляющий вход первого ключа 188, вторым – сигнальный вход /Uвыд 54 кГц/ второго ключа 189, третьим – сигнальный вход первого ключа 188 /Uд 25,92 МГц/, четвертым – первый управляющий вход ключа 189, подключенный к управляющему выходу последнего блока 187540 регистров. Последний /1920/ выход распределителя 190 импульсов подключен к второму управляющему входу первого ключа 188 и является управляющим выходом блока 187 регистров, подключенный к первому управляющему входу следующего блока 1872 регистров. Выход первого ключа 188 подключен к входу распределителя 190 импульсов, выходы которого последовательно с первого по 1920-й подключены к первым управляющим входам разрядов параллельно восьми регистров 1911-8. Выход второго ключа 189 подключен параллельно к вторым управляющими входам разрядов восьми регистров 191 и к второму управляющему входу ключа 189, закрывая ключ 189 после прохода одного импульса Uвыд. Выходы накопителей 163-168 кодов кадра подключены к входам соответственно блоков 169-174 формирователей импульсов, назначение которых выдавать управляющие сигналы на запитывание светодиодов в СД-ячейках экрана 175. Каждый блок формирователей импульсов включает формирователей импульсов по числу строк /540/, числу кодов в строке /1920/ и разрядов в коде /8/, т.е. по числу выходов с блока /169-174/ формирователей импульсов: 8294400. Исключение из процесса формирования изображения строчной и кадровой разверток обязывает обеспечить каждый светодиод своей электронной схемой управления, поэтому суммарное число формирователей импульсов в блоках 169-174 соответствует числу применяемых в СД-экране светодиодов: 8294400×6=49766400.
Современные технологии позволяют изготавливать микросхемы с десятками миллионов транзисторов в микросхеме [7 с.65, 8 с.26], следовательно, каждый из блоков 169-174 можно исполнить в одной микросхеме. Амплитуда управляющего сигнала с каждого формирователя импульса соответствует рабочему напряжению светодиода, длительность управляющего сигнала соответствует длительности /20 мс/ кадра для излучения светодиодами весь период кадра. Светодиодный плоскопанельный экран 175 представляет совокупность светодиодных ячеек по числу пикселов в кадре 2073600 /1920×1080/. Каждая СД-ячейка формирует один пиксел изображения и состоит /фиг.18/ из непрозрачного корпуса 225 формой прямоугольного параллелепипеда, матрицы 226 светодиодов трех основных цветов /R, G, B/ и соответствующей формы микролинзы 227, выполняющей сбор потоков излучений от светодиодов матрицы и формирования из низ пиксела требуемого размера и формы. Светодиодов красного цвета излучения в матрице 8 /по числу разрядов в коде/, зеленого 8, синего тоже 8, всего 24 светодиода, которые расположены в фокальной плоскости микролинзы 227. Светодиоды микроминиатюрного исполнения расположены в матрице в пять рядов по пять колонок /фиг.19/. Реакция светодиодов на управляющий сигнал десятки наносекунд [9 c.9], практически время отклика нулевое. Диаметр излучающей части светодиода 0,1 мм, форма матрицы квадрат со стороны l 0,5 мм, площадью 0,25 мм2. Торцевые стороны корпуса СД-ячейки квадраты со стороной по 0,6 мм. Глубина корпуса ячейки соответствует фокусному расстоянию микролинзы /несколько миллиметров/. Излучаемые светодиодами матрицы цветовые потоки модулируются по яркости преобразованием «код – яркость излучения». Модуляция выполняется применением на каждом светодиоде ослабляющего нейтрального светофильтра, плотность которого соответствует весу разрядов в коде, к которому принадлежит светодиод. Кратность ослабления излучения светодиода осуществляется соответственно коэффициентам двоичных разрядов кода, к которым принадлежат светодиоды. Светодиод первого /старшего/ разряда кода не имеет светофильтра, т.е. его светофильтр кратностью 0х, светодиод второго разряда кода имеет светофильтр плотностью 2х, светодиод третьего разряда кода имеет светофильтр 4х и т.д., светодиод восьмого /младшего/ разряда кода имеет светофильтр плотностью 128х. Вариант расположения светодиодов трех цветов и их светофильтров на фиг.19. Распределение коэффициентов двоичных разрядов кода, соответствующая им плотность нейтральных светофильтров и вес разряда в коде в таблице 1.
| Таблица 1 |
| Разряды кода |
1 старший разряд |
2 |
3 |
4 |
5 |
6 |
7 |
8 млад. |
| Двоичные коэффициенты |
1 |
0,5 |
0,25 |
0,125 |
0,0625 |
0,031 |
0,0156 |
0,0078 |
| Нейтральные светофильтры |
0х |
2х |
4х |
8х |
16х |
32х |
64х |
128х |
| Вес разряда в коде, в % |
50 |
25 |
12,5 |
6,25 |
3,1 |
1,57 |
0,78 |
0,39 |
Излучение 24 светодиодов матрицы суммируется микролинзой 227, на выходе которой яркость, насыщенность и цветовой тон результирующего излучения определяется взаимным соотношением составляющих трех цветов соответственно кодов сигналов R, G, B. В СД-экране 175 при числе ячеек 2073600 используется светодиодов одного цвета 16588800 /2073600×8/, а трех цветов /R, G, B/ 49766400. При размере корпуса СД-ячейки 0,6 мм × 0,6 мм размеры экрана составляют: по горизонтали 1929×0,6 мм = 1152 мм,
по вертикали 1080×0,6 мм = 648 мм,
по диагонали 1321 или 52 дюйма.
Суммирующий усилитель 22 /фиг.12/ включает 10-разрядный счетчик 228 импульсов, дешифратор 229, первый 230 и второй 231 ключи, первый 232 и второй 233 формирователи импульсов и выходной усилитель 234. Первым информационным входом является первый вход выходного усилителя 234, вторым – счетный вход счетчика 228 импульсов, управляющим входом являются объединенные управляющие входы ключей 230, 231 и управляющий вход блока 228. Выходом является выход выходного усилителя 234. Блоки 137, 148, 159 обработки кодов идентичны /фиг.16/, каждый включает триггер 192, первый блок 193 элементов задержек, с первого по четвертый 194-197 регистры, второй блок элементов 198 задержек, пятый регистр 199, шестой регистр 200, сумматор 201 и 16 диодов. Блок 193 задерживает коды на 77 нс для восстановления следования четных кодов за нечетными. Блок 198 задерживает коды на 14,5 нс. Регистры 199, 200 выполняют хранение кодов 77 нс и выдают их по сигналам Uвыд с триггера 192. Первым информационным вводом являются объединенные поразрядно входы регистров 194, 195, вторым – входы первого блока 193 элементов задержек. Выходом являются объединенные поразрядно выходы регистров 199, 200 и блока 198, управляющим входом является вход триггера 192. Первые блоки 138, 149, 160 задержек идентичны /фиг.17/, каждый включает элемент И 202, первый 203, второй 204 ключи, первый 205, второй 206 распределители импульсов и восемь регистров 2071-8, каждый из которых содержит по 1920 разрядов. Блоки 138, 149, 160 выполняют задержку кодов каждой строки на длительность строки 37 мкс.
Блок 179 выделения строчных синхроимпульсов ССИ включает /фиг.20/ первый 208, второй 209, третий 210 счетчики импульсов, первый 211, второй 212 элементы И, первый 213, второй 214, третий 215 элементы НЕ и диод. 1-3 информационными входами являются счетные воды счетчиков 208, 209, 210 импульсов, выходом является выход второго элемента И 212. С приходом на 1-3 входы одновременно трех кодов из одних единиц 11111111 на выходе блока 179 появляется импульс ССИ, частота их 27 кГц. Блок 184 выделения синхроимпульсов стереопар СИС включает /фиг.21/ с первого по третий 216-218 счетчики импульсов, с первого по третий 219-221 элементы НЕ и диод. С приходом на счетные входы счетчиков трех кодов из единиц 11111111 и на четвертый вход импульса ССИ с блока 179 на выходе блока 184 появляется импульс СИС, частота их 25 Гц.
Фотоэлектрический преобразователь 1 формирует шесть аналоговых видеосигналов двух изображений от правого 2 и левого 11 объективов, которые с предварительных усилителей 31, 32, 33 поступают на входы ключей 46, 48, 47 и с предварительных усилителей 42, 43, 44 на входы ключей 49, 51, 50. С выходов ключей 46 и 49 аналоговые видеосигналы поступают на вход первого АЦП 52, с ключей 47 и 50 на вход второго АЦП 53, с ключей 48 и 51 на вход третьего АЦП 54. Поочередная выдача кодов стереопар с АЦП выполняется триггером 45 и ключами 46-48, 49-51. Импульсы 50 Гц с десятого выхода блока 62 поступают в триггер 45. Сигнал с первого выхода триггера открывает ключи 46, 47, 48, которые пропускают аналоговые видеосигналы правого кадра в течение периода 20 мс первого кадра на входы АЦП 52-54. С приходом второго импульса 50 Гц в триггер 45 сигнал со второго выхода закрывает ключи 46-48 и открывает ключи 49, 50, 51, пропускающие аналоговые видеосигналы левого кадра в течение второго периода 20 мс кадра в АЦП 52-54. На тактовые входы АЦП с первого выхода блока 62 поступают тактовые импульсы 12,96 МГц дискретизации видеосигналов. АЦП 52-54 преобразуют аналоговые видеосигналы в 8-разрядные коды. Формирователи 55, 56, 57 кодов преобразуют параллельные коды с АЦП в последовательные и заменяют в них представление единиц в кодах с импульсов на положительные и отрицательные полусинусоиды моночастоты 103,68 МГц с 4-го выхода синтезатора 62 частот. Задающий генератор 61 генерирует синусоидальные колебания со стабильностью 10-7. Синтезатор 62 частот формирует и выдает: с первого выхода импульсы дискретизации 12,96 МГц на тактовые входы АЦП 52-54 и на первые управляющие входы формирователей 55, 56, 57 кодов, со второго выхода импульсы 6,48 МГц дискретизации строки на вторые входы формирователей 55-57 кодов и на первые управляющие входы АЦП 63, 64, с третьего – импульсы 81 кГц дискретизации звука на вторые АЦП 63, 64, с четвертого – синусоидальные колебания 103,68 МГц на третьи управляющие входы формирователей 55-57 кодов, с пятого выхода – импульсы 27 кГц частоты строк на 4-е управляющие входы формирователей 55, 56 кодов, на первый вход блока 19 и на третьи управляющие входы формирователей 55-57 кодов, с пятого выхода – импульсы 27 кГц частоты строк на 4-е управляющие входы формирователей 55, 56 кодов, на первый вход блока 19 и на третьи управляющие входы АЦП 63, 64, с шестого – импульсы 25 Гц частоты стереопар на второй вход блока 19 и на управляющий вход счетчика 60 импульсов Uo, с седьмого – импульсы 13,5 кГц на вход блока 16 строчной развертки, с восьмого – синусоидальные колебания первой несущей частоты 1244,16 МГц /103,68 МГц×12/ для усилителя 66, с девятого – синусоидальные колебания второй несущей частоты 933,12 МГц для усилителя 69 /103,68 МГц×9/, с десятого выхода – импульсы 50 Гц частоты кадров на вход триггера 45. АЦП 63, 64 преобразуют сигналы звука в 16-разрядные коды, которые поступают на вторые информационные входы блоков 55, 56. Самоходный распределитель 58 импульсов с приходом сигнала Uп со второго выхода блока 56 /в момент 479 импульса дискретизации строки/ выдает код из восьми единиц 11111111, являющийся кодом строчного синхроимпульса ССИ /959 отсчет в каждой строке/, на третьи информационные входы формирователей 55, 56 кодов и на второй информационный вход формирователя 57 кодов. Самоходный распределитель 59 импульсов с приходом на его вход сигнала Uп с второго выхода блока 60 выдает код из восьми единиц 11111111, являющийся синхроимпульсом стереопары СИС /960-й отсчет в последней строке левого кадра стереопары, фиг.4/, на четвертые информационные входы блоков 55, 56 и на третий информационный вход блока 57. Счетчик 60 двухразрядный, выдает с второго разряда сигнал Uп для блока 59 с приходом на его вход второго импульса с второго выхода блока 56, после чего обнуляется сигналом 25 Гц /частоты стереопар/. Второй импульс с блока 56 означает конец периода второго /левого/ кадра стереопары. Код СИС представляет конец стереопары, за ним следует первый кадр стереопары, т.е. правый кадр следующей стереопары. Спектр амплитудно-модулированного сигнала передатчика 65 /фиг.22/ состоит из несущей частоты и двух боковых частот. Одна из боковых частот и сама несущая в информационном смысле являются избыточными. Поэтому в каждом амплитудном модуляторе 67, 72, 70 подавляется несущая частота и отфильтровывается одна из боковых /ненужная/ частот. Амплитудный модулятор 67 выдает в выходной усилитель 68 верхнюю боковую частоту 1347,84 МГц /f1+103,68 МГц/ от первой несущей. Амплитудный модулятор 72 выдает на вход выходного усилителя 73 нижнюю боковую частоту 1140,48 МГц /f1-103,68 МГц/ от первой несущей. Амплитудный модулятор 70 выдает в выходной усилитель 71 верхнюю боковую частоту 1036,8 МГц /f2+103,68 МГц/ от второй несущей. Первый канал передатчика 65 излучает верхнюю боковую частоту 1347,84 МГц с информацией кодов Rп и Rл, и при стабильности несущей 10-7 занимаемая полоса в эфире составляет ±135 Гц или 270 Гц, второй канал излучает нижнюю боковую частоту 1140,48 МГц с информацией кодов Вп и Вл, занимаемая полоса в эфире ±114 Гц или 228 Гц, третий канал излучает верхнюю боковую частоту 1036,8 МГц с информацией кодов Gп и Gл, занимаемая полоса в эфире ±104 Гц или 208 Гц. Суммарно по трем каналам занимаемая полоса в эфире 706 Гц, что в сравнении с полосами частот, занимаемыми существующими системами телевидения, составляет менее 0,01%. Объектив 2 создает правое изображение в фокальной плоскости, в которой расположен отражатель пьезодефлектора 4. Отражатель его имеет ширину 0,02 мм, длину 10,8 мм /540×0,02/. Размеры развертывающего элемента 0,02×0,02 мм. По управляющим напряжениям /фиг.3/ с усилителя 3 пьезодефлектор 4 производит колебания торца с отражателем относительно первого отражателя пьезодефлектора 8, выполняя сканирование строки правого изображения. Объектив 11 создает левое изображение в фокальной плоскости, где расположен отражатель пьезодефлектора 13. Отражатель его имеет те же размеры, что и отражатель пьезодефлектора 4, и производит колебания торца относительно второго отражателя пьезодефлектора 8, выполняя сканирование строки левого изображения. Блок 16 строчной развертки выдает линейно изменяющееся напряжение в виде равнобедренного треугольника. Период управляющего напряжения равен длительности двух строк. Для растра в 540 строк при 50 Гц кадров пьезодефлекторы 4 и 13 колеблются с частотой 13,5 кГц. За период одного колебания происходит развертка двух строк, частота строк 27 кГц.
Развертка строк прогрессивная и без обратных ходов. Пьезодефлектор 8 выполняет кадровую развертку синхронно двух кадров: при развертке вниз /фиг.2/ идут нечетные /правые/ кадры, при развертке вверх идут четные /левые/ кадры. Пьезодефлектор 8 колеблется с частотой 25 Гц, что составляет 50 кадров в секунду. Кадровая развертка тоже без обратных ходов. Ширина отражателей пьезодефлектора 8 по 0,02 мм, длина каждого 19,2 мм /960×0,02/. С выхода суммирующего усилителя 22 в усилитель 7 поступает линейно изменяющееся и ступенчатое напряжение /фиг.3/, усиливаемое до необходимой величины усилителем 7 [6 с.122]. Суммирующий усилитель 22 /фиг.12/ выполняет суммирование линейного напряжения с задающего генератора 21 с импульсами 27 кГц частоты строк. Каждый импульс строки перемещает строку в конце ее хода на шаг в одну строку, получается 540 строк: все активные. Назначение блоков 228-233 подавать на второй вход выходного усилителя 234 в нужное время отрицательные /при развертке вниз/ и положительные /при развертке вверх/ импульсы соответствующей амплитуды и длительности. Сигнал Uo с элемента И 20 обнуляет счетчик 228, который 11-разрядный и производит счет строчных импульсов 27 кГц, цикл счета 1080 импульсов /540×2/. Сигнал Uo открывает ключ 230 и закрывает ключ 231. Ключ 230 пропускает 540 строчных импульсов на вход первого формирователя 232 импульсов, выдающего отрицательные импульсы, поступающие на второй вход выходного усилителя 234. Идет развертка правого кадра. С приходом 540-го импульса счетчик формирует код числа 540, при котором дешифратор 229 выдает сигнал, закрывающий ключ 230 и открывающий ключ 231, пропускающий импульсы строк во второй формирователь 233 импульсов, выдающий положительные импульсы на второй вход усилителя 234, следует развертка левого кадра стереопары.
Счетчик 228 выполняет счет 1080 импульсов. Затем следует импульс 25 ГЦ Uo, счетчик обнуляется, процесс повторяется. Отраженные от первого отражателя пьезодефлектора 8 смешанные цветные лучи направляются: красного цвета отражаются от первого дихроичного зеркала 23, объективом 25 собираются в фотоприемник 28, синего цвета проходят зеркало 23, отражаются от второго зеркала 24, объективом 26 собираются в фотоприемник 29, зеленого цвета проходят сквозь оба зеркала 23, 24 и объективом 27 собираются в фотоприемник 30. С фотоприемников аналоговые видеосигналы поступают в предварительные усилители 31, 32, 33. Аналогичный процесс проходят лучи от второго отражателя пьезодефлектора 8, аналоговые видеосигналы поступают в предварительные усилители 42, 43, 44. С предварительных усилителей сигналы правого кадра через открытые ключи 46, 48, 47 поступают в АЦП 52-54. В следующем периоде кадра /левом/ сигналы с предварительных усилителей 42, 43, 44 через открытые ключи 49, 50, 51 поступают в АЦП 52-54. АЦП 52-54 имеют один принцип преобразования, заключающийся в развертке луча /фиг.5/ от светодиода 78 отражателем пьезодефлектора 75 по плоскости входных зрачков фотоприемников линейки 81 многоэлементного фотоприемника. Световой импульс преобразуется в электрический сигнал, возбуждающий соответствующую шину шифратора 82, который и выдает код мгновенного значения входного сигнала. Дискретизация преобразования 12,96 МГц. Источник излучения – импульсный светодиод АЛ402А с временем срабатывания 25 нс. Фотоприемниками в линейке 81 являются лавинные фотодиоды ЛФД с временем срабатывания 10 нс. Линейка 81 включает 255 фотоприемников для кодирования сигналов 8-разрядными кодами. Шифратор из микросхем К155ИВ1 с временем срабатывания 20 нс. Шифратор формирует коды с 00000001 по 11111111. Первому фотоприемнику в линейке 81 соответствует код 00000001, второму – 00000010, третьему – код 00000011 и т.д., 255-у – 11111111, время преобразования 30 нс /10 нс + 20 нс/ с запасом удовлетворяет частоте 12,96 МГц /77 нс/. АЦП 63, 64 преобразуют сигналы звука в 16-разрядные коды. За время одной строки АЦП формирует три кода, дискретизация 81 кГц. Для получения кодов с 16 разрядами изменяется коэффициент передачи делителя 90 напряжения /фиг.7/. Блок 91 ключей имеет семь ключей для подключения соответствующей ступени делителя 90 к согласующему усилителю 92. Линейка 100 многоэлементного фотоприемника включает 1024 фотоприемников и преобразуют сигналы звука в 10-разрядные коды. Разрешающая способность принята 10 мкВ. Диапазон кодирования одной линейкой составляет 0-0,01024 В. Преобразование в код сигналов, превышающих 210, выполняют дешифратор 101, шифратор 102, второй дешифратор 103, делитель 90 и блок 91 ключей. С их применением диапазон кодирования сигналов звука составляет 0-0,65536 В, т.е. 216. Коэффициент передачи в диапазоне от 0 до 210 составляет 1,0. При коде выше 210 коэффициент становится 0,5, при коде выше 211 – 0,25, при коде от 212 – 0,125, при коде от 213 – 0,0625, при коде от 214 – 0,03125, при коде от 215 – 0,015625, который остается до 216. При уменьшении амплитуды сигнала процесс обратный по возрастанию коэффициента передачи. За время одной строки шифратор 102 выдает три кода, поступающие в блок 106, содержащий три 16-разрядных регистра. В процессе поступления коды сдвигаются из регистра в регистр сигналами Uсд сдвига. В блоке 106 накапливаются три кода, которые в моменты 477, 478, 479 импульсов дискретизации в строке /фиг.4/ выдаются в первый 55 и второй 56 блоки. Сигналы выдачи приходят с дешифратора 105. Сигналы выдачи формируют счетчик 104 импульсов и дешифратор 105. Счетчик 9-разрядный, ведет счет импульсов 6,48 МГц, цикл счета 480 импульсов строки. Обнуляется счетчик 104 импульсом частоты строк Uo 27 кГц в момент 480 импульса дискретизации строки. Первый формирователь 55 кодов выдает с 1-го по 952 коды сигналов Rп /Rл/, три кода звука, код ССИ и в последней строке левого кадра код СИС. Единицы в кодах нечетных отсчетов строки представляются положительными полусинусоидами моночастоты 103,68 МГц со стабильностью колебаний 10-7, единицы в кодах четных отсчетов строки представляются отрицательными полусинусоидами той же частоты. Второй формирователь 56 кодов выдает с 1-го по 952 коды сигналов Gп /Gл/, три кода звука, код ССИ и код СИС. Третий формирователь 57 кодов выдает с 1-го по 952 коды сигналов Вп /Вл/, код ССИ и код СИС.
Работа формирователей 56, 55 /фиг.8/.
Коды с АЦП 52, 53 поступают в параллельном виде с частотой 12,96 МГц на входы блока 108 коммутации, разветвляющего поток кодов 12,96 МГц на два по 6,48 МГц: первый поток – коды нечетных отсчетов строки, второй – коды четных отсчетов строки /фиг.4/. Блок 108 из четырех микросхем К176КТ1, являющихся 4-канальными коммутаторами с временем срабатывания 25 нс [10 с.222]. Поочередное подключение каналов к выходам блока 108 выполняет триггер 107, на его вход поступают импульсы 12,96 МГц. На вторые входы элементов И блоков 109, 114 поступают последовательно 8 импульсов с самоходного распределителя 113, 118 импульсов, имеющих по 8 разрядов. Пусковыми Uп импульсами для них являются импульсы 6,48 МГц. С выходов элементов И блоков 109, 114 импульсы кодов последовательно через элементы ИЛИ 110, 111 и 115, 116 открывают на время своей длительности 10 нс выходные ключи 112, 117. На сигнальные входы выходных ключей поступают синусоиды моночастоты 103,68 МГц. Выходной ключ 112 в открытом состоянии пропускает одну положительную полусинусоиду, второй выходной ключ 117 в открытом состоянии пропускает одну отрицательную полусинусоиду. На выходе формирователя кодов единицы в кодах нечетных отсчетов строки представляются положительными полусинусоидами, в кодах четных отсчетов строки представляются отрицательными полусинусоидами. Нули представляются отсутствием и тех и других. Выходные сигналы с блоков 55, 56 представляются полными, либо неполными синусоидами частоты 103,68 МГц со стабильностью 10-7. Эти сигналы и модулируют несущие частоты. Временные диаграммы работы блоков 55, 56 на фиг.23. Каждый код звука состоит из двух посылок по 8 разрядов. Первая посылка /первая половина кода/ 1-8 разряды поступает на первые входы элементов И блока 119 и через элементы ИЛИ 120, 111 поступает на вход выходного ключа 112, вторая посылка 9-16 разряды поступает на первые входы элементов И блока 122 и через элементы ИЛИ 123, 116 поступает на вход выходного ключа 117. Ключи 125, 126 предназначены для отделения кодов видеосигналов от кодов звука. Ключ 125 открывается сигналом с первого выхода дешифратора 128 в момент 480 импульса дискретизации строки /фиг.4/ и остается открытым с 1-го по 476 импульс дискретизации строки. В момент 476 импульса с второго выхода дешифратора 128 сигнал закрывает ключ 125 и открывает ключ 126. В моменты 477, 478, 479 импульсов строки три кода звука поступают на входы выходных ключей 112, 117. В момент 480 импульса /959 отсчет/ на третий элемента ИЛИ 111, поступает код ССИ с блока 58, запускаемый сигналом Uп /479 имп-с/ с третьего выхода дешифратора 128. При последней 540-й строке каждого левого кадра стереопары блок 59 выдает в момент 480 импульса строки /960-й отсчет/ код СИС на третий вход элемента ИЛИ 116. Сигнал Uп для блока 59 выдает счетчик 60 импульсов. Процесс работы формирователя 57 кодов аналогичен работе блока 55 и проще, он не участвует в формировании кодов звука.
На приемной стороне принимаются три радиосигнала блоками 130, 141, 152 /фиг.10/, являющиеся селекторами каналов соответствующих диапазонов с электронной настройкой. Каждый блок включает входную цепь, усилитель радиочастоты и смеситель /транзистор VT2/ [11 с.132]. Полосовой фильтр усилителя радиочастоты в каждом диапазоне перестраивается напряжением смещения с блока 129 управления. Радиочастотный сигнал через петлю связи поступает на эмиттер смесителя VT2, сюда же с синтезатором 180 частот /выходы 5, 6/ подаются две частоты, равные первой и второй несущим частотам передатчика, необходимые для детектирования однополосного сигнала [12 с.146]. Сигнал с коллектора VT2, являющийся выходным сигналом блока 130 /141, 152/, поступает на вход усилителя 131 /142, 153/ радиочастоты, где усиливается и поступает на вход двухполярного амплитудного детектора 132 /143, 154/. Вторые входы блока 180 подключены к второй группе выходов блока 129. При включении канала передачи сигнал с соответствующего выхода блока 129 поступает в блок 180 и определяет выход из него двух частот на третьи входы блоков 130, 141, 152. Двухполярные амплитудные детекторы 132, 143, 154 выполнены по схеме на фиг.11. Диод Д1 выделяет положительную огибающую модулирующего сигнала. Диод Д2 из модулирующей выделяет огибающие положительных полусинусоид /символы единиц в кодах нечетных отсчетов/, диод Д3 из модулирующей выделяет огибающие отрицательных полусинусоид /символы единиц в кодах четных отсчетов/. С первого выхода двухполярного амплитудного детектора продетектированные положительные полусинусоиды частотой 103,68 МГц поступают на вход первого формирователя 133 импульсов /144, 145/, со второго выхода продетектированные отрицательные полусинусоиды поступают на вход второго формирователя 134 импульсов /145, 156/.
Формирователи импульсов выполнены по схеме несимметричного триггера с эмиттерной связью [13 c.209], формирующего прямоугольные импульсы из гармонически изменяющихся сигналов. Импульсы имеют одну полярность и длительность, равную длительности импульсов в кодах на передающей стороне. Единицы в кодах представляются наличием импульса, нули их отсутствием. После включения питания приемной стороны все ключи в закрытом состоянии. Порядок работы определяется сигналами управления с канала формирования управляющих сигналов. Задающая роль принадлежит блоку 179 выделения синхроимпульсов ССИ. Условием появления ССИ с блока 179 является одновременный приход на счетные входы блока 179 импульсов кодов из восьми единиц 11111111. Во всех кодах, кроме ССИ, всегда будут присутствовать один и более нулей, тем более в трех кодах одновременно. По каждому нулю в коде элементы НЕ блока 179 /фиг.20/ обнуляют счетчики блока. С приходом трех кодов 11111111 блок 179 выдаст на выходе импульс ССИ, частота их 27 кГц. Импульс ССИ с блока 179 поступает в блок 180, 184, 138, 149, 160. По импульсу ССИ происходит подстройка частоты в синтезаторе 180 частот под частоту и фазу задающего генератор на передающей стороне, собственная стабильность частоты синтезатора 180 частот 10-6. Блок 180 выдает с первого выхода импульсы 6,48 МГц дискретизации строки, со второго – тактовые импульсы 103,68 МГц, с третьего – импульсы 81 кГц частоты дискретизации звука Uвыд, с четвертого – импульсы 12,96 МГц дискретизации кодов видеосигналов, с пятого и шестого – синусоидальные колебания двух соответствующих несущих частот на третьи входы блоков 130, 141, 152, с седьмого – импульсы 25,92 МГц двойной частоты дискретизации кодов, с восьмого – импульсы частоты кадров 50 Гц, с девятого – импульсы 54 кГц двойной строчной частоты. Коды Rп нечетных отсчетов строки с выхода формирователя 133 импульсов и коды Rп четных отсчетов строки с формирователя 134 импульсов поступают в последовательном виде в регистры 135, 136, заполняя разряды которых принимают параллельный вид. Аналогичные процессы проходят коды Gп и Вп, заполняя регистры 146, 147 и 157, 158. Выдачу кодов из регистров в блоки 137, 148, 159 выполняют импульсы 6,48 МГц с первого выхода блока 180, они же и обнуляют регистры. Блоки 137, 148, 159 обработки кодов идентичны и производят удвоение отсчетов в каждой строке с 960 до 1920 получением средних /промежуточных/ отсчетов между каждым прошедшим кодом и следующим за ним. Блоки выполняют сложение предыдущего и последующего кодов и деление кода суммы на два. Работа блока на фиг.16. Код первого отсчета строки с регистра 135 в параллельном виде поступает на входы регистров 194, 195, код второго отсчета строки поступает на входы первого блока 193 элементов задержек, выполняющего задержку четного кода на 77 нс, восстанавливая порядок следования второго отсчета за первым. С блока 193 код в параллельном виде поступает на входы регистров 196, 197. Каждый код используется дважды: первый раз как последующий, второй раз как предыдущий. Поэтому применяются четыре регистра. После включения питания в разрядах регистров нули. С приходом первого импульса 12,96 МГц на вход триггера 192 с его первого выхода сигнал Uвыд1 одновременно выдает из регистра 195 «код 0» /из одних нулей/ на первые входы в сумматор 201, из регистра 196 «код 0» в шестой регистр 200 для хранения в нем кода «код 0» 77 нс и через диоды на вторые входы сумматора 201. Сигналы выдачи и обнуляют регистры. А в регистры 194, 195 в это же время поступает первый код «код 1». Сумматор выполняет сложение «код 0 + код 0». Сумматор из микросхем К555ИМ6 [14 с.258] с временем сложения 24 нс. С приходом в триггер 192 второго импульса он поступает сигналом Uвыд в сумматор 201 выдает из него код суммы и обнуляет разряды сумматора. При переходе кода суммы во второй блок 198 элементов задержек происходит деление кода на два. Деление выполняется без затрат времени сдвигом кода суммы так, что отбрасывается младший разряд кода суммы /как и при делении десятичного числа на десять/. Сдвиг выполняется подключением выходов сумматора 201 к входам второго блока 198 элементов задержек:

Разряд 0 означает перенос в старший разряд при сумме кодов. Удвоение числа отсчетов в строке с 960 до 1920 сокращает период следования кодов в два раза и составляет 38,5 нс /фиг.16/. Процесс сложения занимает 24 нс, поэтому блок 198 должен еще задержать код на 14,5 нс /38,5-24/. После поступления кода в сумматор 201 на выход с блока 198 код следует через 38,5 нс, что и требуется. Первый код с блока 198 это код №1
.
С приходом второго импульса в триггер 192 с его второго выхода сигнал Uвыд2 одновременно выдает с регистра 200 код №2 «код 0» на выход, с регистра 197 «код 0» в сумматор и с регистра 194 «код 1» в регистр 199 и через диоды в сумматор на сложение. В это же время регистры 196, 197 заполняются кодом «код 2». Регистры 199, 200 выполняют хранение кодов 77 нс, но первая половина времени хранения /38,5 нс/ приходится на время сложения в сумматоре и на время задержки блоком 198, поэтому коды с блоков 199 и 200 будут следовать за кодом с блока 198 через 38,5 нс. Выданный сигналом Uвыд2 с регистра 197 «код 0» и регистра 194 «код 1» суммируются в сумматоре 201, код суммы делится на два, с выхода блока 198 следует код №3
.
С приходом 3-го импульса на вход триггера 192 сигнал Uвыд3 с его первого выхода одновременно выдает с регистра 199 код №4 «код 1», с регистра 195 «код 1» в сумматор 201, с регистра 196 «код 2» в регистр 200 и через диоды в сумматор, регистры 194, 195 заполняются следующим кодом «код 3», сумматор 201 производит сложение «код 1 + код 2», затем деление на два, и код №5

идет на выход. С приходом 4-го импульса в триггер 192 с его второго выхода сигнал Uвыд4 одновременно выдает с регистра 200 код №6 «код 2», с регистра 197 «код 2» в сумматор, с регистра 194 «код 3» в регистр 199 и через диоды в сумматор 201. Регистры 196, 197 заполняются следующим кодом «код 4», идет сложение в сумматоре «код 2 + код 3», деление на два, и код №7

идет на выход. С приходом пятого импульса на вход триггера 192 сигнал с его первого выхода Uвыд5 одновременно выдает с регистра 199 код №8 «код 3», выдает с регистра 195 «код 3» в сумматор, с регистра 196 «код 4» в регистр 200 и через диоды в сумматор. Регистры 194, 195 заполняются новым кодом «код 5». Идет сложение «код 3 + код 4», деление на два, и код №9

идет на выход. С приходом 6-го импульса в триггер и последующих процессы повторяются. Выходы блоков 199, 198, 200 поразрядно объединены и являются выходами блока 137. С выходов блоков 137, 148, 159 коды строки уже с удвоенной частотой 25,92 МГц поступают на входы соответственно 138, 149, 160 задержек, на первые входы сумматоров 139, 150, 161 и вторые блоки 140, 151, 162 задержек. Затем идет процесс удвоения строк в кадре, для чего необходимо задержать коды текущей строки относительно кодов следующей за ней строкой на длительность строки /37 мкм/. Задержку выполняет первый блок 138 /149, 160/ задержек /фиг.17/. При развертке кадра на передающей стороне направление разверток нечетных строк относительно четных строк встречное. С приходом на первый вход элемента И 202 импульса 50 Гц и на второй вход импульса строки 27 кГц /ССИ/ с выхода элемента И сигнал открывает ключ 203, пропускающий импульсы 25,92 МГц в распределитель 205 импульсов. Тактовые импульсы с блока 205 последовательно с первого по 1920 выходы поступают на первые /тактовые/ входы разрядов восьми регистров 2071-8. На 1-8 информационные входы блока 138 поступают сигналы кодов. Сигналы первых разрядов кодов поступают на вторые входы разрядов первого регистра 2071, сигналы вторых разрядов кодов поступают на вторые входы разрядов второго регистра 2072 и т.д., сигналы восьмых разрядов кодов поступают на вторые входы разрядов восьмого регистра 2078. Начиная с периода второй строки идет последовательная выдача 1920 кодов из регистров 207 в сумматор 139 и одновременное заполнение освобождающихся разрядов регистров сигналами кодов следующей строки. Выдача кодов выполняется передним фронтом тактовых импульсов, занесение поступающих сигналов кодов производится этим же тактовым импульсом. Так как развертка второй строки идет встречно к первой, выдача кодов с регистров 207 идет в обратном порядке, т.е. начинается с 1920-го разряда. Выполняется это вторым распределителем 206 импульсов, выходы которого подключены к первым входам разрядов регистров 207 в обратном порядке с 1920-х разрядов к первым. При развертке третьей строки выдача кодов идет импульсами вновь с распределителя 205, начиная с первых разрядов регистров 207. Сумматор 139 /150, 161/ выполняет сложение кодов одноименных отсчетов текущей и задержанной строк. На первые входы сумматора приходят коды текущей строки с блока 137, на вторые входы поступают коды с блока 139, задержанные на 37 мкс.
Сумматоры 139, 150, 161 идентичны, выполнены из микросхем К555ИМ6 с временем сложения 24 нс. Деление кода суммы на два выполняется соответствующим подключением выходов сумматора 139 к входам своего накопителя 163 /167, 165/ кодов кадра /так же как в блоках 137/. Вторые блоки 140, 151, 162 задержек выполняют задержку кодов на 24 нс, на время выполнения сложения сумматорами, чтобы коды текущих и промежуточных строк приходили в накопители кодов кадра синхронно. Коды 540 текущих строк сигнала R с блока 140 поступают в накопитель 164 кодов кадра, коды 540 промежуточных /удвоенных/ строк сигнала R с блока 139 поступают в накопитель 163 кодов, коды 540 текущих строк сигнала G с блока 162 поступают в накопитель 166 кодов кадра, коды 540 промежуточных строк сигнала G поступают с сумматора 161 в накопитель 165 кодов, аналогично и для сигнала В.
Работа блоков 187 регистров /фиг.14, 15/.
Сигналы разрядов кодов поступают на третьи входы разрядов регистров 1911-8. Заполнение регистров кодами строки начинается с открытием импульсом 50 Гц первого ключа 188, который пропускает импульсы Uд 25,92 МГц на вход распределителя 190 импульсов. Тактовые импульсы с выходов блока 190 последовательно поступают параллельно на первые управляющие входы разрядов восьми регистров 191. Сигналы первых разрядов кодов поступают в разряды первого регистра 1911, вторых разрядов кодов в разряды второго регистра 1912 и т.д. По заполнению регистров 191 сигнал с последнего /1920-го/ выхода блока 190 закрывает первый ключ 188 и в качестве управляющего выходного сигнала открывает ключ 188 во втором блоке 1872 регистров, регистры которого аналогично заполняются кодами второй строки. Таким образом последовательно за 20 мс заполняются регистры 191 всех блоков 1871-540 регистров. По заполнению регистров 191 во всех блоках 187 управляющий сигнал с блока 187540 открывает вторые ключи 189 во всех 540 блоках 187 регистров. Ключи 189 пропускают один импульс Uвыд /54 кГц/, который выдает одновременно из всех блоков 187 накопителя кодов кадра все коды кадра в блоки 169-174 формирователей импульсов и обнуляет разряды регистров 191 для приема ими кодов следующего кадра. Каждый накопитель кодов кадра 163-168 имеет по 8294400 выходов, которые подключены к стольким же входам соответственно блоков 169-174 формирователей импульсов, каждый из которых включает по 8294400 формирователей импульсов. Выходы шести блоков 169-174 49766400 подключены к стольким же входам СД-экрана 175 /1920×1080×24/.
Работа системы стереотелевидения.
Фотоэлектрический преобразователь 1 формирует аналоговые видеосигналы правого и левого кадров стереопары, которые преобразуются АЦП 52-54 в 8-разрядные коды с дискретизацией 12,96 МГц. Формирователи 55, 56, 57 кодов формируют из параллельных кодов последовательные, заменяя в них представление единиц в кодах с импульсов на положительные и отрицательные полусинусоиды моночастоты 103,68 МГц. На передающей стороне кодируются 540 строк с 960 отсчетами в каждой. Развертка строк построчная без обратных ходов. Частота кадров 50 Гц, частота стереопар 25 Гц. Стереопара из правого и левого кадров. Информация кодов R, G, B передается тремя каналами передатчика 65. Приемная сторона принимает три радиосигнала тремя трактами приема и обработки кодов видеосигналов, производит усиление, детектирует, выделяет строчные синхроимпульсы ССИ и синхроимпульсы стереопар СИС, синтезатор 180 частот воспроизводит две несущие частоты. Представление единиц в кодах возвращается к импульсам. Коды сигналов R, G, B распределяются по своим каналам, в которых выполняется удвоение отсчетов в каждой строке и удвоение строк в кадре /190×1080/. Воспроизводимый режим на экране соответствует формату НDTV /1920×1080/, при этом зритель воспринимает изображение через 3Д-очки объемным. Управляющими сигналами для ИК-передатчика 176 /фиг.10/ являются импульсы стереопар СИС с блока 184. Технические характеристики заявляемой системы в таблице 2. Первый 185 и второй 186 каналы воспроизводят стереозвук. Синхроимпульс с блока 179 открывает ключ 181, пропускающий импульсы 6,48 МГц в счетчик 182 импульсов. С приходом 476 импульса дешифратор 183 выдает сигнал с первого выхода, открывающий в каналах 185, 186 соответствующие ключи, пропускающие по три кода звука, которые преобразуются в аналоговые сигналы и воспроизводятся громкоговорителями. При поступлении в счетчик 182 479 импульса строки дешифратор 183 сигналом со второго выхода закрывает ключи в каналах 185, 186 и обнуляет счетчик 182. Каждый из каналов воспроизведения звука содержит соответствующие блоки, преобразующие коды звука в аналоговые сигналы, усилители мощности и громкоговорители. Исполнение приемной стороны предлагается выполнить из двух частей: в первую часть включить тракты приема и обработки кодов с каналами сигналов R, G, B, канал формирования управляющих сигналов и каналы звука, во вторую часть включить шесть накопителей кодов кадра, шесть блоков формирователей импульсов и СД-экран, причем вторую часть выполнить в единой монолитной и неразборной конструкции.
| Таблица 2 |
| Технические характеристики |
Значения |
| Передающая сторона |
|
| Передача кодов сигналов Rп, Rл |
1347,84 МГц верх. бок. f1 |
| Bп, Bл |
1140,48 МГц ниж. бок. f1 |
| Gп, Gл |
1036,8 МГц верх. бок. f2 |
| Занимаемые полосы в эфире |
270 Гц, 228 Гц, 208 Гц |
| Тактовая частота |
103,68 МГц |
| Число кодируемых строк/отсчетов в строке |
540/960 |
| Дискретизация видеосигналов |
12,96 МГц |
| Частота кадров/частота стереопар |
50 Гц/25 Гц |
| Частота строк |
27 кГц |
| Длительность строки/длительность кадра |
37 мкс/20 мс |
| Кодирование видеосигналов |
255 уров., 8 разр. |
| Видеорежим передающей стороны |
960×540×50 Гц |
| Приемная сторона |
|
| Воспроизводимый формат |
НDTV 1920×1080×50 |
| Число строк/отсчетов в строке |
1080/1920 |
| Частота строк/частота кадров |
-/50 Гц |
| Длительность кадра |
20 мс |
| Дискретизация видеосигналов |
25,92 МГц |
| Разрешение в кадре/СД-ячеек в кадре |
2073600/2073600 |
| Число светодиодов одного цвета |
16588800 штук |
| Светодиодов трех цветов R, G, B |
49766400 штук |
| Размер СД-экрана по диагонали/дюймов |
1321/52″ |
| Формат кадра |
16:9 |
| Воспроизведение изображения стереопар |
Светодиодным экраном и через 3Д-очки |
Использованные источники.
1. «Домашний компьютер» №12, 2005, с.26-28, 23, 32, 33.
2. «Домашний компьютер» №4, 2006, с.23-34.
3. Патент №2246801, кл. H04N 15, бюл. №5 от 20.02.05, прототип.
4. Колесников О.В., Шишигин И.В. Аппаратные средства Р С. 5-е изд-е, СПб, 2004, с.558-565.
5. Радиопередающие устройства. М.С. Шумилин и др, М., 1981, с.234, 235.
6. Фридлянд И.В., Сошников В.Г. Системы автоматического регулирования в устройствах видеозаписи. М., 1988, с.118 рис.5.5, с.122 рис.5.10.
7. Энциклопедический справочник: персональный компьютер. М., 2004, с.65.
8. В. Мураховский. Железо ПК. Новые возможности. СПб, Питер, 2005, с.26.
9. Иванов и др. Полупроводниковые оптоэлектронные приборы. Справочник. М., 1984, с.9 /18 строка сверху/.
10. Шило В.А. Популярные цифровые микросхемы. Справочник. Челябинск, 1989, с.222.
11. Бродский М.А. Телевизоры цветного изображения. Минск, 1988, с.132 рис.4.2.
12. Радиосвязь, вещание и телевидение. Под ред. А.Д. Фортушенко. М., 1981, с.146.
13. Баркан В.Ф., Жданов В.К. Усилительная и импульсная техника. М., 1981, с.209.
14. Цифровые интегральные микросхемы. Справочник. Минск, 1991, с.258.
Формула изобретения
Система стереотелевидения, содержащая передающую сторону, включающую фотоэлектрический преобразователь, первый, второй, третий аналого-цифровые преобразователи (АЦП), первый и второй АЦП сигнала звука, на информационные входы которых поданы сигналы звукового сопровождения, последовательно соединенные генератор синусоидальных колебаний и синтезатор частот, первый, второй и третий формирователи кодов, первый и второй самоходные распределители импульсов, счетчик импульсов, триггер, первый и второй ключи, и передатчик радиосигналов, содержащий три канала, первый канала включает последовательно соединенные усилитель первой несущей частоты, вход которого подключен к восьмому выходу синтезатора частот, амплитудный модулятор и выходной усилитель, второй канал включает последовательно соединенные амплитудный модулятор, первый вход которого подключен к выходу усилителя первой несущей частоты, и выходной усилитель, третий канал включает последовательно соединенные усилитель второй несущей частоты, входы которого подключен к девятому выходу синтезатора частот, амплитудный модулятор и выходной усилитель, первый выход триггера подключен к первому управляющему входу первого ключа и к второму управляющему входу второго ключа, второй выход триггера подключен к второму управляющему входу первого ключа и первому управляющему входу второго ключа, первый и второй информационные входы первого формирователя кодов подключены к выходам первого АЦП и первого АЦП сигнала звука, первый и второй информационные входы второго формирователя кодов подключены к выходам второго АЦП и второго АЦП сигнала звука, первый информационный вход третьего формирователя кодов подключен к выходу третьего АЦП, третьи информационные входы первого, второго формирователей кодов и второй информационный вход третьего формирователя кодов подключены к выходу первого самоходного распределителя импульсов, четвертые информационные входы первого и второго формирователей кодов и третий информационный вход третьего формирователя кодов подключены к выходу второго самоходного распределителя импульсов, управляющий вход которого подключен к выходу второго разряда счетчика импульсов, счетный вход которого и управляющий вход первого самоходного распределителя импульсов объединены и подключены к второму выходу второго формирователя кодов, первый выход которого подключен к второму входу амплитудного модулятора третьего канала передатчика радиосигналов, выход первого формирователя кодов подключен к второму входу амплитудного модулятора в первом канале передатчика радиосигналов, выход третьего формирователя кодов подключен к второму входу амплитудного модулятора во втором канале передатчика радиосигналов, первый выход синтезатора частот подключен к первым управляющим входам первого, второго и третьего формирователей кодов, второй выход синтезатора частот подключен к вторым управляющим входам с первого по третий формирователей кодов и к первым управляющим входам первого и второго АЦП сигнала звука, третий выход синтезатора частот подключен к вторым управляющим входам первого и второго АЦП сигнала звука, четвертый выход синтезатора частот подключен к третьим управляющим входам с первого по третий формирователей кодов, пятый выход синтезатора частот подключен к четвертым управляющим входам первого и второго формирователей кодов, к третьим управляющим входам первого и второго АЦП сигнала звука и к первому управляющему входу блока кадровой развертки, второй управляющий вход которого подключен к шестому выходу синтезатора частот, к нему же подключен и управляющий вход счетчика импульсов, седьмой выход синтезатора частот подключен к входу блока строчной развертки фотоэлектрического преобразователя, который содержит первый объектив, последовательно соединенные первый усилитель и первый пьезодефлектор с отражателем на торце, расположенный в фокальной плоскости первого объектива, первый источник положительного опорного напряжения, выход которого подключен к вторым входам первого усилителя и первого пьезодефлектора, второй источник отрицательного опорного напряжения, выход которого подключен к третьим входам первого усилителя и первого пьезодефлектора, последовательно соединенные второй усилитель и второй пьезодефлектор, свободный торец которого состоит из двух граней под соответствующим углом друг к другу, каждая грань имеет свой отражатель, первый отражатель второго пьезодефлектора оптически соединен с отражателем первого пьезодефлектора, третий источник положительного опорного напряжения, выход которого подключен к вторым входам второго усилителя и второго пьезодефлектора, четвертый источник отрицательного опорного напряжения, выход которого подключен к третьим входам второго усилителя и второго пьезодефлектора, содержит второй объектив, расположенный слева от первого объектива на соответствующем расстоянии и оптическая ось которого параллельна оптической оси первого объектива, последовательно соединенные третий усилитель, первый вход которого подключен к первому входу первого усилителя, и третий пьезодефлектор с отражателем на торце, расположенный в фокальной плоскости второго объектива и оптически соединенный с вторым отражателем второго пьезодефлектора, пятый источник положительного опорного напряжения, выход которого подключен к вторым входам третьего усилителя и третьего пьезодефлектора, шестой источник отрицательного опорного напряжения, выход которого подключен к входам третьего усилителя и третьего пьезодефлектора, содержит первое и второе дихроичные зеркала, расположенные друг за другом и против первого отражателя второго пьезодефлектора, первый, второй и третий микрообъективы, первый, второй и третий фотоприемники, первый, второй и третий предварительные усилители, входное окно первого фотоприемника оптически соединено через первый микрообъектив и первое дихроичное зеркало с первым отражателем второго пьезодефлектора, входное окно второго фотоприемника оптически соединено через второй микрообъектив и сквозь оба дихроичных зеркала с первым отражателем второго пьезодефлектора, входное окно третьего фотоприемника через третий микрообъектив, второе дихроичное зеркало и сквозь первое дихроичное зеркало оптически соединено с первым отражателем второго пьезодефлектора, выходы с первого по третий фотоприемников подключены соответственно к входам первого, второго и третьего предварительных усилителей, выходы которых являются первым, вторым и третьим выходами фотоэлектрического преобразователя, который содержит третье и четверное дихроичные зеркала, расположенные друг за другом и против второго отражателя второго пьезодефлектора, четвертый, пятый, шестой микрообъективы, четвертый, пятый, шестой фотоприемники, четвертый, пятый, шестой предварительные усилители, входное окно четвертого фотоприемника оптически соединено через четвертый микрообъектив и третье дихроичное зеркало со вторым отражателем второго пьезодефлектора, входное окно пятого фотоприемник оптически соединено через пятый микрообъектив и сквозь оба дихроичных зеркала с вторым отражателем второго пьезодефлектора, входное окно шестого фотоприемника оптически соединено через шестой микрообъектив, четвертое дихроичное зеркало и сквозь третье дихроичное зеркало с вторым отражателем второго пьезодефлектора, выходы с четвертого по шестой фотоприемников подключены соответственно к входам четвертого, пятого и шестого предварительных усилителей, выходы которых являются четвертым, пятым, шестым выходами фотоэлектрического преобразователя, блок кадровой развертки фотоэлектрического преобразователя содержит последовательно соединенные элемент И, задающий генератор и суммирующий усилитель, второй вход которого подключен к первому входу элемента И, управляющий вход суммирующего усилителя подключен к выходу элемента И, выход суммирующего усилителя является выходом блока кадровой развертки и подключен к первому входу второго усилителя, первый и второй входы элемента И являются входами блока кадровой развертки, суммирующий усилитель включает последовательно соединенные счетчик импульсов и дешифратор, первый и второй ключи, первый и второй формирователи импульсов и выходной усилитель, сигнальные входы ключей и счетный вход счетчика импульсов объединены и являются вторым входом суммирующего усилителя, первым входом которого является первый вход выходного усилителя, первый управляющий вход первого ключа, второй управляющий вход второго ключа и управляющий вход счетчика импульсов объединены и являются управляющим входом суммирующего усилителя, второй управляющий вход первого ключа и первый управляющий вход второго ключа объединены и подключены к выходу дешифратора, выход первого ключа подключен к входу первого формирователя импульсов, выход второго колюча подключен к входу второго формирователя импульсов, выходы формирователей импульсов объединены и подключены к второму входу выходного усилителя, выход которого является выходом суммирующего усилителя, первый, второй, третий АЦП идентичны, каждый содержит последовательно соединенные усилитель и пьезодефлектор с отражателем на торце, источник положительного опорного напряжения, выход которого подключен к вторым входам усилителя и пьезодефлектора, источник отрицательного опорного напряжения, выход которого подключен к третьим входам усилителя и пьезодефлектора, излучатель из импульсного светодиода, щелевой диафрагмы и микрообъектива, последовательно соединенные линейку многоэлементного фотоприемника и шифратор, выходы которого являются выходами АЦП, управляющим входом является вход импульсного светодиода, первый и второй АЦП сигнала звука идентичны, каждый содержит последовательно соединенные делитель напряжения, блок ключей, согласующий усилитель, усилитель и пьезодефлектор с отражателем на торце, источник положительного опорного напряжения, выход которого подключен к вторым входам усилителя и пьезодефлектора, источник отрицательного опорного напряжения, выход которого подключен к третьим входам усилителя и пьезодефлектора, излучатель из импульсного светодиода, щелевой диафрагмы и микрообъектива, последовательно соединенные линейку многоэлементного фотоприемника, первый дешифратор, шифратор, и второй дешифратор, выходы которого подключены к соответствующим входам первого дешифратора и к входам блока ключей, включает последовательно соединенные счетчик импульсов, третий дешифратор и блок регистров, информационные входы которого подключены к выходам шифратора, а первые три управляющих входа подключены к выходам третьего дешифратора, входом АЦП является вход делителя напряжения, первым управляющим входом является счетный вход счетчика импульсов, вторым – объединенные входы импульсного светодиода и четвертого управляющего входа блока регистров, третьим – управляющий вход счетчика импульсов, выходом являются выходы блока регистров, первый и второй формирователи кодов идентичны, каждый содержит последовательно соединенные триггер и блок коммутации, входы которого являются первым информационным входом формирователя кодов, и три канала, первый и второй каналы идентичны, входы их подключены к соответствующим выходам блока коммутации, а выходы трех каналов объединены, первый канал включает последовательно соединенные блок элементов И, первый и второй элементы ИЛИ и выходной ключ, и самоходный распределитель импульсов, второй канал включает последовательно соединенные блок элементов И, третий и четвертый элементы ИЛИ и выходной ключ, и самоходный распределитель импульсов, первые входы блока элементов И подключены к соответствующим выходам блока коммутации, вторые входы блока элементов И подключены к выходам самоходного распределителя импульсов своего канала, выходы выходных ключей объединены и являются первым выходом в первом и втором формирователях кодов, третий канал включает два блока элементов И, входы которых являются вторым информационным входом, пятый и шестой элементы ИЛИ, выход пятого элемента ИЛИ подключен к второму входу второго элемента ИЛИ в первом канале, выход шестого элемента ИЛИ подключен к второму входу четвертого элемента ИЛИ во втором канале, и два самоходных распределителя импульсов, выходы которых подключены к вторым входам соответствующих блоков элементов И, включает первый и второй ключи, и последовательно соединенные счетчик импульсов и дешифратор, два выхода которого подключены соответственно к первым и вторым управляющим входам первого и второго ключей, во втором формирователе кодов дешифратор имеет и третий выход, вляющийся вторым выходом второго формирователя кодов, подключенный к счетному входу счетчика импульсов и к входу первого самоходного распределителя импульсов передающей стороны, выход первого ключа подключен к входам самоходных распределителей импульсов в первом и втором каналах, выход второго ключа подключен к входам самоходных распределителей импульсов в третьем канале, третьим и четвертым информационными входами формирователей кодов являются третьи входы соответственно второго и четвертого элементов ИЛИ, первым управляющим входом является вход триггера, вторым – объединенные входы ключей и счетный вход счетчика импульсов, третьим – объединенные сигнальные входы выходных ключей, четвертым – управляющий вход счетчика импульсов, третий формирователь кодов содержит последовательно соединенные триггер и блок коммутации, и два идентичных канала, входы каналов подключены к выходам блока коммутации, а выходы их объединены и являются выходом третьего формирователя кодов, первый канал включает последовательно соединенные блок элементов И, первый и второй элементы ИЛИ и выходной ключ, и самоходный распределитель импульсов, второй канал включает последовательно соединенные блок элементов И, третий и четвертый элементы ИЛИ и выходной ключ, и самоходный распределитель импульсов, первые входы блоков элементов И подключены к соответствующим выходам блока коммутации, вторые входы блоков элементов И подключены к выходам самоходного распределителя импульсов своего канала, первым информационным входом являются входы блока коммутации, вторым и третьим информационными входами являются вторые входы второго и четвертого элементов ИЛИ, первым управляющим входом является вход триггера, вторым – объединенные входы самоходных распределителей импульсов, третьим – объединенные сигнальные входы выходных ключей, объединенный выход которых является выходом третьего формирователя кодов, содержащая приемную сторону, включающую антенну, блок управления, первый, второй и третий тракты приема и обработки кодов видеосигналов, входы которых подключены к антенне, устройство отображения видеоинформации, два канала воспроизведения звука и канал формирования управляющих сигналов, первый тракт приема и обработки кодов видеосигналов содержит последовательно соединенные блок приема радиосигнала, первый вход которого подключен к антенне, вторая группа входов подключена к первой группе выходов блока управления, усилитель радиочастоты и двухполярный амплитудный детектор, первый и второй формирователи импульсов, подключенные соответственно к первому и второму выходам двухполярного амплитудного детектора, и канал сигнала R, содержащий первый и второй регистры сигнала R, подключенные соответственно к выходам первого и второго формирователей импульсов своего тракта, последовательно соединенные блок обработки кодов, первый и второй информационные входы которого подключены к выходам первого и второго регистров сигнала R, первый блок задержек и сумматор, и второй блок задержек, входы которого и первые входы сумматора подключены к выходам блока обработки кодов, вторые входы сумматора подключены к выходам первого блока задержек, второй тракт приема и обработки кодов видеосигналов содержит последовательно соединенные блок приема радиосигнала, первый вход которого подключен к антенне, вторая группа входов подключена к первой группе выходов блока управления, усилитель радиочастоты и двухполярный амплитудный детектор, первый и второй формирователи импульсов, подключенные к первому и второму выходам двухполярного амплитудного детектора, и канал сигнала В, включающий первый и второй регистры сигнала В, подключенные соответственно к выходам первого и второго формирователей импульсов, последовательно соединенные блок обработки кодов, первый и второй информационные входы которого подключены к выходам первого и второго регистров сигнала В, первый блок задержек и сумматор, и второй блок задержек, входы которого и первые входы сумматора подключены к выходам блока обработки кодов, вторые входы сумматора подключены к выходам первого блока задержек, третий тракт приема и обработки кодов видеосигналов содержит последовательно соединенные блок приема радиосигнала, первый вход которого подключен к антенне, вторая группа входов подключена к первой группе выходов блока управления, усилитель радиочастоты и двухполярный амплитудный детектор, первый и второй формирователи импульсов, подключенные к первому и второму выходам двухполярного амплитудного детектора, и канал сигнала G, включающий первый и второй регистры сигнала G, подключенные к выходам первого и второго формирователя импульсов своего тракта, последовательно соединенные блок обработки кодов, первый и второй информационные входы которого подключены к выходам первого и второго регистров сигнала G, первый блок задержек и сумматор, и второй блок задержек, входы которого и первые входы сумматора подключены к выходам блока обработки кодов, вторые входы сумматора подключены к выходам первого блока задержек, канал формирования управляющих сигналов включает последовательно соединенные блок выделения строчных синхроимпульсов (ССИ), синтезатор частот, ключ, счетчик импульсов и дешифратор, и блок выделения синхроимпульсов стереопар (СИС), три входа блока, выделения ССИ подключены к выходам первых формирователей импульсов в первом, втором, третьем трактах приема и обработки кодов видеосигналов, выход блока подключен к первому управляющему входу синтезатора частот, к первому управляющему входу ключа, к четвертому входу блока выделения СИС и к вторым управляющим входам первых блоков задержек в каналах сигналов R, G, В, первый, второй, третий входы блока выделения СИС подключены к выходам вторых формирователей импульсов в первом, втором и третьем трактах приема и обработки кодов видеосигналов, вторая группа входов синтезатора частот подключена, к второй группе выходов блока, управления, первый выход синтезатора частот подключен к сигнальному входу ключа, и к первым управляющим входам регистров сигналов R, G, В, второй выход подключен к вторым (тактовым) управляющим входам регистров сигналов R, G, В и к соответствующим управляющим входам в первом и втором каналах воспроизведения звука, к соответствующим управляющим входам которых подключен и третий выход синтезатора частот, четвертый выход которого подключен к управляющим входам блоков обработки кодов в каналах сигналов R, G, В, пятый выход синтезатора частот подключен к третьим входам блоков приема радиосигнала в первом и втором трактах приема и обработки кодов видеосигналов, шестой выход подключен к третьему входу блока приема радиосигнала в третьем тракте приема и обработки кодов видеосигналов, седьмой выход синтезатора частот подключен к третьим управляющим входам первых блоков задержек и к первым управляющим входам сумматоров в каналах сигналов R, G, В, восьмой выход подключен к первым управляющим входам первых блоков задержек в каналах сигналов R, G, В, первый выход дешифратора подключен к соответствующим входам в первом и втором каналах воспроизведения звука, второй его выход подключен к управляющему входу счетчика импульсов, к второму управляющему входу ключа и к соответствующим управляющим входам в первом и втором каналах воспроизведения звука, первый и второй информационные входы которых подключены соответственно к выходам первого и второго формирователей импульсов в первом и втором трактах приема и обработки кодов видеосигналов, блоки обработки кодов идентичны, каждый включает триггер, вход которого является управляющим входом блока, с первого по шестой регистры, первый и второй блоки элементов задержек, сумматор и шестнадцать диодов, управляющий вход сумматора подключен к входу триггера, информационные входы первого и второго регистров поразрядно объединены и являются первым информационным входом блока, вторым информационным входом которого являются входы первого блока элементов задержек, к выходам которого подключены поразрядно объединенные входы третьего и четвертого регистров, первый выход триггера подключен к управляющим входам пятого, второго, третьего регистров, второй выход триггера подключен к управляющим входам шестого, первого, четвертого регистров, выходы первого регистра подключены к входам пятого регистра и через диоды к первым входам сумматора, к которым подключены и выходы второго регистра, выходы третьего регистра подключены к входам шестого регистра и через диоды к вторым входам сумматора, к которым подключены и выходы четвертого регистра, соответствующие выходы сумматора подключены к входам второго блока элементов задержек, выходы которого объединены поразрядно с выходами пятого и шестого регистров и являются выходами блока обработки кодов, первые блоки задержек идентичны, каждый включает последовательно соединенные элемент И, первый и второй ключи, первый и второй распределители импульсов, восемь регистров, каждый из которых содержит соответствующее число разрядов, информационными входами являются поразрядно объединенные вторые входы разрядов восьми регистров, выходами являются поразрядно объединенные выходы разрядов с первого по восьмой регистров, первым и вторым управляющими входами являются первый и второй входы элемента И, третьим управляющим входом являются объединенные сигнальные входы первого и второго ключей, выход элемента И подключен к первому управляющему входу первого ключа и к второму управляющему входу второго ключа, выход
первого ключа подключен к входу первого распределителя импульсов, выходы которого последовательно подключены к
первым (тактовым) входам с первого по последний разряды с первого по восьмой регистров, последний выход (1920-й)
первого распределителя импульсов подключен через диод к первым входам последних разрядов восьми регистров и напрямую подключен к второму управляющему входу первого ключа и к первому управляющему входу второго ключа, выход которого подключен к входу второго распределителя импульсов, выходы которого последовательно подключены с первого по последний к первым входам разрядов восьми регистров в последовательности с последнего разряда регистров к первым, последний выход второго распределителя импульсов подключен через диод к первым входам первых разрядов восьми регистров и через диод подключен к первому управляющему входу первого ключа и к второму управляющему входу второго ключа, блок выделения строчных синхроимпульсов (ССИ) включает первый, второй, третий счетчики импульсов, первый и второй элементы и, первый, второй, третий элементы НЕ и диод, информационными входами являются счетные входы первого, второго, третьего счетчиков импульсов, выходом является выход второго элемента И, выходы первого и второго счетчиков импульсов подключены к входам первого элемента И, выход которого и выход третьего счетчика импульсов подключены к входам второго элемента И, выход которого через диод и выходы элементов НЕ объединены и подключены параллельно к управляющим входам счетчиков импульсов, входы первого, второго, третьего элементов НЕ подключены соответственно к счетным входам первого, второго, третьего счетчиков импульсов, блок выделения синхроимпульсов стереопар (СИС) включает первый, второй, третий счетчики импульсов, счетные входы которых являются первым, вторым, третьим информационными входами блока, первый, второй, третий элементы НЕ, входы которых подключены к входам соответственно первого, второго, третьего счетчиков импульсов, первый, второй, третий элементы И, входы первого элемента И подключены к выходам первого и второго счетчиков импульсов, входы второго элемента И подключены к выходам первого элемента И и третьего счетчика импульсов, входы третьего элемента И подключены к выходу второго элемента И и к четвертому информационному входу блока, выход третьего элемента И является выходом блока, через диод подключен и к объединенным выходам элементов НЕ, которые подключены параллельно к управляющим входам счетчиков импульсов, отличающаяся тем, что на передающая стороне синтезатор частот имеет десятый выход импульсов частоты кадров, подключенный к входу триггера, и введены с третьего по шестой ключи, первые управляющие входы третьего и пятого ключей и вторые управляющие входы четвертого и шестого ключей подключены к первому выходу триггера, вторые управляющие входы третьего и пятого ключей и первые управляющие входы четвертого и шестого ключей подключены к второму выходу триггера, на приемной стороне введены с первого по шестой накопители кодов кадра, с первого по шестой блоки формирователей импульсов, устройство отображения видеоинформации представлено светодиодным плоскопанельным экраном (СД-экран), на верхней части корпуса, которого расположен ИК-передатчик, управляющий вход которого подключен к выходу блока выделения синхроимпульсов стереопар (СИС), и введены 3Д-очки с ИК-приемником на оправе 3Д-очков, входные окна которых при пользовании располагаются против выходного окна ИК-передатчика, накопители кодов кадра идентичны, каждый включает блоки регистров по числу половины строк в кадре, информационным входом каждого накопителя кодов кадра являются поразрядно объединенных 1-8 входы блоков регистров, информационные входы первого, третьего, пятого накопителей кодов кадра подключены к 1-8 выходам сумматоров соответственно в каналах сигналов R, G, В, информационные входы второго, четвертого и шестого акопителей кодов кадра подключены к 1-8 выходам вторых блоков задержек соответственно в каналах сигналов R, G, В, первым управляющим входом накопителя кодов кадра является первый управляющий вход первого блока регистров, вторым управляющим входом являются объединенные вторые управляющие входы блоков регистров, третьим – объединенные третьи вправляющие входы блоков регистров, первые – управляющие входы накопителей кодов кадра объединены и подключены к восьмому выходу синтезатора, частот, вторые управляющие входы накопителей кодов кадра объединены и подключены к девятому выходу синтезатора частот, третьи управляющие входы накопителей кодов кадра объединены и подключены к седьмому выходу синтезатора частот, каждый управляющий выход предыдущего блока регистров является первым управляющим входом последующего блока регистров, управляющий выход последнего блока регистров подключен параллельно к четвертым управляющим входам всех блоков регистров, выходами каждого накопителя кодов кадра являются параллельные выходы всех блоков регистров, подключенные к входам своего блока формирователей импульсов, каждый из которых включает формирователей импульсов по числу выходов с накопителя кодов кадра, блоки регистров идентичны, каждый включает первый и второй ключи, распределитель импульсов и восемь регистров, 1-8 информационными входами блока регистров являются поразрядно объединенные третьи входы разрядов восьми регистров, выходы всех разрядов восьми регистров являются параллельными выходами блока регистров, первым управляющим входом является первый управляющий вход первого ключа, вторым – сигнальный вход второго ключа, третьим – сигнальный вход первого ключа, четвертым – первый управляющий вход второго ключа, подключенный к управляющему выходу последнего блока регистров, выход первого ключа подключен к входу распределителя импульсов, выходы которого последовательно с первого по последний подключены к первым управляющим входам разрядов параллельно восьми регистров, последний выход подключен к второму управляющему входу первого ключа и является управляющим выходом блока регистров, выход второго ключа подключен параллельно к вторым управляющим входам всех разрядов восьми регистров и к второму управляющему входу второго ключа, светодиодный плоскопанельный экран состоит из светодиодных ячеек (СД-ячеек) по числу разрешающих элементов (пикселов) в кадре (1920×1080), каждая СД-ячейка содержит непрозрачный корпус, матрицу из соответствующего числа светодиодов трех основных цветов R, G, Вф и микролинзу в выходном торце корпуса СД-ячейки, матрица светодиодов расположена в фокальной плоскости микролинзы и содержит число светодиодов каждого цвета по числу разрядов в коде, а каждый светодиод имеет нейтральный светофильтр, плотность которого определяется принадлежностью светодиода к двоичному разряду кода, входы светодиодов СД-ячеек подключены к соответствующим выходам блоков формирователей импульсов.
РИСУНКИ
|
|