|
| На основании пункта 3 статьи 13 Патентного закона Российской Федерации от 23 сентября 1992 г. № 3517-I патентообладатель обязуется передать исключительное право на изобретение (уступить патент) на условиях, соответствующих установившейся практике, лицу, первому изъявившему такое желание и уведомившему об этом патентообладателя и федеральный орган исполнительной власти по интеллектуальной собственности, – гражданину РФ или российскому юридическому лицу. |
|
(21), (22) Заявка: 2006134097/09, 25.09.2006
(24) Дата начала отсчета срока действия патента:
25.09.2006
(46) Опубликовано: 27.01.2008
(56) Список документов, цитированных в отчете о поиске:
RU 2246796 С3, 20.02.2005. RU 2246800 C1, 20.02.2005. RU 2085050 C1, 20.07.1997. SU 1619422 A1, 07.01.1991. RU 2120194 C1, 10.10.1998. KR 210545B A1, 15.07.1999.
Адрес для переписки:
215116, Смоленская обл., г. Вязьма, ул. Пушкина, 22, кв.38, Б.И. Волкову
|
(72) Автор(ы):
Волков Борис Иванович (RU)
(73) Патентообладатель(и):
Волков Борис Иванович (RU)
|
(54) СВЕТОДИОДНЫЙ ДИСПЛЕЙ
(57) Реферат:
Изобретение относится к аппаратным средствам персонального компьютера и может быть использовано в качестве плоскопанельного дисплея в мониторе персонального компьютера и в телевизоре. Техническим результатом являются исключение в дисплее высокого напряжения, повышение достоверности цветопередачи изображения на экране и воспроизведения качественного изображения четырех режимов разрешения: 1024×768, 1280×1024, 1920×1080, 1600×1200. Технический результат достигается тем, что в состав светодиодного дисплея вводятся три идентичных канала цветовых сигналов R, G, В в составе накопителя кодов кадра и блока формирования отправляющих сигналов, а экранное стекло имеет углубления по числу излучающих ячеек, в которых поэлементно размещаются излучающие ячейки, при этом каждая излучающая ячейка составлена из последовательно расположенных светодиода белого свечения и цветного светофильтра. 10 ил., 1 табл.
Изобретение относится к аппаратным средствам персонального компьютера /ПК/ и может быть использовано в качестве плоскопанельного дисплея в мониторе ПК и в телевизоре.
За прототип принят плоскопанельный дисплей по технологии газоплазменных панелей РДР [1, с.7-9, 2 с.9], представляющий герметизированный пакет из двух стеклянных листов /переднего и заднего/, между которыми находятся элементы матрицы из излучающих ячеек. Каждый элемент плазменной матрицы состоит из трех излучающих ячеек. На внутренних поверхностях ячеек нанесены люминофоры соответственно одного из основных цветов R, G, В. Каждая цветная точка экрана /пиксел/ состоит из трех субпикселов. Отдельная излучающая ячейка /субпиксел/ состоит [1, с.8] из переднего стекла, на котором имеется сканирующий электрод и электрод поддержания разряда, затем диэлектрик, с боков перегородки и заднее стекло, на котором нанесен соответствующий цветной люминофор /R, G, В/, и электрод адресации /данных/. Внутри ячейки инертный газ. Снаружи каждой ячейки токопроводящие электроды: по одному перед задним стеклом и по два за передним стеклом. Когда между электродами подано напряжение, в ячейке возникает электрическое поле, ионизирующее газ в ячейке. При разряде в газовой среде образуется плазма, излучающая энергию в ультрафиолетовом диапазоне. Люминофор каждой ячейки, поглощая ультрафиолетовое излучение, сам излучает фотоны уже видимого света. Складываясь в пространстве, три основных цвета трех ячеек /субпикселов/ с различными яркостями свечения вызывают у зрителя восприятие разнообразных фазных цветовых тонов. Регулировка яркости выполняется методом широкоимпульсной модуляции, заключающимся в изменении соотношения длительности включенного и длительности выключенного состояния ячейки: отношения времени, когда излучение есть, ко времени, когда излучения нет в том же периоде кадра /скважность излучения/. Матричная структура панели позволяет одновременно управлять только одним рядом ячеек: строкой или столбцом. В провесов адресации идет последовательное сканирование всех ячеек панели [1, с.10]. Во время поддержания разряда на разрядные электроды поступают импульсы высокого напряжения, число которых зависит от номера субполя, так получают число вспышек в ячейке от одной до 255: при одной – яркость воспринимается минимальной, при 255 – яркость воспринимается максимальной. Уровень яркости в ячейках пропорционален числу вспышек: чем их больше, тем уровень яркости выше. Разрешающая способность плазменной панели соответствует числу элементов матрицы в экране. В состав панели входят [2, c.9]: плата подключения входных устройств, плата процессора и микропроцессора управления, две верхние и две нижние платы управления электродами адресации /данных/, плата устройств сканирования, две платы устройств управления электродами сканирования, плата запуска устройств поддержания разряда с двумя платами управления электродами. Японская фирма “Панасоник” [3, с.59] представила опытный экземпляр панели по диагонали в 103″ /261,5 см/, панель содержит 6 млн точек изображения. Недостатки прототипа: наличие высокого напряжения [4, c.489|, искажение цветов при цветопередаче [5, с.29], сложность устройства излучающих ячеек, технология плазменных панелей не способна создать мелкою плазменную излучающую ячейку [5, с.25], отсутствие глубокого черного цвета [5, с.29]: все элементы матрицы панели тлеют, так как имеют постоянное напряжение предподжига, что не позволяет получить глубокий черный цвет, качественное изображение воспроизводится панелью только в единственном режиме разрешения. Цель изобретения – исключение высокого напряжения, повышение достоверности в цветопередаче и качественное воспроизведение изображения разных режимов разрешения.
Техническим результатом являются исключение в дисплее высокого напряжения, повышение достоверности при цветопередаче изображения на экране и воспроизведение качественного изображения в четырех режимах разрешения: 1024×768, 1280×1024, 1920×1080 и 1600×1200. Результат достигается применением в ячейках источником излучения сверхъярких светодиодов белого свечения, требующих питания всего 3 В, повышение достоверности цветопередачи достигается применением преобразователей “код – длительность излучения”, преобразующих каждый код в соответствующую его величине длительность излучения светодиода в периоде кадра, воспроизведение качественного изображения в четырех режимах разрешения введением накопителей кодов кадра. Плоскопанельный экран дисплея состоит из соответствующего числа электронно-управляемых светодиодных излучающих ячеек /СД-ячеек/. Каждая СД-ячейка является источником излучения одного из трех основных цветов R, G, В. Три ячейки, излучающие цвета R, G, В, представляют один элемент матрицы экрана. Световой излучающий канал в СД-ячейке составляют последовательно расположенный светодиод белого свечения и цветной светофильтр одного из основных цветов. Уровень яркости цвета формируются ячейкой по принципу скважности: отношении времени, когда светодиод излучает, ко времени, когда он не излучает в том же периоде кадра. Результирующее излучение трех светодиодов элемента матрицы в пространстве формируют изображение одного пиксела, воспринимаемого зрением зрителя как яркость и насыщенность определенного цветового тона. Светодиоды всех СД-ячеек экрана синхронно начинают излучение с начала периода кадра и формируют изображение на экране весь период кадра. Строчная развертка отсутствует за ненадобностью. Коды кадров разных режимов разрешения поступают с цифровых выходов видеоадаптера ПК в параллельном виде на информационные входы светодиодного дисплея /СД-дисплея/. За период кадра коды цветовых сигналов сосредотачиваются в накопителях кодов кадра, по окончании периода кадра коды трех цветовых сигналов выдаются в блок, преобразующий коды в длительность управляющих сигналов, определяющих длительность излучения светодиодов в периоде кадра.
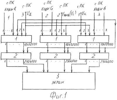
Сущность изобретения в том, что в светодиодный дисплей, включающий плоскопанельный экран, содержащий экранное стекло и матрицу из элементов по числу разрешения экрана, каждый из которых включает три излучающих ячейки основных цветов R, G, В, введены три канала цветовых сигналов R, G, В, каждый из которых включает последовательно соединенные накопитель кодов кадра и блок формирования управляющих сигналов, выходы которого подключены к входам плоскопанельного экрана, каждая излучающая ячейка содержит последовательно расположенные светодиод белого свечения и цветной светофильтр, три излучающих ячейки в элементе матрицы образуют треугольник, а экранное стекло по числу излучающих СД-ячеек имеет углубления, в которых поэлементно размещаются СД-ячейки. Светодиодный дисплей /СД-дисплей/ на фиг.1, накопитель кодов кадра на фиг.2, блоки регистров на фиг.3-6, излучающая СД-ячейка на фиг.7, состав и форма элемента матрицы на фиг.8, расположение элементов матрицы и СД-ячеек в экране на фиг.9, блок формирования управляющих сигналов на фиг.10.
Заявляемый светодиодный дисплей воспроизводит с видеоадаптера ПК четыре видеорежима с разрешением: первый 1024×768, второй 1280×1024, третий 1920×1080 и четвертый 1600×1200. Частота кадров может быть в диапазоне 25 Гц-120 Гц. В режиме формата НДТV 1920×1080 и частоте кадров 100 Гц частота дискретизации составляет: fд=1920×1080×100 Гц=207,36 МГц, где 1920 – число отсчетов в строке, 1080 – число строк в кадре, 100 Гц – частота кадров.
Частота строк fс=100 Гц×1080=108 кГц, импульсы которых используются как сигналы выдачи Uвыд. Длительность кадра: или 10 мс.
| Таблица |
| Параметры видеорежимов в таблице. |
| Режим разрешения |
Частота кадров |
Частота строк |
Частота дискретизации |
Кодов в кадре |
Период кадра |
| 1024×768 |
60 Гц |
40 кГц |
47,1858 МГц |
786432 |
16,67 мс |
| 1280×1024 |
60 Гц |
61,44 кГц |
78,6432 МГц |
1310720 |
16,67 мс |
| 1920×1080 |
100 Гц |
108 кГц |
207,36 МГц |
2073600 |
10 мс |
| 1600×1200 |
60 Гц |
72 кГц |
115,2 МГц |
1920000 |
16,67 мс |
СД-дисплей /фиг.1/ включает три идентичных канала цветовых сигналов R, G, В, каждый из которых содержит последовательно соединенные накопитель 1 кодов кадра и блок 2 формирования управляющих сигналов, выходы которого подключены к входам плоскопанельного экрана 3. Накопители 1 кодов кадра идентичны /фиг.2/, каждый включает блоки 4 регистров по наибольшему числу строк в кадре 1200. Наибольшее число строк в четвертом режиме разрешения 1600×1200. Информационным входом накопителя 1 кодов кадра являются поразрядно объединенные 1-8 входы блоков регистров 41-1200. Управляющими входами являются: первым – первый вправляющий вход /Uк/ первого блока 41 регистров, вторым – объединенные вторые управляющие входы /Uвыд/ блоков 4 регистров, третьим – объединенные третьи управляющие входы /Uд/ блоков 4 регистров. Управляющий выход каждого предыдущего блока 4 регистров является первым управляющим входом каждого последующего блока 4 регистров /42-1200/. Управляющий выход последнего блока 4 регистров каждого режима разрешения /4768, 41024, 41080, 41200/ через диод подключен параллельно к четвертым управляющим входам всех блоков 4 регистров, предшествующих блоку 4, представляющего последнюю строку режима разрешения. Первым, вторым и третьим информационными входами СД-дисплея являются информационные 1-8 входы накопителей 1 кодов кадра первого, второго и третьего каналов цветовых сигналов. Первым, вторым и третьим управляющими входами СД-дисплея являются объединенные соответственно первые, вторые и третьи управляющие входы накопителей 1 кодов кадра с первого по третий каналов цветовых сигналов. Блоки 4 регистров идентичны /фиг.3-6/, каждый включает первый 5 и второй 6 ключи, распределитель 7 импульсов, восемь регистров 81-8 и элементы И 9. Причем для первого режима разрешения блоки регистров с 41 по 4768 имеют по четыре элемента И: 91-94, для второго режима разрешения блоки 4769 по 41024 регистров имеют по три элемента И: 91-93, для третьего режима разрешения блоки регистров с 41025 по 41080 имеют по два элемента И: 91 и 92, для четвертого режима разрешения блоки регистров с 41081 по 41200 имеют один элемент И 91. Информационным входом блока 4 регистров являются поразрядно объединенный третьи входы разрядов регистров 8. Выходами блока 4 являются параллельные выходы всех разрядов восьми регистров 81-8 /15360 выходов/. Управляющими входами являются: первым – первый управляющий вход /Uк/ первого ключа 5, вторым – сигнальный вход /Uвыд/ второго ключа 6, третьим – сигнальный вход /Uд/ первого ключа 5, четвертым – первый управляющий вход второго ключа 6, подключенный через диод параллельно к управляющим выходам соответственно блоков 4768, 41024, 41080, 41200. Первые входы элементов И1-4 91-4 объединены и подключены к сигнальному входу второго ключа 6, вторые их входы подключены к выходам соответственно 1024, 1280, 1600, 1920 блока 7, выходы этих элементов И 91-4 объединены и подключены к второму управляющему входу ключа 5 и являются управляющим выходом для блоков 42-768 регистров. Первые входы элементов И 91-3 в блоках с 4769 по 41024 объединены и подключены к сигнальному входу ключа 6, вторые их входы подключены к выходам соответственно 1280, 1600, 1920 блока 7, выходы элементов И 91-3 объединены и подключены к второму управляющему входу первого ключа 5 и являются управляющим выходом для блоков 4769-1024. Первые входы элементов И 91-2 в блоках с 41025 по 41080 /фиг.5/ объединены и подключены к сигнальному входу ключа 6, вторые их входы подключены к выходам 1600, 1920 блока 7, выходы этих элементов и объединены и подключены к второму управляющему входу ключа 5 и являются управляющим выходом для блоков 41025-1080. Первый вход элемента И 91 в блоках регистров с 41081 по 41200 подключен к сигнальному входу ключа 6, второй вход подключен к выходу 1600 блока 7, выход элемента и 91 подключен к второму управляющему входу ключа 5 и является управляющим выходом для блоков 41081-1200 регистров.
Выход первого ключа 5 подключен к входу распределителя 7 импульсов, выходы которого последовательно подключены с первого по последний /1920/ к первым управляющим входам разрядов параллельно восьми регистров 8. Выход второго ключа 6 подключен параллельно к вторым управляющим входам разрядов восьми регистров 81-8 и к второму управляющему входу ключа 6. Блоки 2 формирования управляющих сигналов предназначены для управления длительностью излучения светодиодами излучающих СД-ячеек и определяют длительность запитывания светодиодов 10 /фиг.7/ на время, пропорциональное величине поступающих кодов цветового сигнала. Плоскопанельный экран 3 представляет совокупность 2304000 элементов матриц /1920×1200/, размещенных в экранном стекле. Каждый элемент матрицы из трех СД-ячеек, каждая из которых излучает один из основных цветов R, G, В. Излучающая светодиодная ячейка содержит /фиг.7/ последовательно расположенные светодиод 10 белого свечения и соответствующий цветной светофильтр 11. СД-ячейки в элементе матрицы образуют /фиг.8/ треугольник. Расположение излучающих ячеек в экранном стекле экрана 3 на фи.9. Элементы матрицы корпусов не имеют. Экранное стекло для поэлементного размещения СД-ячеек имеет соответствующие углубления, в которых и размещаются светодиоды 10. Но лучшим вариантом является исполнение СД-ячеек непосредственно в экранном стекле. Управляющий вход /проводники питания/ каждого светодиода 10 подключен к соответствующему своему выходу из блока 2. Принцип действия СД-ячейки основан на прямо пропорциональной зависимости длительности излучения светодиода 10 от величины кода цветового сигнала. Уровни яркости воспринимаются зрением соответственно длительности излучения светодиода за период кадра. Суммарное излучение светодиодов трех цветов элемента матрицы формирует изображение пиксела, воспринимаемое как яркость и насыщенность определенного цветового тоне, излучение каждого светодиода участвует в процессе цветопередачи не только пиксела своего элемента матрицы, но и всех соседних с ним СД-ячеек /справа, слева, сверху, снизу/. В качестве светодиодов 10 принимаются сверхъяркие светодиоды белого свечения фирмы “Ledtronics” 1Д120-0WW-30Д с силой света 3,5 кд и углом излучения 30° [2 с.47]. Светодиоды исполняются миниатюрными без корпусов диаметром до 0,5 мм прямо в углублениях экранного стекла. блоки 2 формирования управляющих сигналов идентичны, каждый включает /фиг.10/ генератор 12 импульсов и 2304000 преобразователей “код – длительность излучения” /1920×1200/, которые идентичны, каждый включает последовательно соединенные первый ключ 13, вычитающий счетчик 14 импульсов, дешифратор 15 и второй ключ 16, и источник 17 питания, выход которого подключен к сигнальному входу ключа 16. Исходное состояние ключей 13, 16 закрытое. Генератор 12 импульсов является умножителем частоты, в режиме 1920×1080×100 Гц выполняет умножение 100 Гц × 270 и выдает 27 кГц на сигнальные входы первых ключей 13. Преобразователи “код – длительность излучения” работают идентично. При длительности кадра 10 мс /100 Гц/ коду 00000001 соответствует длительность излучения светодиода в один импульс 37 мкс коду 00000010 соответствует длительность излучения в два импульса 74 мкс, коду 00000011 – три импульса 111 мкс и т.д. коду 11111110 соответствует длительность излучения в 254 импульсов 9398 мкс, коду 11111111 – 255 импульсов 9435 мкс. Инерционность срабатывания светодиодов менее 1 мкс [6 c.9]. По окончании накопления кодов блоками 1 сигнал Uвыд /100 Гц/ открывает все первые ключи 13 в блоке 2. Коды кадра синхронно и в параллельном виде поступают на информационные 1-8 входы вычитающих счетчиков 14 импульсов. Открытые ключи 13 пропускают импульсы 27 кГц с генератора 12 на счетные входы счетчиков 14. Сигнал Uвыд /100 Гц/ открывает и все ключи 16.
Напряжение питания 3 В с источника 17 питания через открытый ключи 16 запитывает светодиоды 10, которые излучают каждый с длительностью, соответствующей величине своего кода. Прогресс вычитания в счетчиках 14 импульсов длится до появления кода 00000000. С приходом в дешифратор 15 кода из одних нулей он выдает сигнал Uз, закрывающий оба ключа и 13 и 16. Питание светодиодов прерывается, излучение прекращается. Длительности излучения светодиодов 10 воспринимаются соответствующими уровнями яркости излучаемого ими цвета. Излучения трех светодиодов трех СД-ячеек проходят цветные светофильтры R, G, B, и поступают на экранное стекло, формируя изображение пиксела соответствующего цветового тона. Скважность излучений всех светодиодов экрана 3 за период кадра /10 мс/ и формирует яркость цветовых тонов всех пикселов, которые в совокупности составляют изображение кадра на экране 3. При разрешении 1920 отсчетов в отроке и 1200 строк в кадре матрица экрана 3 содержит 2304000 элементов /1920×1200/ или 6912000 СД-ячеек, следовательно, содержит 6912000 светодиодов белого свечения. Из процесса формирования изображения на экране исключаются строчная и кадровая развертки, процесс построения изображения упрощается, но при этом требуется обеспечение каждого светодиода своим преобразователем “код – длительность излучения”. Современные технологии позволяют изготавливать микросхемы с десятками миллионов транзисторов [7 с.65], следовательно, каждый из блоков 1 и 2 будут изготовлены в одной микросхеме. Диаметр светодиода 10 принимается 0,5 мм /фиг.8/, размер элемента матрицы /трех СД-ячеек/ составляет 1×0,8 мм. Толщину экрана 3 составляет толщина экранного стекла /СД-ячейки размещены внутри стекла/, которая будет 5-7 мм ширина двух строк 1,6 мм /фиг.9/. Размер экрана 3 составит: по горизонтали 1920×1 мм=1920 мм, по вертикали 1200×0,8 мм=960 мм, по диагонали 2146 мм или 84,5 дюйма. Максимальная яркость свечения светодиода с силой света 3,5 кд при диаметре излучающей части 0,5 мм составит:

где 0,2 мм2 /0,2·10-6 м2/ – площадь излучения светодиода.
С учетом потерь излучения в 50% яркость изображения на экране будет выше, чем у прототипа.
Работа блоков 4 регистров /фиг.3-6/.
Сигналы разрядов кодов поступают на третьи входы разрядов регистров 81-8. Заполнение регистров кодами строки начинается с открытием импульсом Uк первого ключа 5, который пропускает импульсы Uд на вход распределителя 7 импульсов. Тактовые импульсы с выходов блока 7 последовательно поступают параллельно на первые управляющие входы разрядов регистров 8. Сигналы первых разрядов поступают в разряды первого регистра 81, вторых разрядов кодов в разряды второго регистра 82 и т.д., восьмых разрядов в разряды регистра 88. По заполнении регистров 8 сигнал с соответствующего выхода соответственно режима разрешения блока 7 поступает на второй вход элемента И 9, на первый вход которого поступает импульс частоты строк Uс /он же Uвыд/, смотри таблицу. При совпадении импульсов с выхода элемента И 9 /соответственно режима разрешения/ выдается импульс, закрывающий ключ 5, и как управляющий выходной сигнал открывает ключ 5 в следующем блоке 42 регистров, регистры 8 которого аналогично заполняются кодами второй строки. Таким же образом заполняются регистры 8 всех блоков 4. С последнего блока 4 /фиг.2/ соответственно режима разрешения /4768, 41024, 41080, 41200/ выходной сигнал открывает все вторые ключи 6 в блоках 4 регистров, которые пропускают по одному импульсу Uвыд, частота следования которых соответствует частоте строк принимаемого режима разрешения. Сигнал Uвыд синхронно выдает из всех блоков 4 все коды кадра в блоки 2 и обнуляет разряды регистров 8 для приема ими кодов следующего кадра.
Работа светодиодного дисплея.
С информационных пиковых выходов видеоадаптера ПК на информационные входы накопителей 1 кодов кадра в параллельном виде поступают 8-разрядные коды сигналов R, G, В. С управляющих выходов видеоадаптера ПК на первый, второй и третий управляющие входы накопителей 1 кодов кадра поступают синхроимпульсы частоты кадров Uк, частоты строки Uc и импульсы Uд дискретизации видеорежима соответствующего разрешения /таблица/. За время первого кадра регистры блоков 4 последовательно заполняются кодами первого кадра. Каждый блок 4 сосредотачивает коды одной строки. При первом режиме разрешения 1024×768 кодами заполняются блоки 4 регистров о первого по 768 /фиг.2/, при втором режиме разрешения 1280×1024 заполняются блоки 4 с первого по 1024, при третьем режиме разрешения 1920×1080 заполняются блоки 4 с первого по 1080-й, при четвертом режиме разрешения 1600×1200 заполняются блоки с первого по 1200.
За период кадра в каждом накопителе 1 кодов сосредотачиваются все коды кадра. С окончанием периода кадра управляющий выходной сигнал через диоды с соответствующего блока 4 регистров /4768, 41024, 41080, 41200/ Фиг.2 поступает на четвертые управляющие входы блоков 4 регистров, выдает из них синхронно и параллельно все коды кадра в блоки 2 формирования управляющих сигналов и обнуляет разряды регистров 8. Пока идет прием кодов второго кадра, светодиоды высвечивают на экране 3 изображения первого кадра в течение 10 мс. После заполнения кодами второго кадра всех блоков 4 регистров следует выдача кодов в блоки 2, на экране в течение 10 мс представляется изображение второго кадра. Далее процессы повторяются. При переходе на работу в первый, второй или четвертый режим разрешения, частота кадров в которых 60 Гц /16,67 мс/ генератор 12 выполняет умножение частоты 60 Гц × 270 и выдает 16,2 кГц на входы /сигнальный/ первых ключей 13 /фиг.10/. При длительности кадра 16,67 мс /60 Гц/ коду 00000001 соответствует длительность излучения светодиодов в один импульс 61,7 мкс, , коду 00000010 соответствует длительность излучения в два импульса 123 мкс, коду 00000011 – три импульса 185 мкс и т.д., коду 11111110 – соответствует 254 импульса 15672 мкс, коду 11111111 – 255 импульсов 15734 мкс. Всю площадь экрана 3 не занимает ни один режим разрешения: при режимах 1024×768 и 1280×1024 остаются не используемые части экрана и по строкам и по отсчетам в отроке, при режиме 1600×1200 площадь используется полностью по вертикали /по строкам/, но не полностью по отсчетам в строке, при режиме 1920×1080 используется площадь по горизонтали /по отсчетам в строке/ и не полностью по строкам. При формировании изображений всех пикселов кадра одновременно отпадает необходимость в строчной развертке. Идентичность электронных схем в блока 1 и в блоках 2 создает условия для выполнения их в интегральном исполнении. Применение варианта формирования изображения всего кадра в целом позволяет воспринимать зрителем изображения соответственно природе человеческого зрения.
В связи с большим числом соединений блоки накопителей кодов кадра и формирователей управляющих сигналов следует выполнить в единой неразборной конструкции и на тыльной стороне плоскопанельного экрана 3. С увеличением размеров СД-ячеек в соответствующее число раз, например в 4 раза, СД-дислей может применяться для демонстрации кинофильмов в кинотеатрах.
Используемые источники.
1. “Радио” №8, 2004, с.7-9, прототип.
2. “Радио” №9, 2004, с.9, 47.
3. “Наука и жизнь” №8, 2006, с.59.
4. Колесниченко О.В., Шишигин И.В. Аппаратные средства PC. 5-е издание, СПб., 2004, с.489.
5. “Домашний компьютер” №4, 2006, с.25, 29.
6. Иванов и др. Полупроводниковые оптоэлектронные приборы. Справочник. М., 1984, с.9, 18-я строка сверху.
7. Энциклопедический справочник. Персональный компьютер. М., 2004, с.65.
Формула изобретения
Светодиодный дисплей, включающий плоскопанельный экран, содержащий экранное стекло и матрицу из элементов по числу разрешения экрана, каждый из которых включает три излучающих ячейки основных цветов R, G, В, отличающийся тем, что в него введены три идентичных канала цветовых сигналов R, G, В, каждый из которых включает последовательно соединенные накопитель кодов кадра и блок формирования управляющих сигналов, выходы которого подключены к соответствующим входам плоскопанельного экрана, каждая излучающая ячейка содержит последовательно расположенные светодиод белого свечения и цветной светофильтр из основных цветов R, G, В, три излучающие ячейки в элементе матрицы образуют треугольник, экранное стекло по числу излучающих ячеек имеет углубления, в которых поэлементно размещаются излучающие ячейки, первым, вторым и третьим информационными входами светодиодного дисплея являются информационные входы накопителя кодов кадра каждого канала цветового сигнала, подключенные к цифровым информационным выходам видеоадаптера персонального компьютера /ПК/, первым, вторым и третьим управляющими входами являются объединенные соответственно первые, вторые и третьи управляющие входы накопителей кодов кадра, подключенные соответственно к первому, второму и третьему управляющим выходам видеоадаптера ПК, накопители кодов кадра идентичны, каждый содержит блоки регистров по наибольшему числу строк из используемых режимов разрешения, информационным входом накопителя кодов кадра являются поразрядно объединенные входы блоков регистров, первым управляющим входом является первый управляющий вход первого блока регистров, вторым – объединенные вторые управляющие входы блоков регистров, третьим – объединенные третьи управляющие входы блоков регистров, каждый управляющий выход предыдущего блока регистров является первым управляющим входом последующего блока регистров, управляющий выход блока регистров, представляющий 768 строку первого режима разрешения, подключен через первый диод параллельно к четвертым управляющим входам блоков регистров с первого по 768, управляющий выход блока регистров, представляющий последнюю 1024 строку второго режима разрешения, через второй и третий диоды подключен параллельно к четвертым управляющим входам блоков регистров с первого по 1024, управляющий выход блока регистров, представляющий последнюю строку 1080 третьего режима разрешения последовательно через пятый, четвертый и третий диоды подключен параллельно к четвертым управляющим входам блоков регистров с первого по 1080, управляющий выход блока регистров, представляющий последнюю 1200 строку четвертого режима разрешения последовательно через шестой, четвертый и третий диоды подключен к четвертым управляющим входам блоков регистров с первого по 1200, выходами накопителя кодов кадра являются параллельные выходы всех блоков регистров, блоки регистров идентичны, каждый включает первый и второй ключи, распределитель импульсов и восемь регистров, информационными 1-8 входами блока регистров являются поразрядно объединенные третьи входы разрядов восьми регистров, параллельные выходы всех разрядов восьми регистров являются выходами блока регистров, первым управляющим входом блока регистров является первый управляющий вход первого ключа, вторым – сигнальный вход второго ключа, третьим – сигнальный вход первого ключа, четвертым – первый управляющий вход второго ключа, подключенный к управляющему выходу блока регистров, представляющего последнюю строку /768, 1024, 1080, 1200/ своего режима разрешения, выход первого ключа подключен к входу распределителя импульсов, выходы которого последовательно подключены к первым управляющим входам разрядов параллельно восьми регистров, выход второго ключа подключен параллельно к вторым управляющим входам всех разрядов восьми регистров и к второму управляющему входу второго ключа, блоки регистров с первого по 768 содержат четыре элемента И, первые входы которых подключены к сигнальному входу второго ключа, вторые входы подключены: первого элемента И к 1024 выходу распределителя импульсов, второго элемента И к 1280 выходу распределителя импульсов, третьего элемента И к 1600 выходу распределителя импульсов, четвертого элемента И к 1920 выходу распределителя импульсов, выходы четырех элементов И объединены, подключены к второму управляющему входу первого ключа и являются управляющим выходом блоков регистров с первого по 768, блоки регистров с 769 по 1024 содержат три элемента И, первые входы которых объединены и подключены к сигнальному входу второго ключа, вторые их входы подключены соответственно: первого элемента И к 1280 выходу, второго элемента И к 1600 выходу и третьего элемента И к 1920 выходу распределителя импульсов, выходы этих элементов И объединены, подключены к второму управляющему входу первого ключа и являются управляющим выходом блоков регистров с 769 по 1024, блоки регистров с 1025 по 1080 содержат по два элемента И, первые входы которых объединены и подключены к сигнальному входу второго ключа, вторые их входы подключены соответственно: первого элемента И к 1600 выходу и второго элемента И к 1920-у выходу распределителя импульсов, выходы этих элементов И объединены, подключены к второму управляющему входу первого ключа и являются управляющим выходом блоков регистров с 1025 по 1080, блоки регистров с 1081 по 1200 содержат по одному элементу И, первый вход которого подключен к сигнальному входу второго ключа, второй вход подключен к 1920-у выходу распределителя импульсов, выход элемента И подключен к второму управляющему входу первого ключа и является управляющим выходом блоков регистров с 1081 по 1200, блоки формирования управляющих сигналов идентичны, каждый содержит генератор импульсов и по числу разрешения экрана /2304000/ преобразователи “код – длительность излучения”, которые идентичны и каждый включает последовательно соединенные первый ключ, вычитающий счетчик импульсов, дешифратор и второй ключ, выход которого является выходом преобразователя “код – длительность излучения”, и включает источник питания, выход которого подключен к сигнальному входу второго ключа, сигнальные входы первых ключей всех преобразователей “код – длительность излучения” подключены к выходу генератора импульсов, управляющий вход которого и первые управляющие входы первых и вторых ключей объединены и подключены к управляющему входу блока формирования управляющих сигналов, который подключен к первому управляющему входу светодиодного дисплея, выход каждого первого ключа подключен к счетному входу своего вычитающего счетчика импульсов, выход дешифратора подключен к вторым управляющим входам первого и второго ключей своего преобразователя “код – длительность излучения”, информационными входами которого являются информационные входы вычитающего счетчика импульсов, а информационными входами блока формирования управляющих сигналов являются информационные входы всех преобразователей “код – длительность излучения”, выходы которых являются выходами блока формирования управляющих сигналов, подключенные к входам светодиодов белого свечения соответствующих излучающих ячеек.
РИСУНКИ
|
|