|
| На основании пункта 3 статьи 13 Патентного закона Российской Федерации от 23 сентября 1992 г. № 3517-I патентообладатель обязуется передать исключительное право на изобретение (уступить патент) на условиях, соответствующих установившейся практике, лицу, первому изъявившему такое желание и уведомившему об этом патентообладателя и федеральный орган исполнительной власти по интеллектуальной собственности, – гражданину РФ или российскому юридическому лицу. |
|
(21), (22) Заявка: 2006132027/09, 05.09.2006
(24) Дата начала отсчета срока действия патента:
05.09.2006
(46) Опубликовано: 27.01.2008
(56) Список документов, цитированных в отчете о поиске:
RU 2246800, 20.02.2005. SU 1619422 A1, 07.01.1991. KR 210545B A1, 15.07.1999.
Адрес для переписки:
215116, Смоленская обл., г. Вязьма, ул. Пушкина, 22, кв.38, Б.И. Волкову
|
(72) Автор(ы):
Волков Борис Иванович (RU)
(73) Патентообладатель(и):
Волков Борис Иванович (RU)
|
(54) ЦИФРОВОЙ ПЛОСКОПАНЕЛЬНЫЙ ДИСПЛЕЙ
(57) Реферат:
Изобретение относится к аппаратным средствам монитора и может быть использовано в качестве плоскопанельного дисплея в мониторе и телевизоре. Техническим результатом является исключение высокого напряжения, повышение достоверности цветопередачи и разрешающей способности экрана. Технический результат достигается тем, что в цифровой плоскопанельный дисплей вводятся три канала цветовых сигналов R, G, В, каждый из которых включает накопитель кодов кадра и блок формирования управляющих сигналов, в каждую излучающую ячейку введены светодиод белого свечения и цветной светофильтр, а экранное стекло по числу излучающих ячеек имеет углубления, в которых поэлементно размещаются излучающие ячейки. 8 ил.
Изобретение относится к аппаратным средствам монитора и может быть использовано в качестве плоскопанельного дисплея в мониторе и в телевизоре.
За прототип принят плоскопанельный дисплей по технологии плазменных панелей РДР [1. c.7-9, 2. с.489, 3. с.25, 27, 29, 4. c.23, 27], представляющий герметизированный пакет из двух стеклянных листов /переднего и заднего/, между которыми находится совокупность элементов матрицы из излучающих ячеек. Каждый элемент плазменной матрицы состоит из трех излучающих ячеек. На внутренних поверхностях ячеек нанесены люминофоры трех основных цветов R, G, В. Каждая цветная точка экрана /пиксел/ состоит из трех субпикселов. Отдельная излучающая ячейка /субпиксел/ состоит [1 c.8] из переднего стекла, на котором имеется сканирующий электрод и электрод поддержания разряда, затем диэлектрик, с боков перегородки, заднее стекло, на котором нанесен цветной люминофор /R, G, B/, и электрод адресации /данных/. Внутри ячейки – инертный газ. Снаружи ячеек расположены токопроводящие электроды: по одному перед задним стеклом и по два за передним стеклом. Когда между электродами подано напряжение, в ячейках возникает электрическое поле, ионизирующее газ ячейки. При разряде в газовой среде образуется плазма, излучающая энергию в ультрафиолетовом диапазоне. Люминофор каждой ячейки, поглощая ультрафиолетовое излучение, излучает фотоны уже видимого света. Складываясь в пространстве, три основных цвета трех ячеек /субпикселов/ с различными яркостями свечения вызывают восприятие зрителем разнообразных цветовых оттенков. Регулировка яркости выполняется методом широтно-импульсной модуляции, заключающимся в изменении соотношения длительности включенного и длительности выключенного состояния ячейки, т.е. скважности излучения: отношения времени, когда излучение есть, ко времени, когда излучения нет, в одном и том же периоде кадра. Ячейки имеют постоянные напряжения предподжига, т.е. все элементы матрицы панели тлеют, на плазменной панели заметно это фоновое “дыхание”, не позволяющее получить глубокий черный цвет [3 c.29]. Матричная структура панели позволяет одновременно управлять только одним рядом ячеек: строкой или столбцом. В процессе адресации идет последовательное сканирование всех ячеек панели [1 c.10]. Во время поддержания разряда на разрядные электроды поступают импульсы высокого напряжения, число которых зависит от номера субполя. Так получают различное число вспышек в ячейке от 10 до 255: при одной – яркость минимальна, при 255 – максимальна. Таким образом, вспышки дискретно /прерывно/ воспроизводят яркость в ячейках: чем их больше, тем уровень яркости от ячейки выше. Разрешающая способность плазменной панели соответствует числу элементов матрицы /каждая из трех ячеек/.
Недостатки прототипа: наличие высокого напряжения [2 с.489], искажение цветов при цветопередаче [3 с.29] средняя колонка], технология плазменных панелей не способна создать мелкую плазменную излучающую ячейку [3 с.25], отсутствие глубокого черного цвета [3 с.29].
Цель изобретения – исключение высокого напряжения, повышение достоверности цветопередачи и разрешающей способности экрана.
Техническим результатом является исключение в дисплее высокого напряжения, повышение достоверности цветопередачи и повышение разрешающей способности экрана. Вместе с тем достигается глубокий черный цвет, повышается яркость изображения и исключается процесс строчной развертки. Результат достигается введением в ячейки вместо газосветных лампочек сверхъярких светодиодов белого свечения, снижением размеров излучающих ячеек для получения на экране разрешения формата НДTV /1920×1080/, повышение достоверности цветопередачи – введением для каждого светодиода преобразователя “код – длительность излучения”, преобразующего каждый код в соответствующую его величине длительность излучения в периоде кадра.
Световой канал каждой излучающей ячейки составляют последовательно расположенные светодиод белого свечения и цветной светофильтр одного из трех основных цветов R, G, B. Величина яркости формируется, как и в прототипе, принципом скважности излучения светодиода. Уровни яркости от светодиода воспринимаются зрением по длительности излучения светодиода за период кадра: отношение времени, когда светодиод излучает, ко времени, когда он не излучает, в том же периоде кадра. Результирующее излучение трех светодиодов в пространстве формирует изображение одного пиксела, воспринимаемое как яркость определенного цветового тона. Каждый элемент матрицы содержит три излучающие ячейки, излучающие красный, зеленый и синий цвета. Светодиоды ячеек всего экрана синхронно начинают излучение и формируют изображение кадра на экране.
Сущность изобретения в том, что в цифровой плоскопанельный дисплей, включающий плоскопанельный экран, содержащий экранное стекло и матрицу из элементов по числу разрешения в кадре, элемент матрицы включает три излучающие ячейки, введены три канала цветовых сигналов R, G, B, каждый из которых включает последовательно соединенные накопитель кодов кадра и блок формирования управляющих сигналов, выходы каналов цветовых сигналов подключены к входам плоскопанельного экрана, в каждую излучающую ячейку введены последовательно расположенные светодиод белого свечения и цветной светофильтр, излучающие ячейки в элементе матрицы образуют треугольник, управляющий вход каждого светодиода подключен к выходу блока формирования управляющих сигналов, и экранное стекло по числу излучающих ячеек имеет углубления, в которых поэлементно и размещаются излучающие ячейки.
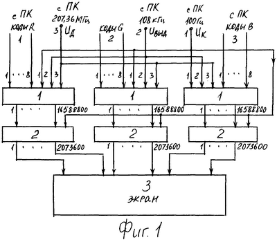
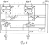
Блок-схема цифрового плоскопанельного дисплея – на фиг.1, накопитель кодов кадра – на фиг.2, блок регистров – на фиг.3 и 4, излучающая ячейка – на фиг.5, состав и форма элемента матрицы – на фиг.6, расположение элементов матрицы в экране – на фиг.7, блок формирования управляющих сигналов – на фиг.8.
Цифровой плоскопанельный дисплей воспроизводит с видеоадаптера персонального компьютера /ПК/ видеорежим 1920×1080×100 Гц. Частота дискретизации составляет:
fд=1920×1080×100 Гц=207,36 МГц,
где
1920 – число отсчетов в строке, 1080 – число строк в кадре,
100 Гц – частота кадров.
Частота строк: fс=1080×100 Гц=108 кГц.
Длительность кадра:
.
Цифровой плоскопанельньй дисплей включает /фиг.1/ три идентичных канала цветовых сигналов R, G, В, каждый из которых содержит последовательно соединенные накопитель 1 кодов кадра и блок 2 формирования управляющих сигналов, выходы которого подключены к входам плоскопанельного экрана 3. Накопители 1 кодов кадра идентичны /фиг.2/, каждый включает блоки 4 регистров по числу строк в кадре 41-1080. Информационным входом накопителя 1 кодов кадра являются поразрядно объединенные 1-8 входы блока 4. Управляющими входами являются: первым – первый управляющий вход Uк /100 Гц/ блока 4, вторым – объединенные вторые управляющие входы Uвыд /108 кГц/ блоков 4, третьим – объединенные третьи управляющие входы Uд /207,36 МГц / блоков 4. Каждый управляющий выход предыдущего блока 4 регистров является первым управляющим входом каждого последующего блока 4. Управляющий выход последнего блока 41080 регистров подключен параллельно к четвертым управляющим входам всех блоков 4 регистров. Первым, вторым, третьим управляющими входами цифрового плоскопанельного дисплея являются объединенные соответственно первые, вторые и третьи управляющие входы накопителей 1 кодов кадра; первым, вторым, третьим информационными входами являются входы накопителей 1 кодов кадра соответственно первого, второго, третьего каналов цветовых сигналов. Блоки 4 регистров идентичны /фиг.3/, каждый включает первый 5, второй 6 ключи, распределитель 7 импульсов и восемь регистров 81-8. Информационным входов блока 4 являются поразрядно объединенные третьи входы разрядов восьми регистров 8. Выходами блока 4 являются параллельные выходы всех разрядов восьми регистров 8, с каждого блока 4 всего 15360 выходов /1080×8/. Управляющими входами являются: первым – первый управляющий вход /100 Гц/ первого ключа 5, вторым – сигнальный вход Uвыд второго ключа 6, третьим – сигнальный вход Uд первого ключа 5, четвертым – первый управляющий вход второго ключа 6, подключенный к управляющему выходу последнего блока 41080. Последний выход /1920/ распределителя 7 импульсов подключен ко второму управляющему входу ключа 5 и является управляющим выходом блока 41 в следующий блок 42, где подключен к первому управляющему входу ключа 5. Выход первого ключа 5 подключен к входу распределителя 7 импульсов, выходы которого последовательно, с первого по последний, подключены к первым управляющим входам разрядов параллельно восьми регистров 81-8. Выход второго ключа 6 подключен ко вторым управляющим входам всех разрядов восьми регистров 8. Блок 2 предназначен для формирования длительности излучения каждым светодиодом 9 в излучающих ячейках элементов матрицы, т.е. для запитывания светодиодов на длительность пропорционально величинам кодов их цветовых сигналов. Плоскопанельный экран 3 представляет совокупность 2073600 элементов матрицы /1920×1080/ и экранное стекло. Каждый элемент матрицы из трех излучающих ячеек, излучающих три основных цвета R, G, B. Световой канал излучающей ячейки представляет собой /фиг.5/ последовательно расположенные светодиод 9 белого свечения и соответствующий цветной светофильтр 10. Излучающие ячейки в элементе матрицы образуют /фиг.6/ треугольник. Расположение излучающих ячеек в экранном стекле экрана на фиг.7. Элемент матрицы своего корпуса не имеет. Экранное стекло для размещения излучающих ячеек имеет соответствующие углубления, в которых и размещаются излучающие ячейки. Управляющий вход каждого светодиода 9 подключен к соответствующему выходу блока 2. Принцип действия излучающей ячейки основан на прямо пропорциональной зависимости длительности излучения светодиода 9 от величины кода его цветового сигнала. Уровни яркости воспринимаются зрением соответственно длительности излучения светодиодов в периоде кадра, т.е. скважности излучения: отношение времени, когда светодиод излучает, ко времени, когда он не излучает, в том же периоде кадра. Суммарное излучение трех светодиодов /R, G, В/ матрицы формирует изображение пиксела, воспринимаемое как яркость определенного цветового тона. Излучение каждого светодиода каждой ячейки участвует в формировании цветопередачи не только пиксела своего элемента матрицы, но и всех соседних с ним /справа, слева, сверху, снизу/ излучающих ячеек. Это уже осуществляет практически аналоговый способ цветопередачи изображения всего кадра в целом и максимально приближает цветопередачу к оригиналу по всем параметрам: яркости, насыщенности цветов и четкости. Блоки 2 формирования управляющих сигналов идентичны, каждый включает /фиг.8/ источник питания 11, генератор 12 импульсов и с первого по 2073600-й преобразователи “код – длительность излучения”, которые идентичны и каждый включает последовательно соединенные первый ключ 13, вычитающий счетчик 14 импульсов, дешифратор 15 и второй ключ 16. Исходное состояние ключей 13 и 16 закрытое. Генератор 12 импульсов выдает на сигнальные входы ключей 13 импульсы частотой 25,51 кГц. Преобразователи “код – длительность излучения” работают идентично, при длительности кадра 10 мс /100 Гц/ коду 00000001 соответствует длительность излучения светодиода 9 в один импульс 39,26 мкс / /, коду 00000010 соответствует длительность излучения в два импульса 78,5 мкс, коду 00000011 – три импульса 117 мкс и т.д., коду 11111110 – 254 импульсов 9958 мкс, коду 11111111 – длительность в 255 импульсов 9997 мкс. Инерционность срабатывания светодиодов 9 меньше 1 мкс [5 c.9]. По окончании накопления кодов блоками 1 сигнал Uвыд /100 Гц/ открывает /фиг.8/ все первые ключи 13 в блоке 2. Коды кадра каждого цветового сигнала синхронно и в параллельном виде поступают на информационные 1-8 входы вычитающих счетчиков 14 импульсов. Открытые ключи 13 пропускают импульсы 25,51 кГц с генератора 12 на счетные входы счетчиков 14. Сигнал Uвыд /100 Гц/ открывает и все ключи 16. Напряжение питания, например 3 В, через открытые ключи 16 запитывает светодиоды 9, который излучают с длительностью, соответствующей каждому коду цветового сигнала. Процесс вычитания в счетчиках 14 импульсов длится до появления в них кода 00000000.
С приходом в дешифратор 15 кода из одних нулей он выдает сигнал Uз, закрывающий оба ключа, и 13, и 16. Питание светодиода 9 заканчивается, излучение прекращается. Длительность светодиода воспринимается как определенный уровень яркости цвета, излучаемого светодиодом 9 белого свечения. Излучения светодиодов трех ячеек проходят свои цветные светофильтры R, G, В и поступают на экранное стекло, формируя изображение пиксела соответствующего цветового тона. Скважность излучений всех светодиодов экрана 3 за время периода кадра /10 мс/ формирует яркость цветовых тонов всех пикселов, которые в совокупности и составляют цветопередачу изображения кадра на экране 3. Вариант размера светодиодов 9 принимается диаметром 0,4 мм /фиг.6/, размер элемента матрицы /трех ячеек/ составляет 0,8×0,75 мм. Толщину плоскопанельного экрана составляют толщина экранного стекла и толщина светодиода, не более 15 мм. Ширина двух строк /фиг.7/ составляет 1,15 мм. При числе пикселов 2073600 разрешение соответствует формату НДТV: 1920×1080. Размер экрана составит:
по горизонтали 1920×0,8 мм=1536 мм,
по вертикали 1080×0,6 мм=648 мм, по диагонали 1667 мм или 65 дюймов. В качестве светодиода 9 белого свечения, как вариант, принимается сверхъяркий светодиод белого свечения, например L-53MWC фирмы Kingbright [6 c.45] с силой света 3 кд.
Максимальная яркость свечения светодиода составит:

где 3 кд – сила света светодиода, 0,5 мм2 – площадь излучения светодиода.
С учетом потерь излучения и в 50% яркость изображения на экране будет выше, чем у прототипа.
Работа цифрового плоскопанельного дисплея.
Коды цветовых сигналов с цифровых выходов ДV1 видеоадаптера ПК поступают в параллельном виде на информационные входы трех накопителей 1 кодов кадра. С соответствующих выходов ПК на первый, второй, третий управляющие входы накопителей 1 кодов кадра поступают синхроимпульсы частоты кадров Uк /100 Гц/, частоты строк Uc /108 кГц/ и частоты дискретизации Uд /207,36 МГц/. За период кадра регистры 8 блока 4 регистров /фиг.3/ заполняются кодами первого кадра. Каждый блок 4 сосредотачивает коды одной строки. За период кадра в каждом блоке 1 накапливаются по 2073600 кодов, Управляющий сигнал Uвыд выдает из блоков 1 синхронно и в параллельном виде все коды кадра в блоки 2 и обнуляет разряды регистров в блоках 4 для приема кодов следующего кадра. Заполнение регистров 8 в блоках 4 начинается с открытием сигналом Uк первого ключа 5 в блоке 41. Сигналы первых разрядов кода поступают в разряды первого регистра 81 /фиг.3/, вторых разрядов кодов в разряды регистра 82, и т.д. По заполнении регистров 8 с последнего выхода блока 7 сигнал закрывает ключ 5 и в качестве управляющего сигнала открывает ключ 5 в следующем блоке 42. Таким образом за время кадра заполняются регистры 8 всех блоков 4 регистров. Выходной сигнал с блока 41080 открывает вторые ключи 6 в блоках 4, а сигнал выдачи Uвыд выдает из всех блоков 4 коды кадра в блоки 2, с выходов которых запитываются светодиоды в матрице, и на экране 3 формируется изображение кадра без участия процесса строчной развертки. При формировании изображений всех пикселов кадра одновременно отпадает необходимость в строчной развертке кадра. Электронные схемы блоков 4 идентичны, поэтому блоки 1 выполняются микросхемами. Аналогично и блоки 2. Применение предложенных излучающих ячеек и преобразователей к ним “код – длительность излучения” позволяет перейти в построении изображения на экране от дискретного способа /быстро сменяющимися мелкими элементами строки/ к практически аналоговому, когда изображение кадра на экране не развертывается, а кадр излучается на весь экран сразу.
Использованные источники
1. Радио №8, 2004, c.7-10, прототип.
2. Колесниченко О.В., Шишигин И.В. Аппаратные средства PC. 5-е издание, СПб, 2004, с.489.
3. “Домашний компьютер” №4, – 2006, с.25, 27, 29, первая колонка.
4. “Домашним компьютер” №4, 2005, с.23, 27.
5. В.И.Иванов и др. Полупроводниковые и оптоэлектронные приборы. Справочник. М, 1984, с.9 / 18-я строка сверху.
6. Радио №2, 2006, с.45.
Формула изобретения
Цифровой плоскопанельный дисплей, включающий плоскопанельньй экран, содержащий экранное стекло и матрицу из элементов по числу разрешения в кадре, каждый элемент матрицы включает три излучающих ячейки, отличающийся тем, что в него введены три канала цветовых сигналов R, G, В, каждый из которых включает последовательно соединенный накопитель кодов кадра и блок формирования управляющих сигналов, выходы которого подключены к соответствующим входам плоскопанельного экрана, в каждую излучающую ячейку введены последовательно расположенные светодиод белого свечения и цветной светофильтр из основных цветов R, G, В, излучающие ячейки в элементе матрицы образуют треугольник, экранное стекло но числу излучающих ячеек имеет углубления, в которых поэлементно и размещаются излучающие ячейки, первым, вторым и третьим информационными входами цифрового плоскопанельного дисплея являются информационные входы накопителя кодов кадра каждого канала цветового сигнала, подключенный к соответствующим /цифровым/ информационным выходам видеоадаптера персонального компьютера /ПК/, первым, вторым и третьим управляющими входами являются объединенные соответственно первые, вторые и третьи управляющие входы накопителей кодов кадра, подключенные соответственно к первому, второму и третьему управляющим выходам видеоадаптера ПК, накопители кодов кадра идентичны, каждый содержит блоки регистров по числу строк в кадре, информационным входом накопителя кодов кадра являются поразрядно объединенные входы блоков регистров, первым управляющим входом является первый управляющий вход первого блока регистров, вторым – объединенные вторые управляющие входы блоков регистров, третьим – объединенные третьи управляющие входы блоков регистров, каждый управляющий выход предыдущего блока регистров является первым управляющим входом последующего блока регистров, управляющий выход последнего блока регистров подключен параллельно к четвертым управляющим входам всех блоков регистров, и выходами накопителя кодов кадра являются выходы всех блоков регистров, блоки регистров идентичны, каждый включает первый и второй ключи, распределитель импульсов и восемь регистров, информационными 1-8 входами блока регистров являются поразрядно объединенные третьи входы разрядов восьми регистров, выходы же всех разрядов восьми регистров являются параллельными выходами блока регистров, первым управляющим входом блока регистров является первый управляющий вход первого ключа, вторым – сигнальный вход второго ключа, третьим – сигнальный вход первого ключа, четвертым – первый управляющий вход второго ключа, подключенный к управляющему выходу последнего блока регистров, выход первого ключа подключен к входу распределителя импульсов, выходы которого последовательно подключены к первым управляющим входам разрядов параллельно восьми регистров, последний выход также подключен к второму управляющему входу первого ключа и является управляющим выходом блока регистров, выход второго ключа подключен параллельно к вторым управляющим входам всех разрядов восьми регистров и к второму управляющему входу второго ключа, блоки формирования управляющих сигналов идентичны, каждый содержит источник питания, генератор импульсов и по числу разрешения кадра /экрана/ преобразователи “код – длительность излучения”, которые идентичны и каждый включает последовательно соединенные первый ключ, вычитающий счетчик импульсов, дешифратор и второй ключ, информационными входами блока формирования управляющих сигналов являются информационный входы всех вычитающих счетчиков импульсов, управляющим входом являются объединенные первые управляющие входы первых и вторых ключей всех преобразователей “код – длительность излучения”, подключенный к первому управляющему входу цифрового плоскопанельного дисплея, выходами блока формирования убавляющих сигналов являются выходы вторых ключей преобразователей “код – длительность излучения”, каждый из которых подключен к управляющему входу своего светодиода белого свечения в плоскопанельном экране, сигнальные входы вторых ключей объединены и подключены к выходу источника питания, сигнальные входы первых ключей объединены и подключены к выходу генератора импульсов, в каждом преобразователе “код – длительность излучения” выход первого ключа подключен к счетному входу вычитающего счетчика импульсов, выход дешифратора подключен параллельно к вторым управляющим входам первого и второго ключей.
РИСУНКИ
|
|